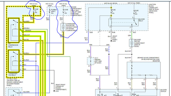
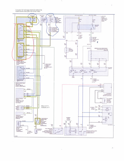
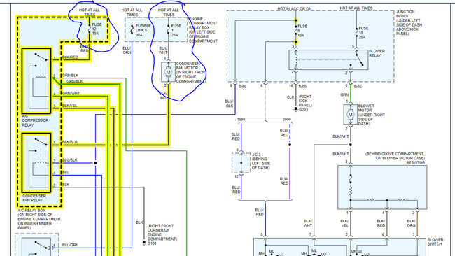
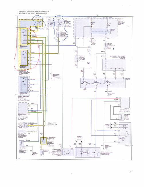
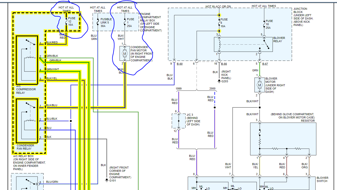
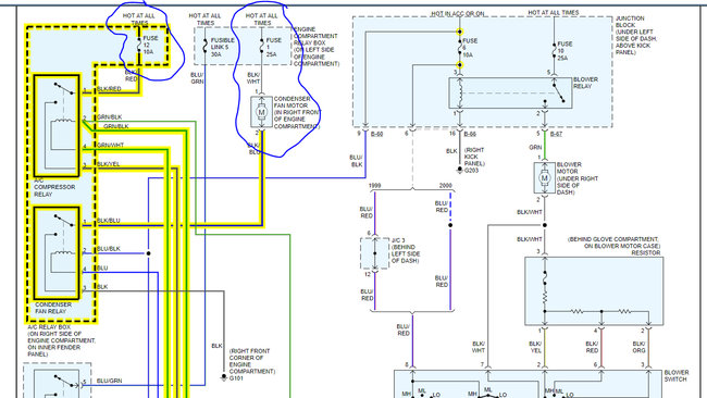
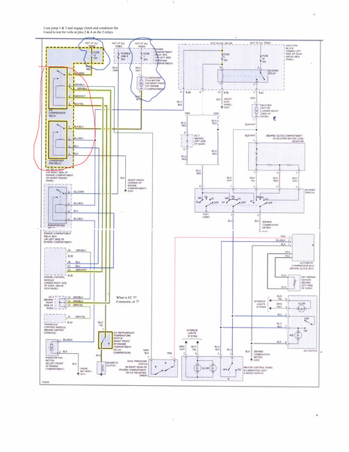
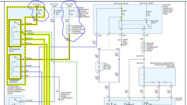
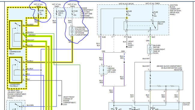
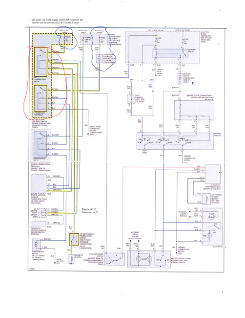
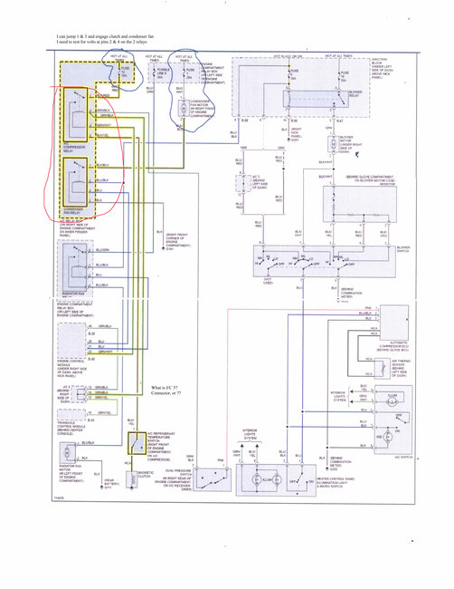
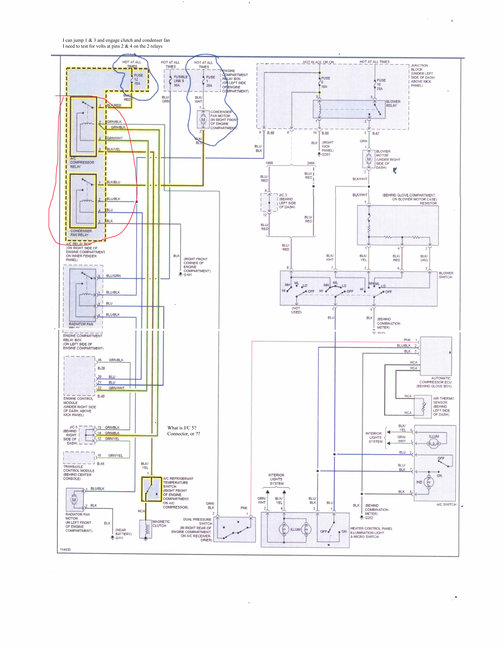
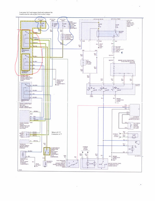
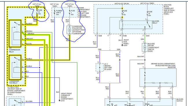
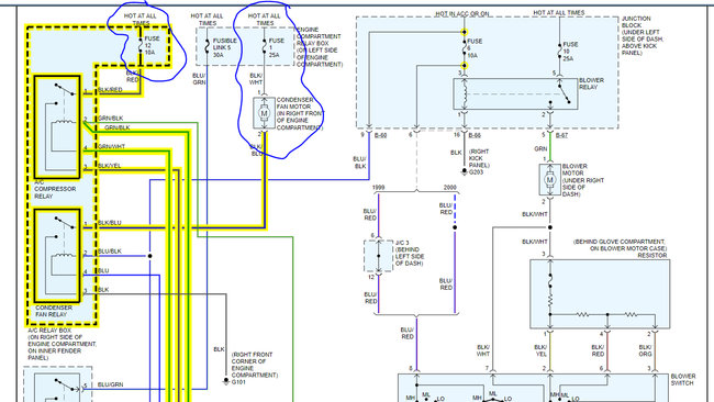
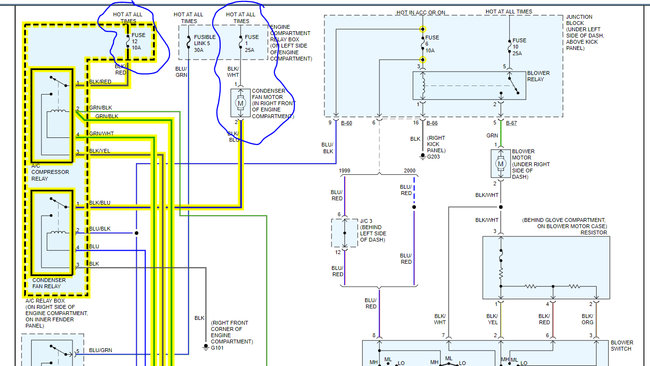
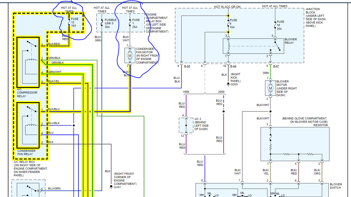
Do the 2 relays for the A/C system in the car listed above always have 12 volt power going to them even with the key off and removed from the ignition? There are 2 relays and 1 10 amp fuse.
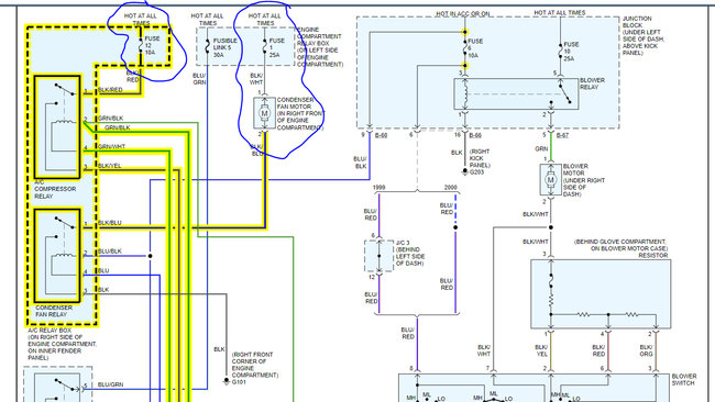
Both the A/C clutch and condenser fan relays have 12 volts present at all times.. Key on, key off and removed.
Would this mean a worn ignition switch, or perhaps a ECM problem?
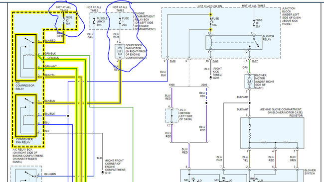
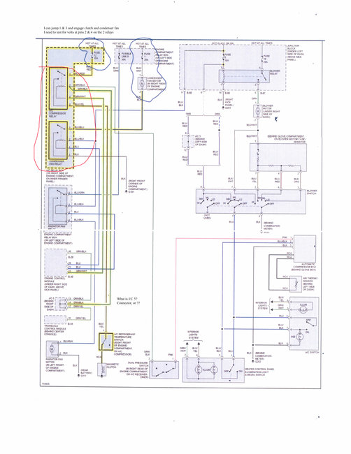
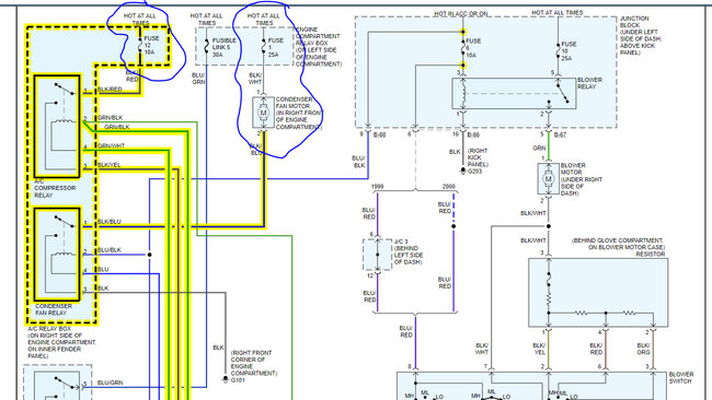
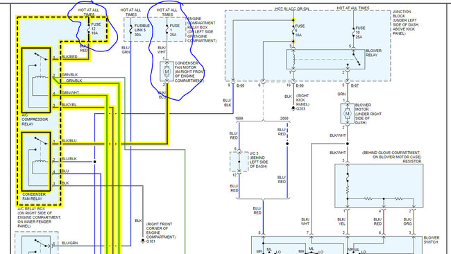
Both the A/C clutch and condenser fan relays have 12 volts present at all times.. Key on, key off and removed.
Would this mean a worn ignition switch, or perhaps a ECM problem?
Apr 8, 2021 at 3:26 PM




























