A/C not blowing cold air

Tiny
OR361
  • MEMBER
  • 2002 GMC YUKON
  • 3.5L
  • V8
  • 2WD
  • AUTOMATIC
  • 200,000 MILES
The A/C from the dash is blowing just air and the vents in the back second and third rows blow cold.
Wednesday, March 13th, 2019 AT 8:25 PM

30 Replies

Tiny
DANNY L
  • MECHANIC
  • 5,648 POSTS
Hello, I'm Danny.

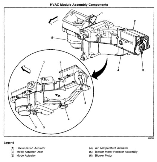
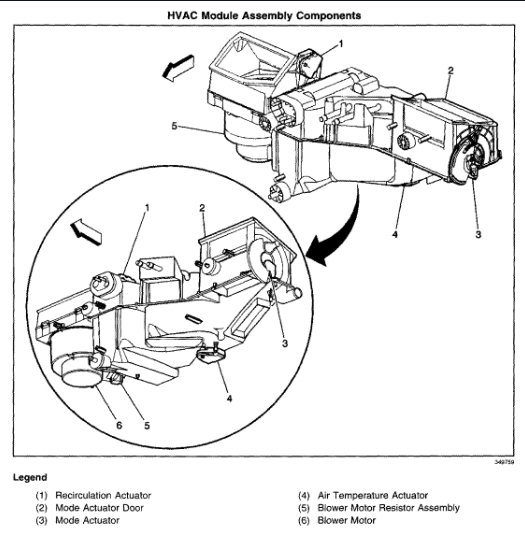
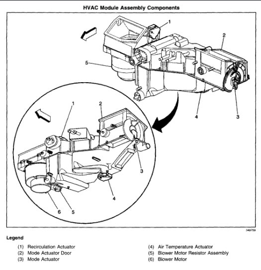
It sounds like you are having a problem with the mode actuator.It is located on the HVAC unit under the dash on the right side. It's a small electrical motor that opens/closes a door to move air through specific air ducts. Here is a tutorial showing what is involved in its replacement:

https://www.2carpros.com/articles/replace-blend-door-motor

These guides can help as well

https://youtu.be/uZrQCGwXfek

and

https://www.2carpros.com/articles/car-air-conditioner-not-working-or-is-weak

Please run down these guides and report back. I've attached a picture below showing what it looks like.Hope this helps and thanks for using 2CarPros.
Danny-
Was this
answer
helpful?
Yes
No
Wednesday, March 13th, 2019 AT 8:52 PM
Tiny
SINDHJA
  • MEMBER
  • 1 POST
  • 2002 GMC YUKON
2002 GMC Yukon

We changed a compressor now front AC is working but rear is not working. What are the steps we should follow. Please help
Was this
answer
helpful?
Yes
No
Thursday, July 16th, 2020 AT 12:10 PM (Merged)
Tiny
DOCFIXIT
  • MECHANIC
  • 18,828 POSTS
HI
Old compressor may have put debris in system and rear uses expansion valve which is pluged up not allowing freon to enter evaporator. see diagram


https://www.2carpros.com/forum/automotive_pictures/198357_Graphic_523.jpg


If valve blocked tube will ice up before valve.
Hope this helps
Thanks for donate
Was this
answer
helpful?
Yes
No
+2
Thursday, July 16th, 2020 AT 12:10 PM (Merged)
Tiny
ESTEVAN52
  • MEMBER
  • 1 POST
  • 2002 GMC YUKON
  • 5.3L
  • V8
  • 2WD
  • AUTOMATIC
  • 190,000 MILES
Replaced A/C compressor, all fluid levels on point. It was working only for a day.
Low pressure switch has ground but no power, I tried jumping it with a paperclip but still did not engage.
Sensor connector behind compressor has no power nor ground.
Connector in front of A/C compressor has ground but no power.
Jumped 30 and 87 on relay post and still nothing.
Pin 87 has no ground and all ac fuses are good.
A/C controller in front replaced still no engaging.
Please help ! Thank you.
Was this
answer
helpful?
Yes
No
Thursday, July 16th, 2020 AT 12:11 PM (Merged)
Tiny
ASEMASTER6371
  • MECHANIC
  • 52,796 POSTS
Good evening,

The low pressure switch and high pressure switches should have power with the key on.

The high pressure switch is a normally closed switch and the low side is a normally open switch unless there is greater than 20 pounds in the system.

I attached a wiring diagram for you to view.

Let us start with verifying power to the clutch relay. With the key on, there should be terminals with power. Pin 30 and 85.

https://www.2carpros.com/articles/how-to-check-wiring

Roy
Was this
answer
helpful?
Yes
No
Thursday, July 16th, 2020 AT 12:11 PM (Merged)
Tiny
PLEBE13
  • MEMBER
  • 1 POST
  • 2002 GMC YUKON
  • 5.3L
  • V8
  • 4WD
  • AUTOMATIC
  • 152,000 MILES
The air is blowing full blast even though it is turned off and the car is off. We removed ac fuse so battery wouldn't die. Someone said it may be a Relay issue? I have a 2002 Yukon XL 4wd V8. Now we cannot use air at all and I can't afford to take it to a shop. Please a little help.
Was this
answer
helpful?
Yes
No
+1
Thursday, July 16th, 2020 AT 12:11 PM (Merged)
Tiny
HMAC300
  • MECHANIC
  • 48,601 POSTS
Check to see if the harness between control panel and resistor is melted together. If you go to GM parts direct itwill cost about $125 or so to fix it with a new h arness and resistor. More at a dealer.
Was this
answer
helpful?
Yes
No
Thursday, July 16th, 2020 AT 12:11 PM (Merged)
Tiny
MOLEMAN
  • MEMBER
  • 1 POST
  • 2002 GMC YUKON
Air Conditioning problem
2002 GMC Yukon V8 All Wheel Drive Automatic 125k miles

i had a recomended car shop look at my a/c that was only putting out hot air. He said that he could "patch"it with a part that he could buy over the internet instead of the whole compressor. He had not done this before and said he would try it but it probally would not last. We'll he was right it lasted less than 30 days. The bill read "check /ac evacuate, recharge plus leak check, R+R AC SWITCH. He had a note on the bottom"will need compressor-(not pump to capacity). Do you have any suggesrtions.I have the time to do this myself this week and I have a moderate level of skills when working on equiptment.
Was this
answer
helpful?
Yes
No
Thursday, July 16th, 2020 AT 12:11 PM (Merged)
Tiny
RASMATAZ
  • MECHANIC
  • 75,992 POSTS
Car's air conditioner blowing warm air only and no cool air? Your A/C cooling problem could be caused by any of the following:

Your A/C system may have lost its charge of refrigerant, or the compressor may not be engaging when you turn on the A/C, or the blend air door inside the HVAC unit may be stuck in the HEAT position so no air goes through the A/C evaporator.

Start with the compressor. Does it engage when you turn on the A/C?

If so, the compressor is working and the A/C system probably contains enough refrigerant to make cold air, so the problem is inside the HVAC unit. Replace the motor that controls the blend air door (this is a difficult job and best left to a professional since it involves tearing apart the HVAC unit -- about an 8 to 10 hour job!).

If the compressor does not engage when you turn on the A/C, see if it will run by jumping the compressor clutch wire directly to the battery (use a fused jumper wire). If the compressor works when you jump it, and the A/C blows cold air, the system contains refrigerant and the fault is likely a bad A/C compressor clutch relay or a bad clutch cycling switch or pressure switch.

If the compressor does not engage when you jump it, the problem is a bad compressor clutch.

If the clutch engages but the compressor does not turn (the belt will start to slip and squeal), the compressor is loced up and you need a new compressor.

If the compressor clutch engages and turns the compressor, but the A/C still does not blow cold air, the system is probably low on refrigerant and needs to be recharged. If you Have an A/C gauge set, hook it up and see if the system has any pressure.

If it is out of refrigerant or is low, check for leaks, then have the A/C system vacuum purged to remove air. After the air is out, it can be recharged with the specified amount of refrigerant. It is important to get any air out as this will reduce cooling efficiency and may make the compressor noisy.

My advice to you if you know nothing about A/C service is to find a repair shop that specializes in A/C repairs and let them fix your cooling problem for you. Today's A/C systems with automatic climate control are very complex and reuire special tools and know-how to diagnose and repair.
Was this
answer
helpful?
Yes
No
+1
Thursday, July 16th, 2020 AT 12:11 PM (Merged)
Tiny
FILTHYG8603
  • MEMBER
  • 1 POST
  • 2002 GMC YUKON
  • V8
  • 4WD
  • AUTOMATIC
  • 136,000 MILES
On hot days my 2002 Yukon's AC blows significantly warmer when stopped than while moving. I have a small coolant leak, but it does this even when the radiator is topped off. Any ideas?
Was this
answer
helpful?
Yes
No
Thursday, July 16th, 2020 AT 12:11 PM (Merged)
Tiny
EDWARD.S
  • MECHANIC
  • 166 POSTS
HI, First I'd Check That You Have Enough Freon First. And I'd Look At The Pressures Low And High, If All That Was ok. I'd Check The Radiator Fan clutch. If All The Above Is Ok. Then I'd Put A Thermometer in The Dash vent, And check The Temperature. Let Say Vent Temp. At idle On A 90 Degree Day Is 48 Degrees. When you drive it down the road it goes to 40 Degrees, Which Is By The way Normal. You Stop And Let it Idle For a While. And it Goes Back up to 48 Degrees, The Reason for this Is One, The Radiator, and The condenser Are Very large, And Very close Together. When Your Not Moving It Just Too Much Heat For The Clutch Fan To Remove. To Test my Theory, The Condenser Get Hot To Begin With. Take Your Hose Turn On The Water Slow And Wet Down The Condenser Now Watch The Temperature Drop In The Car. As The condenser Cools Down It will Get Cooler Inside. What You Can Do To help Keep The Condenser Cooler is To Install A Pusher Fan . It's A Electric Fan That Will Pull The Heat Off The condenser. It Mounts To The Condenser. This Should Help On 90 Plus Degree Days, Also A Partially Clogged Radiator will Make The Car Run Hotter. That Is the problem With large Radiators

Hope This Helps You,
Good Luck

Edward S.
Was this
answer
helpful?
Yes
No
Thursday, July 16th, 2020 AT 12:11 PM (Merged)
Tiny
SMART
  • MEMBER
  • 1 POST
  • 2001 GMC YUKON
  • V8
  • 2WD
  • AUTOMATIC
  • 133,000 MILES
When the Yukon is idling in drive the ac will not blow cold air. When get driving again the ac blows cold air fine, this is an intermitten problem. The Yukon seems to idle around 500-700, which I feel is too low. Is there some switch that is having a problem or is there a way that I can increase the idle?
Was this
answer
helpful?
Yes
No
Thursday, July 16th, 2020 AT 12:11 PM (Merged)
Tiny
BMRFIXIT
  • MECHANIC
  • 19,053 POSTS
Idle is about right
1st step would do check AC system if low and need a charge (134A)

check coolant fan operation 2nd
and if all ok
you may have to install Auxiliary Electric Coolant fan
Was this
answer
helpful?
Yes
No
Thursday, July 16th, 2020 AT 12:11 PM (Merged)
Tiny
JAKEBAKER
  • MEMBER
  • 1 POST
  • 2001 GMC YUKON
  • 111,000 MILES
The water is cold, and only leaks when a/c is on. It is leaking underneath the dash through a screw opening around the screw. Is there supposed to be somewhere this water is supposed to drain? Thanks
Was this
answer
helpful?
Yes
No
Thursday, July 16th, 2020 AT 12:11 PM (Merged)
Tiny
YUKIE20
  • MEMBER
  • 1 POST
  • 2000 GMC YUKON
  • V8
  • 2WD
  • AUTOMATIC
  • 170,000 MILES
Temp rises when a/c is on and only when acceleration response is sluggish. When in cruise mode temp remains normal. Procedures tried changed clutch fan, thermostat, coolant temp sensor, air idle control valve, plugs and wires. Flush cooling system
Was this
answer
helpful?
Yes
No
Thursday, July 16th, 2020 AT 12:14 PM (Merged)
Tiny
MERLIN2021
  • MECHANIC
  • 17,250 POSTS
Try blowing out the cooling fins on both the radiator and the condenser, dirt dead bugs and grime coat the surface over the years and can lead to poor air flow thu the fins, I use a home made air tool made out of a blow gun and a piece of long brake/fuel line tubbing, flatten the end and cut a notch into the side so air will be directed at the fins, blow out at condenser first, then turn it to blow the radiator fins towards the engine. Move wand to clear entire radiator surface and condenser surface. This slight overheat can cause the fuel to boil in your injectors causing the sluggish performance.
Was this
answer
helpful?
Yes
No
Thursday, July 16th, 2020 AT 12:14 PM (Merged)
Tiny
LARRY1097
  • MEMBER
  • 10 POSTS
  • 2000 GMC YUKON
  • 5.3L
  • V8
  • 4WD
  • AUTOMATIC
  • 160,000 MILES
Ac not cooling and compressed clicks when on
Was this
answer
helpful?
Yes
No
Thursday, July 16th, 2020 AT 12:14 PM (Merged)
Tiny
JACOBANDNICKOLAS
  • MECHANIC
  • 110,194 POSTS
Does the clutch click rapidly or on and of as it should when it cycles?
Was this
answer
helpful?
Yes
No
Thursday, July 16th, 2020 AT 12:14 PM (Merged)
Tiny
LARRY1097
  • MEMBER
  • 10 POSTS
Rapidly
Was this
answer
helpful?
Yes
No
-1
Thursday, July 16th, 2020 AT 12:14 PM (Merged)
Tiny
JACOBANDNICKOLAS
  • MECHANIC
  • 110,194 POSTS
Have you checked the Freon / pressures? It sounds like it is low on Freon.
Was this
answer
helpful?
Yes
No
Thursday, July 16th, 2020 AT 12:14 PM (Merged)

Please login or register to post a reply.