Alternator not charging why?

Tiny
LYLE BELTON
  • MEMBER
  • 2008 CHEVROLET SILVERADO
  • 5.3L
  • V8
  • 4WD
  • AUTOMATIC
  • 150,000 MILES
The Gage shows charge above 14.5 volts and the will drop showing a discharge of 11v. When checking with a multimeter it shows its not charging. However the gauge show a drastic negative charge the goes over the 8.5v range is that normal for a 2008 Silverado?

Tuesday, November 10th, 2015 AT 6:46 PM

55 Replies

Tiny
HMAC300
  • MECHANIC
  • 48,601 POSTS
Hello,

It sounds like the alternator has gone out but to be sure this guide will help us confirm the issue with instructions in the diagrams below to help you.

https://www.2carpros.com/articles/how-to-check-a-car-alternator

Check out the diagrams (Below). Please let us know if you need anything else to get the problem fixed.
Was this
answer
helpful?
Yes
No
-2
Tuesday, June 30th, 2020 AT 2:04 PM
Tiny
PAT5196
  • MEMBER
  • 2 POSTS
You can get an alternator for about $140.00 on Amazon, fixed my problem.
Was this
answer
helpful?
Yes
No
Tuesday, June 30th, 2020 AT 2:04 PM
Tiny
SINGRAM83
  • MEMBER
  • 1 POST
  • 2006 CHEVROLET SILVERADO
  • 5.3L
  • V8
  • 4WD
  • AUTOMATIC
  • 252,000 MILES
Recently had a drained battery and changed out the battery. A few weeks later, began receiving "Charging System Failure" warning. So I took it to auto parts store and ended up changing out the alternator.

Everything fine for a month, but then began dropping below 14 amps while driving down the road and going from cold air to warm air on all vents. Also occurs when sitting overnight (will have to let run for two to three miles before it will get enough amps to kick in air).

Auto parts and mechanics say that alternator and battery is still good, so no clue what is wrong.

Any ideas?
Was this
answer
helpful?
Yes
No
Thursday, May 13th, 2021 AT 7:52 PM (Merged)
Tiny
KEN L
  • MASTER CERTIFIED MECHANIC
  • 55,394 POSTS
Hello,

It sounds like the alternator has gone bad, did you replace the unit with AC delco? If not I would change it out.

Also, check to make sure the battery cables are clean and tight. Here are two guides to help you get the problem fixed:

https://www.2carpros.com/articles/how-to-replace-an-alternator

and

https://www.2carpros.com/articles/everything-goes-dead-when-engine-is-cranked

Let us know what happens and please upload pictures or videos of the problem.

Cheers, Ken

Was this
answer
helpful?
Yes
No
Thursday, May 13th, 2021 AT 7:52 PM (Merged)
Tiny
LONES11
  • MEMBER
  • 1 POST
  • 2006 CHEVROLET SILVERADO
In October I received a Charging System Failure message on my dash, and my volt gauge on the dash showed this to be true. I replaced the alternator and it worked fine for a few weeks. Then the same thing happened again and I replaced the alternator once again thinking it was the problem again. I also replaced the battery. The truck worked fine for a little while but my volt gauge is jumpy. Sometimes it shows 14.0v and seems to work fine. Other times it shows 12-13v. I brought the truck to a Chevy dealer and they didnt find anything wrong. Then a week ago I got the same Charging System Failure again and the volt gauge on my dash showed that I was losing power. I again brought the truck to the same Chevy dealer and they redid the connections that allow the alternator to charge the battery (connections in the red plastic transfer box between the battery and alternator). They claimed this was the issue. However, 3 days later I looked down on my dash and my volt gauge was showing 12v again.

Can anyone shed some light on this issue? I am tired of bringing this to mechanics that cannot fix the problem. I dont want to be stranded on the side of the road hours from home when I go fishing.

Thanks
Was this
answer
helpful?
Yes
No
Thursday, May 13th, 2021 AT 7:53 PM (Merged)
Tiny
KEN L
  • MASTER CERTIFIED MECHANIC
  • 55,394 POSTS
Hey Lones11,

I would start be checking the fuses in the power distribution center, give them the wiggle test while the engine is running to see if the charging system responds. Next I am assuming you installed an AC Delco alternator becasue other will just fail. That's been my experience anyway. Next, check the battery and alternator wiring for corrosion.

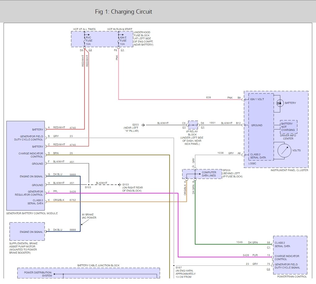
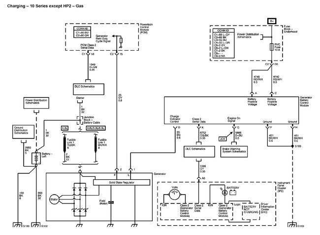
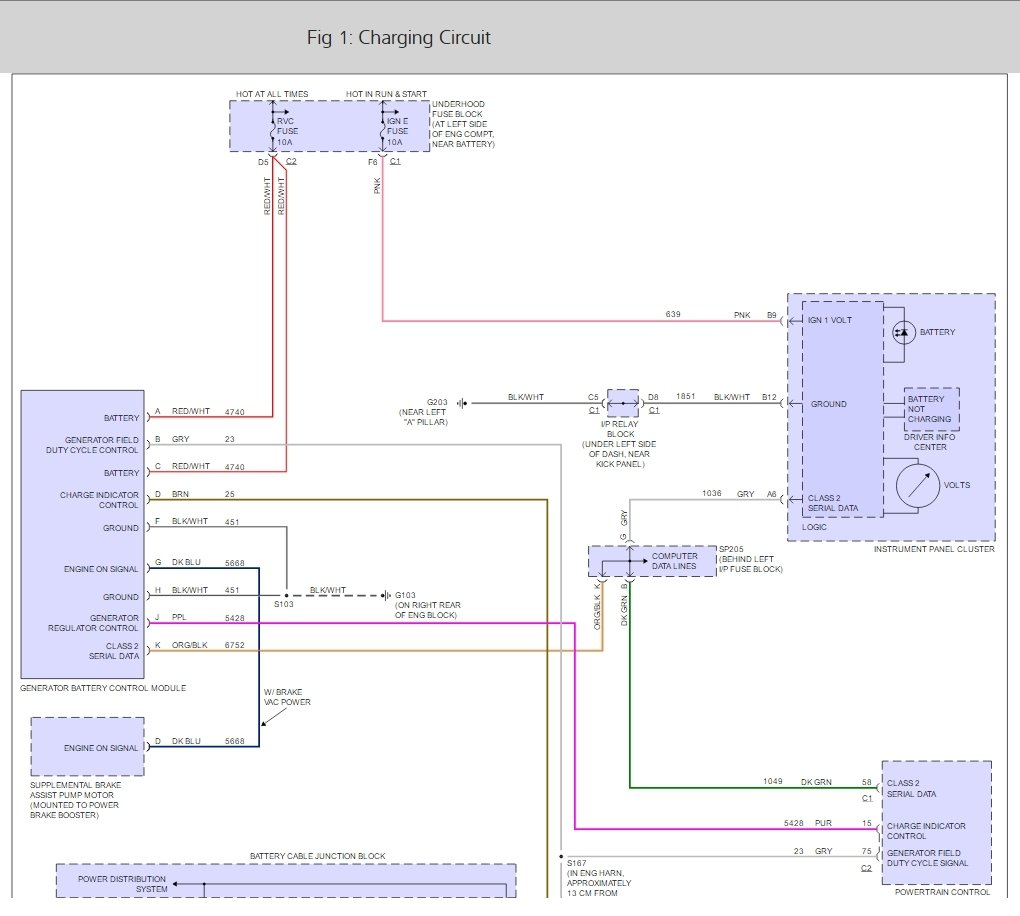
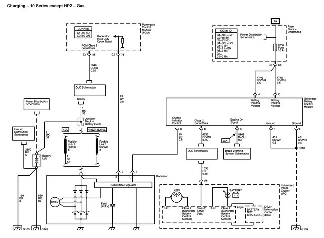
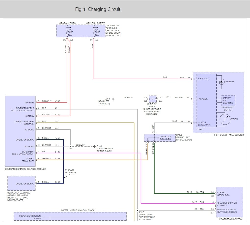
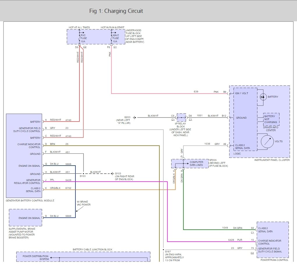
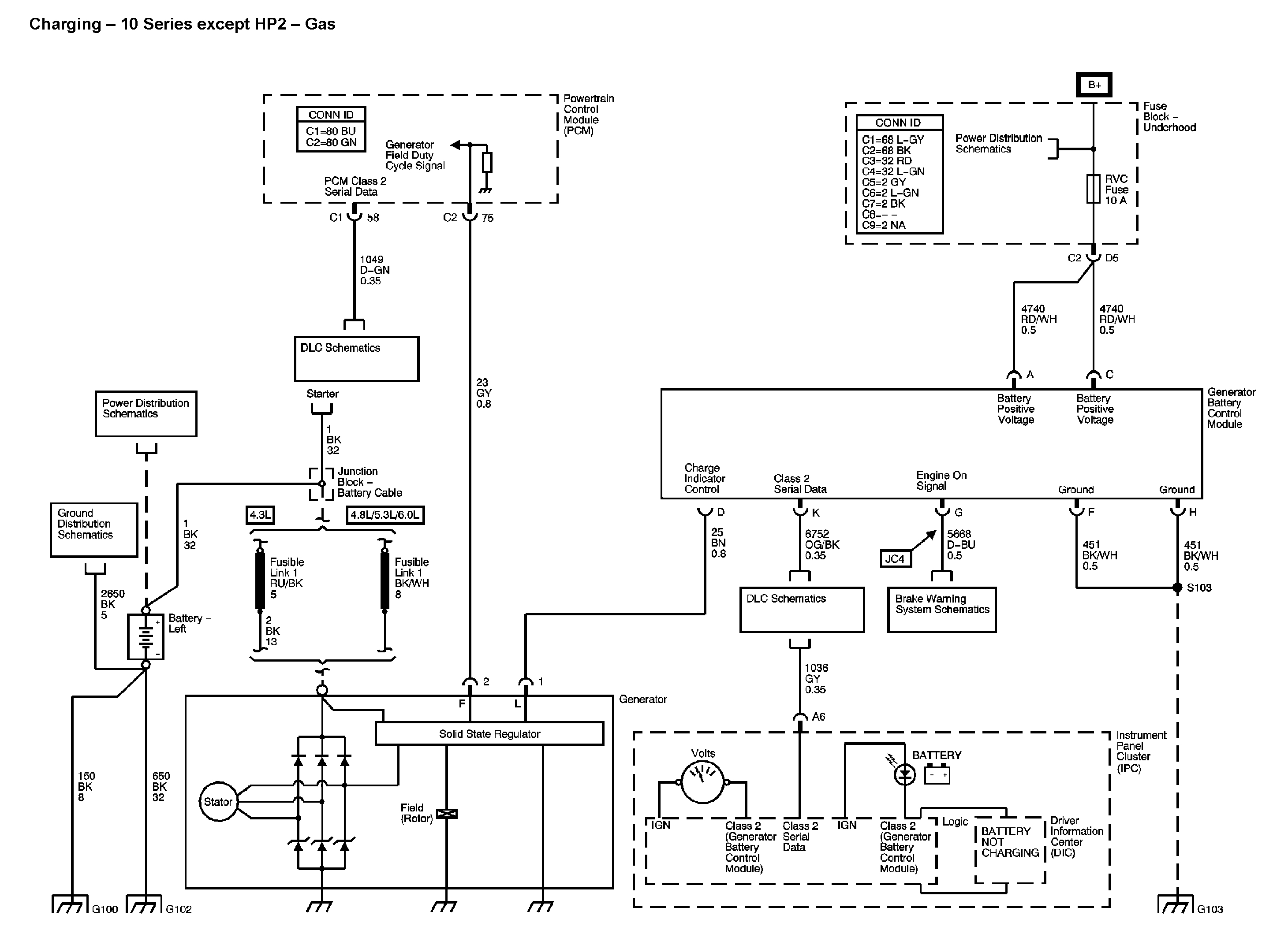
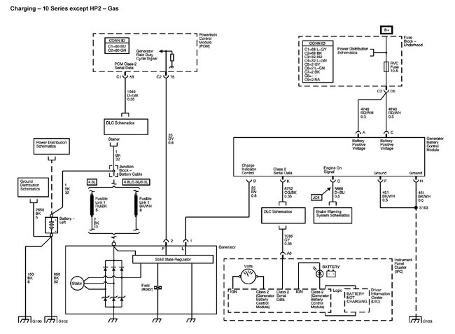
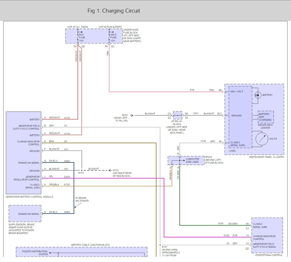
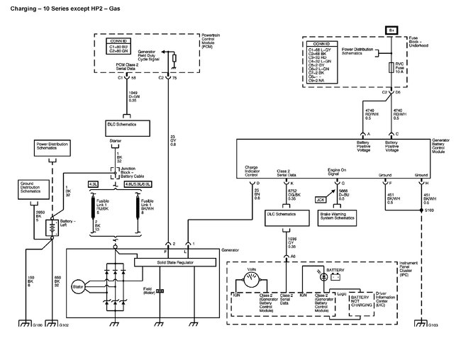
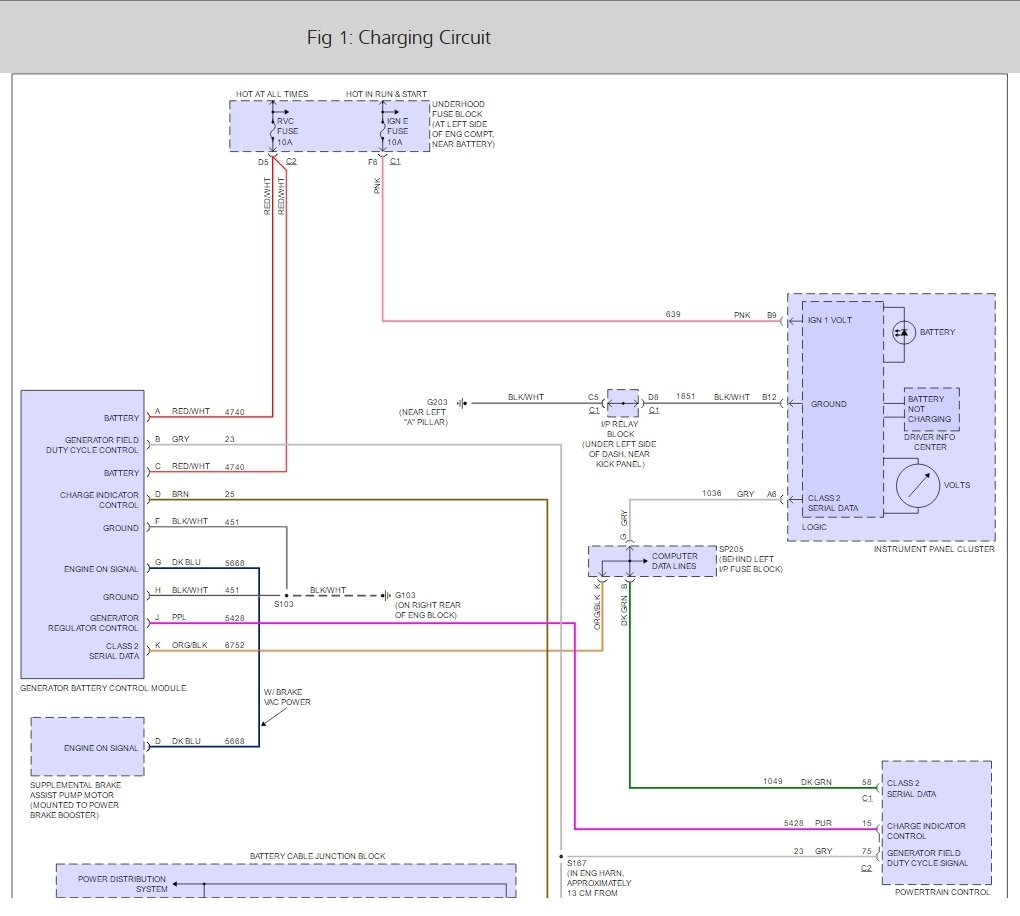
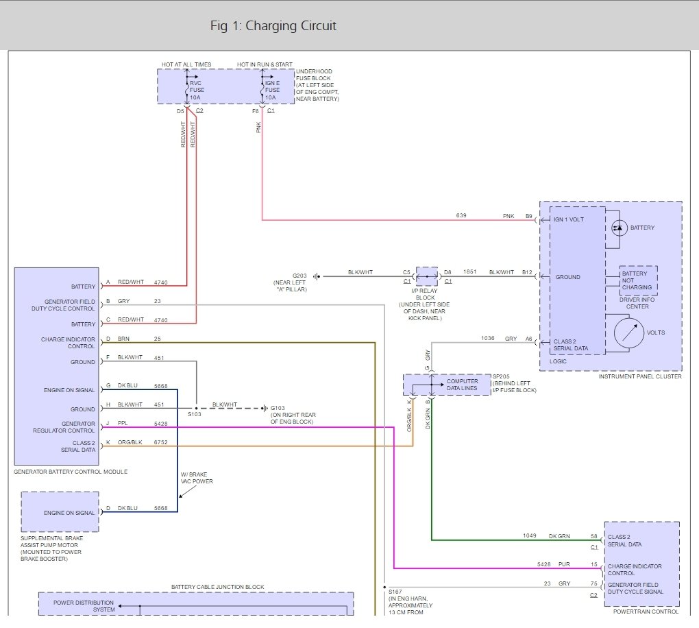
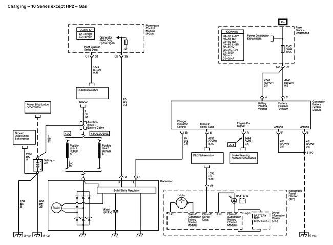
There is a battery/alternator control module that might be bad, I have included some wiring diagrams so you guys can start looking and testing to make sure there is 12 volts where there should be.

https://www.2carpros.com/articles/how-to-use-a-voltmeter

Check out the alternator wiring diagrams below

Please run some tests and get back to us so we can continue helping you.

Best, Ken

Was this
answer
helpful?
Yes
No
+18
Thursday, May 13th, 2021 AT 7:53 PM (Merged)
Tiny
DOUG ROE
  • MEMBER
  • 1 POST
I did the tests you provided and found a bad positive battery cable causing the problem once I replaced it the system started charging good again. I love this site
Was this
answer
helpful?
Yes
No
+9
Thursday, May 13th, 2021 AT 7:53 PM (Merged)
Tiny
KEN L
  • MASTER CERTIFIED MECHANIC
  • 55,394 POSTS
Use 2CarPros anytime, we are here to help. Please tell a friend.

Cheers, Ken
Was this
answer
helpful?
Yes
No
+3
Thursday, May 13th, 2021 AT 7:53 PM (Merged)
Tiny
CHEVYCROWD
  • MEMBER
  • 3 POSTS
  • 2006 CHEVROLET SILVERADO
  • 4.8L
  • V8
  • 2WD
  • AUTOMATIC
  • 262,000 MILES
Had to take a long trip left out this morning everything was fine my battery light had come on and I started to lose battery juice. I found a parts store checked the alternator it was bad so we replaced it. Back on the road about another 600 miles it happens again but this time it also said charging system failure. Turned off the engine and turned it back over and the light was still on but the better seemed to be cranking at a better voltage. Went down the road a little ways and everything went back to normal? What do I need to do to make sure I make it back home?
Was this
answer
helpful?
Yes
No
Thursday, May 13th, 2021 AT 7:53 PM (Merged)
Tiny
ASEMASTER6371
  • MECHANIC
  • 52,796 POSTS
Good afternoon,

You need to check the voltage at the battery with the engine running when the event happens.

https://www.2carpros.com/articles/how-to-check-a-car-alternator

It could a connection at the alternator or it could be the alternator itself.

What brand did you use?

Roy
Was this
answer
helpful?
Yes
No
Thursday, May 13th, 2021 AT 7:53 PM (Merged)
Tiny
BMDOUBLE
  • MECHANIC
  • 1,139 POSTS
The voltage regulator in these alternators can trigger a check charging system light as well as the generator battery control module. I've attached a quick diagnosis guide that should help narrow down your problem. If you suspect the generator battery control module, you can just disconnect it until you get home and get a new one. As long as your operating voltage is greater than 13 but less than 15 you should be good to make it home.
Was this
answer
helpful?
Yes
No
Thursday, May 13th, 2021 AT 7:53 PM (Merged)
Tiny
CHEVYCROWD
  • MEMBER
  • 3 POSTS
It's Ac/Delco brand. It will run okay for a little bit then the battery light comes back on. I don't have my meter on me to check it but will get the parts store to check it for me again.
Was this
answer
helpful?
Yes
No
Thursday, May 13th, 2021 AT 7:53 PM (Merged)
Tiny
ASEMASTER6371
  • MECHANIC
  • 52,796 POSTS
When they check it, make sure they or you wiggle the wiring to see if it is a connection.

Otherwise, I would return the alternator for a replacement.

Roy
Was this
answer
helpful?
Yes
No
Thursday, May 13th, 2021 AT 7:53 PM (Merged)
Tiny
CHEVYCROWD
  • MEMBER
  • 3 POSTS
Okay, thank you that's what we was thinking too. We are going to return it and replace it and hopefully it fixes it.
Was this
answer
helpful?
Yes
No
Thursday, May 13th, 2021 AT 7:53 PM (Merged)
Tiny
KEITHBROOKINS
  • MEMBER
  • 1 POST
  • 2005 CHEVROLET SILVERADO
  • V8
  • 4WD
  • AUTOMATIC
  • 107,000 MILES
The volts read between 11v to 14.8v and has been measured independently by two meters, I have replaced the battery, I have replacer the alternator 3 times thinking I hade bad bebuild. The problem continues.
Was this
answer
helpful?
Yes
No
Thursday, May 13th, 2021 AT 7:53 PM (Merged)
Tiny
RASMATAZ
  • MECHANIC
  • 75,992 POSTS
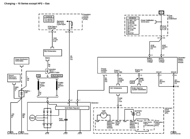
Check the underhood fuse block: RVC fuse 20amp and Ign fuse E 10 amp if both okay and wiring okay to and from the alternator your probable causes here could be the generator/alternator control module and the powertrain control module ( computer ) field generation duty cycle signal


https://www.2carpros.com/forum/automotive_pictures/12900_charging_system_silverado_1.jpg

Was this
answer
helpful?
Yes
No
+3
Thursday, May 13th, 2021 AT 7:53 PM (Merged)
Tiny
ASEMASTER6371
  • MECHANIC
  • 52,796 POSTS
You are welcome.

We are always glad to help.

Roy
Was this
answer
helpful?
Yes
No
Thursday, May 13th, 2021 AT 7:53 PM (Merged)
Tiny
KENNY782
  • MEMBER
  • 8 POSTS
I had the exact same truck and it started moving around in the identical range you mentioned. Got a new alternator works perfect.
Was this
answer
helpful?
Yes
No
+2
Thursday, May 13th, 2021 AT 7:53 PM (Merged)
Tiny
EWALKER3
  • MEMBER
  • 3 POSTS
  • 2004 CHEVROLET SILVERADO
  • V8
  • 2WD
  • AUTOMATIC
  • 140 MILES
This past weekend I started receiving a battery not charging error on my dash. Mon. I replaced the alternator with the upgraded (145amps 12 o'clock plug in) after market one from autozone. Battery was replaced less than 10 months ago. The error went away, but today it came back. Is there anything else I can do or look at to stop this error?
Was this
answer
helpful?
Yes
No
Thursday, May 13th, 2021 AT 7:53 PM (Merged)
Tiny
JDL
  • MECHANIC
  • 16,098 POSTS
It sounds like a bad connection or you have a fuse (IGN E or SEO IGN)out but to be sure here is a guide to help check the wiring and tha alternator wiring diagrams below with the alternator fuse location and the guide to tst it as well.

https://www.2carpros.com/articles/how-to-check-a-car-fuse

and

https://www.2carpros.com/articles/how-to-check-wiring

Check out the diagrams (Below). Please let us know what you find. We are interested to see what it is.
Was this
answer
helpful?
Yes
No
-2
Thursday, May 13th, 2021 AT 7:53 PM (Merged)

Please login or register to post a reply.

Related Alternator Not Charging Content