Alternator not charging why?

Tiny
EWALKER3
  • MEMBER
  • 3 POSTS
It's not given me a check engine light so I'm not getting any codes at all. I did check the voltage across tha battery and it's 12.5 off and 14.07 on. The voltage is the same at the alternator on the battery terminal.
Was this
answer
helpful?
Yes
No
+1
Thursday, May 13th, 2021 AT 7:53 PM (Merged)
Tiny
JDL
  • MECHANIC
  • 16,098 POSTS
I don't care about the check engine lite. Your saying you checked for codes and there wasn't any?

Take second reading across battery posts, engine running, The second reading should be higher than the first, is it? If it is higher, than the alternator is charging.
Was this
answer
helpful?
Yes
No
Thursday, May 13th, 2021 AT 7:53 PM (Merged)
Tiny
EWALKER3
  • MEMBER
  • 3 POSTS
The voltage is higher when the car is running (14.07) than it is when it's off (12.5), but i'm still getting the error battery not charging. How am I soppsoed to check the codes if the check engine light is not on to activate the ECM to put out a code?
Was this
answer
helpful?
Yes
No
+6
Thursday, May 13th, 2021 AT 7:53 PM (Merged)
Tiny
DDC1012
  • MEMBER
  • 1 POST
  • 2003 CHEVROLET SILVERADO
Had a message come up saying, BATTERY NOT CHARGING is this the alternator or can it be something else? I have not changed the alternator before so it may be time. Thank you
Was this
answer
helpful?
Yes
No
Thursday, May 13th, 2021 AT 7:53 PM (Merged)
Tiny
BMRFIXIT
  • MECHANIC
  • 19,053 POSTS
Hello,

This light comes on when the alternator has gone out here is a guide to help check it with a video on how to change it out.

https://www.2carpros.com/articles/how-to-check-a-car-alternator

and

https://www.2carpros.com/articles/how-to-replace-an-alternator

and

https://youtu.be/d3dt5cQGhmM

Please let us know if you need anything else to get the problem fixed.
Was this
answer
helpful?
Yes
No
-1
Thursday, May 13th, 2021 AT 7:53 PM (Merged)
Tiny
DYPYZ0
  • MEMBER
  • 1 POST
  • 2002 CHEVROLET SILVERADO
  • V8
  • 4WD
  • AUTOMATIC
  • 180,000 MILES
My light just came on the dash and the gauge went to around 10 volts. I have battery voltage at the rear of the alternator, but the two wires that plug into the alternator are not hot: running or not. Should either of these two wire be hot.
Was this
answer
helpful?
Yes
No
Thursday, May 13th, 2021 AT 7:53 PM (Merged)
Tiny
JAMES W.
  • MECHANIC
  • 2,394 POSTS
The two wires in question may or may not be hot, depending on your system. To check your alternator output, do the following.
With the truck at a warm idle, all accessories "off", meter on the 20 or 50 volt DC scale, test accross both posts of the battery. You should get a reading of 12.5 to 14.5 volts. Anything below this, your alternator is bad.
Then, one at a time, with meter still connected, turn your accessories on ie; blower fan, headlights, AC. The meter should not drop below 12.5 volts. Hope this helps.
Was this
answer
helpful?
Yes
No
+1
Thursday, May 13th, 2021 AT 7:53 PM (Merged)
Tiny
PSJ011777
  • MEMBER
  • 34 POSTS
  • 2002 CHEVROLET SILVERADO
  • 6.6L
  • V8
  • TURBO
  • 4WD
  • AUTOMATIC
  • 210,000 MILES
Just started happening two days ago, while driving the batter voltage will drop from 14 volts down to 9 volts making the indicator turn on then it will go back up to 14 volts clearing the light. This is a 2500HD has two batteries under the hood. This is my first diesel, always had gas up until now. I would normally think it is the alternator but with it going up and down I am not sure.
Was this
answer
helpful?
Yes
No
Thursday, May 13th, 2021 AT 7:53 PM (Merged)
Tiny
STEVE W.
  • MECHANIC
  • 15,688 POSTS
Clean the connections on both batteries. Then have both load tested to be sure they are okay. GM ties them directly together so if one side has a bad connection and is not charging it will pull the other battery down. Check the connections on the alternator as well. Be advised that if you have one bad battery you will end up replacing both so they have the same ratings and the system works properly.

It could still be the alternator but start with the easy/free stuff first.
Was this
answer
helpful?
Yes
No
+1
Thursday, May 13th, 2021 AT 7:53 PM (Merged)
Tiny
DAVIDNOLAN
  • MEMBER
  • 1 POST
  • 2001 CHEVROLET SILVERADO
  • V8
  • 2WD
  • AUTOMATIC
  • 173,000 MILES
Today driving in to work my red battery light came on and I noticed the voltage meter down around 10 volts. Its normally sowing above 14 volts. I turned around to keep from getting stuck. About 4 miles down the road, almost home, the light went off and the voltage shot back up. I cant locate my repair book. I suspect the alternator is about had it. Is it possible for it to toggle on and off charging the battery and then not. ?Is there a voltage regulator built in to this alternator?
Was this
answer
helpful?
Yes
No
Thursday, May 13th, 2021 AT 7:54 PM (Merged)
Tiny
RASMATAZ
  • MECHANIC
  • 75,992 POSTS
The problem could be coming from the computer's field generation control


https://www.2carpros.com/forum/automotive_pictures/12900_alty_33.jpg

Was this
answer
helpful?
Yes
No
Thursday, May 13th, 2021 AT 7:54 PM (Merged)
Tiny
MITCHF
  • MEMBER
  • 5 POSTS
  • 2000 CHEVROLET SILVERADO
  • 167,170 MILES
3 weeks ago my original alternator went out, since then I have replaced the alternator 3 times with 105 amps and it burned them all up, then I put a 145 amp in and it burned it up too. What is causing this Where do I look first?
Was this
answer
helpful?
Yes
No
Thursday, May 13th, 2021 AT 7:54 PM (Merged)
Tiny
CARADIODOC
  • MECHANIC
  • 34,481 POSTS
Start with the very first reply unless the battery is less than two years old. It depends too on what you mean by "burning up". AC generators by their very nature are incapable of putting out more current than they're designed for. By installing a 145 amp generator you will not get any more current if the car doesn't need it, but if there is a defect that causes it to "full-field" or run wide open, you are likely to destroy the wire going from the output terminal to the battery. That wire size was chosen based on the generator the car was built with. Now it is capable of much higher current so you can expect more damage.

It is real common on 1987 and newer GM cars to go through four to six generators in the life of the vehicle and the way to reduce those repeat failures is to replace the battery at the same time. These generators develop huge voltage spikes that destroy the internal diodes and voltage regulator and can interfere with computer sensor signals. The battery is the main component that dampens and absorbs those spikes. As it ages, it loses its ability to do that, and you have numerous repeat failures. This assumes your term "burning up" simply means failing. If you mean wires are melting, the cause could be the same, meaning the voltage spikes are causing the voltage regulator to short and full-field the generator, or make it run wide open. That could result in wires melting, but if you have connections that are getting real hot, that is due to resistance. You solve that taking the electrical terminals off and shining all of them up to remove any corrosion.
Was this
answer
helpful?
Yes
No
+2
Thursday, May 13th, 2021 AT 7:54 PM (Merged)
Tiny
MITCHF
  • MEMBER
  • 5 POSTS
I have put two new batterys on my truck and I fully charged them to make sure. I found out thru research that the melting plastic came from putting that 145 amp alternator on. Should have stayed with the 105 amp but that's what I get from listening to parts people. When each alternator goes out they have a hotspot on them where the metal has gotten very hot in the alternator. All my terminals are brand new and clean. Where do I go now?
Was this
answer
helpful?
Yes
No
+1
Thursday, May 13th, 2021 AT 7:54 PM (Merged)
Tiny
CARADIODOC
  • MECHANIC
  • 34,481 POSTS
The larger generator will not cause higher output on its own. It only has a higher capacity, just like a hydraulic pump on a piece of construction equipment will only pump the volume of fluid needed, even though it has a higher capacity than the old one. To melt the plastic insulator at the output terminal you have to have current that is constantly very high, (which those parts are designed to handle), or there is excessive resistance which in this case can be way too small to measure accurately with an ohm meter. We can measure the RESULTS of that resistance in the form of "voltage drops", but one point we would need to put a meter probe is inside the generator and is not accessible. Voltage drop tests are commonly performed in starter circuits. Since your connections are new, we can assume excessive resistance in the connection is not the problem. That would leave a defect in the generator when it was rebuilt or something in the vehicle is drawing high current.

If the problem is with something the rebuilder did or overlooked, it is usually due a new inexperienced person doing the work and there will be a whole pile of them with the same problem until it comes to the company's attention. The failures will all occur the same way and in about the same time. You'll solve that by going to a different parts store.

If excessive current is the problem you can verify that with a load tester with an inductive amp probe but you would still have to know what "normal" is. If you have an obnoxious amplifier many kids use or if you've added a lot of lights or other accessories, those may draw high current.

If the voltage regulator is sensing low system voltage it will run the generator harder and that excessive current will go through the battery and overcharge it. Normally that is not a problem on GM systems because system voltage is monitored right inside the unit. The notable exception is on vehicles with digital instrument clusters. They are affected by minute changes in supply voltage so they tap off that point and run a circuit to one of the terminals in the generator's plug and monitor voltage there instead. A problem on the cluster or in that wire can cause overcharging. You'd find that by measuring battery voltage with the engine running and comparing that to the voltage on that terminal at the cluster. They should be the same.
Was this
answer
helpful?
Yes
No
Thursday, May 13th, 2021 AT 7:54 PM (Merged)
Tiny
MITCHF
  • MEMBER
  • 5 POSTS
Well everbody I checked evrything that I could that yall said to and I could not find the problem so I took my truck to a generator shop that I had been knowing the owner for a while. He found the problem in about an hour. It was that red junction box where the battery cable and the alternator wire connect together. He said the nut was holding them together tight but over the years (2000 model) what was holding the bolt and box on had become loose and was causing a 2-volt voltage drop making the alternators put out more. He checked out the 145 amp alternator and said it was fine, no problems, thank god. I appeciate evrybody's help and effort in helping me get this problem resolved. I've leaned how to do a lot more stuuf thanks to yall. Oh yea, all he had to do was replace that red junction box. I am going to recommend this site to a lot of people. Talk to yall later.
Was this
answer
helpful?
Yes
No
+13
Thursday, May 13th, 2021 AT 7:54 PM (Merged)
Tiny
CARADIODOC
  • MECHANIC
  • 34,481 POSTS
VERY happy to hear it's solved. Things like that are hard to diagnose over a computer.
Was this
answer
helpful?
Yes
No
+1
Thursday, May 13th, 2021 AT 7:54 PM (Merged)
Tiny
MITCHF
  • MEMBER
  • 5 POSTS
I just want to say thanks again to the guys at 2carpros for helping me and teaching me new information and troubleshooting techniques for working on my truck. I take a lot of pride in my truck and take the best care of it. My round trip to work everyday is 120 miles, I've put 70,000 miles on that truck int he last three years. A lot of oil and filter changes. It's going to have to last me a while with the price of trucks these days. You guys have my respect and I will stay in touch, hopefully not for no major engine problems though, thanks again.
Was this
answer
helpful?
Yes
No
+2
Thursday, May 13th, 2021 AT 7:54 PM (Merged)
Tiny
NATESDOGG113
  • MEMBER
  • 1 POST
  • 1997 CHEVROLET SILVERADO
  • V8
  • 4WD
  • AUTOMATIC
  • 68,000 MILES
I need to figure out why my alternator is not charging my battery. It started out by my radio turning off, then my transmission was shifting hard, then my blinkers did not work then my truck started to stall. And that's in a matter of minutes of each other.

So, here's what I've tried. New battery, 2 new alternators, new negative and positive battery cables (along with the fusible link between the pos and alternator), checked all fuses and relays in both fuse boxes (visually and with dmm), checked continuity of all cables withing the charging system, tested starter at AutoZone(passed), and recently checked both alternator and battery at AutoZone and other than having to get my brand new battery recharged everything checked out good.

I have no idea what to do next and I have spent almost $500 on trying to figure this out.
Was this
answer
helpful?
Yes
No
Thursday, May 13th, 2021 AT 7:54 PM (Merged)
Tiny
CARADIODOC
  • MECHANIC
  • 34,481 POSTS
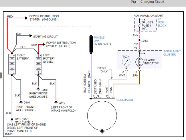
Hi natesdogg113. Welcome to the forum. Start by measuring the voltage on the fat red or black wire on the back of the generator, and the small red wire in the plug when the ignition switch is turned to run.

Here is a wiring diagrams so you can see how the system works. Check out the diagrams (Below). Please let us know what you find. We are interested to see what it is.
Was this
answer
helpful?
Yes
No
Thursday, May 13th, 2021 AT 7:55 PM (Merged)

Please login or register to post a reply.

Related Alternator Not Charging Content