Seats are not working can I get a wiring diagram please?

Tiny
ANONYMOUS
  • MEMBER
  • 2006 FORD EXPEDITION
  • 96,500 MILES
How can I check fuse for seat Warmer's?
Wednesday, October 24th, 2012 AT 11:02 PM

28 Replies

Tiny
RASMATAZ
  • MECHANIC
  • 75,992 POSTS
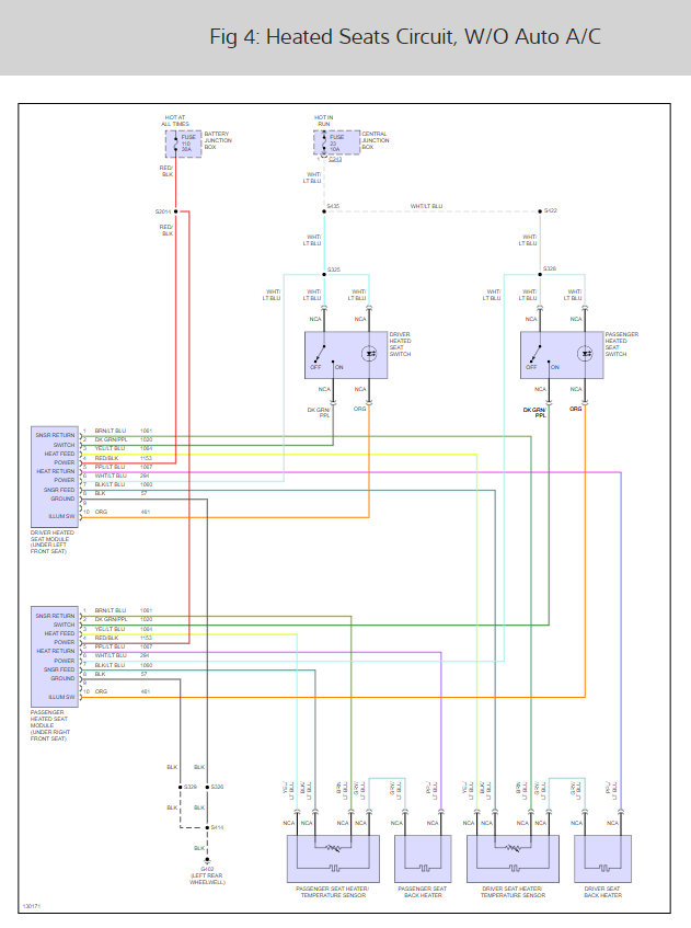
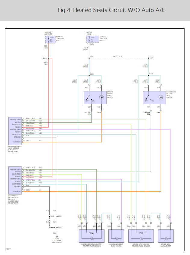
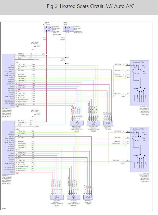
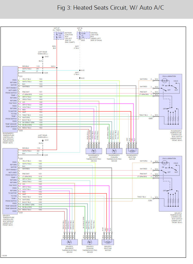
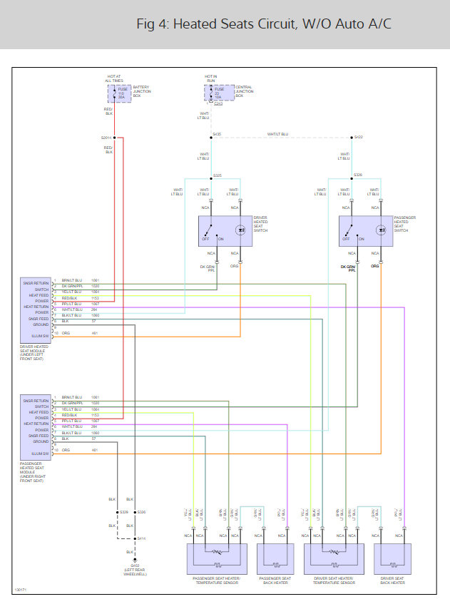
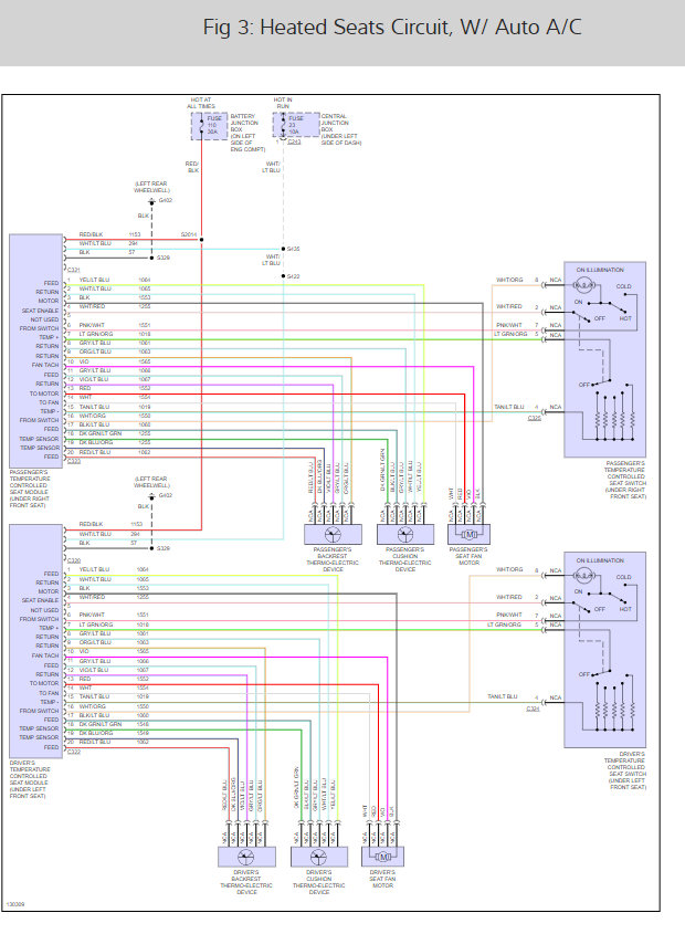
Sounds like its not heating up-correct if so check fuse below if okay have the climate controlled seat module checked/tested at under driver's seat -see pic below
Was this
answer
helpful?
Yes
No
-1
Thursday, October 25th, 2012 AT 1:10 AM
Tiny
MMMERED
  • MEMBER
  • 1 POST
  • 2005 FORD EXPEDITION
  • V8
  • 2WD
  • AUTOMATIC
  • 70,000 MILES
I purchased a new rear captain seat arm rest from Ford parts and don't know how to install it? I thought I'd just have to push it on and the metal clip would snap but it doesn't stay on and is too loose. How do I install the arm rest? The fitting is a hard plastic circular hole which the bolt fits into but I can't figure out how to keep it tight.

Ford Part number #4L1Z7867112AAA
Was this
answer
helpful?
Yes
No
Monday, December 14th, 2020 AT 8:54 AM (Merged)
Tiny
MERLIN2021
  • MECHANIC
  • 17,250 POSTS
Removal and Installation 1. To access the armrest locking metal clip, pull the armrest material back on the top side of the armrest for access to the release clip. Fig. 273: Pushing Release Button At Hinge Point Courtesy of FORD MOTOR CO. 2. Use a tool such as a flat-bladed screwdriver to push the release button at the hinge point. The clip will release and the armrest will slide off the pin. 3. To install, reverse the removal procedure. Ã Â Â To install the armrest, push the release button and slide the armrest on the pin. CAUTION: To remove armrests, do not pull them off with force. The locking metal clip will be damaged and a new armrest will need to be installed. NOTE: Armrest removed to show detail of release button mechanism. CAUTION: To install armrests, do not push them on with force. The locking metal clip will be damaged and a new armrest will need to be installed.
3/11/2010 ...


https://www.2carpros.com/forum/automotive_pictures/62217_Armrest_1.jpg

Was this
answer
helpful?
Yes
No
Monday, December 14th, 2020 AT 8:54 AM (Merged)
Tiny
THEKID33
  • MEMBER
  • 1 POST
  • 2004 FORD EXPEDITION
  • V8
  • 4WD
  • AUTOMATIC
  • 85,000 MILES
Problem with the drivers heated seat. Passenger side works fine. The drivers seat worked up to Dec. 2009.

When turning on the seat, heat switch lights for 2-4 seconds and then turns off. Any sugestions and do you have the wiring diagram for this?

Thanks Jim
Was this
answer
helpful?
Yes
No
Monday, December 14th, 2020 AT 8:54 AM (Merged)
Tiny
JACOBANDNICKOLAS
  • MECHANIC
  • 110,194 POSTS
Jim:
Chances are the switch is bad. What you need to do is check to see if there is power going to and from the switch when the light goes out. If there was a short, it would blow a fuse. Something tells me the switch can't handle the load and is disconnecting itself.

Let me know.

Joe
Was this
answer
helpful?
Yes
No
+1
Monday, December 14th, 2020 AT 8:54 AM (Merged)
Tiny
JDWALTON
  • MEMBER
  • 1 POST
  • 2003 FORD EXPEDITION
  • V8
  • 2WD
  • AUTOMATIC
  • 120,000 MILES
I had this problem a year ago and Ford said it was a short in the wire and they replaced the wiring harness. It was an invasive procedure (according to them) and it was $400.

Q#1:Can I replace this harness myself? I dont mind buying repair manual and tackling this. I just dont know whats involved to get the harness out. I installed my nav unit (avic-d3) and know enough to be dangerous.

Q#2: Also, is there a manual way of moving the seats up/down?
Was this
answer
helpful?
Yes
No
Monday, December 14th, 2020 AT 8:54 AM (Merged)
Tiny
KEN L
  • MASTER CERTIFIED MECHANIC
  • 55,428 POSTS
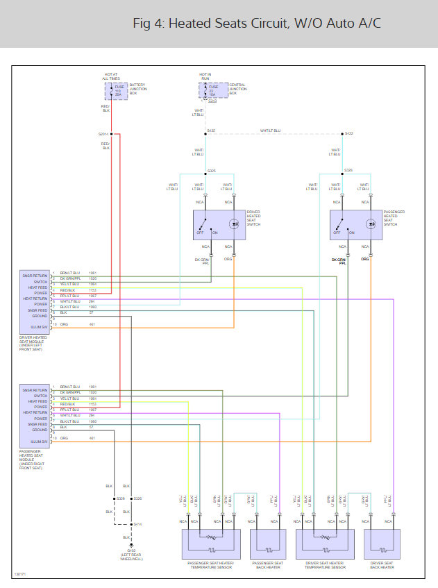
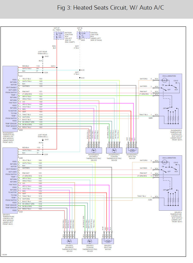
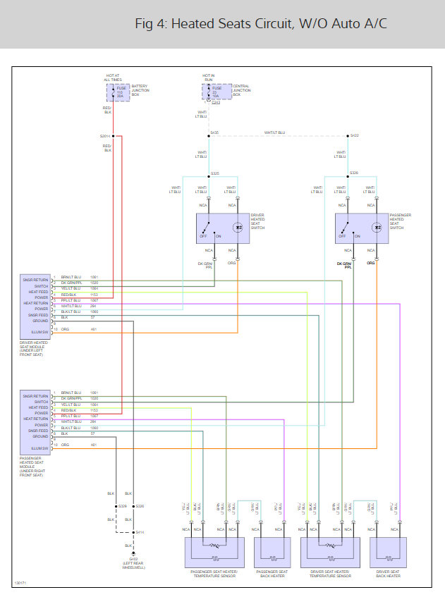
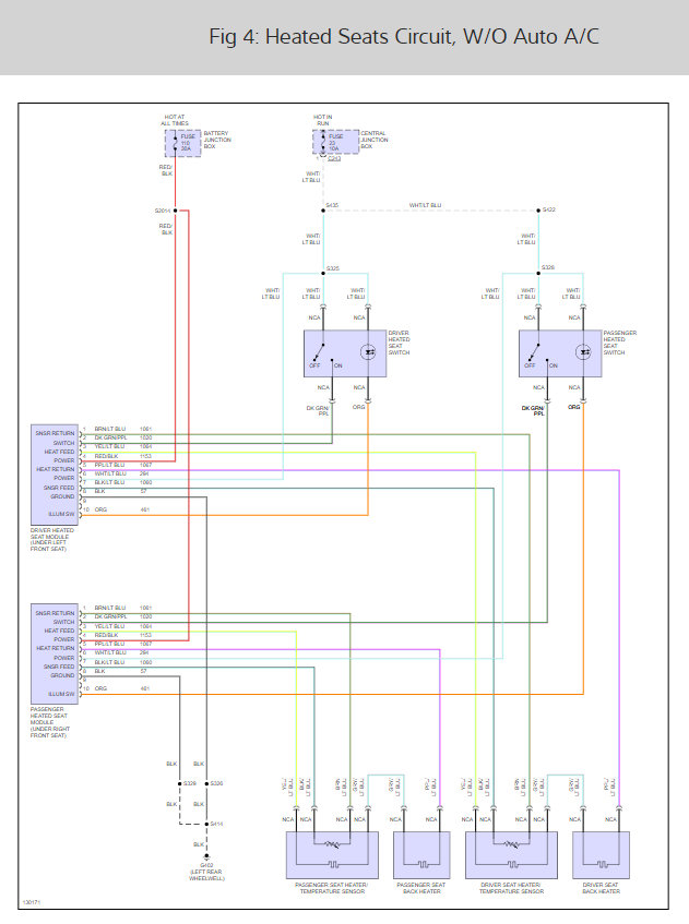
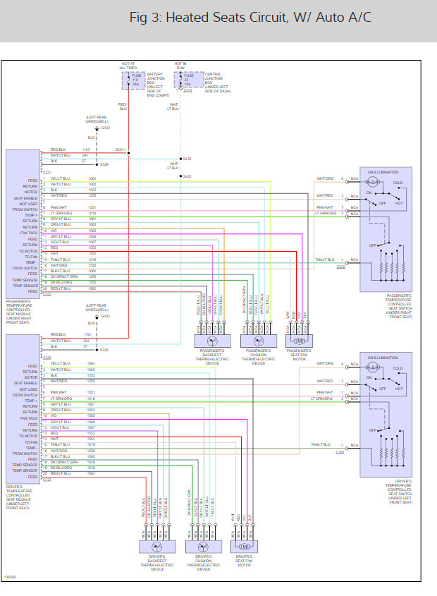
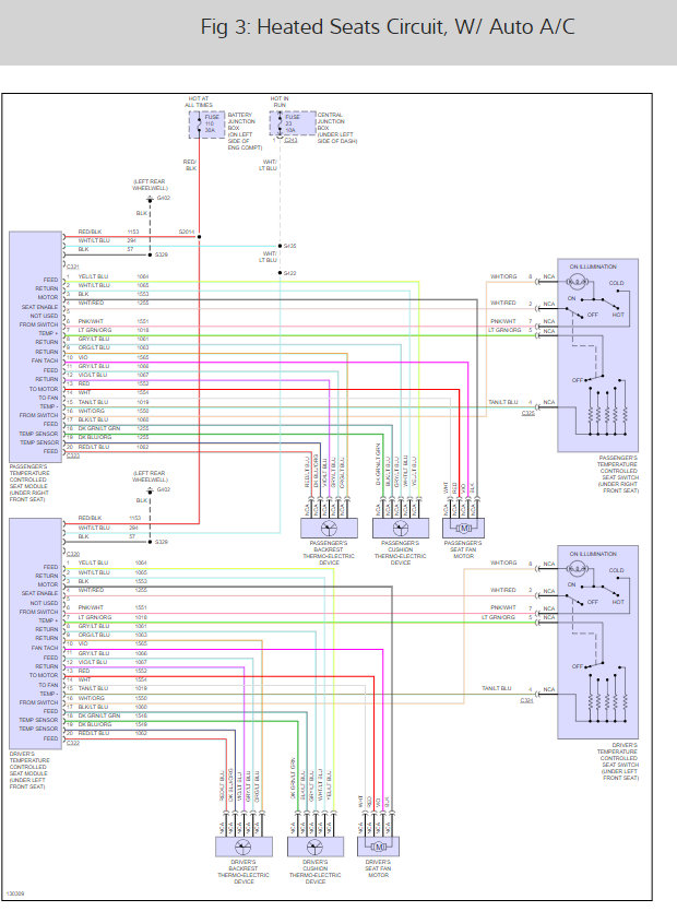
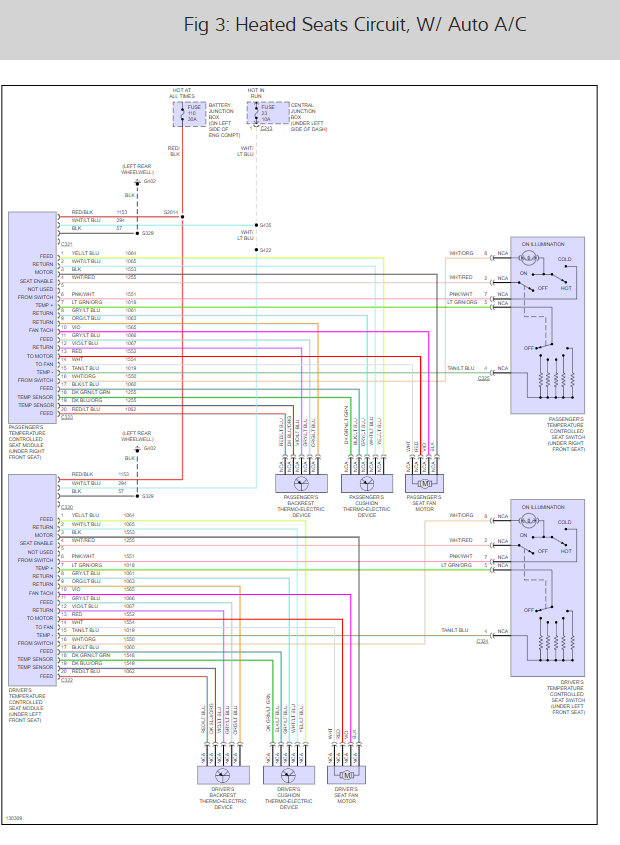
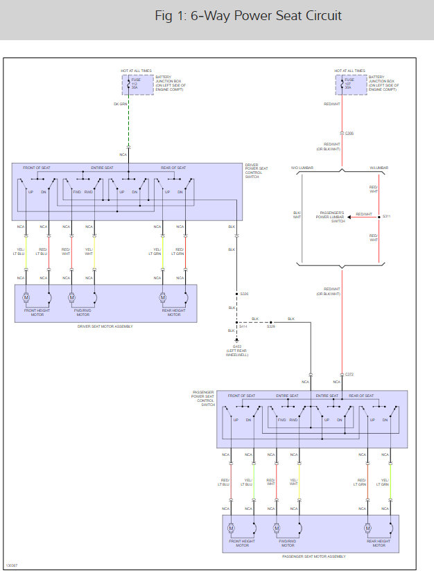
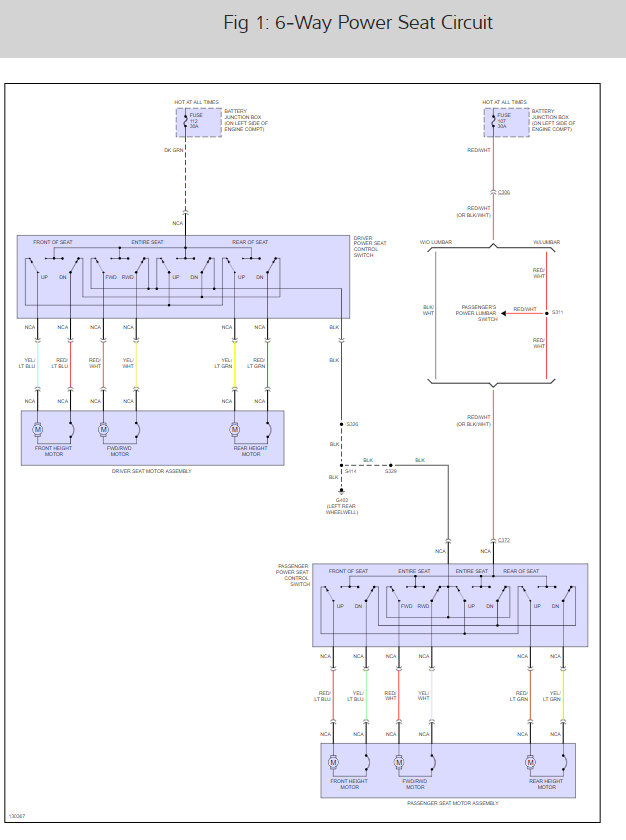
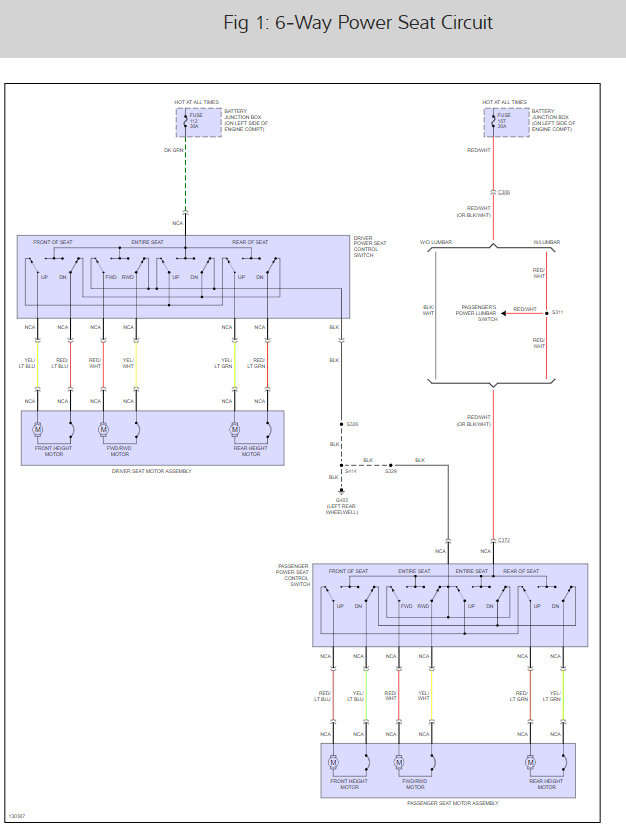
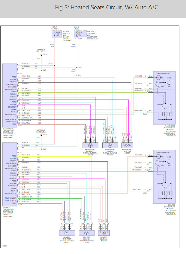
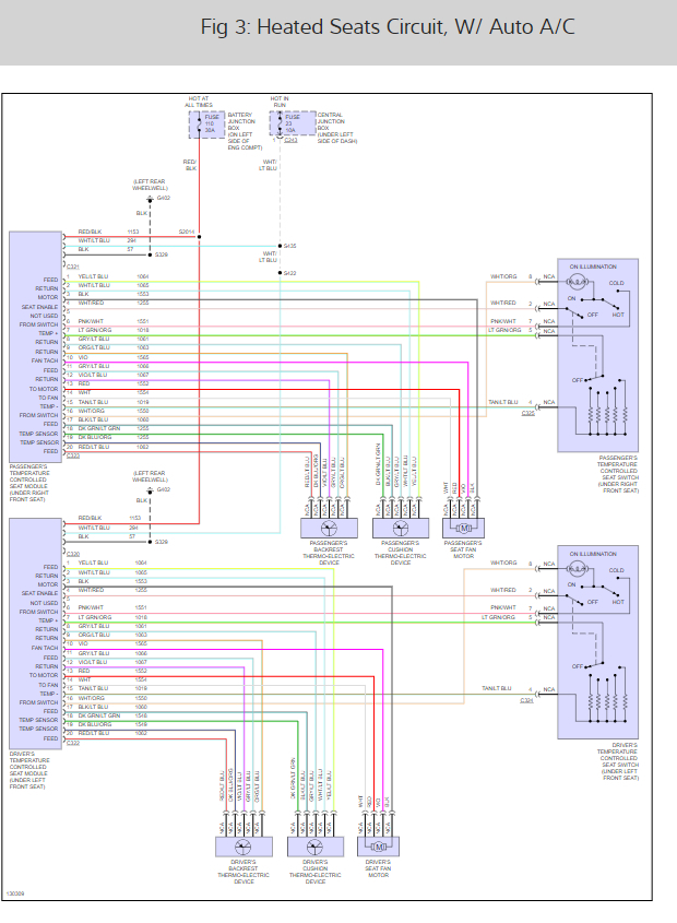
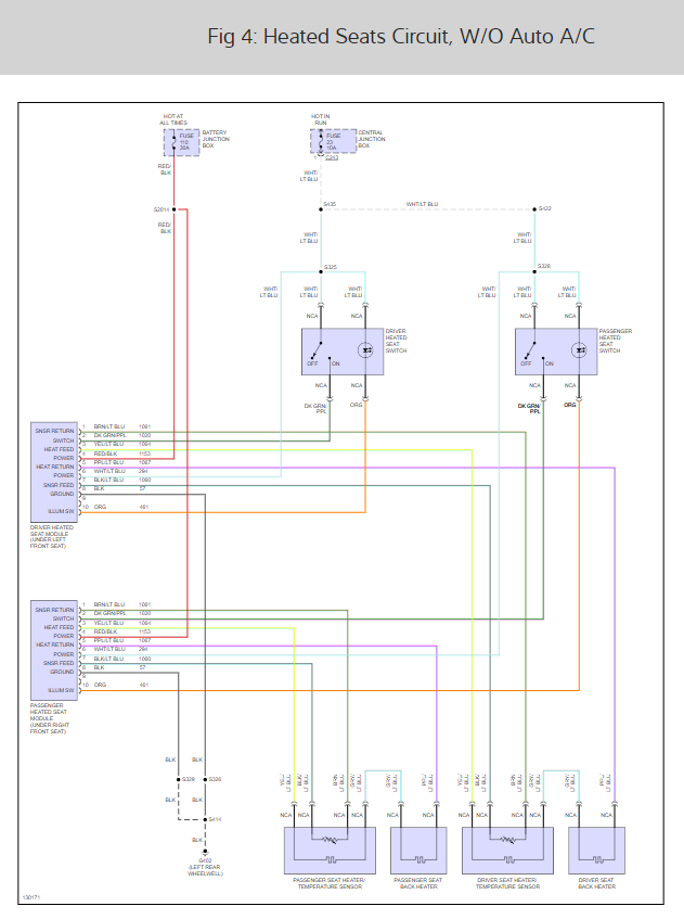
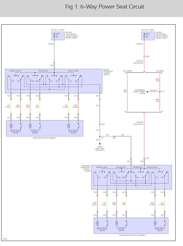
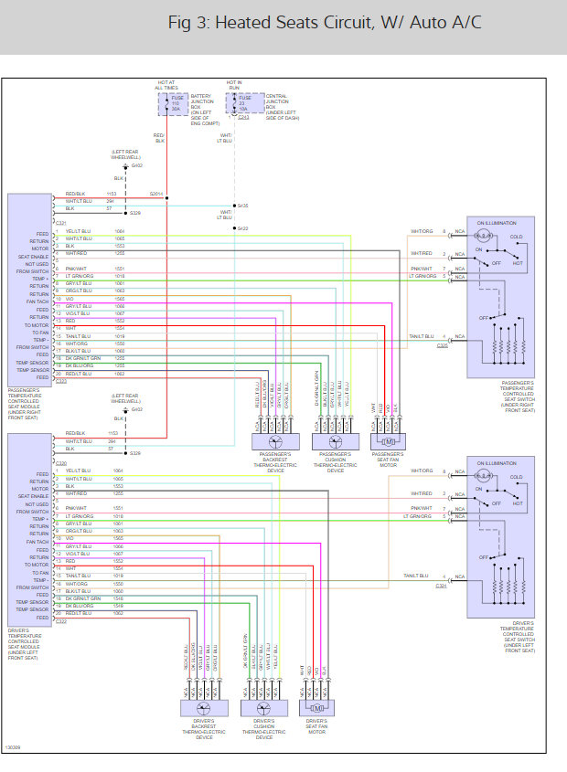
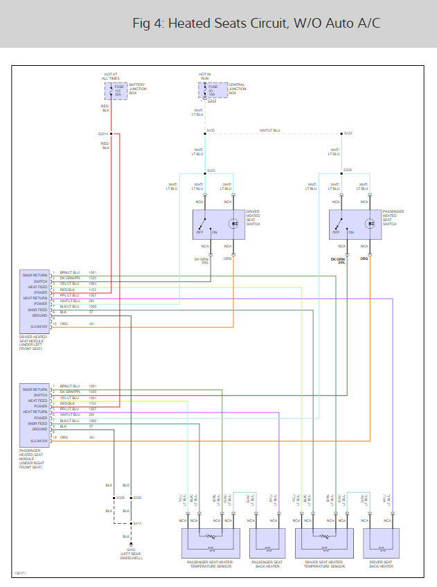
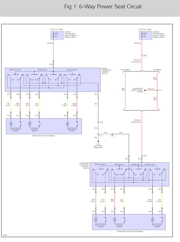
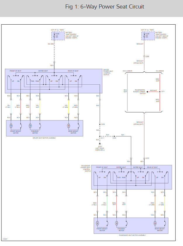
I think you can just fix the old harness here is the guide to help and the seat wiring diagrams so you can see how the system works. Also there are two relays and three fuses that need to be checked as well,

https://www.2carpros.com/articles/how-to-check-an-electrical-relay-and-wiring-control-circuit

and

https://www.2carpros.com/articles/how-to-check-a-car-fuse

and

https://www.2carpros.com/articles/how-to-check-wiring

Check out the diagrams (Below). Please let us know if you need anything else to get the problem fixed.
Was this
answer
helpful?
Yes
No
Monday, December 14th, 2020 AT 8:54 AM (Merged)
Tiny
JCLARK0622
  • MEMBER
  • 6 POSTS
  • 2003 FORD EXPEDITION
I have a 2003 Ford Expedition. The driver side power seat will not move back or forth but will move up or down. I do hear a clicking noise when I try to move it back or forth what could this be?
Was this
answer
helpful?
Yes
No
Monday, December 14th, 2020 AT 8:54 AM (Merged)
Tiny
JACOBANDNICKOLAS
  • MECHANIC
  • 110,194 POSTS
Have you checked the switch to see if power is present both in and out?
Was this
answer
helpful?
Yes
No
+4
Monday, December 14th, 2020 AT 8:54 AM (Merged)
Tiny
JCLARK0622
  • MEMBER
  • 6 POSTS
How do you check that?
Was this
answer
helpful?
Yes
No
-1
Monday, December 14th, 2020 AT 8:54 AM (Merged)
Tiny
JACOBANDNICKOLAS
  • MECHANIC
  • 110,194 POSTS
Remove the switch. Behind it will be wiring. One of the wires should be hot all the time. With a test light, check if power goes out the other wires when you place the switch in different positions.
Was this
answer
helpful?
Yes
No
Monday, December 14th, 2020 AT 8:54 AM (Merged)
Tiny
JCLARK0622
  • MEMBER
  • 6 POSTS
Thanks I will try that
Was this
answer
helpful?
Yes
No
-1
Monday, December 14th, 2020 AT 8:54 AM (Merged)
Tiny
JACOBANDNICKOLAS
  • MECHANIC
  • 110,194 POSTS
Let me know what you find.

Joe
Was this
answer
helpful?
Yes
No
Monday, December 14th, 2020 AT 8:54 AM (Merged)
Tiny
KEN L
  • MASTER CERTIFIED MECHANIC
  • 55,428 POSTS
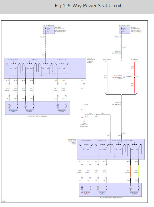
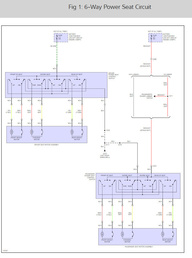
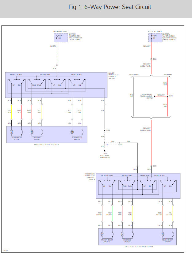
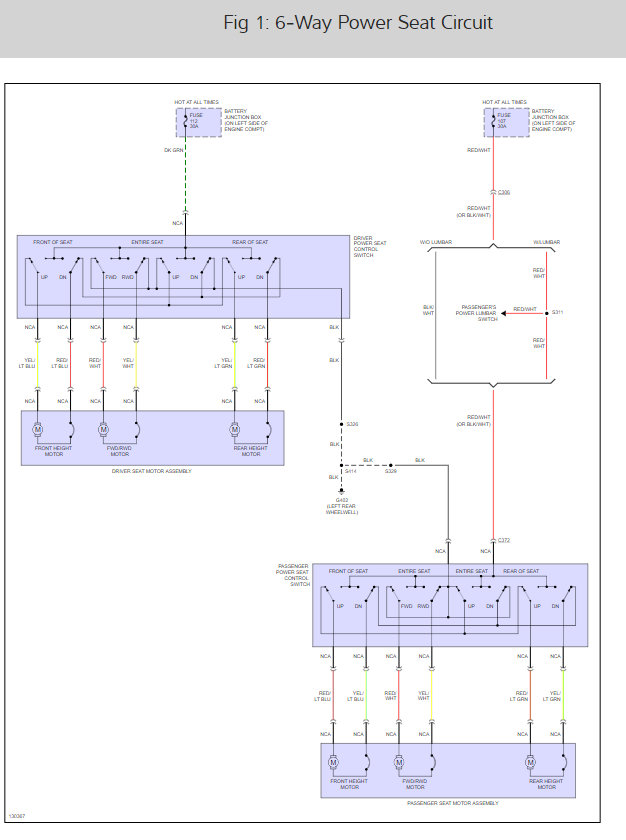
You can't move it manually, it sounds like the drive gear for the seat track is stripped or the motor drive gear is missing its teeth. Here is how you can fix it in the diagrams below. Check out the diagrams (below). Please let us know what happens.
Was this
answer
helpful?
Yes
No
Monday, December 14th, 2020 AT 8:54 AM (Merged)
Tiny
CHRIS DUFFY
  • MEMBER
  • 2 POSTS
  • 2003 FORD EXPEDITION
  • 5.4L
  • V8
  • 4WD
  • AUTOMATIC
  • 229,000 MILES
I took this SUV in on trade and found out the above mentioned issue. I was wandering if a relay or something is the reason for that? And also the interior lights don't come on when you open the door and the radio keeps playing even after you shut the car off and open the door. Any help would be greatly appreciated. Thanks
Was this
answer
helpful?
Yes
No
Monday, December 14th, 2020 AT 8:54 AM (Merged)
Tiny
JACOBANDNICKOLAS
  • MECHANIC
  • 110,194 POSTS
Hi,

The components you mentioned are on different circuits, so I don't feel it is one thing causing all problems. Have you checked the main fuses under the hood?

Here are a few links you may find helpful:

https://www.2carpros.com/articles/how-a-car-fuse-works

https://www.2carpros.com/articles/how-to-check-a-car-fuse

https://www.2carpros.com/articles/how-to-use-a-test-light-circuit-tester

https://www.2carpros.com/articles/how-to-use-a-voltmeter

https://www.2carpros.com/articles/how-to-check-wiring

___________________________________

Other than a fuse issue, it could be related to the body control module. However, I suggest checking fuses first.

Let me know what you find.

Joe

Was this
answer
helpful?
Yes
No
Monday, December 14th, 2020 AT 8:54 AM (Merged)
Tiny
CHRIS DUFFY
  • MEMBER
  • 2 POSTS
Where is the fuse box under the hood? I haven't been able to find it anywhere.
Was this
answer
helpful?
Yes
No
Monday, December 14th, 2020 AT 8:54 AM (Merged)
Tiny
KASEKENNY
  • MECHANIC
  • 18,907 POSTS
I was just running through open questions and can provide what you requested. Joe is on the right path that if these are related then you may have a body control issue, however, I would run through these as he suggested.

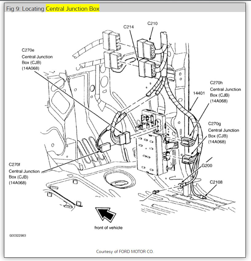
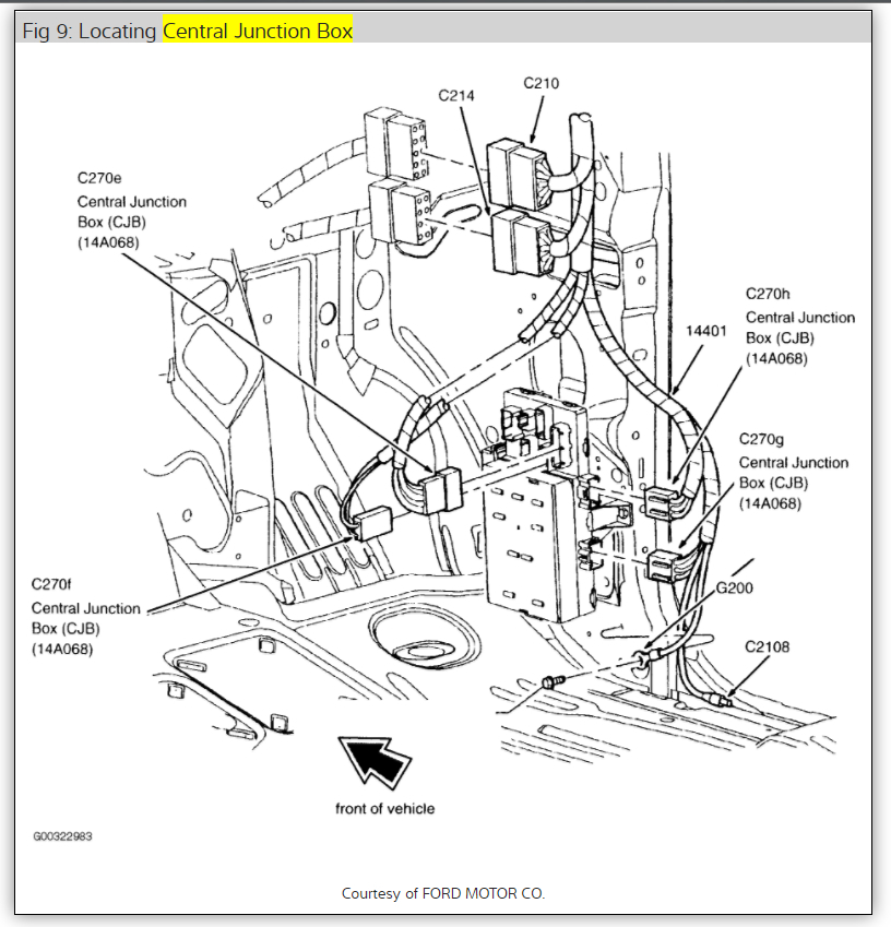
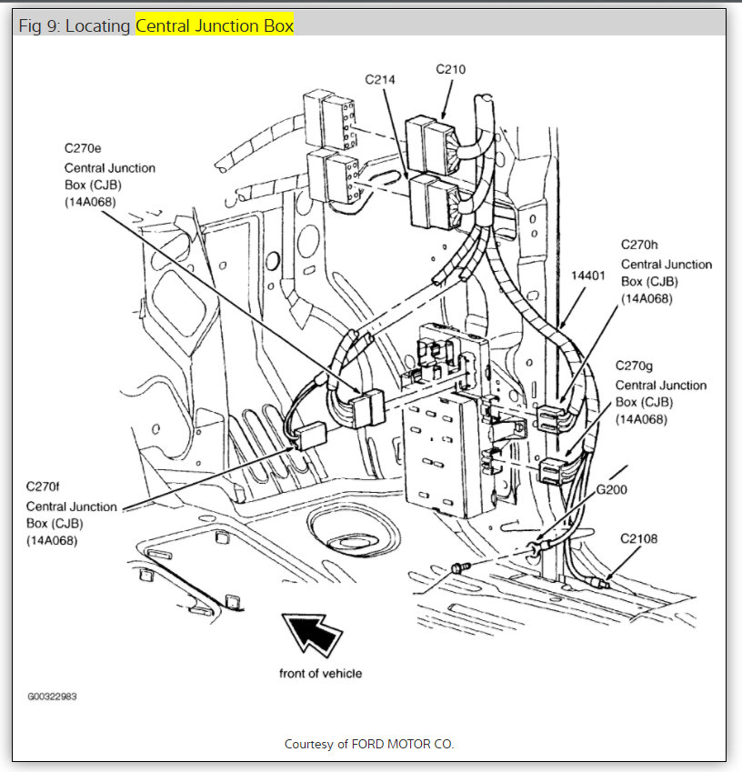
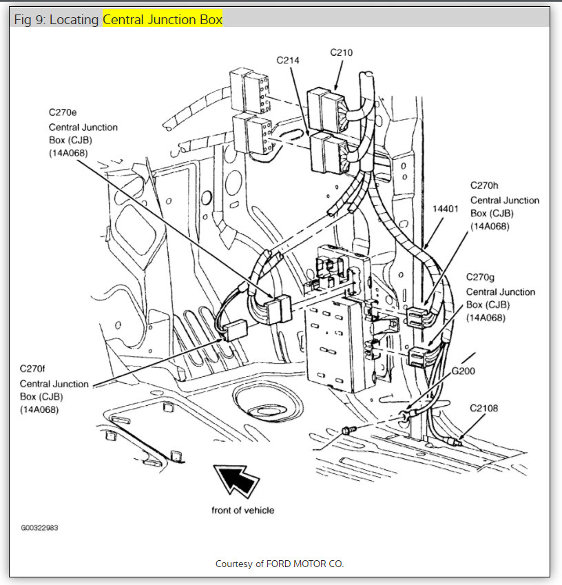
Here are all your fuse boxes:
Was this
answer
helpful?
Yes
No
Monday, December 14th, 2020 AT 8:54 AM (Merged)
Tiny
DOLPHINRICH
  • MEMBER
  • 1 POST
  • 2001 FORD EXPEDITION
  • V8
  • 2WD
  • AUTOMATIC
  • 100,000 MILES
My drivers side power seat will no longer move forward or backward. It is currently stuck at the midway position, which is very uncomfortable.

Is there a manual way of moving the seat backward? I was hoping there may be some sort of latch, that allows it to move freely, instead of by the motor.

Please let me know. Thank you in advance.
Was this
answer
helpful?
Yes
No
Monday, December 14th, 2020 AT 8:54 AM (Merged)
Tiny
BMRFIXIT
  • MECHANIC
  • 19,053 POSTS
Hello,

It sounds like you have a switch for the seat that is out. But to be sure here is the wiring diagram and a guide to confirm the problem. Also make sure the fuse is good.

https://www.2carpros.com/articles/seat-position-switch-replacement

Please run down this guide and report back

Cheers
Was this
answer
helpful?
Yes
No
Monday, December 14th, 2020 AT 8:54 AM (Merged)

Please login or register to post a reply.