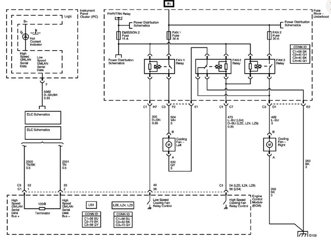
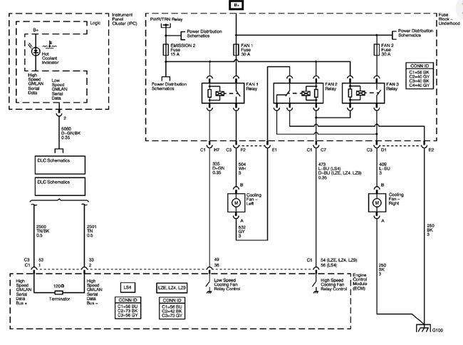
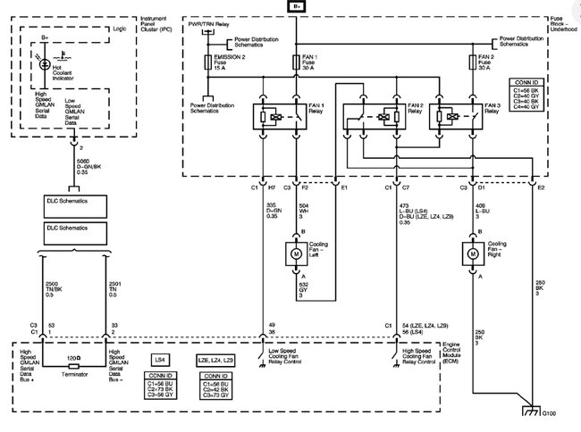
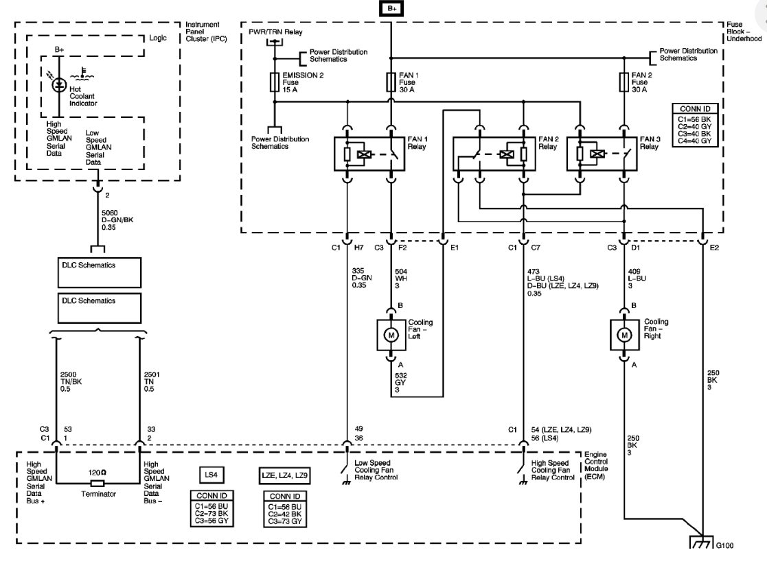
Friday, November 7th, 2014 AT 7:56 AM
My car has a temp gauge and a digital readout for odometer and other functions. Temp gauge was working fine then I noticed my digital display read engine hot A/C off. Temp gauge was all the way a cold and engine didn't feel hot. I squeezed the coolant line and it was warm to the touch but squishy (no excessive pressure build up). Any advice? I'm thinking maybe my temp sensor went out.




