Message engine hot/AC off, what does this mean?

Tiny
ANONYMOUS
  • MEMBER
  • 2006 CHEVROLET IMPALA
  • 160,000 MILES
What does the message engine hot/ac off mean?
Friday, October 19th, 2012 AT 1:14 AM

1 Reply

Tiny
SQM
  • MECHANIC
  • 6,383 POSTS
Hello,

Do you know if your engine actually is hot when the message come up?
We have seen these error codes come up but the engine is not hot.

It sounds like you might have a faulty sensor.
As you mentioned the engine was not hot but the message center says engine hot can mean there is a fault with the sensor.
It also might be a good idea to make sure you do not have air in the cooling system.
Remember to work on the engine when it is cool.

https://www.2carpros.com/articles/how-a-coolant-temperature-sensor-works
https://www.2carpros.com/articles/coolant-temperature-sensor-cts-replacement

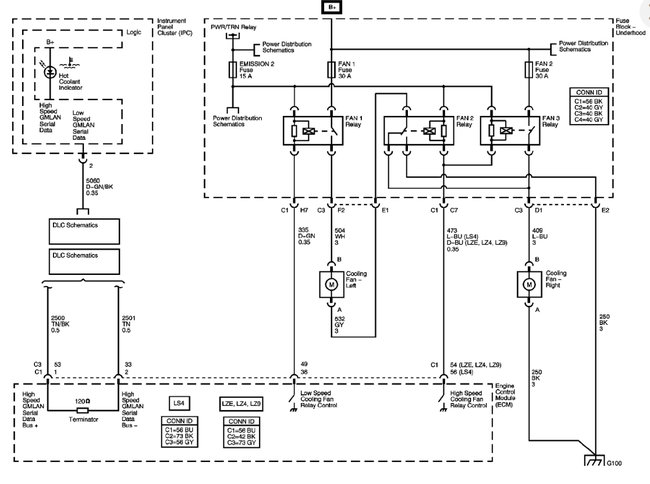
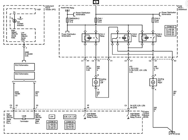
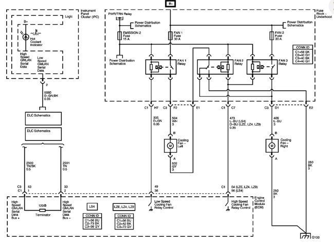
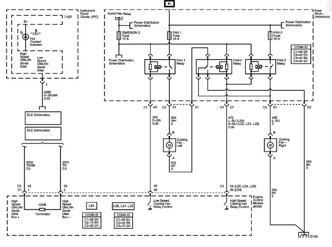
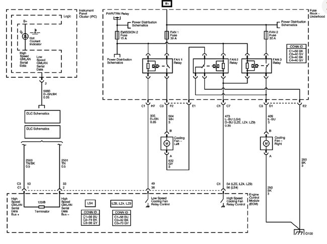
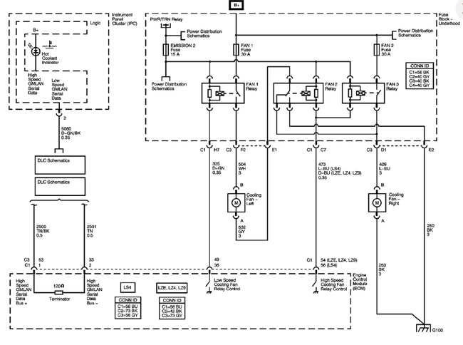
I have attached the coolant temperature sensor replacement as well as wiring diagrams for your reference.

Please let me know of any questions.

Thank you.
Was this
answer
helpful?
Yes
No
Monday, August 2nd, 2021 AT 10:10 PM

Please login or register to post a reply.