Engine hot/air conditioning off message?

Tiny
ANONYMOUS
  • MEMBER
  • 2006 CHEVROLET IMPALA
  • 217,000 MILES
Message on dashboard says engine hot/air conditioning off. What could be the problem?
Monday, January 21st, 2013 AT 4:44 PM

1 Reply

Tiny
SQM
  • MECHANIC
  • 6,383 POSTS
Hello,

Do you know if your engine actually is hot when the message come up?
We have seen these error codes come up but the engine is not hot.

It sounds like you might have a faulty sensor.
As you mentioned the engine was not hot but the message center says engine hot can mean there is a fault with the sensor.
It also might be a good idea to make sure you do not have air in the cooling system.
Remember to work on the engine when it is cool.

https://www.2carpros.com/articles/how-a-coolant-temperature-sensor-works
https://www.2carpros.com/articles/coolant-temperature-sensor-cts-replacement

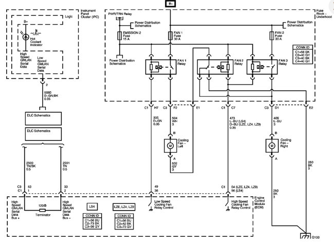
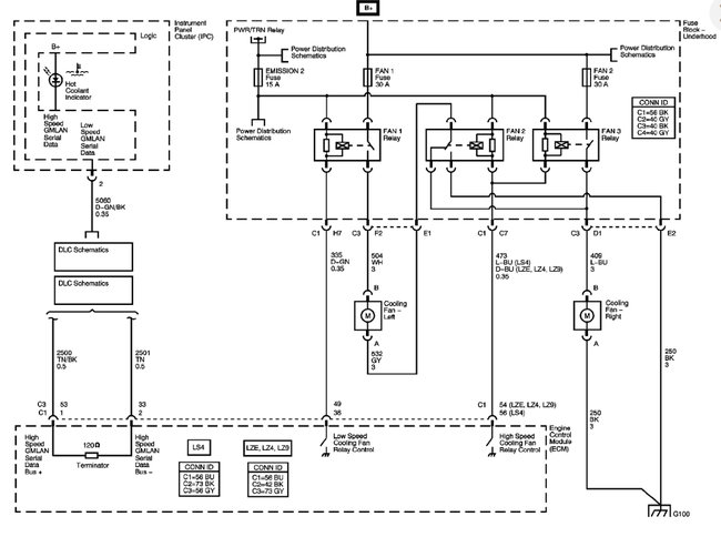
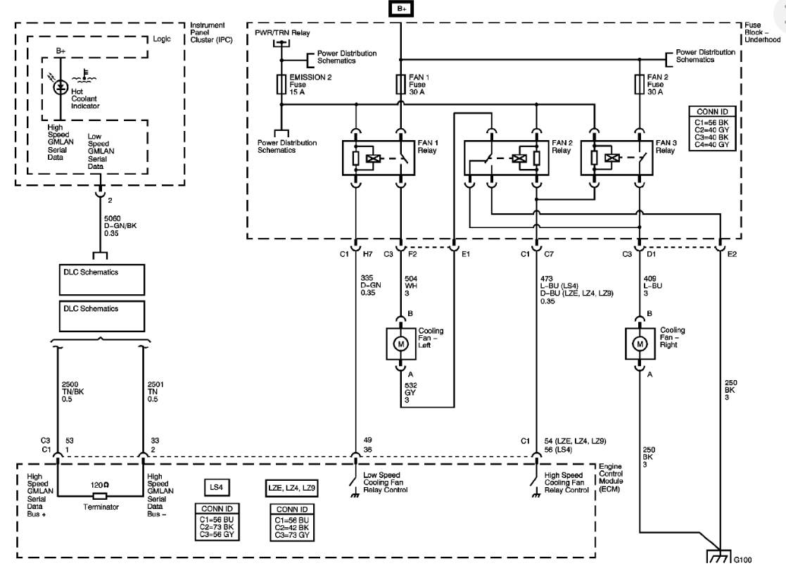
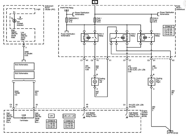
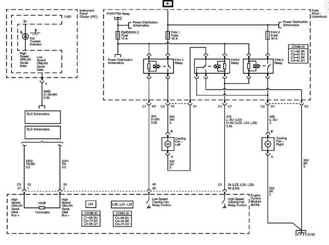
I have attached the coolant temperature sensor replacement as well as wiring diagrams for your reference.

Please let me know of any questions.

Thank you.
Was this
answer
helpful?
Yes
No
Tuesday, August 3rd, 2021 AT 8:28 AM

Please login or register to post a reply.