Shuts off while driving?

Tiny
SOUPMAN641
  • MEMBER
  • 2004 GMC YUKON
  • 198,000 MILES
My truck wont crank when I try unless I hold the key in the on position for at least 15 seconds. I replaced the starter relay and it still does it.

Today my truck actually shut off while I was driving. When I put it in park and tried again, it started although I had to wait two minutes before putting it in drive otherwise I would cut off.
Wednesday, June 27th, 2012 AT 3:42 PM

55 Replies

Tiny
DOCFIXIT
  • MECHANIC
  • 18,828 POSTS
These cars had a problem with fuel pumps or crankshaft sensors but to be sure this guide should help us.

https://www.2carpros.com/articles/car-cranks-but-wont-start

Please run down this guide and report back.
Was this
answer
helpful?
Yes
No
Wednesday, June 27th, 2012 AT 3:52 PM
Tiny
HEATHER8
  • MEMBER
  • 2 POSTS
  • 2002 GMC YUKON
Yukon shuts off while driving down rd. It doesn't do it all the time. We have noticed that if you have the air and you let the vehicle sit and idol it will shake like it is choking and then eventually will shut off completely or you have to shut it off. We have taken it to 4 different mechanics and no one seems to be able to tell us anything. No codes come up but the check engine light comes on. PLEASE help
Was this
answer
helpful?
Yes
No
+1
Tuesday, July 14th, 2020 AT 11:35 AM (Merged)
Tiny
PEAR69
  • MECHANIC
  • 1,482 POSTS
Usually if there is a sensor bad, or something like that, the service engine soon light will come on? There is a code stored inside of your computer somewhere causing the light to come on.

Lets run down this guide to see what come up

https://www.2carpros.com/articles/checking-a-service-engine-soon-or-check-engine-light-on-or-flashing

GM has had lots of problems with the fuel pumps I have heard of a recall on these but I am not positive. This may be the problem.

So, start with finding out what the code is for the check engine light. check back here and let me know what the code is for the light.

Cheers,
Was this
answer
helpful?
Yes
No
+3
Tuesday, July 14th, 2020 AT 11:35 AM (Merged)
Tiny
HEATHER8
  • MEMBER
  • 2 POSTS
It didn't have any codes what do I do now?
Was this
answer
helpful?
Yes
No
+6
Tuesday, July 14th, 2020 AT 11:35 AM (Merged)
Tiny
PEAR69
  • MECHANIC
  • 1,482 POSTS
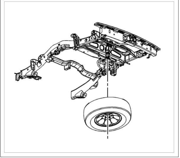
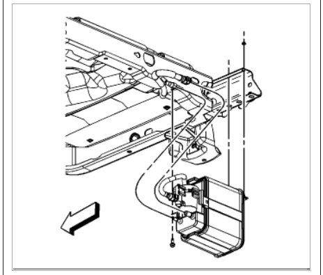
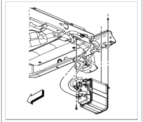
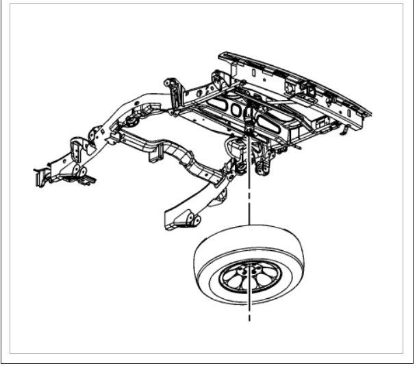
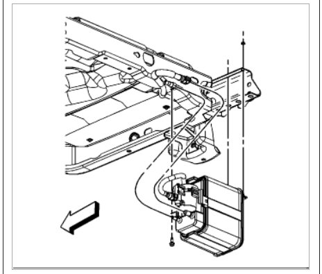
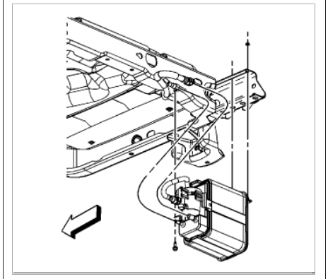
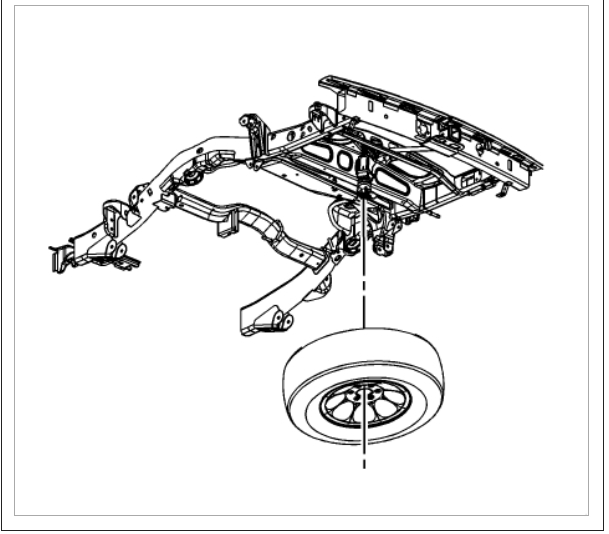
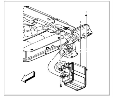
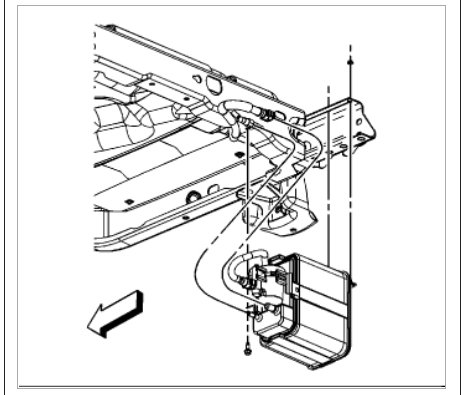
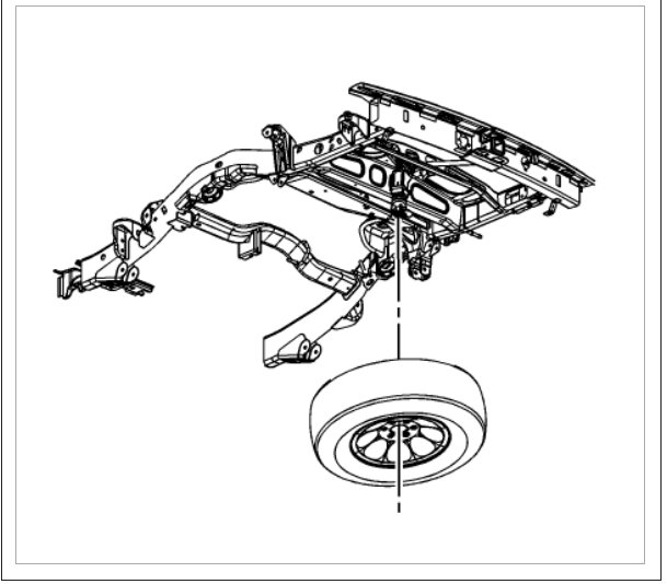
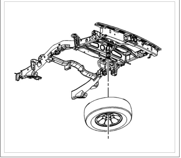
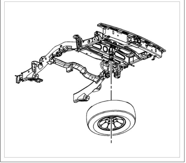
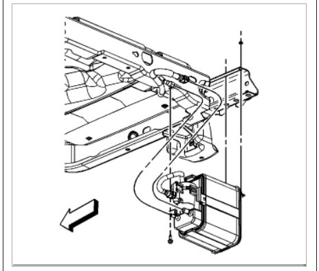
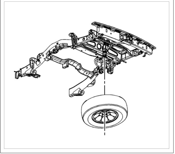
It sounds like a classic fuel pump issue here is a guide to show you what you are in for when doing the job and diagrams below to show you how on your car.

https://www.2carpros.com/articles/how-to-replace-an-electric-fuel-pump

Check out the diagrams (Below). Please let us know if you need anything else to get the problem fixed.

Cheers
Was this
answer
helpful?
Yes
No
+4
Tuesday, July 14th, 2020 AT 11:35 AM (Merged)
Tiny
DLANG51
  • MEMBER
  • 1 POST
I wanted to say thanks for this post fixed my car runs great!
Was this
answer
helpful?
Yes
No
+1
Tuesday, July 14th, 2020 AT 11:35 AM (Merged)
Tiny
KMAC103
  • MEMBER
  • 1 POST
  • 2002 GMC YUKON
  • V8
  • AWD
  • AUTOMATIC
  • 178,800 MILES
What is wrong with my SUV GMC Yukon? I will start it up and start to drive and once I come to a stop it cuts off and starts up right away. I then maybe get to a turn at a light and it stops in the turn. If it runs cont. For 20-30 min I don't have the problem any more. I took it to the shop and had the fuel pump changed and filiter. What else could it be?
Was this
answer
helpful?
Yes
No
-1
Tuesday, July 14th, 2020 AT 11:35 AM (Merged)
Tiny
RASMATAZ
  • MECHANIC
  • 75,992 POSTS
Do you have a check engine light On?

Get the idle air control valve/throttle position sensor/MAF/MAP sensors/EGR valve checked out-
Was this
answer
helpful?
Yes
No
Tuesday, July 14th, 2020 AT 11:35 AM (Merged)
Tiny
STEVEN7994
  • MEMBER
  • 6 POSTS
  • 2002 GMC YUKON
  • 162,000 MILES
Car wouldn't crank, replaced battery with a rebuilt one a month later is wouldnt crank for my wife.I came home after a few days and it cranked for me even though it took some time. Had battery recharged and alternator checked. Reinstalled battery and alternator drove around 2 miles and it just shut off refired moved a few hundred feet and it shut off again.A few hours later it cranked and made it the 2 miles back home. Took to a repair shop everything checked fine left it there over the weekend when they came in Monday morning the volts was only at 9. Put in a brand new battery drove 2.5 miles home and it shuts off again in the drive way.
Was this
answer
helpful?
Yes
No
Tuesday, July 14th, 2020 AT 11:35 AM (Merged)
Tiny
SATURNTECH9
  • MECHANIC
  • 30,869 POSTS
What is the voltage reading at the battery at idle?
Was this
answer
helpful?
Yes
No
Tuesday, July 14th, 2020 AT 11:35 AM (Merged)
Tiny
STEVEN7994
  • MEMBER
  • 6 POSTS
Voltage is around 13 at idle
Was this
answer
helpful?
Yes
No
Tuesday, July 14th, 2020 AT 11:35 AM (Merged)
Tiny
SATURNTECH9
  • MECHANIC
  • 30,869 POSTS
When it dies and you try to start it does it crank over normally? Or does it slow crank? Also any codes in the computer?Does it start up right away after it dies?
Was this
answer
helpful?
Yes
No
+2
Tuesday, July 14th, 2020 AT 11:35 AM (Merged)
Tiny
STEVEN7994
  • MEMBER
  • 6 POSTS
Yes it starts back up normally, no codes have popped up so we are really confused, Fuel pump was replaced 7 months ago
Was this
answer
helpful?
Yes
No
+1
Tuesday, July 14th, 2020 AT 11:35 AM (Merged)
Tiny
SATURNTECH9
  • MECHANIC
  • 30,869 POSTS
Has the coolant temp sensor been checked to make sure its reading correctly?
Was this
answer
helpful?
Yes
No
+1
Tuesday, July 14th, 2020 AT 11:35 AM (Merged)
Tiny
MSTINY
  • MEMBER
  • 1 POST
  • 2002 GMC YUKON
  • 5.3L
  • V8
  • 4WD
  • AUTOMATIC
  • 288,600 MILES
I was driven my truck and it just shut off on me. The battery is brand new, the alternator have been checked. I was told my starter is bad, I think it's my fuel pump. What do u think?
Was this
answer
helpful?
Yes
No
Tuesday, July 14th, 2020 AT 11:35 AM (Merged)
Tiny
STEVEN7994
  • MEMBER
  • 6 POSTS
Not that I am aware of, could it be an ignition relay or the ignition coil
Was this
answer
helpful?
Yes
No
Tuesday, July 14th, 2020 AT 11:35 AM (Merged)
Tiny
JACOBANDNICKOLAS
  • MECHANIC
  • 110,192 POSTS
Before you replace parts, a few checks should be done. First, does the starter still crank the engine? Second, have you checked to see if there is proper fuel pressure to the engine?

Let me know.
Was this
answer
helpful?
Yes
No
Tuesday, July 14th, 2020 AT 11:35 AM (Merged)
Tiny
SATURNTECH9
  • MECHANIC
  • 30,869 POSTS
As it dies are you loosing accessories like blower fan radio etc?
Was this
answer
helpful?
Yes
No
+1
Tuesday, July 14th, 2020 AT 11:35 AM (Merged)
Tiny
STEVEN7994
  • MEMBER
  • 6 POSTS
No and the voltage stays up also
Was this
answer
helpful?
Yes
No
-1
Tuesday, July 14th, 2020 AT 11:35 AM (Merged)
Tiny
SATURNTECH9
  • MECHANIC
  • 30,869 POSTS
This is a tough one because it starts right back up
Was this
answer
helpful?
Yes
No
Tuesday, July 14th, 2020 AT 11:35 AM (Merged)

Please login or register to post a reply.