My air conditioner is not working?

Tiny
ASEMASTER6371
  • MECHANIC
  • 52,796 POSTS
Good morning.

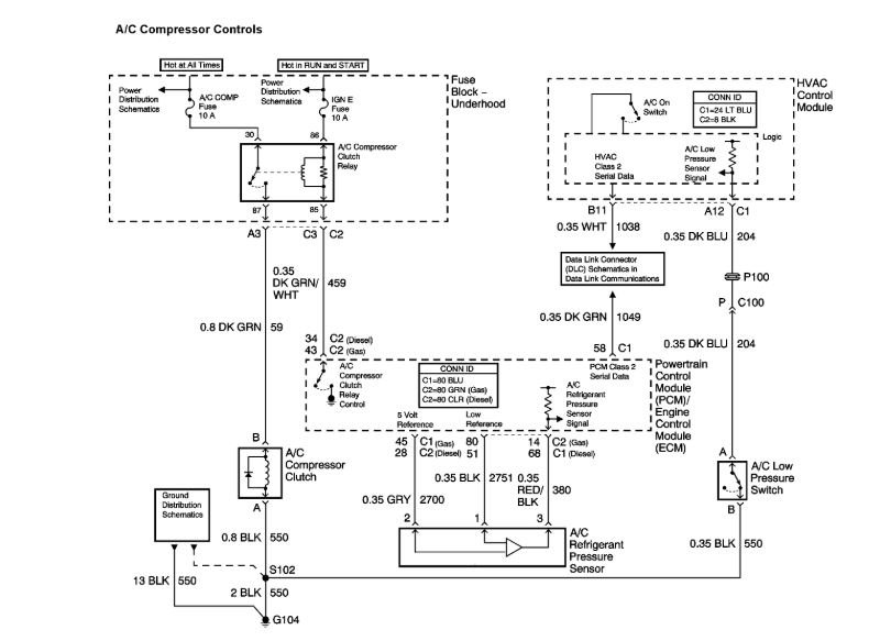
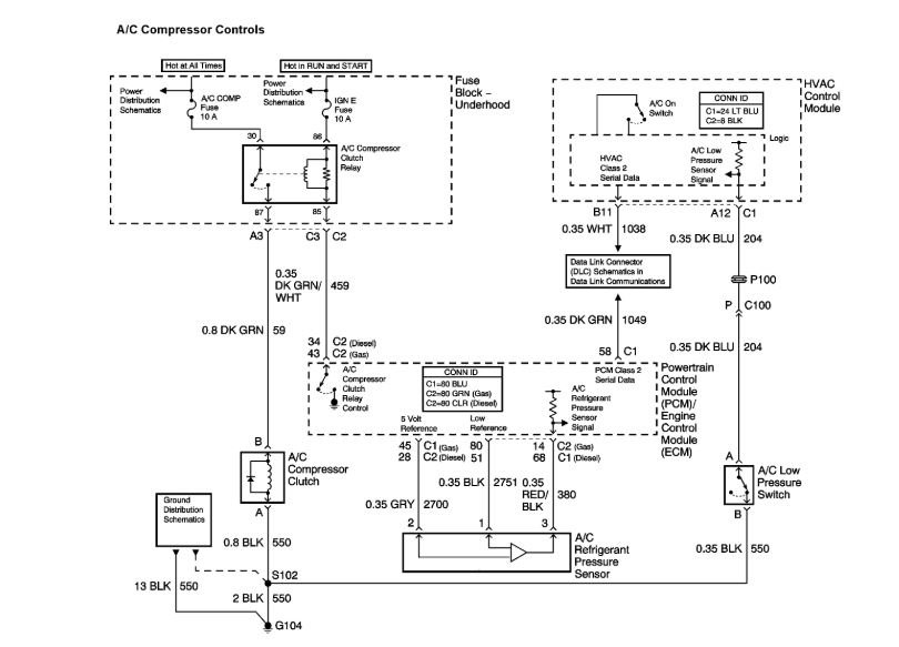
The AC compressor is commanded on by the PCM. It grounds the control side of the relay when it sees the signal from the low and high pressure switches.
Have you checked the pressure switches?

Roy

https://www.2carpros.com/articles/car-air-conditioner-not-working-or-is-weak
Was this
answer
helpful?
Yes
No
Friday, April 30th, 2021 AT 4:24 PM (Merged)
Tiny
SGPON
  • MEMBER
  • 8 POSTS
I just bought a 1998 Silverado 2500 and the AC is not working. Fuses and relay tested to be fine. When I jump pins 30 & 87 the compressor engages. There was 0 pressure on the low port, so I added 2 cans and got it to 20 psi (still low, I know, but I only had 2 cans nearby). It's still not working without jumping. High & Low pressure switches both light a test light but voltage on each will hit 11.3 and then drop to nothing (but still enough to light the LED test light) (using a snap on test light with built in voltmeter).

Maybe it still needs more refrigerant to trigger the switches? Or is there a bigger problem with those switches not seeing voltage?
Was this
answer
helpful?
Yes
No
Monday, May 3rd, 2021 AT 8:41 AM
Tiny
STEVE W.
  • MECHANIC
  • 15,676 POSTS
20 PSI would still be a low charge. That system should hold between 32 and 38 ounces depending on the cab. You put in 24oz if the cans were full. You should be able to use a set of gauges and add in the rest and then see if the system cycles. However with the system pressure at 0 you should start by pulling a full vacuum on the system and see if you can find the leak, or with the last can use one that has dye in it. That way you could find the leak instead of just needing to keep adding R134a.
Was this
answer
helpful?
Yes
No
Monday, May 3rd, 2021 AT 9:12 AM
Tiny
SGPON
  • MEMBER
  • 8 POSTS
I don't have the tools to pull a vacuum of the system so I am either trying the dye or taking it to a shop? I think the low port might be leaking a little because when I remove the cap I hear a little bit of a hiss. It doesn't look like I can easily replace to port. The R134a I added is supposed to have stop leak in it. Thanks for the quick reply.
Was this
answer
helpful?
Yes
No
Monday, May 3rd, 2021 AT 9:20 AM
Tiny
STEVE W.
  • MECHANIC
  • 15,676 POSTS
The core in the port is replaceable if it's leaking. Mo9st parts stores have those in stock. You can usually get a vacuum pump and gauge set as a loaner tool as well. That would let you pull it down and see if it has any leaks as well. If you want to opt for the dye it works as long as you can get to the area that leaks, normally that is a fitting or on that truck it could be a bad condenser core as they are known for cracking. For a UV light you can get a low cost one in stores like Walmart. They work pretty good.
Was this
answer
helpful?
Yes
No
Monday, May 3rd, 2021 AT 2:54 PM
Tiny
SGPON
  • MEMBER
  • 8 POSTS
Update: I got another can of 134a with dye. It is now at 40 PSI. The Schrader valve is leaking slightly still with the cap off, but seems to be holding pressure with the cap on and held 20 PSI for 2 days. Now that it is at 40 PSI it still doesn't engage the compressor with the real back in. It's blowing cold when jumped though. I re-tested both the high and low pressure switches and no voltage on either. With the system running and with or without the relay jumped. I am guessing this is pointing towards electronic at this point?

Where do I start testing that? I have found some schematics on this site, but am not sure where these controllers reside. Thanks!
Was this
answer
helpful?
Yes
No
Wednesday, May 5th, 2021 AT 1:58 PM
Tiny
STEVE W.
  • MECHANIC
  • 15,676 POSTS
Which engine and cab do you have? I can look up the correct diagram for it and see what is in the system.
Was this
answer
helpful?
Yes
No
Wednesday, May 5th, 2021 AT 3:33 PM
Tiny
SGPON
  • MEMBER
  • 8 POSTS
1998 Chevrolet 2500 4wd, 454 Vortec, 4L80E, loaded but no audio climate control.
Was this
answer
helpful?
Yes
No
Wednesday, May 5th, 2021 AT 9:44 PM
Tiny
STEVE W.
  • MECHANIC
  • 15,676 POSTS
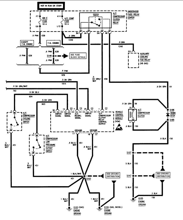
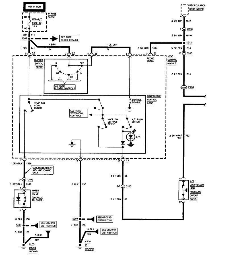
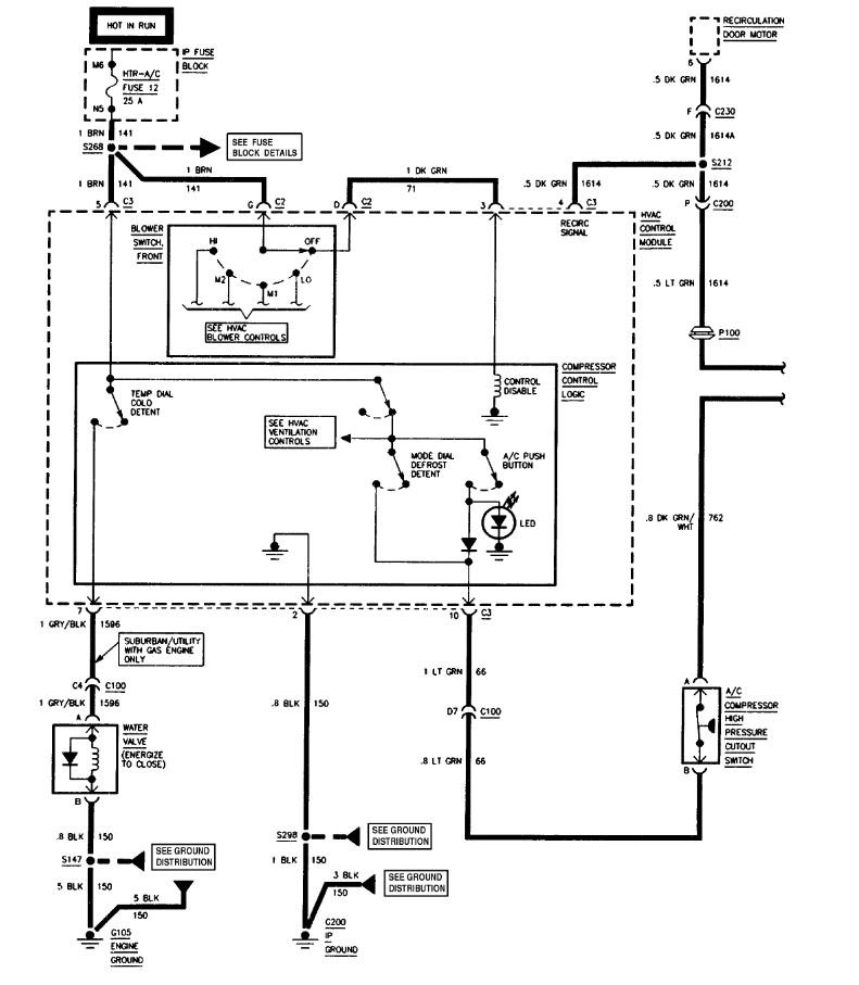
Those switches are a pull to ground system so one side should be ground and the other side should have battery voltage. However that voltage comes out of the PCM after being turned on by the control module. To test the switches all you need to do is jumper them. The high switch is supposed to open at high pressure while the low side closes if there is enough pressure. If you jumper them and still have nothing then check that Fuse 12 in the IP fuse block and the 10 amp compressor fuse in the underhood block are both good.
Was this
answer
helpful?
Yes
No
Wednesday, May 5th, 2021 AT 11:24 PM
Tiny
SGPON
  • MEMBER
  • 8 POSTS
Nothing happened when I jump the pressure switches, still no compressor clutch engagement. Fuses are good. Might be the PCM? I noticed last night that I have no lights in the climate control panel. Maybe something in there is not connected beyond lights? The dials and buttons do work and the lights come on for AC and recirc though.
Was this
answer
helpful?
Yes
No
Thursday, May 6th, 2021 AT 10:56 AM
Tiny
STEVE W.
  • MECHANIC
  • 15,676 POSTS
If it's the backlighting it shouldn't be the issue, but as the entire thing is all one board it's possible that the board is corroded and that is causing the issue. I doubt it's PCM related as that is normally only connected to control the engine as the AC cycles, so when the compressor engages the PCM sees the extra load and kicks the rpms up a bit and increases the alternator output to compensate for the load on the electrical system, In your case the loads are not switching on. If jumping the switches made no difference then there is a control issue. Likely in the control module in the dash.
Was this
answer
helpful?
Yes
No
Thursday, May 6th, 2021 AT 11:12 AM
Tiny
SGPON
  • MEMBER
  • 8 POSTS
I finally pulled the dash out and tested the A/C control module. The light green wire does get power when I flip the A/C on as expected. So it seems that this module is working. The white wire lights q test light but shows no voltage (it shows real which at 12v and then drops to 0). This is the same behavior as the high and low pressure switches as I mentioned before.

I am stumped again now as to what to try next.
Was this
answer
helpful?
Yes
No
Monday, May 17th, 2021 AT 5:24 PM
Tiny
STEVE W.
  • MECHANIC
  • 15,676 POSTS
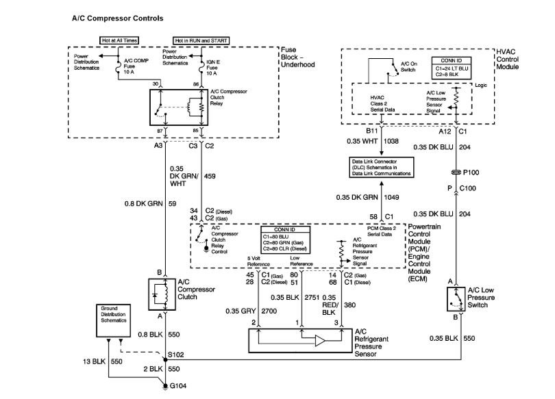
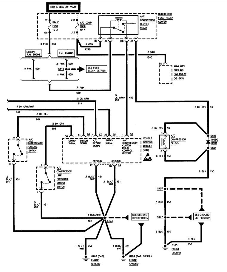
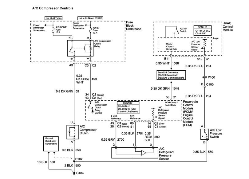
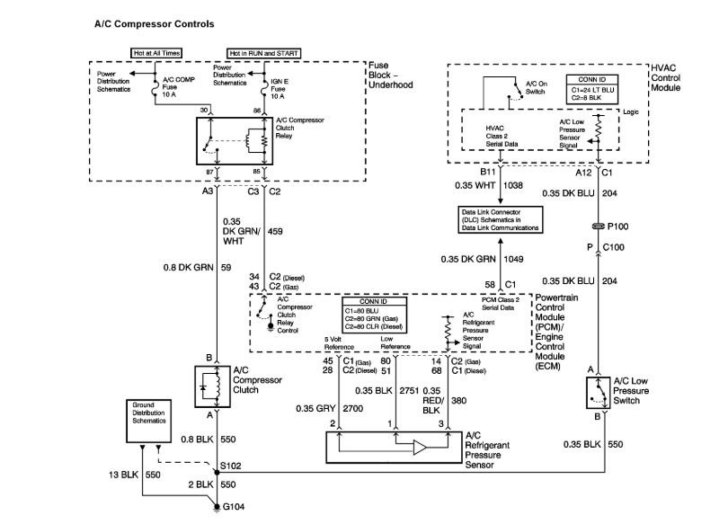
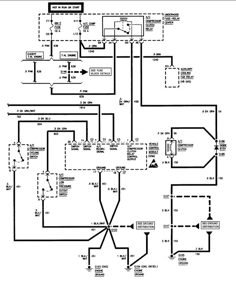
Okay, from here you are going to need a scan tool that can watch the PCM signals to see if the data signal from the control head to the PCM is working. Then go to the PCM up front in the engine compartment and see if it is triggering the ground control circuit at pin 43 in connector 2 (Dark green wire with white stripe). If that is going to ground in response to the dash controls but the relay isn't switching that wire has an issue between the PCM and the relay. If the control signal shows on with the scan tool but the pin at the PCM isn't grounding then the PCM is faulty.
Was this
answer
helpful?
Yes
No
Tuesday, May 18th, 2021 AT 11:39 AM
Tiny
SGPON
  • MEMBER
  • 8 POSTS
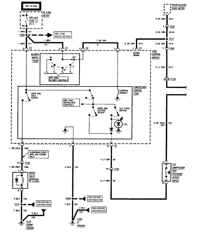
Looking at the relay diagram you attached. Pin 87 is hot with the key on and 86 is hot with the key on. If I jump either to pin 30 the compressor engages. Pin 85 does not become hot or ground when I engage the AC switch. It seems this is the one that should go to ground?

For the PCM testing, which is C2? My PCM has 4 color labeled connectors and seems to have 40 pins each.

Thanks again for all your help.
Was this
answer
helpful?
Yes
No
Wednesday, May 19th, 2021 AT 4:03 PM
Tiny
STEVE W.
  • MECHANIC
  • 15,676 POSTS
85 should go to ground when the A/C is on. As it isn't you need to get to C2 and see if the wire does go to ground there. Using a jumper to ground at that end would tell you if it's a wiring issue or if there is something in the PCM causing an issue. This is when you need a scan tool that can see the inputs and use the bi-directional controls to turn the output on and off. If you get nothing then the PCM is the problem.
Was this
answer
helpful?
Yes
No
Wednesday, May 19th, 2021 AT 4:26 PM
Tiny
CPERRY54
  • MEMBER
  • 35 POSTS
  • 2000 CHEVROLET SILVERADO
  • 4.8L
  • 121,000 MILES
I jump the low press swt, and A/C clutch starting working, but wouldn't take any Freon. Put new pressure switch in and the pump wouldn't engage, jump it and it worked, but it wouldn't take Freon.
Was this
answer
helpful?
Yes
No
Tuesday, June 8th, 2021 AT 10:35 AM (Merged)
Tiny
JACOBANDNICKOLAS
  • MECHANIC
  • 110,192 POSTS
Hi,

If the system won't take freon and only works by jumping the low-pressure switch, check the Schrader valve on the low-pressure side to see if it is stuck. For it to work when jumping that switch, it has to be low on Freon.

They make replacement Schrader valves for the vehicle, but you will need to vacuum and recharge the system. You will need an A/C manifold gauge set to do it. Also, when you connect the gauges to the low-pressure side, you will know if that is the problem. It won't show any pressure. The only thing that will cause that is if there is no freon in the system or the valve is stuck.

Here is a link you may find helpful:

https://www.2carpros.com/articles/re-charge-an-air-conditioner-system

Let me know if you have other questions.

Take care,

Joe
Was this
answer
helpful?
Yes
No
+1
Tuesday, June 8th, 2021 AT 10:35 AM (Merged)
Tiny
CPERRY54
  • MEMBER
  • 35 POSTS
Very helpful. Thank you so very much.
Was this
answer
helpful?
Yes
No
Tuesday, June 8th, 2021 AT 10:35 AM (Merged)
Tiny
JACOBANDNICKOLAS
  • MECHANIC
  • 110,192 POSTS
You are very welcome. If possible, let me know what you find or if you have other questions.

Take care,
Joe
Was this
answer
helpful?
Yes
No
Tuesday, June 8th, 2021 AT 10:35 AM (Merged)

Please login or register to post a reply.

Related Air Conditioner Not Working Content