My air conditioner is not working?

Tiny
BTUGGLE
  • MEMBER
  • 5 POSTS
They say they flushed the system out, but I will take it back to them. One thing I did notice yesterday when the compressor was kicking on and off, the gauge readings went from 35 to 65+ as it would kick on and off. When it quit working, the pressure reading remained at about 65.

Thanks for your help.
Was this
answer
helpful?
Yes
No
+1
Friday, April 30th, 2021 AT 1:28 PM (Merged)
Tiny
HMAC300
  • MECHANIC
  • 48,601 POSTS
35 is abotu right on the low side depending on the temperature outside when the compressor is on. But it still shouldn't stop cooling like you've said. There is definitely something wrong with it. I still thinkit's got a freezing up condition but that would take evacuate and recharge on the system and probably change the acumalator to keep it dry.
Was this
answer
helpful?
Yes
No
Friday, April 30th, 2021 AT 1:28 PM (Merged)
Tiny
BTUGGLE
  • MEMBER
  • 5 POSTS
I will not be able to take it back to the repair shop where I had the compressor and dryer replaced till next week. However, when I got home from work yesterday I decided I would evealuate it some more and discovered what felt like air blowing from evaporator tube where it connects at the entry to the cab. Could this leak be the possible problem?
Was this
answer
helpful?
Yes
No
Friday, April 30th, 2021 AT 1:28 PM (Merged)
Tiny
HMAC300
  • MECHANIC
  • 48,601 POSTS
Sorry about being late with this as i've been away. The air blowing out is just air and unless it is a quite a bit which I doubt, it isn't causing the problem. That can be taken care of with what mechanics call dum-dum. From what you describe it still seems to me to be "freezing up" I have to beleive that it's the orfice is being blocked once in a while causing t eh problem. You migh tmention this to them, but hard telling what they will say. The orfice has a filter on it and it may be plugging then breaking loose and blocking again. I would take a look at it anyhow then try a pump down then a freon sweep and pump down again before refilling the system. That way the moisture that may have built up in the system should all be gone.
Was this
answer
helpful?
Yes
No
+1
Friday, April 30th, 2021 AT 1:28 PM (Merged)
Tiny
BTUGGLE
  • MEMBER
  • 5 POSTS
Sorry, I know it has been a while since I have been on here. I finally took my truck back to the shop that replaced the compressor. System was full of freon and everything checked out except that non of the switches (high or low pressure) are getting any power to the them. The mechanic told me that it could be the circuit board in the dash. He is supposed to find a wiring diagram so tha we can check it out. O you have any ideas of what it could be? Thanks!
Was this
answer
helpful?
Yes
No
+3
Friday, April 30th, 2021 AT 1:28 PM (Merged)
Tiny
HMAC300
  • MECHANIC
  • 48,601 POSTS
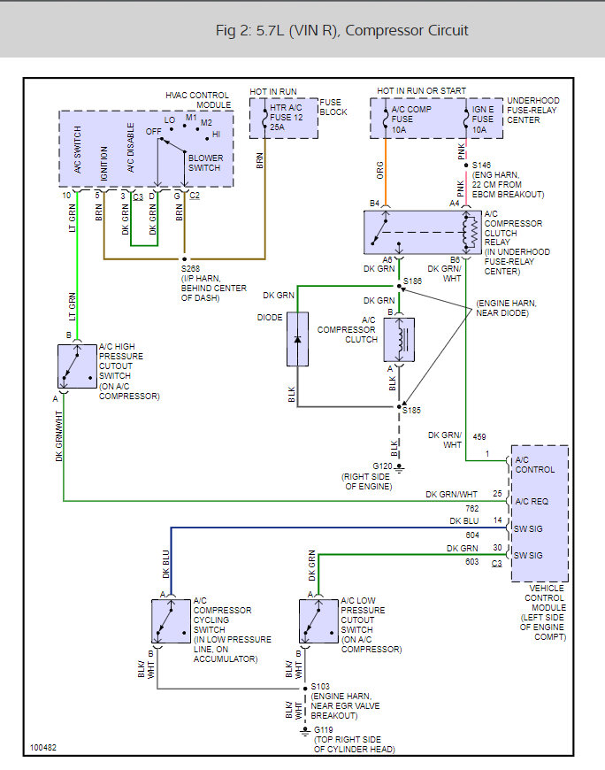
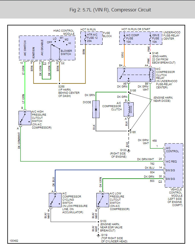
I am taking it that this is a 5.3L and you have the basic a/c. In the underhood bec there are fuses and a relay that go to the compressor. these could be a blown fuse, a relay not working or not getting a good connection there as well as the computer.... i'm sending the basic wire diagram along on here. I think you should be able to enlarge it , if not print it for sure and then enlarge it...


https://www.2carpros.com/forum/automotive_pictures/406719_ac_1999_1.jpg

Was this
answer
helpful?
Yes
No
+8
Friday, April 30th, 2021 AT 1:28 PM (Merged)
Tiny
BTUGGLE
  • MEMBER
  • 5 POSTS
Thank you so much, will check out this weekend.
Was this
answer
helpful?
Yes
No
Friday, April 30th, 2021 AT 1:28 PM (Merged)
Tiny
A.B. DICKERSON
  • MEMBER
  • 2 POSTS
  • 1998 CHEVROLET SILVERADO
  • 5.7L
  • V8
  • 4WD
  • AUTOMATIC
  • 167,000 MILES
I have replaced the HVAC control assembly 4 times, when I turn on the a/c switch the assembly shorts out. Only blows on the floor and the temperature control works. No a/c, cabin circulation or directional control. I have replaced compressor, blend motor, blower, blower relay, heater resistor, relay under the hood. Any suggestions?
Respectfully,
A.B.
Was this
answer
helpful?
Yes
No
Friday, April 30th, 2021 AT 1:29 PM (Merged)
Tiny
ASEMASTER6371
  • MECHANIC
  • 52,796 POSTS
Good morning,

Please explain what you mean by shorting out?

https://www.2carpros.com/articles/car-air-conditioner-not-working-or-is-weak

Do you have manual or automatic climate control?

Roy
Was this
answer
helpful?
Yes
No
Friday, April 30th, 2021 AT 1:29 PM (Merged)
Tiny
A.B. DICKERSON
  • MEMBER
  • 2 POSTS
When I push the a/c button on the hvac control assembly stops working for a/c, cabin air button and direction control knob. There is an electrical burnt smell and the transistor under the directional control knob on the board is burnt. Respectfully
Was this
answer
helpful?
Yes
No
Friday, April 30th, 2021 AT 1:29 PM (Merged)
Tiny
ASEMASTER6371
  • MECHANIC
  • 52,796 POSTS
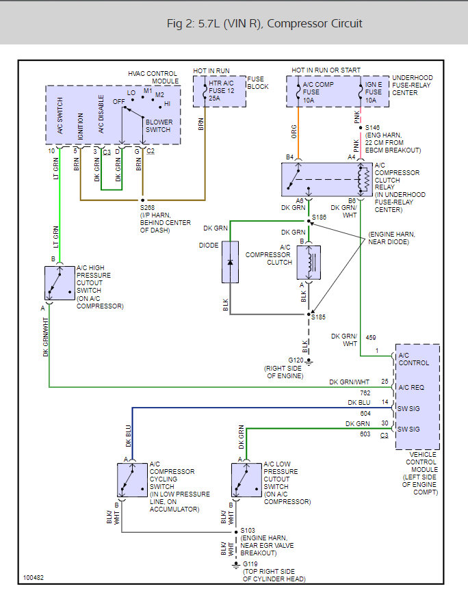
Okay, I attached a diagram for the unit.

It sounds like you have a short in the wiring somewhere. Check the powers and grounds with the unit.

Roy
Was this
answer
helpful?
Yes
No
+1
Friday, April 30th, 2021 AT 1:29 PM (Merged)
Tiny
ROBERT S
  • MEMBER
  • 3 POSTS
  • 1998 CHEVROLET SILVERADO
When I hook up the gauges low was 95 and high was 75. I jumped the compressor to the battery, engaged the compressor, and the low went to 30 and high went to 150. So, I started checking the electrical. The relay does not engage. So, I jumped 87 to 30 connector and the compressor engaged. So, I checked 86 and 85 connectors no power on either. I jumped the pressure switch on the accumulator and nothing. So, I tried to jump the other switch on high side of the compressor still no luck. I cannot find a electrical diagram (even in the Haynes book). Oh, I checked all fuses as well. Help, what powers the relay to close? Does the pressure seem right. The low is double when the compressor is not on and then balances out correctly when the compressor is running?
Was this
answer
helpful?
Yes
No
Friday, April 30th, 2021 AT 1:29 PM (Merged)
Tiny
MASTERTECHTIM
  • MECHANIC
  • 4,750 POSTS
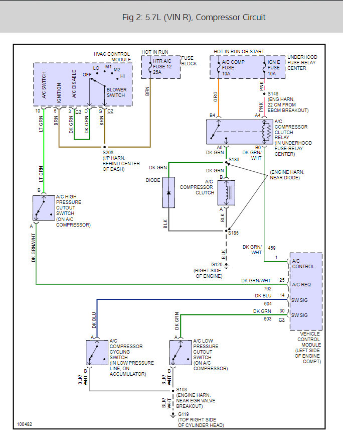
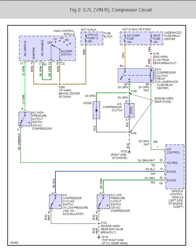
Here are the complete wiring diagrams for the air conditioner and a couple of guides to help you do some testing.

https://www.2carpros.com/articles/how-to-check-an-electrical-relay-and-wiring-control-circuit

and

https://www.2carpros.com/articles/how-to-check-a-car-fuse

and

https://www.2carpros.com/articles/car-air-conditioner-not-working-or-is-weak


https://www.2carpros.com/forum/automotive_pictures/139033_ac_1.jpg



Check out the diagrams (below)

Cheers,
Was this
answer
helpful?
Yes
No
+21
Friday, April 30th, 2021 AT 1:29 PM (Merged)
Tiny
ROBERT S
  • MEMBER
  • 3 POSTS
Thank you for the diagram. I will check them. Does the system pressures usually works this way?
Was this
answer
helpful?
Yes
No
+1
Friday, April 30th, 2021 AT 1:29 PM (Merged)
Tiny
MASTERTECHTIM
  • MECHANIC
  • 4,750 POSTS
They seem a little low to me, was it super cold outside? I would try putting a little in to see what happens.

https://www.2carpros.com/articles/air-conditioner-how-to-add-freon

Was this
answer
helpful?
Yes
No
+1
Friday, April 30th, 2021 AT 1:29 PM (Merged)
Tiny
ROBERT S
  • MEMBER
  • 3 POSTS
Thanks, for the wiring diagram. Found the issue the clutch cycling switch was out I changed it and BAM! All fixed.

Thanks, for everything this site rocks water back
Was this
answer
helpful?
Yes
No
Friday, April 30th, 2021 AT 1:29 PM (Merged)
Tiny
MIKEM1837
  • MEMBER
  • 1 POST
I had the same problem. Just and added a little Freon and the system works perfect thanks you guys!
Was this
answer
helpful?
Yes
No
+7
Friday, April 30th, 2021 AT 1:29 PM (Merged)
Tiny
SWEETIE1965
  • MEMBER
  • 177 POSTS
  • 1997 CHEVROLET SILVERADO
  • 5.7L
  • V8
  • 2WD
  • AUTOMATIC
  • 265,000 MILES
I purchased this truck about a week ago. The A/C does work only when the relay is jumped using a jumper wire. The low pressure switch is not getting power to it at all unless the relay is jumped. I tested relay for A/C. It has proper resistance. I swapped relays with one like it in the fuse box under hood. Still not working. Fuse is good, compressor works when relay is jumped or when using a power probe. What do you think the problem may be?
Was this
answer
helpful?
Yes
No
Friday, April 30th, 2021 AT 1:32 PM (Merged)
Tiny
ASEMASTER6371
  • MECHANIC
  • 52,796 POSTS
Good evening,

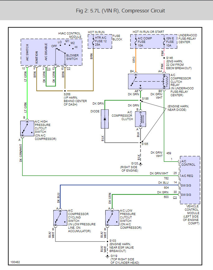
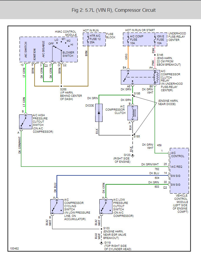
I attached the wiring diagram of the system for you. We need to do voltage checks at the relay with the key on.

https://www.2carpros.com/articles/how-to-check-an-electrical-relay-and-wiring-control-circuit

https://www.2carpros.com/articles/how-to-check-wiring

Check the 2 fuses I circled for power on both sides.

https://www.2carpros.com/articles/how-to-check-a-car-fuse

I attached the location of the relay as well.

Roy

Was this
answer
helpful?
Yes
No
Friday, April 30th, 2021 AT 1:32 PM (Merged)
Tiny
OLDGUYMECHANIC65
  • MEMBER
  • 17 POSTS
Would the ignition 10 amp fuse gave power with key on or does engine need to be started?
Was this
answer
helpful?
Yes
No
Friday, April 30th, 2021 AT 1:32 PM (Merged)

Please login or register to post a reply.

Related Air Conditioner Not Working Content