My air conditioner is not working?

Tiny
ASEMASTER6371
  • MECHANIC
  • 52,796 POSTS
Pin 30 is constant 12 volts.

Pin 86 for the control side of the relay has power with the key on.

Roy
Was this
answer
helpful?
Yes
No
Friday, April 30th, 2021 AT 1:32 PM (Merged)
Tiny
OLDGUYMECHANIC65
  • MEMBER
  • 17 POSTS
I checked the fuses and the relay for power. Both fuses are good. Relay is getting constant 12v power with key off. With key on its getting voltage but not quite 12 volts. Low pressure switch is still not getting power. Here's a picture of voltage with the key on. I checked all fuses just to be safe. All checks out good.
Was this
answer
helpful?
Yes
No
Friday, April 30th, 2021 AT 1:32 PM (Merged)
Tiny
ASEMASTER6371
  • MECHANIC
  • 52,796 POSTS
Your battery is just about done. I would charge the battery.

https://www.2carpros.com/articles/how-to-charge-your-car-battery

You should have 2 terminals with battery voltage with the key on.

Can you confirm?

Roy

Was this
answer
helpful?
Yes
No
Friday, April 30th, 2021 AT 1:32 PM (Merged)
Tiny
OLDGUYMECHANIC65
  • MEMBER
  • 17 POSTS
Would that stop A/C from working? Charging system reaches 14 5 volts with nothing on and 13.6 with everything on. So charging system is working.
Was this
answer
helpful?
Yes
No
Friday, April 30th, 2021 AT 1:32 PM (Merged)
Tiny
OLDGUYMECHANIC65
  • MEMBER
  • 17 POSTS
I replaced the compressor relay that fixed it thank you.
Was this
answer
helpful?
Yes
No
Friday, April 30th, 2021 AT 1:32 PM (Merged)
Tiny
WILLSHANE50
  • MEMBER
  • 2 POSTS
  • 1996 CHEVROLET SILVERADO
  • V6
  • 4WD
  • AUTOMATIC
So my a/c compressor has not been able to engage. It has a great amount of refrigerant but when I pass current and stick a piece of wire on this plastic it starts to engage for about a minute until the a/c fuse burns out. Do you think I need a new one of these plastic things? It looks fried up in my opinion. If so would the issue be an electrical issue or a compressor issue.
Was this
answer
helpful?
Yes
No
Friday, April 30th, 2021 AT 1:32 PM (Merged)
Tiny
WRENCHTECH
  • MECHANIC
  • 20,761 POSTS
If the compressor is blowing the fuse, then you need a new compressor.

Check out this guide

https://www.2carpros.com/articles/car-air-conditioner-not-working-or-is-weak

Please run down this guide and report back.
Was this
answer
helpful?
Yes
No
+1
Friday, April 30th, 2021 AT 1:32 PM (Merged)
Tiny
WILLSHANE50
  • MEMBER
  • 2 POSTS
Hmm, even if the wiring is not that great, I wish I could take a pic of the wiring under the hood, its messed up some wires are exposed and have a direct current.
Was this
answer
helpful?
Yes
No
Friday, April 30th, 2021 AT 1:32 PM (Merged)
Tiny
WRENCHTECH
  • MECHANIC
  • 20,761 POSTS
Obviously, if you have bare wires, that has to be resolved first.
Was this
answer
helpful?
Yes
No
Friday, April 30th, 2021 AT 1:32 PM (Merged)
Tiny
RCUPS
  • MEMBER
  • 2 POSTS
  • 1995 CHEVROLET SILVERADO
  • V8
  • 4WD
  • AUTOMATIC
  • 86,000 MILES
Stopped blowing cool air when using the AC. It just blows warm air that has not been cooled. I noticed the AC compressor does not appear to be engaging when the AC is switched on. I have checked all the fuses and they appear to be good. What could be going on here? Sould like an electrical problem of some sort.
Was this
answer
helpful?
Yes
No
Friday, April 30th, 2021 AT 1:33 PM (Merged)
Tiny
JACOBANDNICKOLAS
  • MECHANIC
  • 110,192 POSTS
It could be a few electrical components, AC clutch, cycle switch. It could also have lost freon. If it is too low, the compressor won't turn on. What I would start with is this. Start the engine and turn the AC on. Disconnect the wire going to the compressor clutch and see if there is any power to it. If there is, the clutch is bad. If there is no power, then I recommend having the freon pressure tested.

Let me know what you find.

Joe
Was this
answer
helpful?
Yes
No
-1
Friday, April 30th, 2021 AT 1:33 PM (Merged)
Tiny
RCUPS
  • MEMBER
  • 2 POSTS
Joe, Thanks for the advice. I tested the wires going the the compressor clutch and sure enough there was no juice getting that far. Just as I was getting ready to take it to a shop, I looked under the hood and discovered that the switch connection back by the condensor(against the firewall) was disconnected I plugged it back in and the AC cranked right up when I turned it on. It was weird how this connector could have come off because no one had been under the hood to loosen it and it has a little click style keeper to keep it attached. At least it is working now. Thanks again, Rodger.
Was this
answer
helpful?
Yes
No
+2
Friday, April 30th, 2021 AT 1:33 PM (Merged)
Tiny
JACOBANDNICKOLAS
  • MECHANIC
  • 110,192 POSTS
Great! I'm glad it's fixed. A shop would have charged you at least a hundred dollars and not found the problem. Good job!

In the future, let us know if you have questions, and thanks for using 2carpros. Com.

Joe
Was this
answer
helpful?
Yes
No
+4
Friday, April 30th, 2021 AT 1:33 PM (Merged)
Tiny
1REDTRUCK
  • MEMBER
  • 1 POST
  • 1992 CHEVROLET SILVERADO
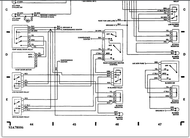
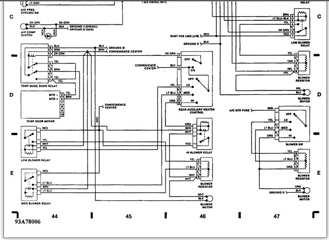
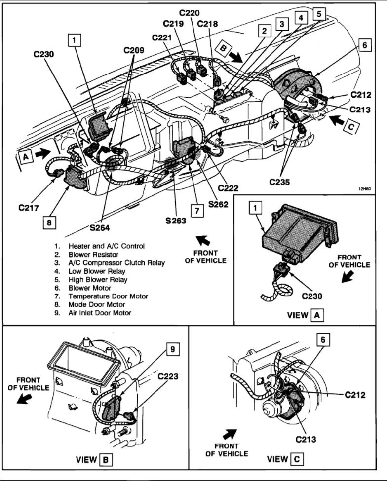
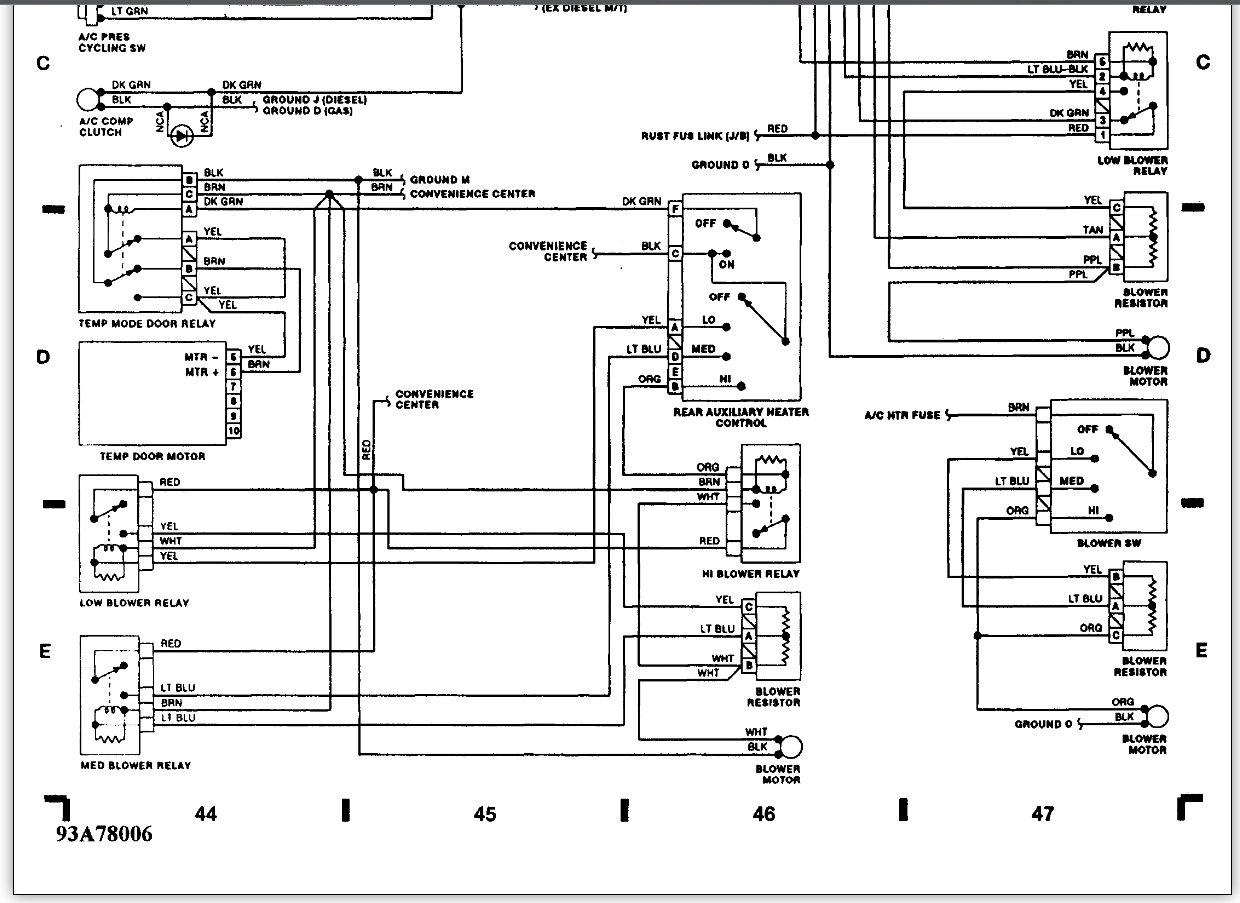
I can not get power to the a/c compressor clutch. Unit has plenty of freon, I changed the cycling switch, but can not find the a/c compressor clutch relay to check to see if it is getting power. Does anyone have an ideal? It is not on the firewall.
Was this
answer
helpful?
Yes
No
Friday, April 30th, 2021 AT 1:33 PM (Merged)
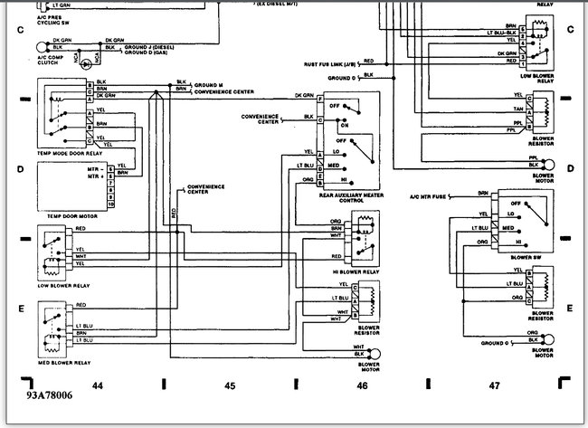
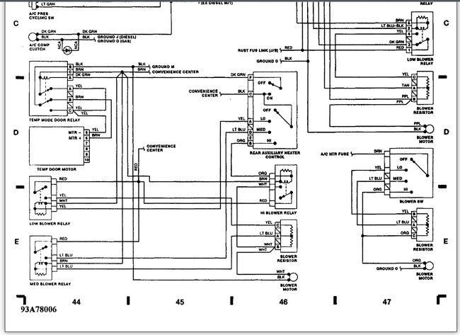
Tiny
KEN L
  • MASTER CERTIFIED MECHANIC
  • 55,297 POSTS
Hello,

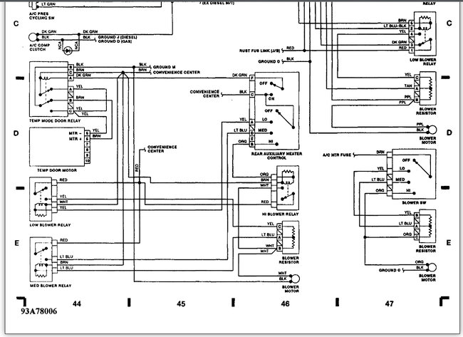
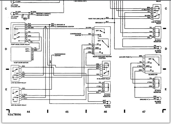
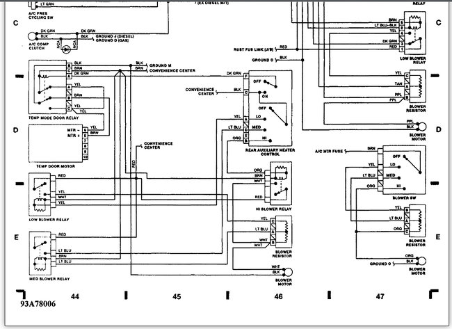
You need to test the ac power from the relay, you are on the right trail. Here is a guide and a wiring diagram with the air conditioner relay location (below) so you can get the problem fixed.

https://www.2carpros.com/articles/how-to-use-a-test-light-circuit-tester

and

https://www.2carpros.com/articles/how-to-check-an-electrical-relay-and-wiring-control-circuit

Please let us know what you find.

Cheers, Ken
Was this
answer
helpful?
Yes
No
Friday, April 30th, 2021 AT 1:33 PM (Merged)
Tiny
JACECIL
  • MEMBER
  • 1 POST
  • 1991 CHEVROLET SILVERADO
  • V8
  • 2WD
  • AUTOMATIC
  • 138,000 MILES
My AC will work when it is not to hot, below 85*, the compressor clutch will engage. But when it is really hot outside and I really need the AC, the clutch does not engage and I do not get any cooling. I do not have any leaks, and have about 40 psi on the low side. Thank you for your help. John
Was this
answer
helpful?
Yes
No
Friday, April 30th, 2021 AT 1:33 PM (Merged)
Tiny
KHLOW2008
  • MECHANIC
  • 41,814 POSTS
Hi John,

40 psi is on the high side, normal operations should be aroubnd the range of 30 psi. If you had refilled the freon, most likely it is overfilled causing the compressor to disengage.

This guide will help fix it

https://www.2carpros.com/articles/car-air-conditioner-not-working-or-is-weak

Let me know the high side so we can confirm if it is due to excessive freon.
Was this
answer
helpful?
Yes
No
Friday, April 30th, 2021 AT 1:33 PM (Merged)
Tiny
BRYANW966
  • MEMBER
  • 1 POST
  • 1990 CHEVROLET SILVERADO
  • 5.0L
  • V8
  • 4WD
  • AUTOMATIC
  • 180,000 MILES
My truck has an air conditioner problem. When I turn it on the compressor kicks on for a few seconds then kicks right back off. It does this continually until the air conditioner is shut off. It is fully charged with Freon, and I have replaced the air conditioner compressor switch. I did pull the air conditioner compressor switch plug in off and ran a wire (shaped like a U) to each side of the ports on the plug. The compressor works with no problems when I do this, however it is not good to leave this like this, so I always plug it back into the air conditioner compressor switch. I am looking for some help or guidance. Any ideas?Thanks!
Was this
answer
helpful?
Yes
No
Friday, April 30th, 2021 AT 1:33 PM (Merged)
Tiny
KEN L
  • MASTER CERTIFIED MECHANIC
  • 55,297 POSTS
Hello,

It seems like the system could be plugged, bleed the system off and open up the high side line to the evaporator core to locate the orifice tube. It should be clean if not use carb spray and clean it, also this could be an indication of a compressor going bad, here is a couple of guides that can help you.

https://www.2carpros.com/articles/re-charge-an-air-conditioner-system

and

https://www.2carpros.com/articles/replace-air-conditioner-compressor

Let us know what you find.

Best, Ken

Was this
answer
helpful?
Yes
No
Friday, April 30th, 2021 AT 1:33 PM (Merged)
Tiny
S_G
  • MEMBER
  • 1 POST
  • 2003 CHEVROLET SILVERADO
  • 6.0L
  • V8
  • 4WD
  • AUTOMATIC
  • 120,000 MILES
Everything under the hood works fine. Plenty of Freon. Clutch works fine. AC compressor is new. When I turned on the AC switch, it shows on, but compressor does not engage. Replaced relay. Compressor still will not engage. When I install my test manual relay and flip the switch on, AC compressor comes on and AC works perfect. Also, when I connect my scanner and request permission to activate AC, permission is granted and AC works perfect. Why is it that new relays will not make compressor activate but when using the test manual relay with the switch turned on, then it activates?
Was this
answer
helpful?
Yes
No
Friday, April 30th, 2021 AT 4:24 PM (Merged)

Please login or register to post a reply.

Related Air Conditioner Not Working Content