My cruise control doesn't work?

Tiny
BEFORE1999
  • MEMBER
  • 2003 BUICK LESABRE
  • 121,000 MILES
Light comes on but won't engage could it be the switch?
Wednesday, November 9th, 2011 AT 2:47 PM

36 Replies

Tiny
WRENCHTECH
  • MECHANIC
  • 20,761 POSTS
Are your brake lights working properly? See if there are any stored trouble codes.

Here is a guid to help you.

https://www.2carpros.com/articles/checking-a-service-engine-soon-or-check-engine-light-on-or-flashing

Let me know.
Was this
answer
helpful?
Yes
No
Wednesday, November 9th, 2011 AT 3:04 PM
Tiny
BEFORE1999
  • MEMBER
  • 2 POSTS
All brake lights work okay
Was this
answer
helpful?
Yes
No
+9
Wednesday, November 9th, 2011 AT 8:40 PM
Tiny
WRENCHTECH
  • MECHANIC
  • 20,761 POSTS
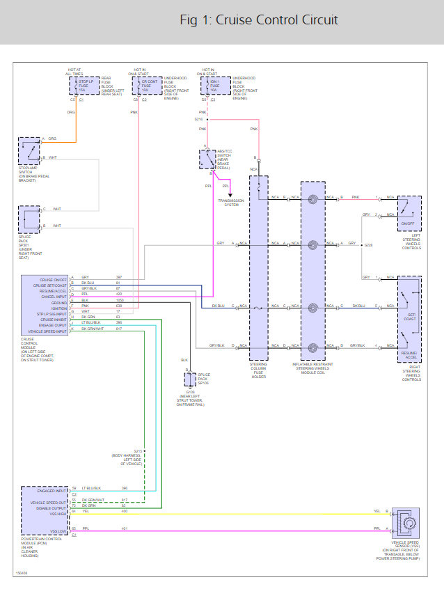
It sounds like the switch has gone out, did you check the fuses? Here is the fuse location in the diagrams below. let me know please.

https://www.2carpros.com/articles/how-to-check-a-car-fuse

Check out the diagrams (Below). Please run this test and get back to us.
Was this
answer
helpful?
Yes
No
-1
Wednesday, November 9th, 2011 AT 8:42 PM
Tiny
MOE MCKAY
  • MEMBER
  • 1 POST
  • 2002 BUICK LESABRE
I have the car listed above it has the 3800 V-6 engine with 63,800 miles. The steering wheel has the radio functions on it and the cruise on/off switch is also on the steering wheel (bottom left).

When I push the button to turn on the cruise it will only blink. When I press the same button and the set button at the same time I can see next to the speedometer it lights up the cruise light. Once I release, the small LED on the on/off switch goes out and so does the one next to the speedometer. Not sure if there is a short in the steering wheel of if I need to look under the hood at the cruise control module. Either way I still do not know how to fix it.

Any help is appreciated.
Was this
answer
helpful?
Yes
No
-1
Thursday, April 9th, 2020 AT 12:11 PM (Merged)
Tiny
W0GLT
  • MEMBER
  • 2 POSTS
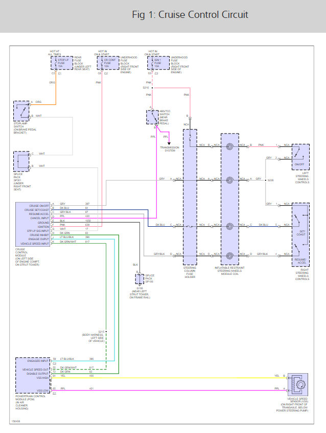
It sounds like you have a problem with the brake light switch. Can I ask if the brake light work? Here is a cruise control wiring diagram which can help you check the connections, It could be the switch as well.

https://www.2carpros.com/articles/how-to-check-wiring

Please check out the diagrams (below). Please let us know what you find. We are interested to see what it is.
Was this
answer
helpful?
Yes
No
Thursday, April 9th, 2020 AT 12:11 PM (Merged)
Tiny
AGENTML99
  • MEMBER
  • 1 POST
I just had this problem and the dealer charge me $340.00 to replace the clock spring. But at least it is working. :/
Was this
answer
helpful?
Yes
No
Thursday, April 9th, 2020 AT 12:11 PM (Merged)
Tiny
EHBUMGAR
  • MEMBER
  • 1 POST
  • 2002 BUICK LESABRE
Electrical problem
2002 Buick Lesabre 6 cyl Front Wheel Drive Automatic

Does the cruise control have a relay to turn it on and off
Was this
answer
helpful?
Yes
No
+1
Thursday, April 9th, 2020 AT 12:14 PM (Merged)
Tiny
MMPRINCE4000
  • MECHANIC
  • 8,548 POSTS
There are several things that will turn cruise off, brake switch, gear selection, parking brake switch, fuse, cruise switch, speed.

I would look at the above first, relays are for high amp draws, CC does not use one.
Was this
answer
helpful?
Yes
No
+1
Thursday, April 9th, 2020 AT 12:14 PM (Merged)
Tiny
KIDBLUE
  • MEMBER
  • 15 POSTS
  • 2002 BUICK LESABRE
  • 6 CYL
  • FWD
  • AUTOMATIC
  • 80,000 MILES
I have a 2002 Buick LeSabre and it has the 3800 V-6 engine with 63,800 miles. The steering wheel has the radio functions on it and the cruise On / Off switch is also on the steering wheel ( bottom Left).

When I push the button to turn on the cruise it will only blink. When I press the same button and the set button at the same time I can see next to the speedometer it lights up the cruise light. Once I release, the small led on the on/off switch goes out and so does the one next to the speedometer. Not sure if there is a short in the steering wheel of if I need to look under the hood at the cruise control module. Either way I still do not know how to fix it.

Any Help is Appreciated
Was this
answer
helpful?
Yes
No
+1
Thursday, April 9th, 2020 AT 12:14 PM (Merged)
Tiny
76PATRIOT
  • MEMBER
  • 4 POSTS
I have a 2001 Lesabre and it does the same thing. If you hold the on/off cruise button, the cruise works, as soon as you release it, the cruise goes off.

If you get the solution, please advise. I will do the same.
Was this
answer
helpful?
Yes
No
Thursday, April 9th, 2020 AT 12:14 PM (Merged)
Tiny
KIDBLUE
  • MEMBER
  • 15 POSTS
Found the on off switch bad I replaced it now it works fine. Cost $32.00
Was this
answer
helpful?
Yes
No
Thursday, April 9th, 2020 AT 12:14 PM (Merged)
Tiny
76PATRIOT
  • MEMBER
  • 4 POSTS
Purchased new switch from rockauto. Com for $23.92 including shipping. Just pry old switch from steering wheel, unplug, reverse procedure and you are on your way. Did the trick.
Was this
answer
helpful?
Yes
No
Thursday, April 9th, 2020 AT 12:14 PM (Merged)
Tiny
G. L. PEARSON
  • MEMBER
  • 2 POSTS
  • 2002 BUICK LESABRE
Engine Mechanical problem
2002 Buick Lesabre 6 cyl Two Wheel Drive Automatic

My cruse control suddenly stopped working. It will not come on at all.
Was this
answer
helpful?
Yes
No
Thursday, April 9th, 2020 AT 12:14 PM (Merged)
Tiny
G. L. PEARSON
  • MEMBER
  • 2 POSTS
Was this
answer
helpful?
Yes
No
-1
Thursday, April 9th, 2020 AT 12:14 PM (Merged)
Tiny
ERICSCOW
  • MEMBER
  • 1 POST
  • 2001 BUICK LESABRE
  • 6 CYL
  • 2WD
  • AUTOMATIC
  • 44,000 MILES
How do I replace the cruise control on/off switch located on the steering wheel of the 2001 Buick LeSabre?
Was this
answer
helpful?
Yes
No
+1
Thursday, April 9th, 2020 AT 12:14 PM (Merged)
Tiny
MMPRINCE4000
  • MECHANIC
  • 8,548 POSTS
It is an assembly and you would have to remove steering wheel and airbag.

I tell everyone, removing airbag is a dangerous business, if it accidentially deploys, it can cause severe injury.

Have the dealer or trusted garage do it.
Was this
answer
helpful?
Yes
No
+1
Thursday, April 9th, 2020 AT 12:14 PM (Merged)
Tiny
W0GLT
  • MEMBER
  • 2 POSTS
  • 2001 BUICK LESABRE
  • 6 CYL
  • FWD
  • AUTOMATIC
  • 75,000 MILES
Cruise control will not remain selected when button is pushed on steering left wheel spoke. Light will remain on as long as you hold the selector down. When you release the button the amber light will extinguish. During the time you hold the button down the system can be engaged but when ON/OFF select button is released the light extinguishes and cruise control disengages.

How do you remove the cruise control selector button to replace it, if that is the fix?

Thank you!
Was this
answer
helpful?
Yes
No
Thursday, April 9th, 2020 AT 12:15 PM (Merged)
Tiny
MATHIASO
  • MECHANIC
  • 1,209 POSTS
The driver side air bag need to be removed before you can replace the cruise control switch.
I advice you to let a qualify technician do that.
Was this
answer
helpful?
Yes
No
Thursday, April 9th, 2020 AT 12:15 PM (Merged)
Tiny
JONNYK45
  • MEMBER
  • 1 POST
  • 2000 BUICK LESABRE
  • 6 CYL
  • FWD
  • AUTOMATIC
  • 128,000 MILES
Thanks for any help you offer. My 2000 Buick LeSabre's cruise control won't engage. The LED next to the on/off switch lights up when I turn it on. The "CRUISE" light in the dash lights up when I set the speed. The only part that seems to not work is the speed actually being set. The car begins slowing down as soon as I take my foot off the gas. I checked the cruise fuse and it's fine. Why isn't the cruise engaging?
Was this
answer
helpful?
Yes
No
Thursday, April 9th, 2020 AT 12:15 PM (Merged)
Tiny
MMPRINCE4000
  • MECHANIC
  • 8,548 POSTS
There are a couple of things that will disable cruise, first is brake switch, or parking brake switch.

Next would be the gear selector.

Also the car would need to be in closed loop, that is the engine must be at temp. If thermostat is bad, it will not heat up and cruise will not work.

Even thought you see no powertrain codes you may have a body, or chassis code. These can be read by trusted garage.
Was this
answer
helpful?
Yes
No
Thursday, April 9th, 2020 AT 12:15 PM (Merged)

Please login or register to post a reply.