Tuesday, March 10th, 2009 AT 9:27 AM
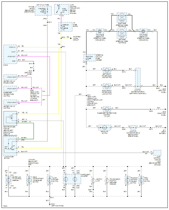
I checked/replaced the "9C"fuse for the radio/cluster but the dash lights still don't work. To recap, the incandescent bulbs behind the speedo head work but the other dash lights on the LH dash module (interior lamp dimmer/auto sentinel), heater control button lights and pre-programmed station button lights are not working. The light showing the channel on the radio and time and temperature display on the heater are working, however. What do I need to replace?




