Drive shaft removal?

Tiny
HMAC300
  • MECHANIC
  • 48,601 POSTS
No just one in front and one in back unless it is posi-traction.
Was this
answer
helpful?
Yes
No
Saturday, September 19th, 2020 AT 5:54 PM (Merged)
Tiny
KEN L
  • MASTER CERTIFIED MECHANIC
  • 55,512 POSTS
The bolts? We do not have that information the dealer will.
Was this
answer
helpful?
Yes
No
Saturday, September 19th, 2020 AT 5:54 PM (Merged)
Tiny
TOPCAT1519
  • MEMBER
  • 3 POSTS
Both front ones rotate. Nothing on the rear ones. They just sit still. Even when I hit the gas. And the ABS and traction control lights came on. After lowering the car these lights stayed off. Any ideas?
Was this
answer
helpful?
Yes
No
Saturday, September 19th, 2020 AT 5:54 PM (Merged)
Tiny
HMAC300
  • MECHANIC
  • 48,601 POSTS
Ii may have messed up the readings on the ABS once that light goes off so does traction control and all wheel drive. Have a mechanic scan for codes if no problem then he can clear the codes.
Was this
answer
helpful?
Yes
No
+1
Saturday, September 19th, 2020 AT 5:54 PM (Merged)
Tiny
TOPCAT1519
  • MEMBER
  • 3 POSTS
I have a code scanner. No codes are thrown.?
Was this
answer
helpful?
Yes
No
Saturday, September 19th, 2020 AT 5:54 PM (Merged)
Tiny
ASEMASTER6371
  • MECHANIC
  • 52,796 POSTS
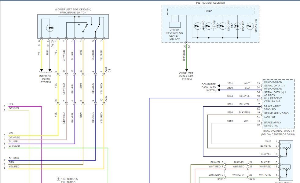
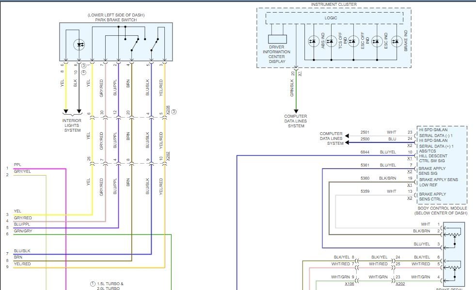
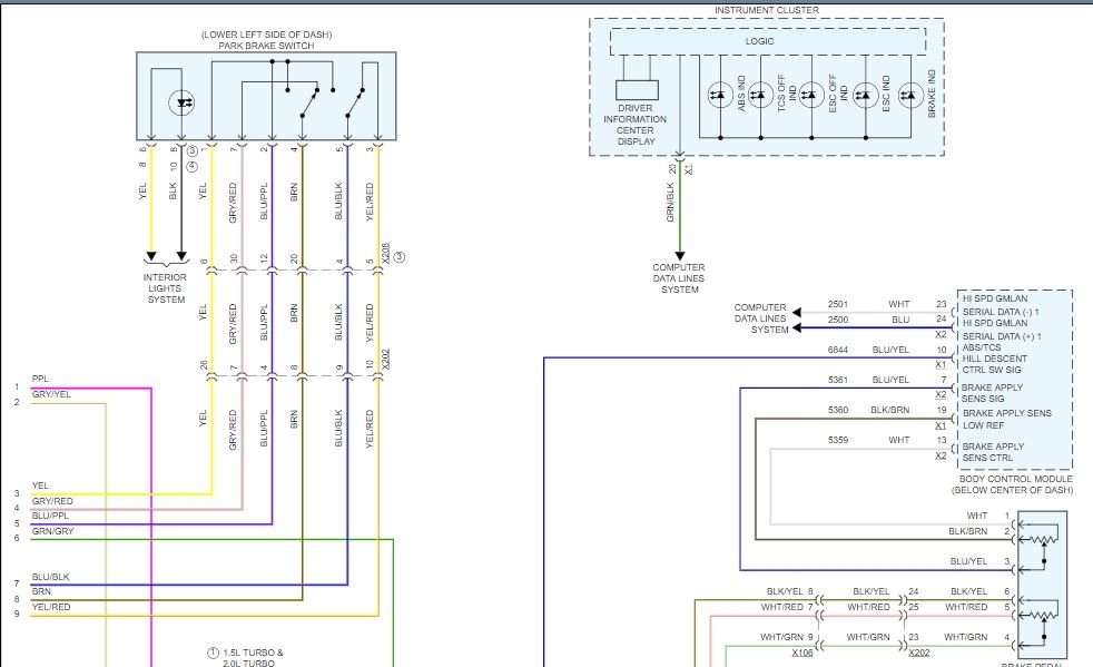
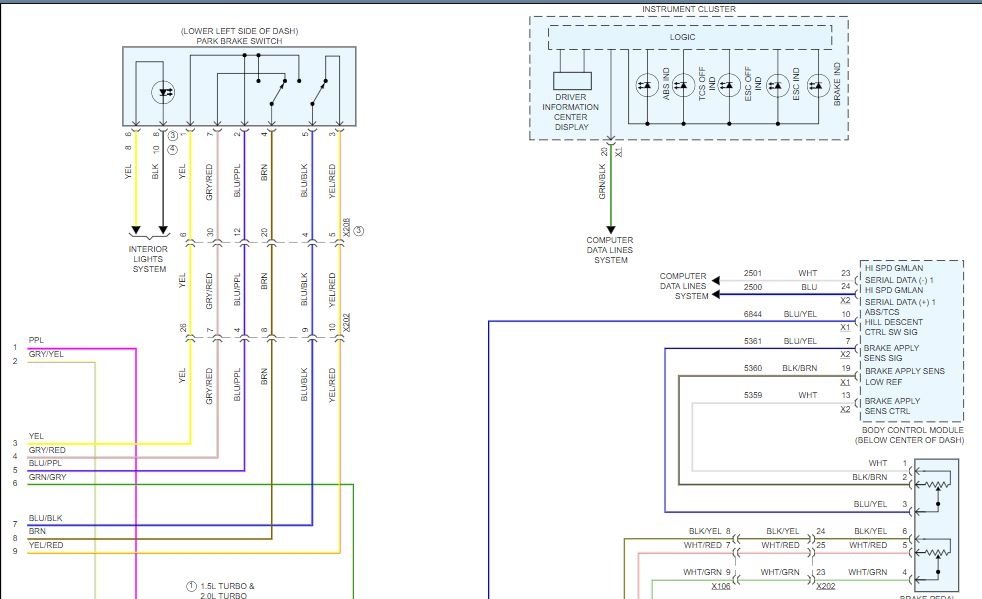
Good afternoon,

If the lights are still on, check the fuses to the module.

https://www.2carpros.com/articles/how-to-check-a-car-fuse

I attached the diagrams for you of the system as well as the location of the module.

https://www.2carpros.com/articles/how-to-check-wiring

The module may have failed. If it did, it should be a warranty item due to the age of the car.

Roy

Removal Procedure
Warning: Refer to Brake Fluid Irritant Warning.
Caution: Refer to Brake Fluid Effects on Paint and Electrical Components Caution.
Caution: Always connect or disconnect the wiring harness connector from the EBCM/EBTCM with the ignition switch in the OFF position. Failure to observe this precaution could result in damage to the EBCM/EBTCM.
Place the ignition switch in the OFF position.
Electronic Brake Control Module with Brake Pressure Modulator Valve (1)  Remove †Electronic Brake Control Module with Brake Pressure Modulator Valve Replacement
Open In New TabZoom/Print

Electronic Brake Control Module Bolt (1) Â Remove [3x]
Open In New TabZoom/Print

Electronic Brake Control Module (1) Â Remove
Was this
answer
helpful?
Yes
No
Thursday, November 19th, 2020 AT 12:57 PM

Please login or register to post a reply.