Will not start

Tiny
BRIAN FOTI
  • MEMBER
  • 2007 DODGE CARAVAN
  • 3.8L
  • 6 CYL
  • 2WD
  • AUTOMATIC
  • 180,000 MILES
Here it is: Starter clicked, so I pulled it. Starter had a broken wire inside. Replaced it. Still will not start. Now there is a slight clicking coming from the fuse block in the engine compartment. Checked and replaced a blown 20A starter fuse. Still will not start and the clicking from the fuse block is still there. Any ideas? Thanks.
Sunday, March 8th, 2020 AT 8:22 PM

11 Replies

Tiny
JACOBANDNICKOLAS
  • MECHANIC
  • 110,194 POSTS
Hi,

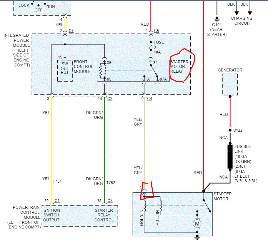
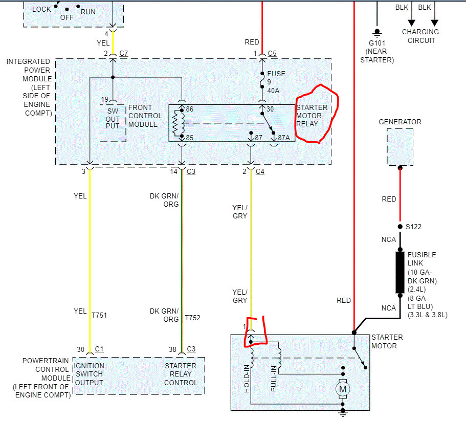
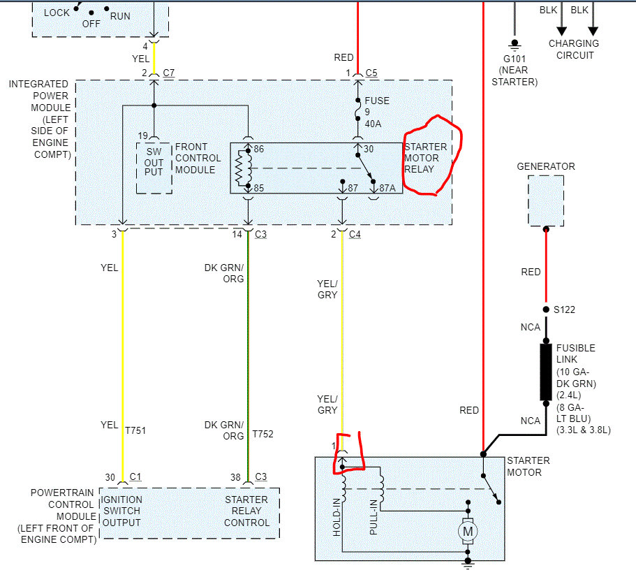
Reconfirm the fuse didn't blow again. There are two fuses in question. Pic 1 below shows the two I need checked. In addition to checking the fuse, make sure there is power to the socket.

Next is the starter relay. If there is another in the box that has the same part number, switch them and see if that makes a difference. (I will provide a relay test in case there isn't another one with the same number).

Last, if the fuses are good, the relay is good, the battery is good, and all connections are clean and tight, check for power to the yellow/grey wire going to the starter solenoid (the smaller wire). It should have 12v when the key is in the start position.

Here are a few links you may find helpful when testing:

https://www.2carpros.com/articles/how-a-car-fuse-works

https://www.2carpros.com/articles/how-to-check-a-car-fuse

https://www.2carpros.com/articles/how-to-use-a-test-light-circuit-tester

https://www.2carpros.com/articles/how-to-use-a-voltmeter

https://www.2carpros.com/articles/how-to-check-wiring

https://www.2carpros.com/articles/how-to-check-an-electrical-relay-and-wiring-control-circuit

____________________

Let me know what you find.

Joe
Was this
answer
helpful?
Yes
No
Sunday, March 8th, 2020 AT 9:14 PM
Tiny
BRIAN FOTI
  • MEMBER
  • 6 POSTS
Hi Joe. Checked the fuse. It didn't blow. Another thing I forgot to add. You know the gear selector lights on the dash that lights up when you put it in whatever gear? Well, all of them are lit when I turn the key on. Does that help? Thanks.
Was this
answer
helpful?
Yes
No
Monday, March 9th, 2020 AT 9:10 AM
Tiny
JACOBANDNICKOLAS
  • MECHANIC
  • 110,194 POSTS
Hi,

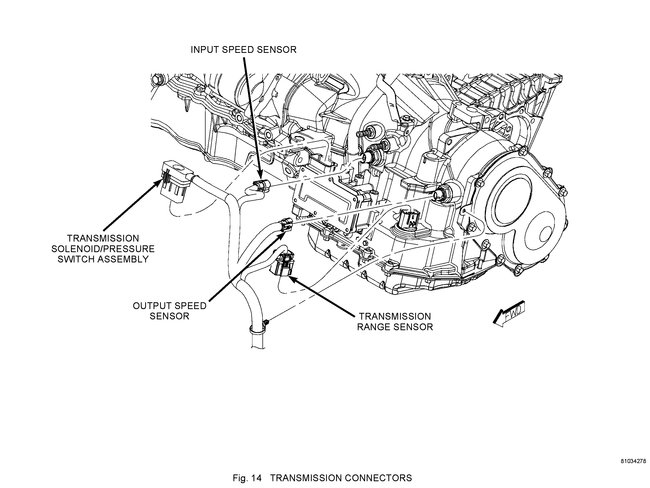
Yes, that indicates to me there is a problem with what is called the transmission range sensor. The range sensor tells the computer what gear to select for the transmission. It also works like the old neutral safety switches. (Pics 2, 3, and 4 show different angles of location and pin connector)

If you look at pic 1, it shows the location on the transmission. Make sure it is tight and not damaged or corroded. Now, to check it requires a scanner with the ability to read transmission codes. Not any scanner will do it. If you look at the last pic, it indicates the
state based on gear. (See pic 5)

If you determine it needs replaced, the valve body in the transmission needs removed to access it. Here are the directions for removal and replacement.

_________________________

2007 Dodge or Ram Truck Grand Caravan V6-3.8L VIN L
Removal
Vehicle Powertrain Management Sensors and Switches - Powertrain Management Sensors and Switches - Computers and Control Systems Transmission Position Sensor/Switch Service and Repair Removal and Replacement 40TE Automatic Transaxle Transmission Range Sensor Removal
REMOVAL
REMOVAL

pic 6

Figure 1 Remove Transmission Range Sensor

pic 7

1. Remove valve body assembly from transaxle.
2. Remove Transmission Range Sensor retaining screw (3) (Figure 1) and remove sensor (1) from valve body.
3. Remove TRS (1) from manual shaft.

________________________________________

Install is the reverse of removal.

Let me know.

Joe
Was this
answer
helpful?
Yes
No
+1
Tuesday, March 10th, 2020 AT 7:59 PM
Tiny
BRIAN FOTI
  • MEMBER
  • 6 POSTS
Thank you. I will check it out.
Was this
answer
helpful?
Yes
No
Thursday, March 12th, 2020 AT 7:38 AM
Tiny
JACOBANDNICKOLAS
  • MECHANIC
  • 110,194 POSTS
You'r very welcome. Let me know what you find.

Take care,
Joe
Was this
answer
helpful?
Yes
No
Thursday, March 12th, 2020 AT 5:26 PM
Tiny
BRIAN FOTI
  • MEMBER
  • 6 POSTS
Okay, update: I checked the transmission relay. It was good, but possibly loose. It still won't start, but the gear selector lights are back to normal. I guess I'll have to start checking voltages.
Was this
answer
helpful?
Yes
No
Monday, March 16th, 2020 AT 9:20 AM
Tiny
JACOBANDNICKOLAS
  • MECHANIC
  • 110,194 POSTS
Hi Brian. I hope all is well. As far as the van, check to see if there is power to the smaller wire on the starter when the key is in the start position. You will need a helper. Here is a link that will help. There is a chance you got a bad starter.

https://www.2carpros.com/articles/starter-not-working-repair

Let me know what you find.

Joe
Was this
answer
helpful?
Yes
No
Monday, March 16th, 2020 AT 9:30 AM
Tiny
BRIAN FOTI
  • MEMBER
  • 6 POSTS
I don't know if I mentioned it before, but when I turn the key, there is a clicking that comes from around the fuse block that's under the hood. Does that tell you anything? Thanks.
Was this
answer
helpful?
Yes
No
Tuesday, March 17th, 2020 AT 7:39 AM
Tiny
JACOBANDNICKOLAS
  • MECHANIC
  • 110,194 POSTS
That is most likely the starter relay. Normally, you wouldn't be heard when the starter engages.

Since you do hear that, we need to see if power is making it to the smaller wire on the starter when the key is in the start position. Brian, if there is power to it, remove the starter and have it bench tested at a parts store. If you do have power to that wire and the big wire has 12v, the starter is bad.

Let me know if you need help or have other questions.

Joe
Was this
answer
helpful?
Yes
No
Tuesday, March 17th, 2020 AT 11:52 AM
Tiny
BRIAN FOTI
  • MEMBER
  • 6 POSTS
The starter relay in the fuse block is brand new. I will look at the starter over the weekend. Thanks.
Was this
answer
helpful?
Yes
No
Tuesday, March 17th, 2020 AT 8:06 PM
Tiny
JACOBANDNICKOLAS
  • MECHANIC
  • 110,194 POSTS
The clicking indicates it's working. That is what leads me to checking for power at the starter. I will watch for your reply.

Take care,
Joe
Was this
answer
helpful?
Yes
No
Tuesday, March 17th, 2020 AT 8:12 PM

Please login or register to post a reply.