Will not start

Tiny
TURFDOG
  • MEMBER
  • 2004 HYUNDAI SANTA FE
  • 2.7L
  • V6
  • 4WD
  • AUTOMATIC
  • 150,000 MILES
Blew the transmission cooler lines. I replaced and fixed the lines but the car sat for about a week. When done fixing it tried to start it would not start but turns over. After a couple of videos I found the fuel shut off switch push the button and it clicked but it still would not start. I know I am getting a spark because I shot some starter fluid in there and I can hear it trying to turn over but it is obviously not getting fuel. Check the relays in the fuse compartment under the hood nothing seems burnt out or corroded. This is happened before when I let the car sit for a while. It has a brand new tank and fuel pump and a brand new ignition modular they are both around eight years old. Any suggestions?
Saturday, September 15th, 2018 AT 1:48 PM

19 Replies

Tiny
JACOBANDNICKOLAS
  • MECHANIC
  • 110,194 POSTS
Hi and thanks for using 2CarPros.com.

We need to check a couple things before we dig in. First, make sure the connection is at the fuel pump is in good condition and not damaged, loose, or corroded. I attached a picture for you to see its location.

If that checks good, see if there is power to the pump. Here are directions for using a test light:

https://www.2carpros.com/articles/how-to-use-a-test-light-circuit-tester

For wire testing:

https://www.2carpros.com/articles/how-to-check-wiring

Next, confirm there is spark for sure. Here are the directions.

https://www.2carpros.com/articles/how-to-test-an-ignition-system

If there is power to the fuel pump and you have good spark, you need to confirm the fuel pump pressure is within the manufacturer's specs. Here is a link showing how that is done:

https://www.2carpros.com/articles/how-to-check-fuel-system-pressure-and-regulator

Here are fuel pressure directions specific to your vehicle: Pictures 2, 3, 4 correlate with these directions.

FUEL DELIVERY SYSTEM

Fuel Pressure Test

1. PREPARING
1. Open the service cover under the floor carpet.

2. RELEASE THE INTERNAL PRESSURE
1. Disconnect the fuel pump connector.
2. Start the engine and wait until fuel in fuel line is exhausted.
3. After the engine stalls, turn the ignition switch to OFF position and disconnect the negative (-) terminal from the battery.

Note: Be sure to reduce the fuel pressure before disconnecting the fuel feed hose, otherwise fuel will spill out

Fuel Pressure Special Service Tool

3. INSTALL THE SPECIAL SERVICE TOOL (SST) FOR MEASURING THE FUEL PRESSURE
1. Disconnect the fuel feed hose from the delivery pipe.

Caution: Cover the hose connection with a shop towel to prevent splashing of fuel caused by residual pressure in the fuel line.

2. Install the Fuel Pressure Gage Adapter (09353-38000) between the delivery pipe and the fuel feed hose.
3. Connect the Fuel Pressure Gage Connector (09353-24000) to the Fuel Pressure Gage Adapter (09353-38000).
4. Connect the Fuel Pressure Gage and Hose (09353 41 00) to Fuel Pressure Gage Connector (09353-24000).
5. Connect the fuel feed hose to the Fuel Pressure Gage Adapter (09353-38000).

4. INSPECT FUEL LEAKAGE ON CONNECTION
1. Connect the battery negative (-) terminal.
2. Apply battery voltage to the fuel pump terminal and activate the fuel pump. With fuel pressure applied, check that there is no fuel leakage from the fuel pressure gauge or connection part.

5. FUEL PRESURE TEST
1. Disconnect the negative (-) terminal from the battery.
2. Connect the fuel pump connector.
3. Connect the battery negative (-) terminal.
4. Start the engine and measure the fuel pressure at idle.
Standard Value: 343 Kpa (3.5 kgf/cm cm, 49.8 psi)

Incorrect Pressure

If the measured fuel pressure differs from the standard value, perform the necessary repairs using the table below.

Pressure Drops

5. Stop the engine and check for a change in the fuel pressure gauge reading.
After engine stops, the gage reading should hold for about 5 minutes
Observing the declination of the fuel pressure when the gage reading drops and perform the necessary repairs using the table below.

6. RELEASE THE INTERNAL PRESSURE
1. Disconnect the fuel pump connector.
2. Start the engine and wait until fuel in fuel line is exhausted.
3. After the engine stalls, turn the ignition switch to OFF position and disconnect the negative (-) terminal from the battery.

Note: Be sure to reduce the fuel pressure before dIsconnecting the fuel feed hose, otherwise fuel will spill out.

7. REMOVE THE SPECIAL SERVICE TOOL (SST) AND CONNECT THE FUEL LINE
1. Disconnect the Fuel Pressure Gage and Hose (09353-24100) from the Fuel Pressure Gage Connector (09353-24000).
2. Disconnect the Fuel Pressure Gage Connector (09353-24000) from the Fuel Pressure Gage Adapter (09353-38000).
3. Disconnect the fuel feed hose from the Fuel Pressure Gage Adapter (09353-38000).
4. Disconnect the Fuel Pressure Gage Adapter (09353-38000) from the delivery pipe.

Caution: Cover the hose connection with a shop towel to prevent splashing of fuel caused by residual pressure in the fuel line.

5. Connect the fuel feed hose to the delivery pipe.

8. INSPECT FUEL LEAKAGE ON CONNECTION
1. Connect the battery negative (-) terminal.
2. Apply battery voltage to the fuel pump terminal and activate the fuel pump. With fuel pressure applied, check that there is no fuel leakage from the fuel pressure gauge or connection part.
3. If the vehicle is normal, connect the fuel pump connector.

___________________________________________

Let me know what you find or if you have other questions.

Take care,
Joe
Was this
answer
helpful?
Yes
No
Saturday, September 15th, 2018 AT 8:12 PM
Tiny
TURFDOG
  • MEMBER
  • 64 POSTS
Found no spark. Does this version of the Santa Fe have an immobilizer?
Was this
answer
helpful?
Yes
No
Monday, September 17th, 2018 AT 11:08 AM
Tiny
JACOBANDNICKOLAS
  • MECHANIC
  • 110,194 POSTS
Hi again:
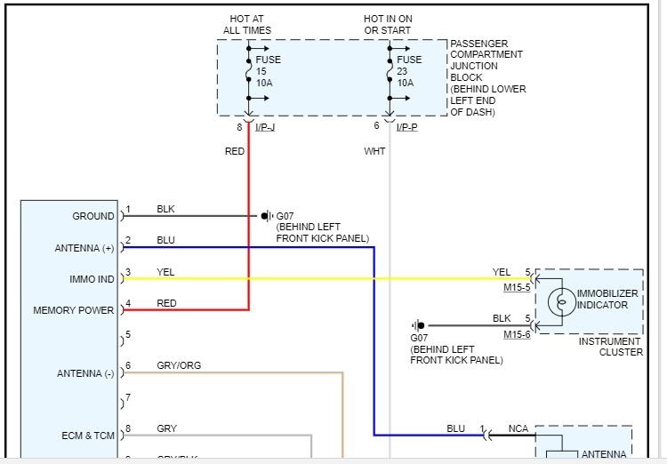
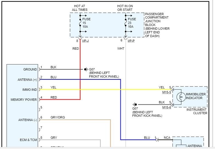
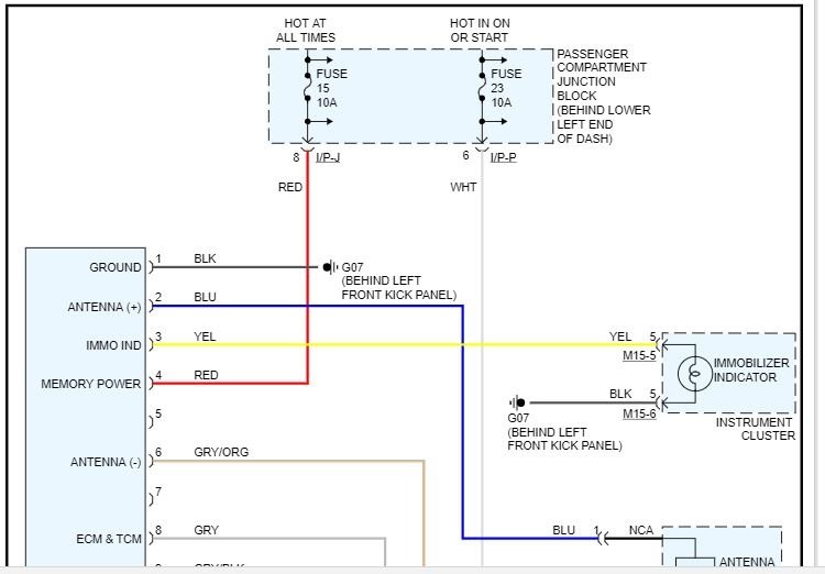
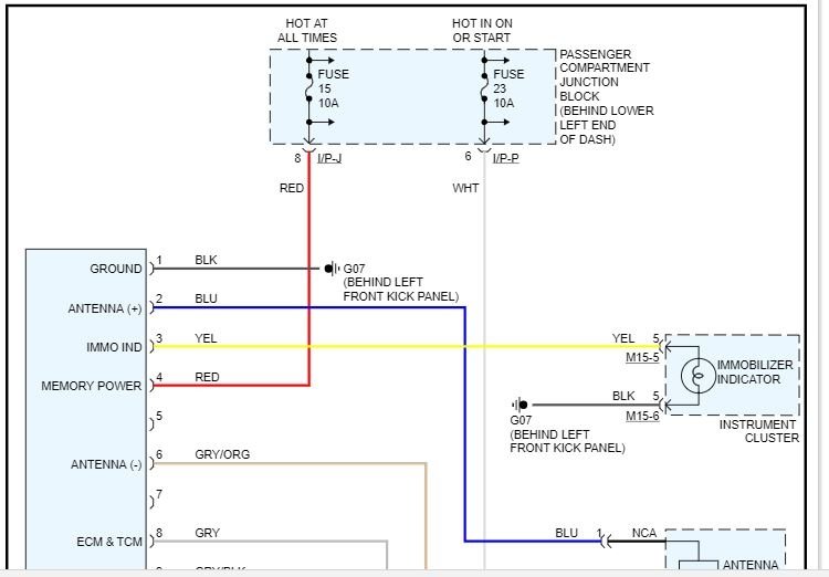
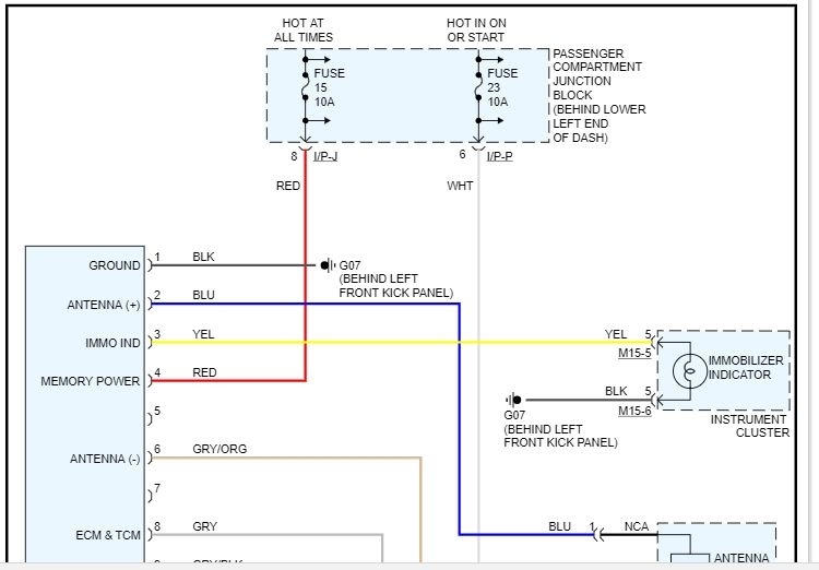
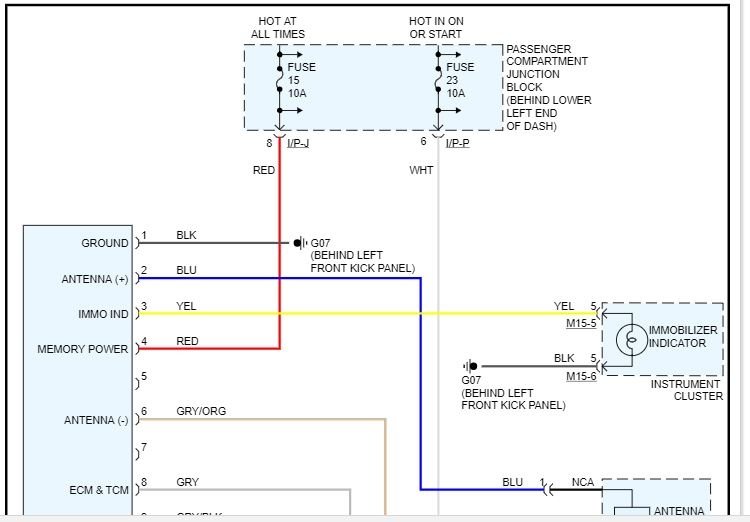
It does. I attached a wiring schematic of the system. Also, here are the relearn directions for the key and password.

Key registration and correction. See pictures 1, 2, 3 which correlate with these directions:

KEY REGISTRATION AND CORRECTION
1. INITIAL REGISTRATION METHOD
2. REGISTRATION CORRECTION FOR MASTER KEYS
In cases when the master key is lost or where a new set of master keys need to be produced, it can be achieved using two methods.
1. Using ID key
2. Using password
When the customers lost the ID key, new master keys can be registered by using Hi-scan only. ID key can not be corrected and reproduced.

NOTE: Once the password is mis-registered, it is impossible to register new password during 10 seconds regardless of ignition ON/OFF.

When the new master keys have been registered, the codes for existing master keys are all cleared.

The password should consist of 4 numbers among ten (0-9) numbers

__________________________________________________

Pictures 4 and 5 are the wiring schematic for the immobilizer.

I hope this helps.

Let me know,
Joe
Was this
answer
helpful?
Yes
No
Monday, September 17th, 2018 AT 5:17 PM
Tiny
TURFDOG
  • MEMBER
  • 64 POSTS
So I called up Hyundai and he told me to check the crank shaft positioning sensor when I checked it all the insulation was burned off the wire. So, I am going to try that $20.00 fix. First I will check the immobilizer.
Was this
answer
helpful?
Yes
No
Wednesday, September 19th, 2018 AT 4:43 AM
Tiny
JACOBANDNICKOLAS
  • MECHANIC
  • 110,194 POSTS
Hi again.

If the crankshaft position sensor is bad, you will not get spark. I missed that you mentioned it later because the first post said it had spark. In my mind, we still had spark. Sorry.

Let me know how things turn out.
Was this
answer
helpful?
Yes
No
Wednesday, September 19th, 2018 AT 5:51 PM
Tiny
TURFDOG
  • MEMBER
  • 64 POSTS
Okay, so I got the crank shaft position sensor fairly cheap. I find out where it is online it is a tight fit I get to eat all the wires are exposed I go to pull it out it breaks off in my hand. Took me days to just pull the rest of the sensor out. Finally get it out I have a tough time putting it in but once it's in the car turned over and started. Now I have another problem. Driving everything was fine all of a sudden the engine sputters a little now the car will not go over 3000 RPM's without a little bucking and loss of power. I have to drive manually shifting. This happened before but always cleared up now it's doing it constantly. It will literally not go over 3000 RPM's as per the tachometer. There is literally no passing gear if I try to punch it to pass someone and it goes over 3000 RPM's it shtus off keeps running I just have to slow down under 3000 RPMs. On top of that one of the hoses for the transmission cooler came off again and lost all my transmission fluid again.
Was this
answer
helpful?
Yes
No
Sunday, September 30th, 2018 AT 10:29 AM
Tiny
JACOBANDNICKOLAS
  • MECHANIC
  • 110,194 POSTS
Hi again. To be honest, that sounds like a camshaft position sensor issue. There are two of them on your vehicle. See attached picture. However, I wouldn't arbitrarily replace them until you are sure there is an issue. Has the check engine light come on when this happens?

Let me know.

Joe
Was this
answer
helpful?
Yes
No
Sunday, September 30th, 2018 AT 7:13 PM
Tiny
TURFDOG
  • MEMBER
  • 64 POSTS
Yesterday the check engine light came on today did not come on once. I have to check the transmission fluid I think I might have overfilled it that is not going to help either. Some people are saying it is in limp mode.
Was this
answer
helpful?
Yes
No
Monday, October 1st, 2018 AT 7:25 AM
Tiny
JACOBANDNICKOLAS
  • MECHANIC
  • 110,194 POSTS
Scan the computer. There may be a saved code. As far as limp mode, you get second gear and no other. It is just to "limp" the vehicle to safety.
Was this
answer
helpful?
Yes
No
Monday, October 1st, 2018 AT 4:50 PM
Tiny
TURFDOG
  • MEMBER
  • 64 POSTS
Okay, so I check the transmission fluid the one thing IM bad at. The level is perfectly fine I went to leave work and punched a little and the check light went on and it jerked and then took off fine but again it is not getting up to 3000 RPMs. I do not have a code reader available to me. So I guess it is off to AutoZone I know they have a code readers there. If I keep it under 3000 RPMs am I safe to go to work every day until they get it fixed?
I also have a 2001 PT cruiser that was running fine until yesterday when I started it and it is running very rough and the check engine light came on. Usually I started it runs rough and then it clears itself out this time it did not do that. The previous owner was a mechanic and he said that happened to him also so he change the ignition modular twice. One was an aftermarket that died after a couple hours so he went with Chrysler's. Do you know if that's a common problem? I guess it is just a bad luck with me at cars this week. But I need to get to work.
Was this
answer
helpful?
Yes
No
Monday, October 1st, 2018 AT 8:09 PM
Tiny
TURFDOG
  • MEMBER
  • 64 POSTS
Okay, so I had to codes read one is a Hyundai specific code p1372 segment time incorrect the other code was P0335 crankshaft positioning sensor A. You said there were two sensors on the car I changed one. The one I changed his right above the starter in the engine block. Did I not put it in correctly or is it just a bad sensor? I bought it for $12.00 on Amazon. Any suggestions. They say if iti s not in all the way it will not read correctly.
Was this
answer
helpful?
Yes
No
Tuesday, October 2nd, 2018 AT 2:41 PM
Tiny
JACOBANDNICKOLAS
  • MECHANIC
  • 110,194 POSTS
Hi again. I read back through the posts. The sensors I am referring to are the camshaft position sensors. The one you replaced was the crankshaft position sensor. The 1372 indicates an issue with the crank sensor (the one you replaced). Either the sensor is not seated correctly or there is a wiring issue at the sensor. I have attached three flow charts that describe how to check the sensor.

DTC P1372 Segment Time Acquisition Incorrect

DESCRIPTION
Misfire induces a decrease of the engine speed and causes a variation in the segment period. Therefore misfiring detection is based on the observation of this variation of segment period.

Let me know if this helps.

Joe
Was this
answer
helpful?
Yes
No
Tuesday, October 2nd, 2018 AT 6:12 PM
Tiny
TURFDOG
  • MEMBER
  • 64 POSTS
Here we go again. So I disassembled whatever I needed to get to the sensor went and gave a push on the sensor to make sure it was seated correctly and I got a small little pop and it seem to go in a smidge. Put the car back together clean the connectors started it up everything was fine turned it off went and got a soda. Came back started it up check engine light went on but had no problem until I got to the gas station on the highway turned off the car filled it up started the car noticed it started a little funny drove off and got stuck on the side of the road. RPM's were going up and down up and down would not stay steady. Was stuck on the side of the road for a while until I noticed that the camshaft sensor was disconnected reconnected it disconnected the battery to reset the computer. It was it idling well. I finally got it running smooth put it in gear I get going still would not go over 3,000 RPM's same thing. Should I just put in a new sensor? I am not a licensed auto mechanic but I have a lot of experience in mechanics was a small engine repair mechanic at a golf course for twelve years. So I do not have the equipment to scan or test the sensors.
Was this
answer
helpful?
Yes
No
Wednesday, October 3rd, 2018 AT 1:02 PM
Tiny
TURFDOG
  • MEMBER
  • 64 POSTS
BTW, usually these things happen when the engine is at operating temperature. When it is cold it works fine.
Was this
answer
helpful?
Yes
No
Wednesday, October 3rd, 2018 AT 1:07 PM
Tiny
JACOBANDNICKOLAS
  • MECHANIC
  • 110,194 POSTS
Hi again. The idea that it runs good cold and then there is a problem when it warms up honestly sounds like a crank sensor issue. I realize you replaced it, but you may have gotten a bad one or inexpensive one. What trouble code is now stored?
Was this
answer
helpful?
Yes
No
Wednesday, October 3rd, 2018 AT 6:33 PM
Tiny
TURFDOG
  • MEMBER
  • 64 POSTS
Okay, I put in a brand new crankshaft positioning sensor this one cost me $50.00. It is working well but the RPM's and it seems like the transmission keeps fluctuating even when I am driving on a flat Road with the cruise control set at 70. It feels like the transmission and the engine cannot make up their mind. Is there a sensor on the transmission? Remember I blew all the transmission fluid out of the transmission twice. Checked the transmission fluid hot and in neutral the fluid is at a perfect level.
Was this
answer
helpful?
Yes
No
Sunday, October 14th, 2018 AT 7:50 AM
Tiny
JACOBANDNICKOLAS
  • MECHANIC
  • 110,194 POSTS
Welcome back.

There is not a transmission sensor that would cause what you have described. Is it possible for you to have someone video what is happening?
Was this
answer
helpful?
Yes
No
Sunday, October 14th, 2018 AT 4:48 PM
Tiny
TURFDOG
  • MEMBER
  • 64 POSTS
I have another problem with my PT cruiser 2001 the code for the check engine light is cylinder number three misfire. I will check the plugs and wires but this car is known to blow the coil or the ignition modular any suggestions
Was this
answer
helpful?
Yes
No
Saturday, October 20th, 2018 AT 2:33 PM
Tiny
JACOBANDNICKOLAS
  • MECHANIC
  • 110,194 POSTS
Welcome back.

Since it is only related to one cylinder, chances are it is the coil itself. However, make sure the plug wires are in good condition, not arcing, and make sure there isn't a valve cover leak. There are seals in the spark plug wells that can allow the well to get excessive oil in them. This can result in a misfire.

Let me know what you find or if you need anything.

Take care,
Joe
Was this
answer
helpful?
Yes
No
Saturday, October 20th, 2018 AT 8:02 PM

Please login or register to post a reply.