Windows not working

Tiny
RIVERMIKERAT
  • MECHANIC
  • 6,110 POSTS
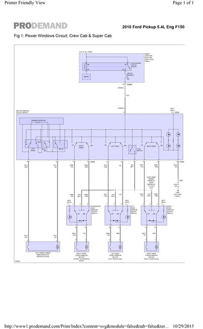
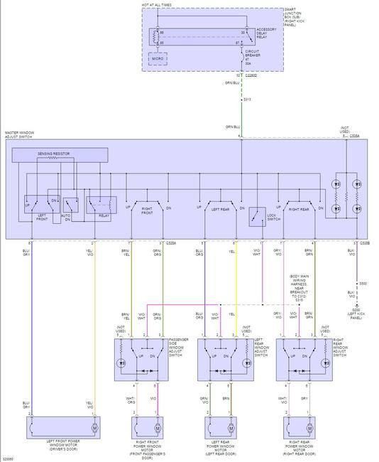
I'm hoping that a jpg image will be better for you.
Was this
answer
helpful?
Yes
No
Tuesday, March 26th, 2019 AT 4:38 PM (Merged)
Tiny
THIS IS MIKE
  • MECHANIC
  • 686 POSTS
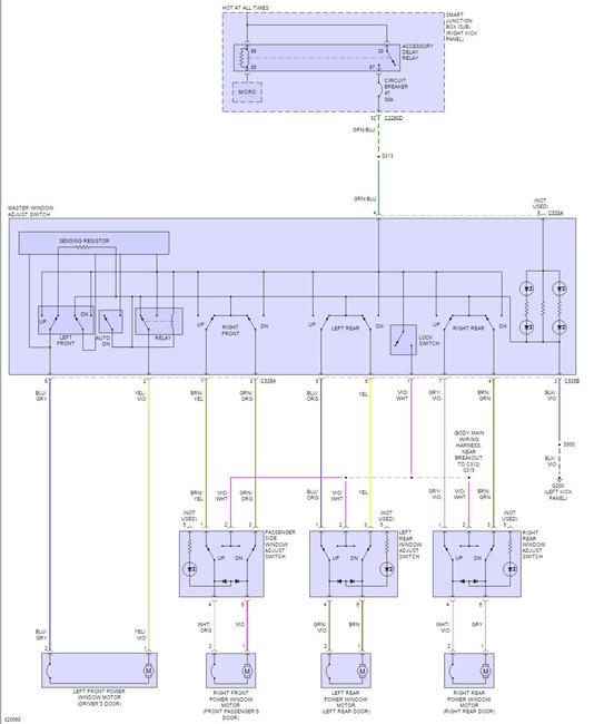
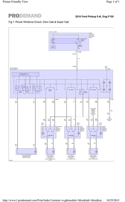
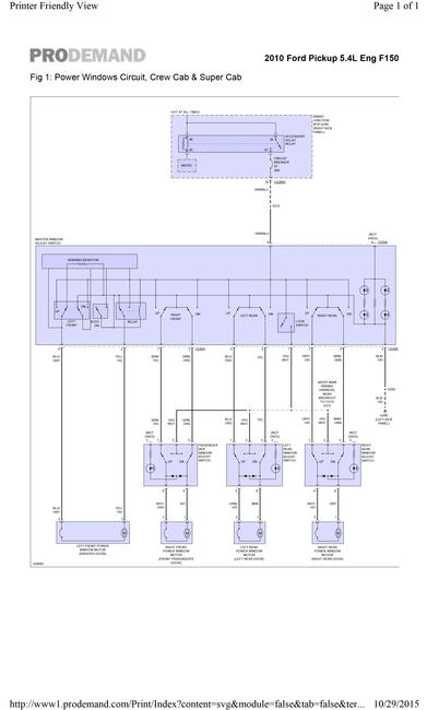
See if this works better
Was this
answer
helpful?
Yes
No
Tuesday, March 26th, 2019 AT 4:38 PM (Merged)
Tiny
RIVERMIKERAT
  • MECHANIC
  • 6,110 POSTS
Let us know if neither of these work for you. I can upload it to my Dropbox.
Was this
answer
helpful?
Yes
No
Tuesday, March 26th, 2019 AT 4:38 PM (Merged)
Tiny
KIMOYOKOHAMA
  • MEMBER
  • 1 POST
  • 2006 FORD F-150
  • V8
  • 4WD
  • AUTOMATIC
  • 50,000 MILES
The driver side power window of my ford f-150 will not go up. My other windows go up with no problem. Do you have any idea on how to fix this problem?
Was this
answer
helpful?
Yes
No
Tuesday, March 26th, 2019 AT 4:38 PM (Merged)
Tiny
JACOBANDNICKOLAS
  • MECHANIC
  • 110,192 POSTS
I would start by checking if the motor is getting power. If it is, then replace the motor. If not, work back to the switch on the door and check if it is working then the main switch on the driver's door.

NOTE: There are two wires going to the motor. One has power when the window goes up, the other when it goes down. The motor is grounded through the door.

Let me know what you find.
Was this
answer
helpful?
Yes
No
Tuesday, March 26th, 2019 AT 4:38 PM (Merged)
Tiny
MIMIALTHOUSE
  • MEMBER
  • 1 POST
  • 2008 FORD F-150
  • 5,000 MILES
2008 Ford F-150- this is a flood recovery truck. Windows are rolled all the way down. How do I get the windows to roll back up?
Was this
answer
helpful?
Yes
No
Tuesday, March 26th, 2019 AT 4:38 PM (Merged)
Tiny
MJR346
  • MECHANIC
  • 132 POSTS
Get the electrical shystem working again. Most likely start by replacing the fuse box on passenger side which is also a module for everything if I remember
Was this
answer
helpful?
Yes
No
Tuesday, March 26th, 2019 AT 4:38 PM (Merged)
Tiny
JACOBANDNICKOLAS
  • MECHANIC
  • 110,192 POSTS
If they are power windows, check fuses and make sure there is power to the switch. I beliece the module that mjr refers to is the GEM. I it behind the fuse box.
Was this
answer
helpful?
Yes
No
Tuesday, March 26th, 2019 AT 4:38 PM (Merged)
Tiny
TAPPSTWO
  • MEMBER
  • 1 POST
  • 2005 FORD F-150
  • V8
  • 4WD
  • AUTOMATIC
  • 76,000 MILES
How do I replace window control switch
Was this
answer
helpful?
Yes
No
Tuesday, March 26th, 2019 AT 4:39 PM (Merged)
Tiny
JACOBANDNICKOLAS
  • MECHANIC
  • 110,192 POSTS
Hi:
To replace the switch you need to remove the door panel to gain access to it. Once there, it's just a matter of unclipping the old switch, disconnecting the plug and reversing the order.

Joe
Was this
answer
helpful?
Yes
No
Tuesday, March 26th, 2019 AT 4:39 PM (Merged)
Tiny
CAROLINAJIMMY
  • MEMBER
  • 1 POST
  • 2006 FORD F-150
  • V8
  • 2WD
  • AUTOMATIC
  • 88,063 MILES
How to replace power window regulator on a 2006 Ford F150 driver side?
Was this
answer
helpful?
Yes
No
Tuesday, March 26th, 2019 AT 4:39 PM (Merged)
Tiny
KHLOW2008
  • MECHANIC
  • 41,814 POSTS
WINDOW REGULATOR AND MOTOR - FRONT DOOR

Removal and Installation

1. Remove the front door trim panel.

2. Remove the front door watershield.

3. Secure the front door window glass in the full UPWARD position with tape.
Fig. 74: Locating Tape

4. Remove the front door window glass-to-regulator assembly bolts.

Loosen the glass clamp fasteners through the 2 vertical slots in the inner door panel.

To install, tighten to 9 Nm (80 lb-in).

5. Disconnect the front door window electrical connector.

6. Remove the front door window regulator bolts.

To install, tighten to 11 Nm (8 lb-ft).

7. Remove the front door window regulator and motor.

8. To install, reverse the removal procedure.
Was this
answer
helpful?
Yes
No
Tuesday, March 26th, 2019 AT 4:39 PM (Merged)
Tiny
NETWORKAUTOBODY
  • MEMBER
  • 1 POST
@Dale: I think true problem is a duff motor. Some other consideration are loose fastener or missing bushing. Check them once if problem still persist.
Was this
answer
helpful?
Yes
No
Monday, January 27th, 2020 AT 11:57 PM

Please login or register to post a reply.