It would be nice to have working windows

Tiny
TCANARD
  • MEMBER
  • 1998 FORD F-150
  • 6 CYL
  • 2WD
  • AUTOMATIC
  • 138,000 MILES
I can hear a clicking from Relay #4 in the interior fuse panel, however I do not see in the manual a fuse to check that talks about windows. The driver side window button will make the relay click and the passenger side button on the driver side and the passenger door will not make it click. None of the buttons on either door will let the windows roll up or down. They are in the up mode now, however it would be nice to have working windows. Can someone help me with this request?
Friday, May 29th, 2009 AT 4:46 PM

1 Reply

Tiny
JACOBANDNICKOLAS
  • MECHANIC
  • 110,192 POSTS
Hi,

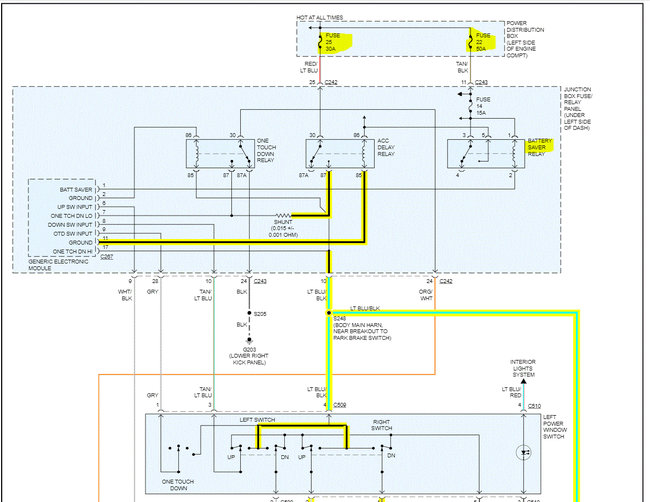
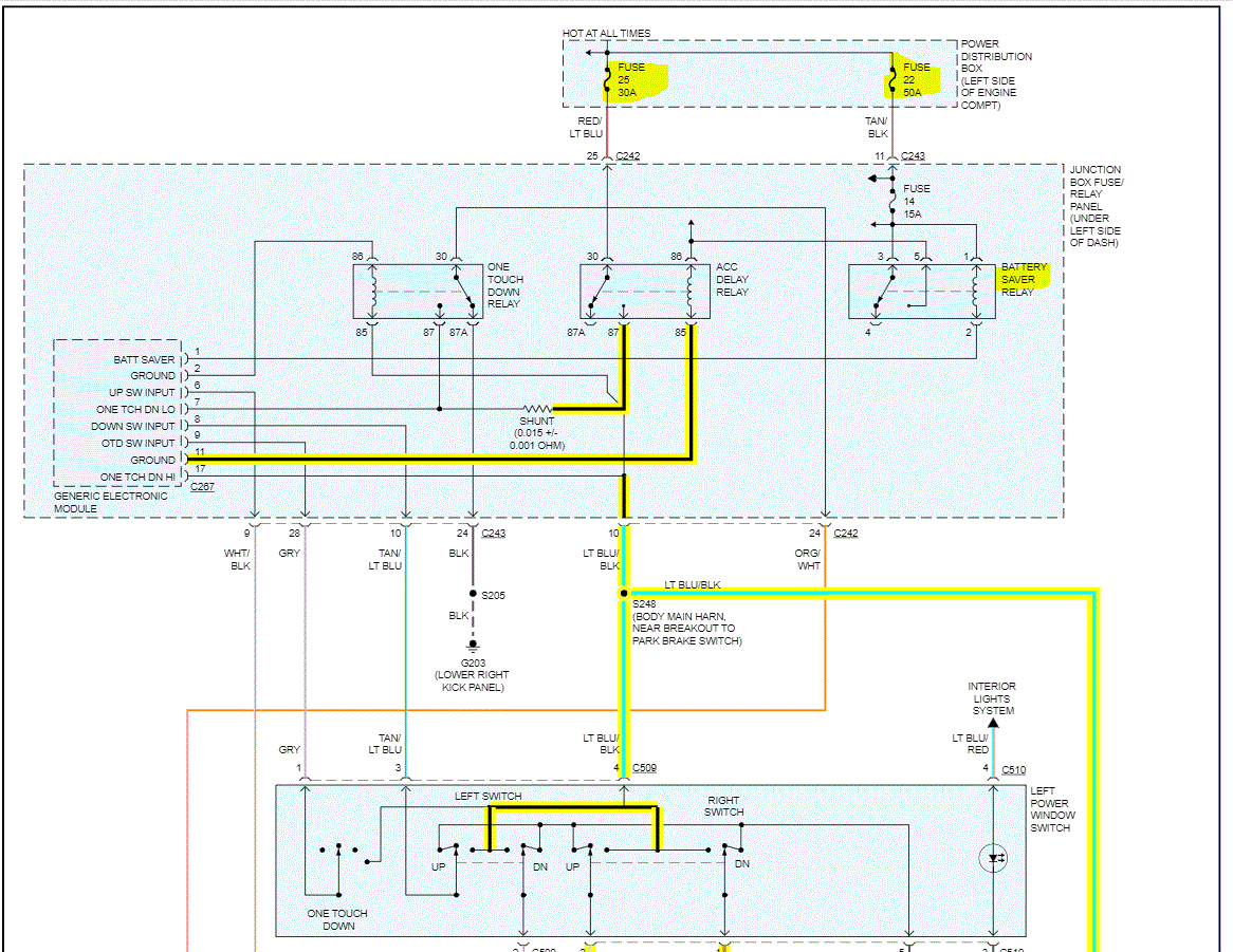
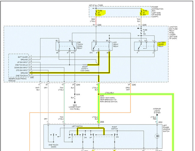
There are three fuses to check and three relays. Two of the fuses are in the under-hood fuse box and the other and relays are in the interior fuse box.

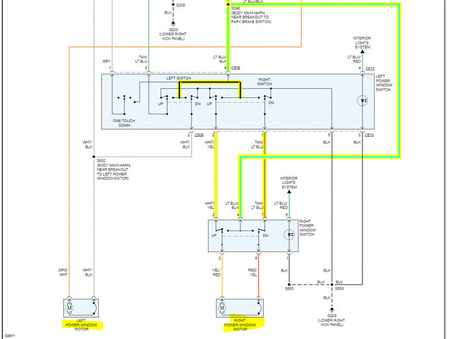
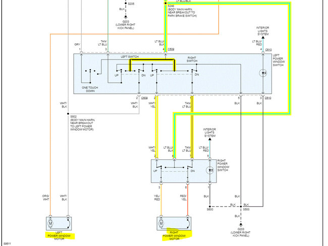
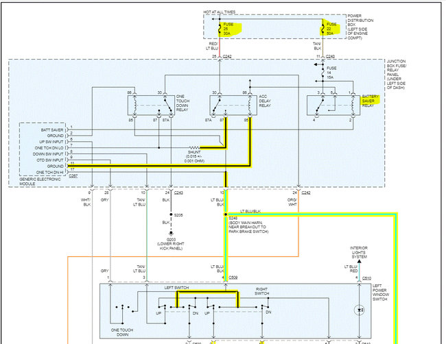
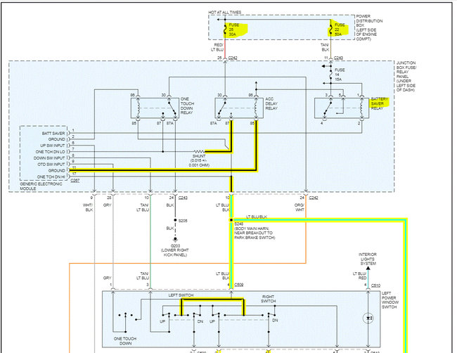
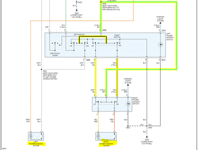
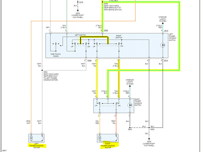
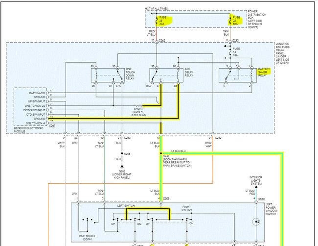
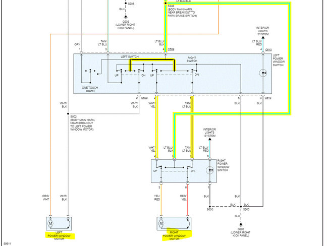
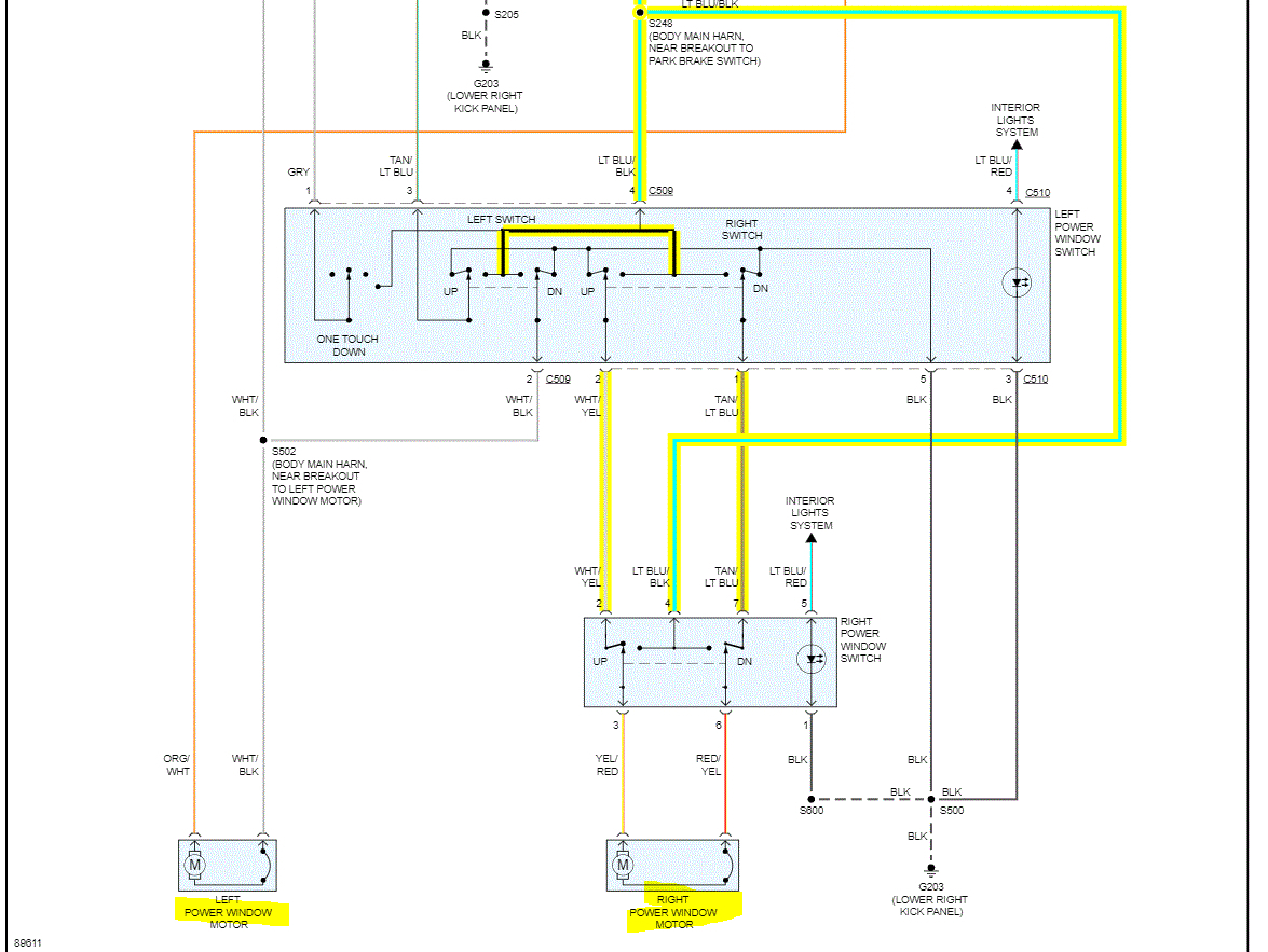
Here is how this works. Power is constant at the switches. When you select up or down, a ground path is provided to operate the motor in one direction or the other (up or down). Basically, the polarity is switched.

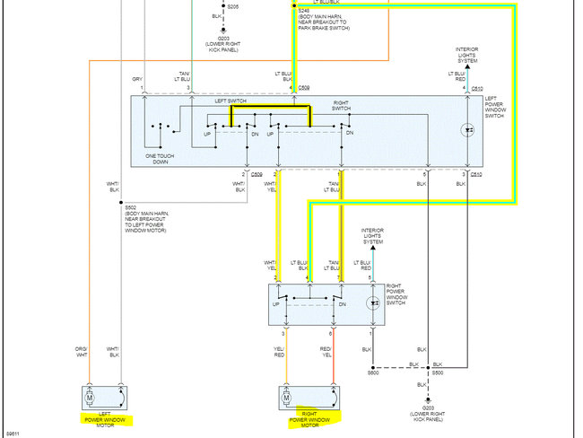
If you look below, I provided the wiring schematic for the power windows. Note I highlighted the ground to the GEM (generic electronic module). Here is what I suggest. First, check the fuses. When checking, make sure the fuse is good and there is power to and from the fuse. If they check good, move on to the relays. Here is a link you may find helpful:

https://www.2carpros.com/articles/how-to-check-a-car-fuse

The relays are located in the vehicle. Remove one at a time and either switch it with a known good relay from the box having the same part number or perform the following test.

https://www.2carpros.com/articles/how-to-check-an-electrical-relay-and-wiring-control-circuit

If that checks good, then you need to check for power at each motor. The motors themselves could be bad.

The last two pics below show the fuse boxes and fuse/relay locations.

I hope this helps. Let me know if you have other questions.

Take care,

Joe

See pics below.

Was this
answer
helpful?
Yes
No
+2
Friday, December 10th, 2021 AT 9:50 PM

Please login or register to post a reply.