HOME
ASK A QUESTION
REPAIR GUIDES
BECOME A MEMBER
LOG IN
Login with Facebook
OR
Remember me
NOT A MEMBER?
FORGOT PASSWORD?
CONTACT US
PRIVACY POLICY
TERMS AND CONDITIONS
☰
Home
Ford
F-150
Body
Window
Not Working
Power windows not working
J787482
MEMBER
1998 FORD F-150
Electrical problem V8 Two Wheel Drive Automatic 71500 miles
power windows stop working, driver & passenger side
Tuesday, June 1st, 2010 AT 4:16 PM
3 Replies
JACOBANDNICKOLAS
MECHANIC
110,192 POSTS
Did you check fuses? Also, have you checked to see if there is power to the driver's side switch?
Was this
answer
helpful?
Yes
No
-2
Tuesday, June 1st, 2010 AT 9:38 PM
GOLDMINER1945
MEMBER
1 POST
No power to door switches. Have checked fuse and relays.
Was this
answer
helpful?
Yes
No
+1
Friday, August 18th, 2017 AT 1:39 PM
KEN L
MASTER CERTIFIED MECHANIC
55,335 POSTS
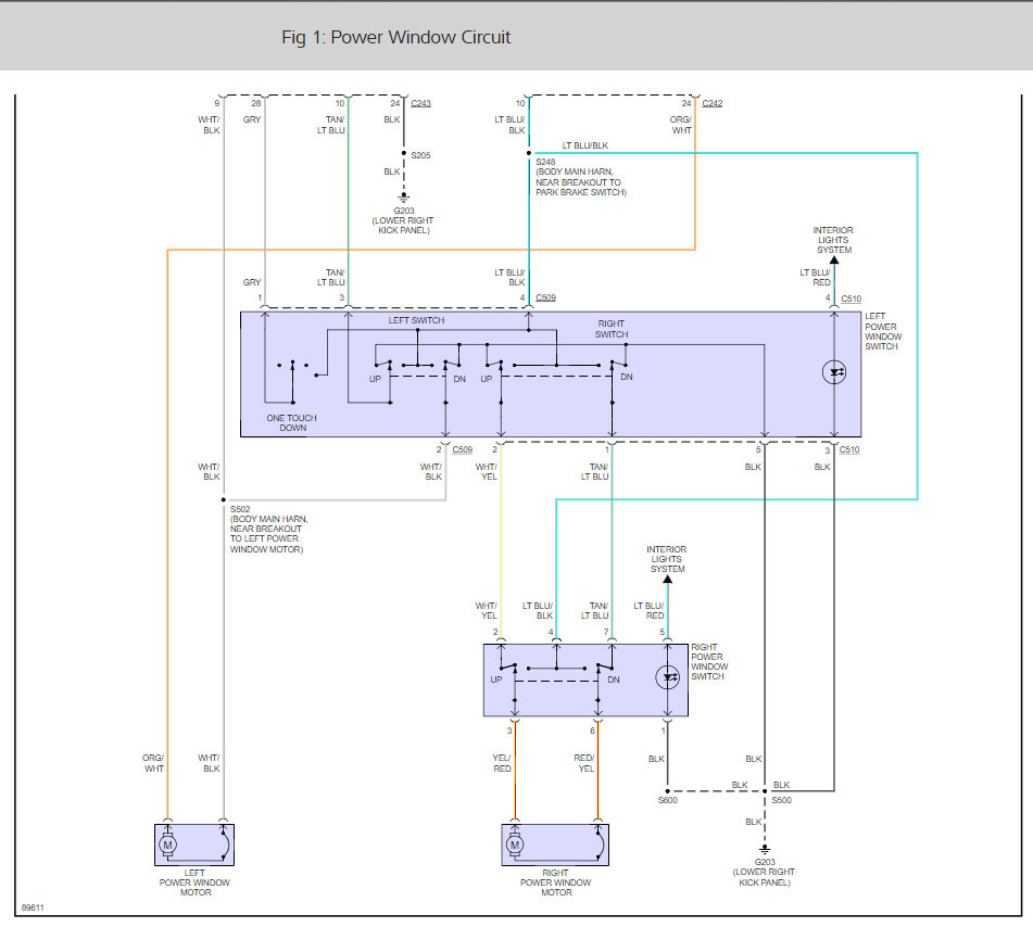
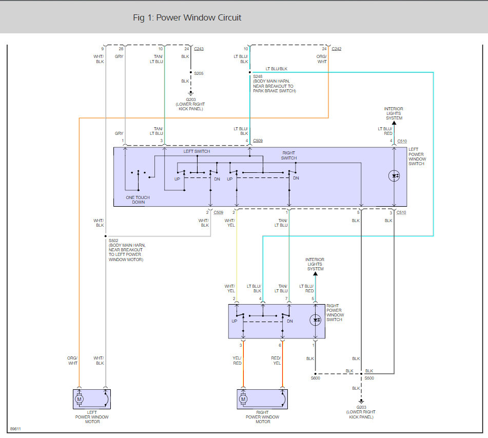
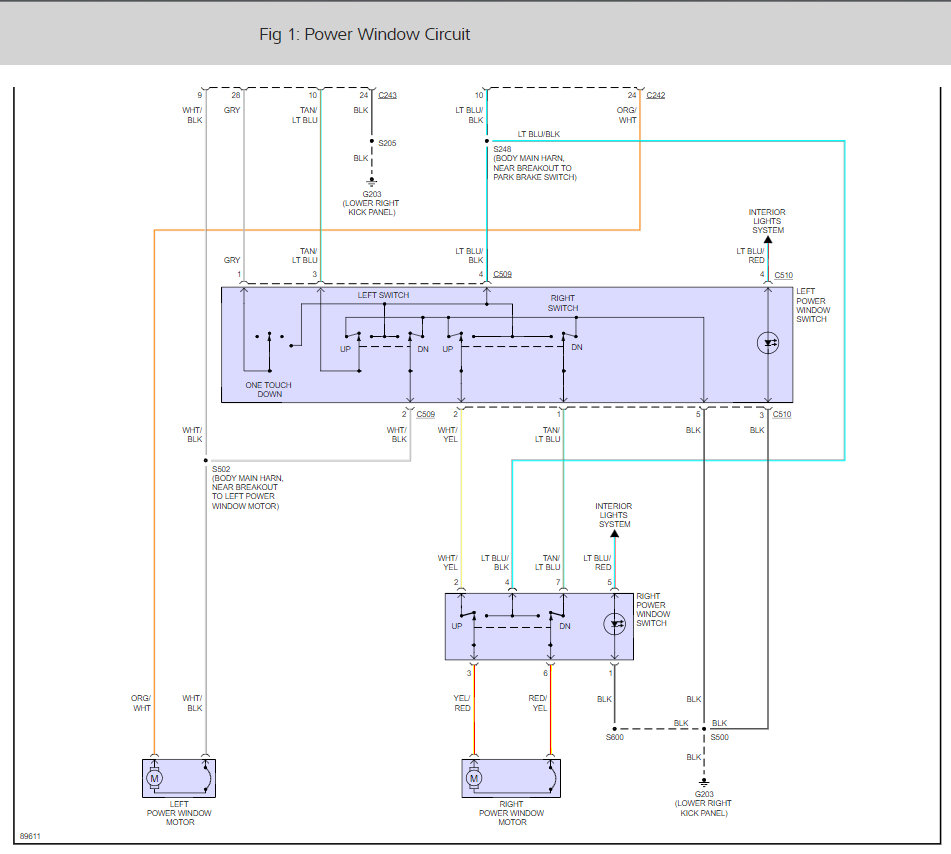
Hello,
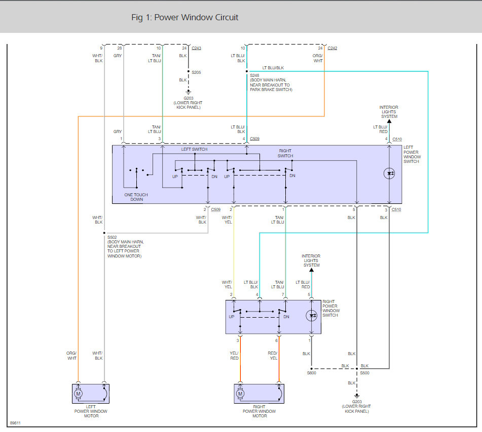
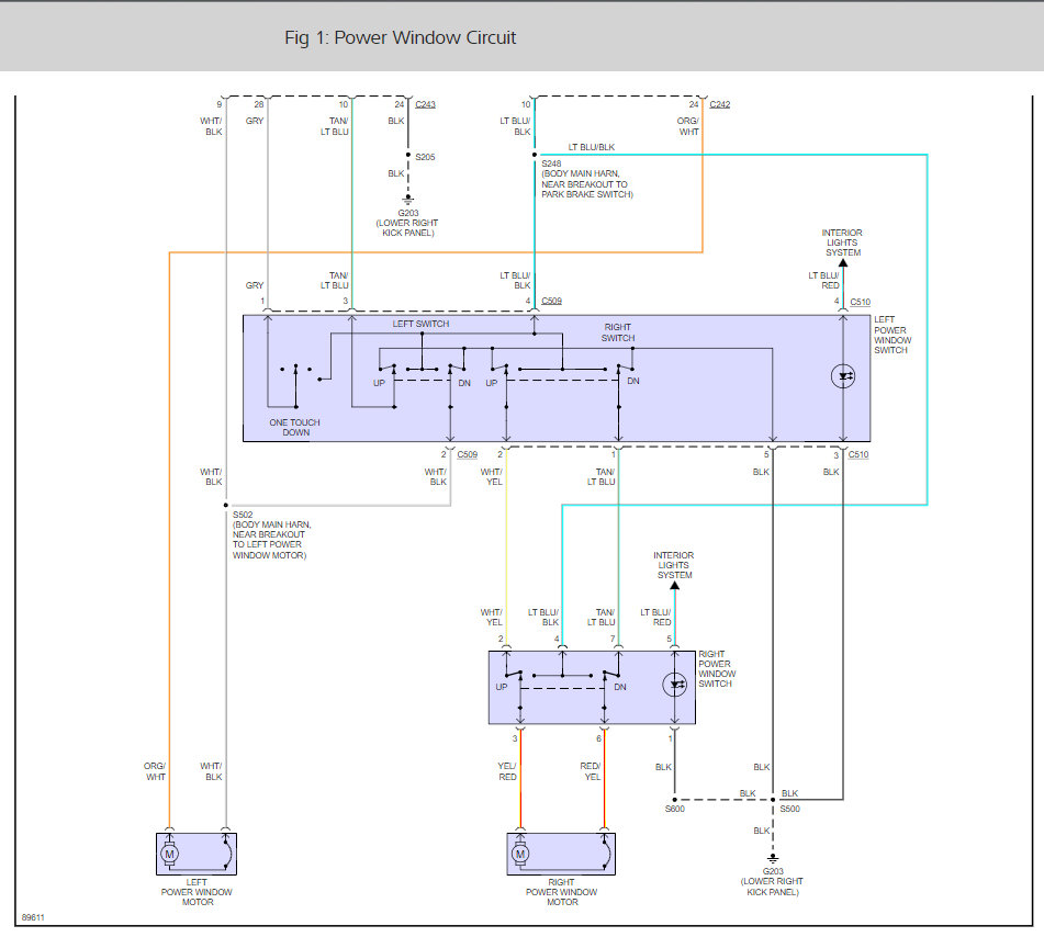
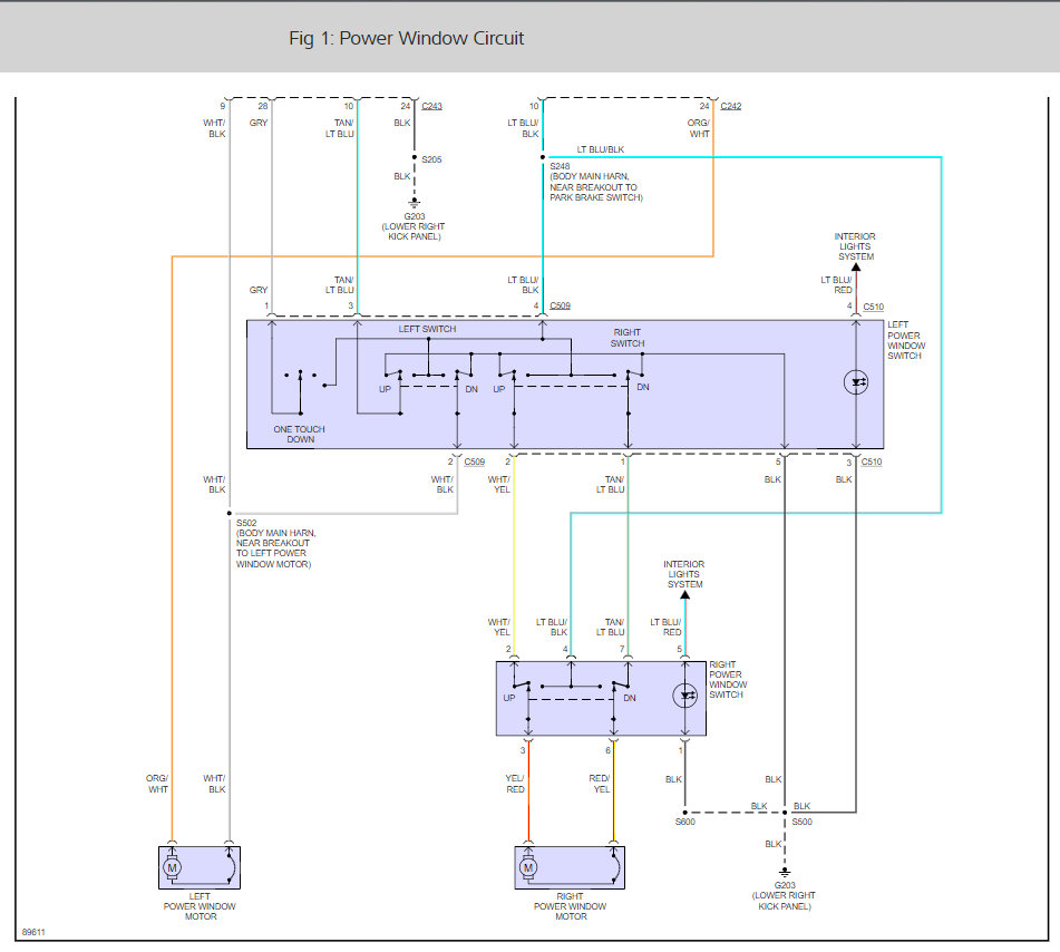
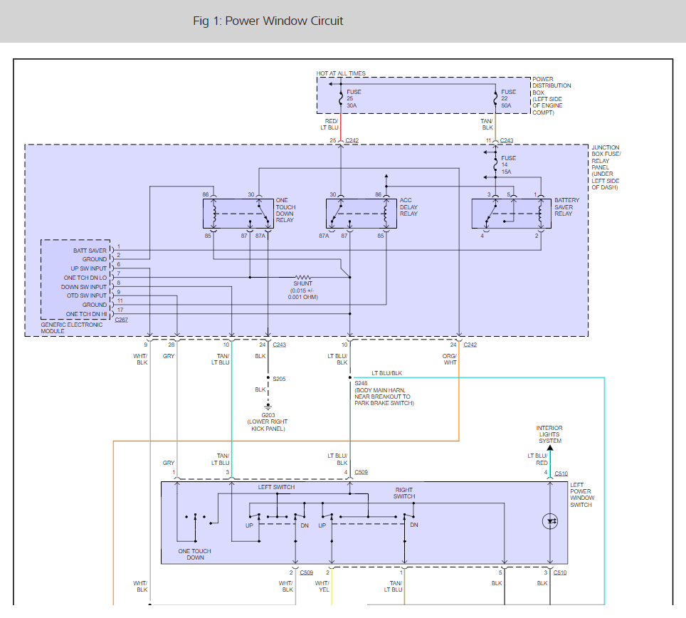
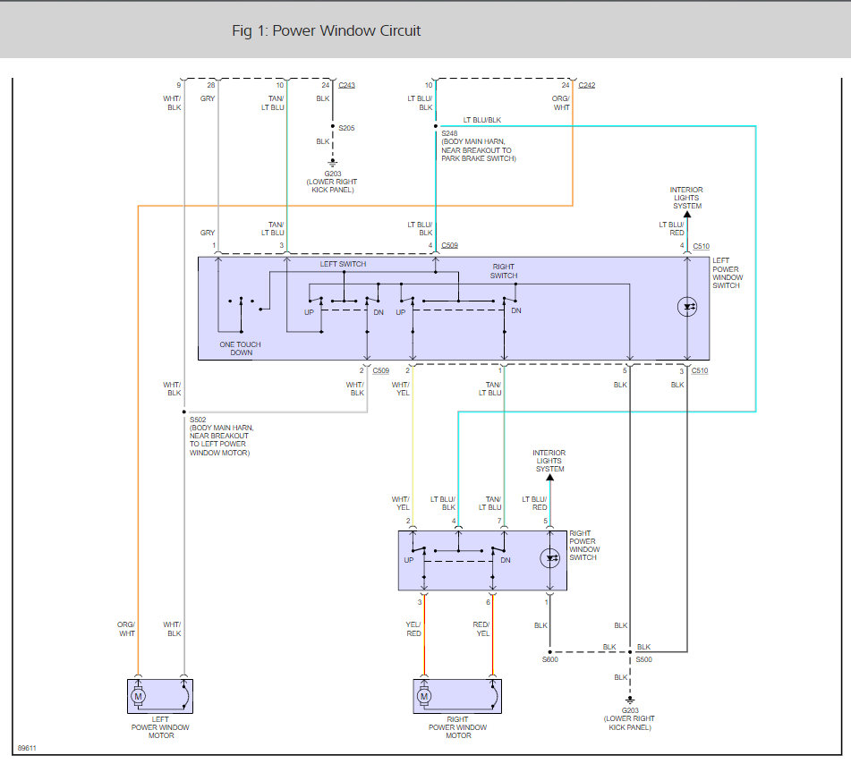
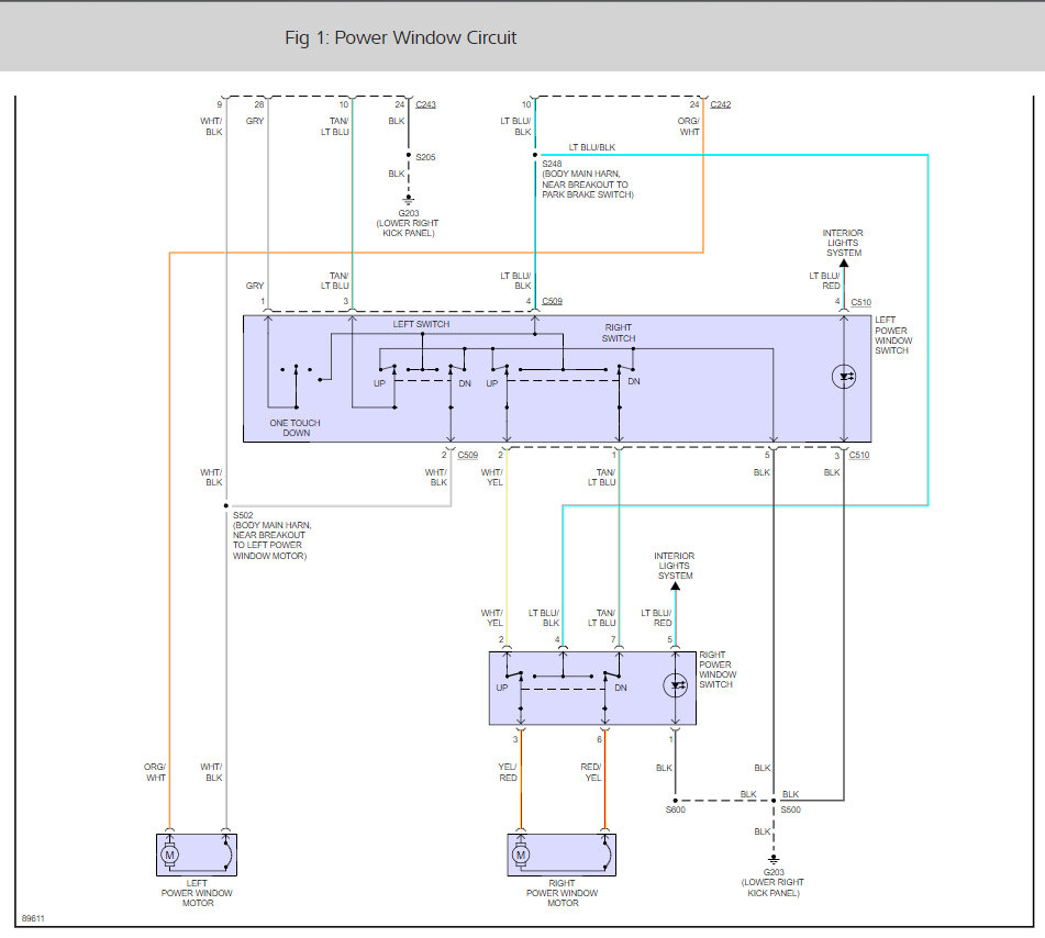
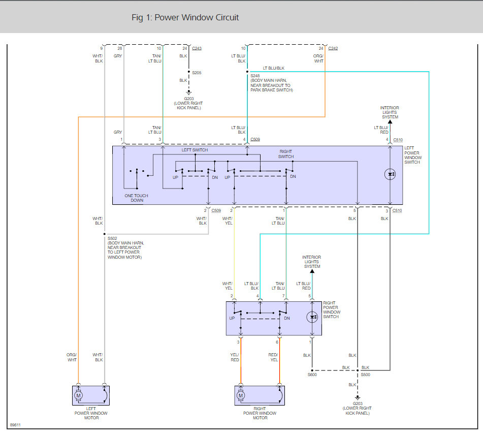
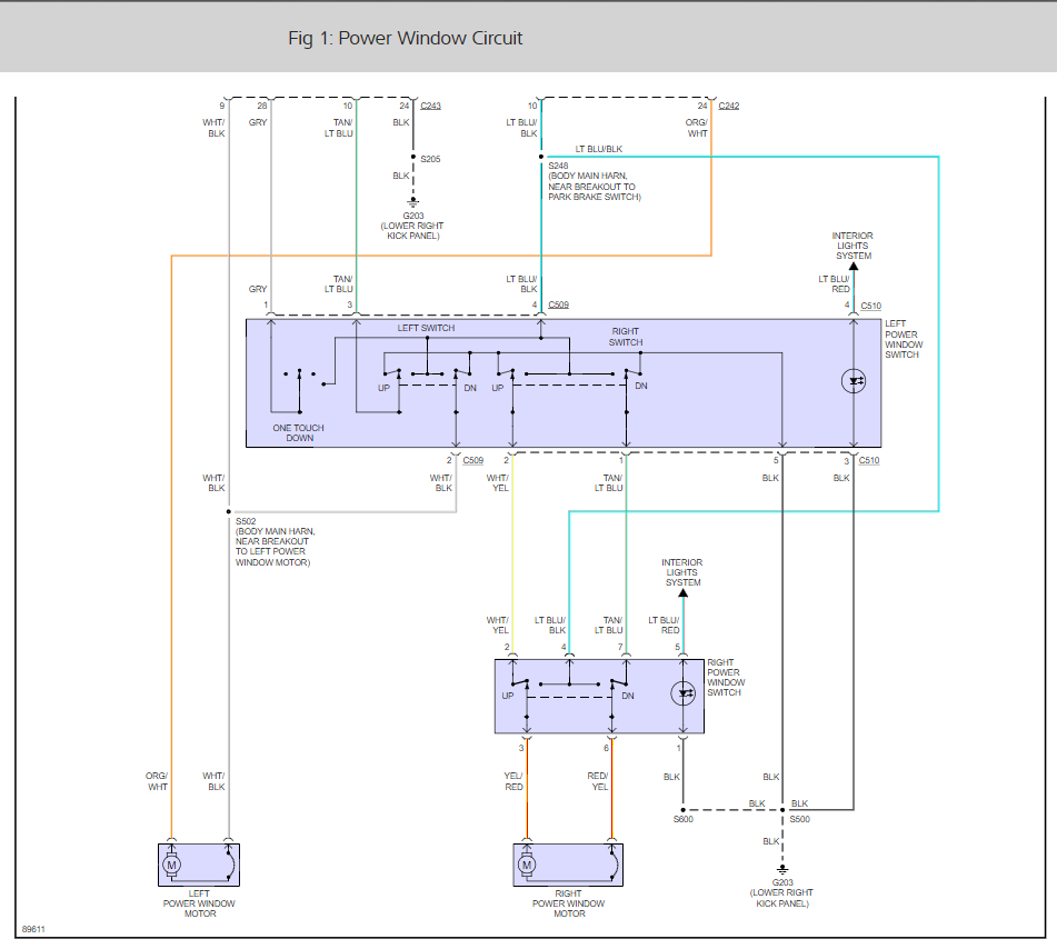
The GEM interrupts the power of the system I would start there here is a wiring diagram (below) and some guides to help you confirm the problem.
https://www.2carpros.com/articles/how-to-use-a-test-light-circuit-tester
Please let us know what happens so it will help others.
Cheers, Ken
Images (Click to make bigger)
Was this
answer
helpful?
Yes
No
Saturday, August 19th, 2017 AT 11:51 AM
Please
login
or
register
to post a reply.
Related Window Not Working Content
It Would Be Nice To Have Working Windows
I Can Hear A Clicking From Relay #4 In The Interior Fuse Panel, However I Do Not See In The Manual A Fuse To Check That Talks About Windows...
Asked by
tcanard
·
1 ANSWER
4 IMAGES
1998
FORD F-150
Window
I Have A 1998 Ford F150. The Drivers Side Window Is Not Working. I Can Hear The Window Motor Running But The Window Will Not Go Up Or Go...
Asked by
Bob3330
·
2 ANSWERS
1998
FORD F-150
1998 Ford F150 Windows\4wheel Indicator
One Day All Was Working Next Day The Electric Windows Wouldn't Work, 4 High Indicator Won't Come On. Front Shaft Locks But Hub Doesn't Lock...
Asked by
woodswalker790
·
1 ANSWER
1998
FORD F-150
1998 Ford F150 Wind Noise Around Door/window
Its Start As Only Alittle Wind Noise Around The Drivers Window But 2 Days Later It Became Much Worse And Now This Noise Is Coming From Both...
Asked by
dawnfreeman
·
1 ANSWER
1998
FORD F-150
Windows Not Working
Drivers Side Window And Two Back Windows Wont Work. The Only One That Works Is The Passenger Side Front. When You Press The Window Button...
Asked by
dale pike
·
73 ANSWERS
13 IMAGES
2011
FORD F-150
VIEW MORE
Ask a Car Question. It's Free!
Window Switch Replacement and Test
Door Panel Removal
Door Lock Replacement