Will not accelerate

Tiny
BRANDONCONSTANT
  • MEMBER
  • 2005 NISSAN ALTIMA
  • 2.5L
  • 4 CYL
  • 2WD
  • AUTOMATIC
  • 184,500 MILES
My car will only idle, I can put it in drive or reverse and will only idle and pushing the accelerator to the floor it will not work it just idles?
Saturday, September 24th, 2016 AT 2:14 AM

38 Replies

Tiny
HMAC300
  • MECHANIC
  • 48,601 POSTS
Hello,

It sounds like the car is in limp mode becasue of a dirty throttle body causes the pedal sensor and throttle actuator to lose correlation. Here is a guide to help fix the problem. It not the transmission right?

https://www.2carpros.com/articles/throttle-actuator-service

Please run down this guide and report back.
Was this
answer
helpful?
Yes
No
+4
Saturday, September 24th, 2016 AT 9:13 AM
Tiny
BRANDONCONSTANT
  • MEMBER
  • 3 POSTS
The transmission is good it is something in the throttle.
Was this
answer
helpful?
Yes
No
+12
Saturday, September 24th, 2016 AT 9:30 AM
Tiny
HMAC300
  • MECHANIC
  • 48,601 POSTS
If it wont do anything but idle in gear and wont accelerate? If that is the case scan for codes and get back with us on the exact number that appears. It may be accelerator pedal sensor or something like that.
Was this
answer
helpful?
Yes
No
+20
Saturday, September 24th, 2016 AT 12:58 PM
Tiny
BRANDONCONSTANT
  • MEMBER
  • 3 POSTS
I ended up servicing the throttle body per the instruction in the guide and I didnt think it would work but it did, Thanks you so much! I love this site.
Was this
answer
helpful?
Yes
No
+10
Saturday, September 24th, 2016 AT 2:55 PM
Tiny
HMAC300
  • MECHANIC
  • 48,601 POSTS
Nice work, we are here to help, please use 2CarPros anytime.
Was this
answer
helpful?
Yes
No
-1
Sunday, September 25th, 2016 AT 7:58 AM
Tiny
JEROME1961
  • MEMBER
  • 1 POST
  • 2005 NISSAN ALTIMA
  • 2.5L
  • 4 CYL
  • 2WD
  • AUTOMATIC
  • 205,000 MILES
My car loses power while driving; the lights go out, but the car does not cut off. After a few minutes it restores and run as good as new. If I put the car in park the rpm's roars up and the car is getting gas, but in drive it acts like its not getting gas. The console light goes out, the brake and battery light comes on while in this state.
Was this
answer
helpful?
Yes
No
+6
Tuesday, January 22nd, 2019 AT 1:24 PM (Merged)
Tiny
HMAC300
  • MECHANIC
  • 48,601 POSTS
We need to start with confirming the fuel pressure is correct. Here is a guide that will help with this.

https://www.2carpros.com/articles/how-to-check-fuel-system-pressure-and-regulator

Plus we need to scan for codes and here is a guide that will help with this.

https://www.2carpros.com/articles/checking-a-service-engine-soon-or-check-engine-light-on-or-flashing

Lastly this could just be a weak battery so let's have that checked as well.

https://www.2carpros.com/articles/car-battery-load-test

Please run through all this info and let us know what you find. Thanks

Was this
answer
helpful?
Yes
No
+1
Tuesday, January 22nd, 2019 AT 1:24 PM (Merged)
Tiny
RENEE L
  • ADMIN
  • 1,260 POSTS
Hi JEROME1961,

If you decide you would like to conduct the scan yourself here is a link to an article that features written step by step instructions and pictures explaining how to do the scan yourself, also I have included a link to our YouTube channel with a how to video on code scanning. Most scanners are inexpensive to purchase, you can purchase one online from sites like Amazon.com.

https://www.2carpros.com/articles/checking-a-service-engine-soon-or-check-engine-light-on-or-flashing

https://youtu.be/YV3TRZwer8k

Once you have the codes please get back to us so that we can further assist you. We are always happy to help.

Thank you for visiting 2CarPros.com.

Kindest regards,

Renee
Admin
Was this
answer
helpful?
Yes
No
+2
Tuesday, January 22nd, 2019 AT 1:24 PM (Merged)
Tiny
BARBQME2
  • MEMBER
  • 5 POSTS
  • NISSAN ALTIMA
I have a 2002 Nissan Altima with the 3.5L engine. It has 75,000 miles. Yesterday it wouldn't start because the battery was dead. I tried charging it but it didn't help. I replaced the battery but now the car will not accelerate when you push on the gas pedal. It idles perfectly and does not throw any error codes when check by an OBDII code reader. If you accelerate within one second after it starts it will surge, idle, surge, idle and then settle into idle. After that nothing happens when you push the accelerator. Does anyone know what is wrong? Is this something I can repair or reset on the car myself? Thanks for your help.
P.S. I may have posted this already. If so, I apologize for double posting it. Thanks once again.
Was this
answer
helpful?
Yes
No
+4
Tuesday, January 22nd, 2019 AT 1:25 PM (Merged)
Tiny
2CARPRO JACK
  • MECHANIC
  • 11,533 POSTS
Hello,

Is sounds like you blew one of the fuses when connecting the new battery due to a voltage surge. Lets start by checking all fuses.

https://www.2carpros.com/articles/how-to-check-a-car-fuse

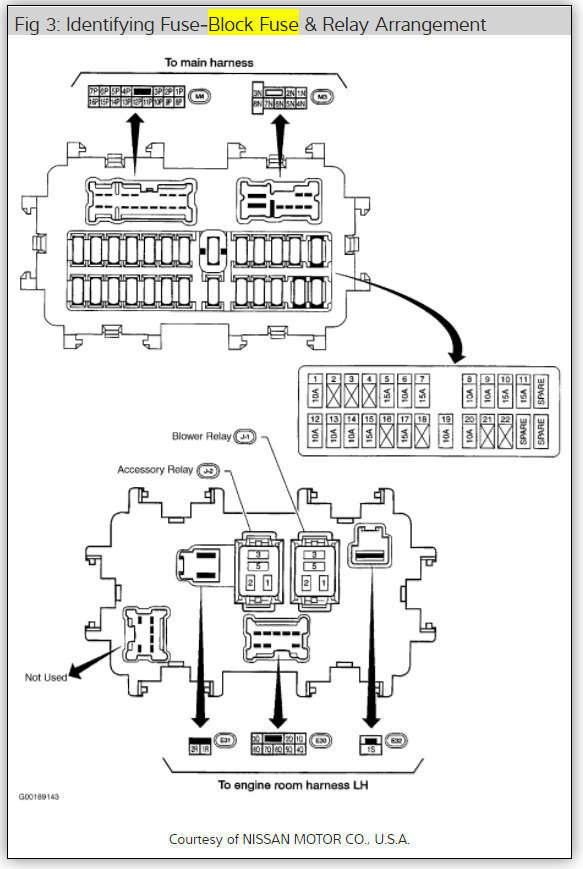
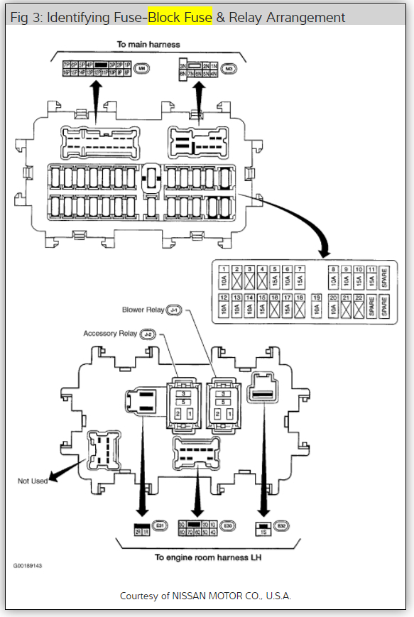
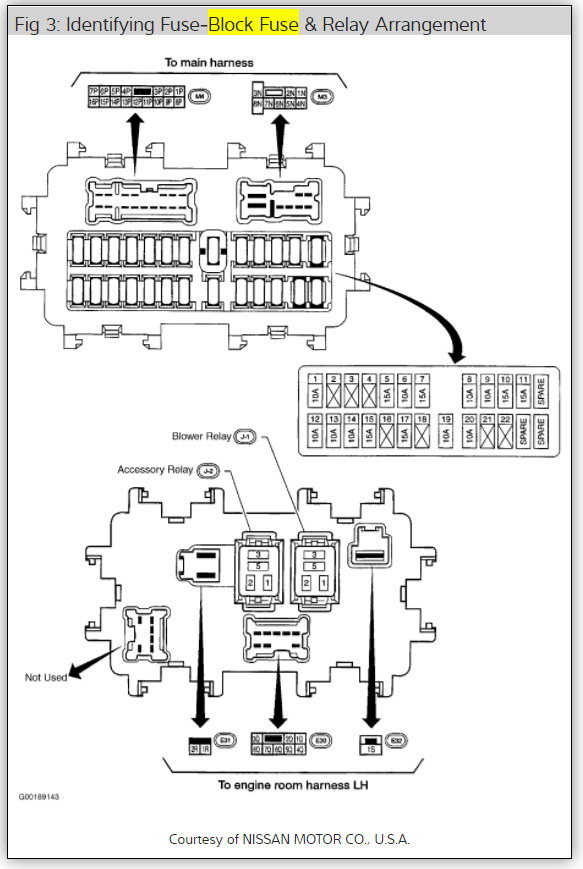
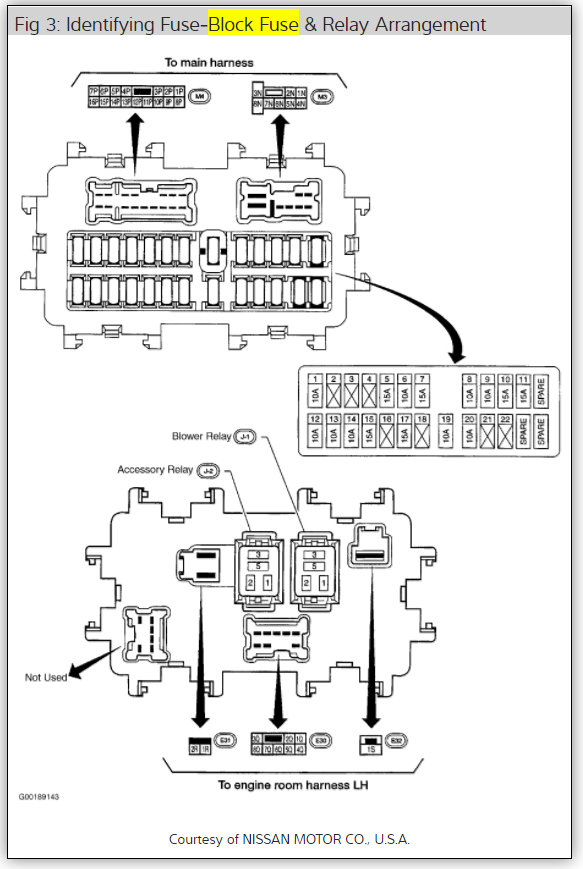
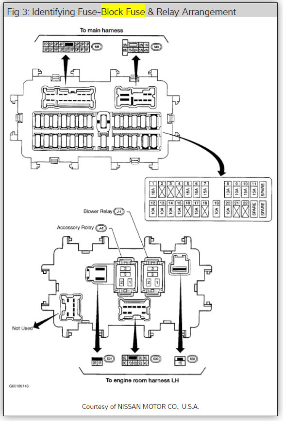
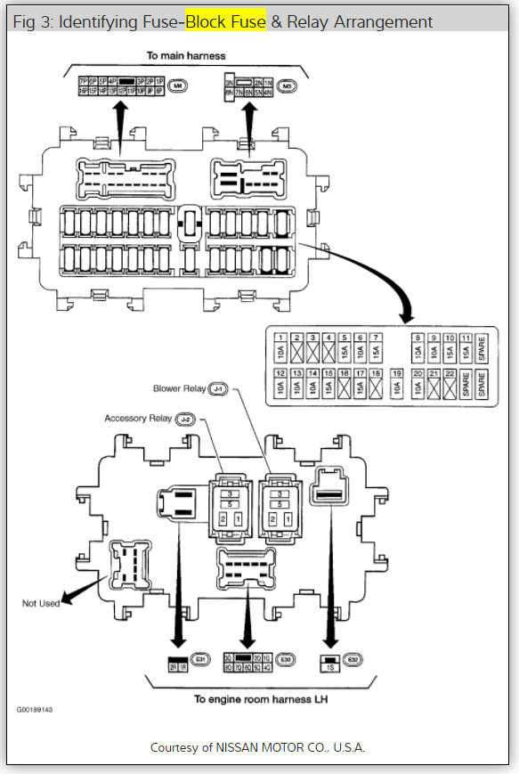
Here are the engine wiring diagrams so you can see how the system works and which fuses to check with the fuse panels location and identification.

Check out the diagrams (Below)

Please let us know what happens.

Cheers
Was this
answer
helpful?
Yes
No
-1
Tuesday, January 22nd, 2019 AT 1:25 PM (Merged)
Tiny
BARBQME2
  • MEMBER
  • 5 POSTS
Thanks, Jack.
All the fuses are okay so I let it set overnight. When I started it this morning the accelerator worked like it is supposed to. I drove it and at first it surged but then it settled down and drove correctly. I drove it about 5 miles with no problems. For no reason that I could see it started acting up again. It would surge and then nothing would happen. While it was surging the car would move. When it wouldn't the car would coast. When I checked it with a code reader it gave me a P0733 code. I know what the code means but don't know what causes it. Could this be caused by a failing fuel pump, stopped filter, or is this electronic? Do you know what the next diagnostic step is? Thanks.
Was this
answer
helpful?
Yes
No
Tuesday, January 22nd, 2019 AT 1:25 PM (Merged)
Tiny
2CARPRO JACK
  • MECHANIC
  • 11,533 POSTS
Try clearing that code and see if it comes back, It is- A/T 3rd gear function. When you said before that the car would coast, do you mean like it was in neutral? This could be related to the trans code
Was this
answer
helpful?
Yes
No
-2
Tuesday, January 22nd, 2019 AT 1:25 PM (Merged)
Tiny
BARBQME2
  • MEMBER
  • 5 POSTS
I cleared the error code but it came back. When I said "coast" I meant as if you had taken your foot off the gas pedal or had put the car in neutral. When this happens it's as if the accelerator pedal is not connected to anything. The car idles perfectly but nothing happens when you push on the accelerator. After a period of time (5-10 seconds) the car will accelerate when you push the gas pedal, but only for about one or two seconds. Then it is like the gas pedal is not connected to anything again. I assumed this code was set because of the fuel injection making the transmission do something unusual. Would a transmission problem cause the car to do this? It doesn't act like it is slipping or causing any problems. Thanks for helping me with this problem.
Was this
answer
helpful?
Yes
No
+2
Tuesday, January 22nd, 2019 AT 1:25 PM (Merged)
Tiny
2CARPRO JACK
  • MECHANIC
  • 11,533 POSTS
This is starting to sound like the throttle actuator is going bad. Have you had it replaced?
Was this
answer
helpful?
Yes
No
-1
Tuesday, January 22nd, 2019 AT 1:25 PM (Merged)
Tiny
BARBQME2
  • MEMBER
  • 5 POSTS
That's a very good question. I don't know. I will have to look.
Something happened last night that may make the parts of this puzzle clearer. I put a new battery in the car over the weekend. Yesterday evening I tried to start the car but the battery was completely dead, drained to 3.78 volts! The top of the battery was covered in battery acid. This car has only been driven approximately 10 miles or less since the battery was installed. Am I correct in assuming that not only is something in the car powerfully draining the battery but that it is also being way overcharged? Would the most likely culprit be the alternator/voltage regularor malfunctioning? In the good old days alternators had diodes in them to keep charging voltage flowing in one direction. When these failed the alternator could drain the battery. Is this still the case in this car's alternator? Is the voltage regulator built into the alternator? Could this somehow be causing the surging problems this car is having? BS
Was this
answer
helpful?
Yes
No
Tuesday, January 22nd, 2019 AT 1:25 PM (Merged)
Tiny
2CARPRO JACK
  • MECHANIC
  • 11,533 POSTS
Could very well be the alt. If the comp doesnt have theproper system voltage it will freak out and do some very strange things. If it will start, put a meter on the battery to see if the alt is charging, check for corrosion in the cables, could be a bad connection to the main power center
Was this
answer
helpful?
Yes
No
-1
Tuesday, January 22nd, 2019 AT 1:25 PM (Merged)
Tiny
BARBQME2
  • MEMBER
  • 5 POSTS
The alternator is charging. When the old battery was connected to it it was charging at something like 17.6 volts. I assumed it was because the battery wasn't holding a charge. With the new voltage the battery was charging at over 14 volts. I did not check it at higher rpms than idle. It is very possible that voltage higher than normal was being read by the computer. Ironically, the car passed the emissions test the day before this happened, so I have a pretty good idea about the time when it was okay and when it failed. It seems that something failed catastrophically, not gradually. Unfortunately I took the car into the shop to have it looked at and $357.00 they installed a new throttle actuator and cleaned the battery cable ends all fixed. I wish I did it myself.
Was this
answer
helpful?
Yes
No
Tuesday, January 22nd, 2019 AT 1:25 PM (Merged)
Tiny
KIN CHAN
  • MEMBER
  • 453 POSTS
I had the same problem and found a used throttle actuator for $45.00 plugged it on and all set, thanks for the post. Helped me.
Was this
answer
helpful?
Yes
No
Tuesday, January 22nd, 2019 AT 1:25 PM (Merged)
Tiny
DAMAIOSHIN
  • MEMBER
  • 5 POSTS
  • NISSAN ALTIMA
Recently, my 1998 Nissan Altima GLE has been running poorer than i'd like, and it isnt a gradual change, it seemed to happen after I changed the spark plugs.

It has 120,000 miles and never has had a problem before.

I am having significant power loss, esp. On the highway. Where normally it runs around 2.5k RPMs at 70mph, it now run at 3k. Not to mention accelerating to merge onto the interstate often redlines it.

My service engine light is not on, so I have nothing to go off of there. I did an oil change, sparkplug and sparkplug wire replacement. I also replaced the top O2 sensor but could not get the bottom, I did this mainly as preventive maintenance as my care has over 100k miles and never had them changed. Nothing seemed to help the problem.

Any suggestions would greatly help, I drive over 1000 miles every 2 weeks on long interstate stretches and cant afford to pay the gas while running at high RPMs like that.

Thank you very much to anyone who can help me.
Was this
answer
helpful?
Yes
No
Tuesday, January 22nd, 2019 AT 1:26 PM (Merged)
Tiny
2CARPRO JACK
  • MECHANIC
  • 11,533 POSTS
First look real close to see if you knocked off any vacuum lines or anything else like that. What kind of plugs and wires did you use? Does it idle smooth? Did you check the gap on the plugs before you installed them?
Was this
answer
helpful?
Yes
No
Tuesday, January 22nd, 2019 AT 1:26 PM (Merged)

Please login or register to post a reply.