That shouldn't prevent if from starting. It will, however, cause issues with fuel usage and how the vehicle runs.
As far as the no start, here is a link that covers the most common causes of a crank no start condition. First, take a look through it to see if it is helpful.
https://www.2carpros.com/articles/car-cranks-but-wont-start
Wwe
If nothing there is helpful, the next thing you need to do is check if it is getting spark and fuel to the engine. Here are two links showing in general how that is done:
https://www.2carpros.com/articles/how-to-check-fuel-system-pressure-and-regulator
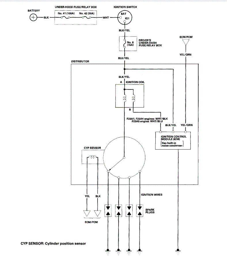
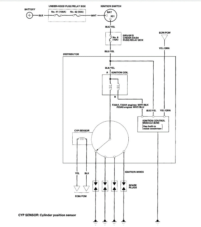
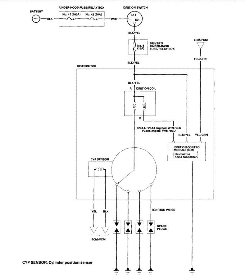
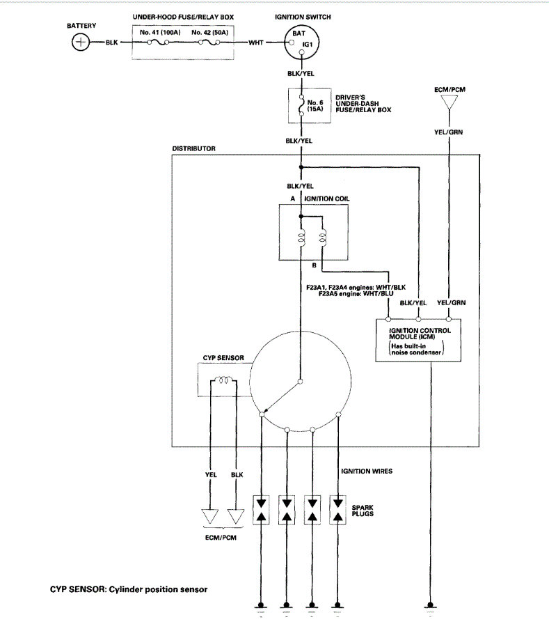
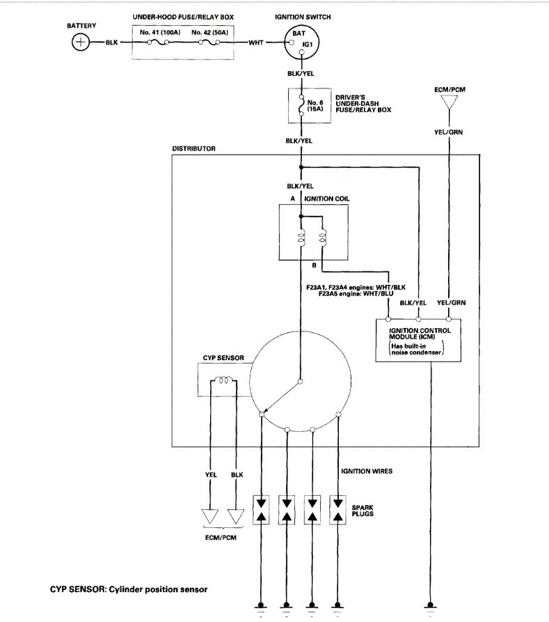
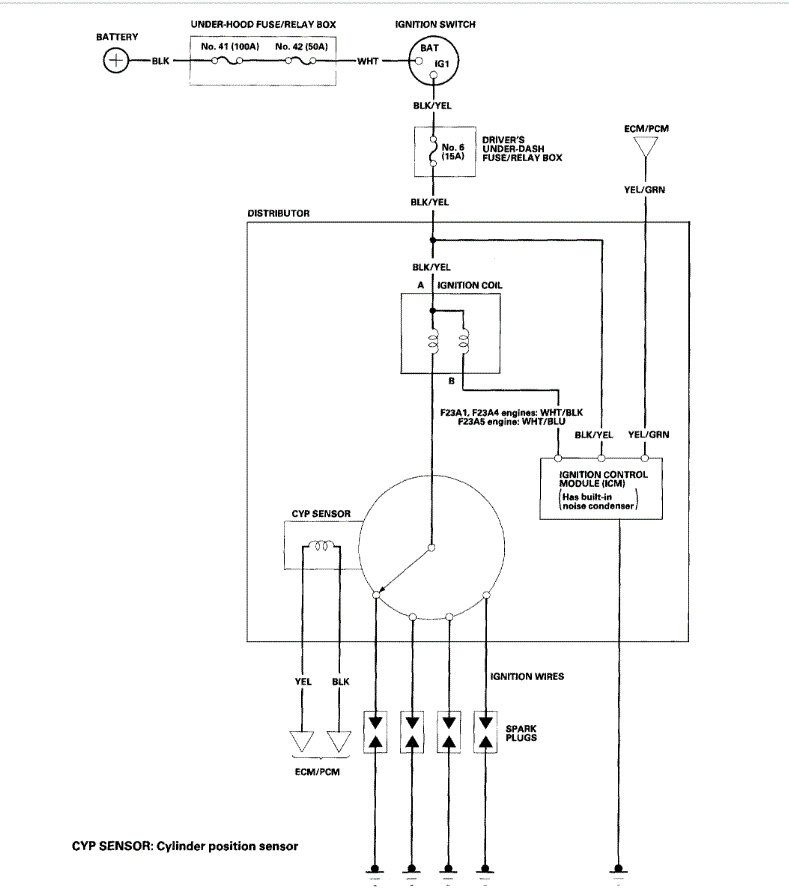
https://www.2carpros.com/articles/how-to-test-an-ignition-system
What I do often times is just see if it will start for a couple seconds using starting fluid. If it starts and then stalls, that indicates a fuel related issue.
Now, if you have both spark and fuel, there could be an issue with timing or compression. We will cross that bridge once the above tests have been made.
Please feel free to let me know if you have questions or need help.
Take care,
Joe
Was this helpful?
Yes
No
Monday, September 28th, 2020 AT 5:04 PM
(Merged)





