Starter not working correctly?

Tiny
JEFF KAARTUNEN
  • MEMBER
  • 1999 CHEVROLET SUBURBAN
  • 5.7L
  • 230,000 MILES
While driving my starter started to act up and engage and in the process decided to short out.

So I disconnected the battery I replace the starter. Now with the key not in the ignition when I reconnect the negative cable the starter engages and wants to start the engine.

Is this problem something with the starter switch being bad or is it actually the key cylinder. Or is it something totally different.

Frustrated and confused since this is the only vehicle we have and I've been down for a week already just had surgery and need to get two appointments plus get people to work.
Saturday, June 15th, 2019 AT 6:58 AM

30 Replies

Tiny
JACOBANDNICKOLAS
  • MECHANIC
  • 110,194 POSTS
Welcome to 2CarPros.

You have a short to power at some point. When you say the starter shorted, can you explain what happened? Also, have you checked to see if the starter relay is fried? Try this, remove the starter relay and see if the starter engages when you connect that battery. At least that will help narrow down possible wiring issues.

If you look at the pics below, pic 1 shows the starter relay location. It is number 12 in the pic and I circled it (under hood). Remove that and see what happens. If the starter doesn't engage, switch that relay with one that is known good. Don't put the possibly bad one in any other place. First, see if the starter engages with a different relay. Here is a link that explains how to test a relay if you want to check it:

https://www.2carpros.com/articles/how-to-check-an-electrical-relay-and-wiring-control-circuit

Here are a few links that explain how to use basic testing equipment when checking the relay:

https://www.2carpros.com/articles/how-to-use-a-test-light-circuit-tester

https://www.2carpros.com/articles/how-to-use-a-voltmeter

https://www.2carpros.com/articles/how-to-check-wiring

_______________________________________

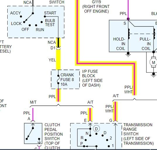
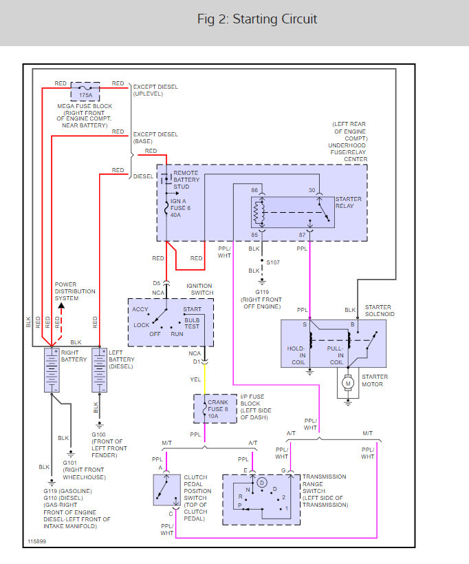
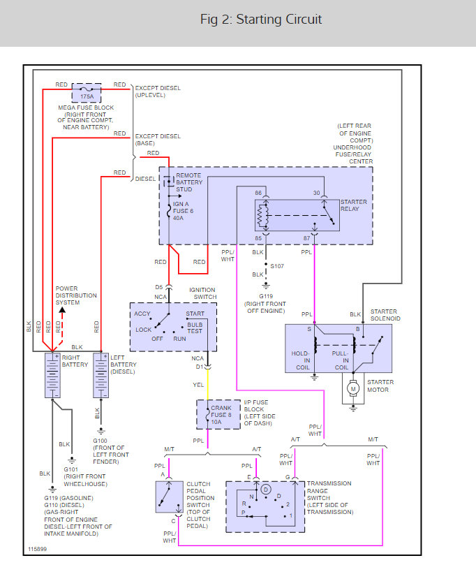
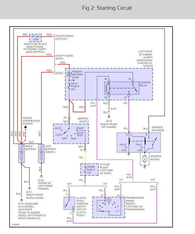
Pictures 2 and 3 are of the starting system. In picture 2, I high lighted the wires from the ignition switch so you could see how power travels to the starter. It is only a partial picture. In picture 3, you see the relay and then a purple wire going to the starter. That is the smaller wire on the starter. That specific wire should only get power when the key is in the start position and no other time. In this case, it is getting it all the time; thus, the starter wants to stay engaged. By removing the relay and checking it, we first determine if the relay is bad. Also, it will tell me if the problem is before or after the relay. For example, with the relay removed the starter still engaged. To me, that indicates there is a short to power at some point either where the relay plugs in or that purple wire is shorted to power. Are you certain that the main wire between the battery and starter (the larger one) and the purple wire (smaller one) are not crossing at any point and both are clearly separated at the starter? Make sure of that because I've seen it happen before where they are actually touching.

Take a look at the schematics I attached and I'm sorry for the sad looking arrow I drew. Still not too good at drawing on a computer. LOL

Let me know what you find.

Joe

Was this
answer
helpful?
Yes
No
Sunday, June 16th, 2019 AT 9:38 PM
Tiny
JEFF KAARTUNEN
  • MEMBER
  • 16 POSTS
Yea, lol. All Greek to me. Okay, so the starter engaged while I was driving. And when I pulled over popped the hood went to get my tools from the back to disconnect the battery. The starter fried and was smoking and the engine shut off. That's what happened.

As for steps. I have replaced the starter and the relay. I still have the issue of the truck wanting to start without having the ignition turned on. And with the relay removed. So far my next step is replacing the key-lock cylinder.

As for the stuff you have posted I do not have any of that equipment to test with.
Was this
answer
helpful?
Yes
No
Monday, June 17th, 2019 AT 6:54 AM
Tiny
JACOBANDNICKOLAS
  • MECHANIC
  • 110,194 POSTS
Hi Jeff:

So the starter still engages when you have the relay removed? If that is the case, then the problem is between the relay and the smaller wire to the starter. Can you inspect that and let me know if you see anything touching, worn, or anything out of the ordinary?

I'll try to help you through this. Hang in there.

Joe
Was this
answer
helpful?
Yes
No
Monday, June 17th, 2019 AT 1:24 PM
Tiny
JEFF KAARTUNEN
  • MEMBER
  • 16 POSTS
Okay, I will check and trace the wire back as far as I can. Will keep you unformed.
Was this
answer
helpful?
Yes
No
Monday, June 17th, 2019 AT 2:47 PM
Tiny
JACOBANDNICKOLAS
  • MECHANIC
  • 110,194 POSTS
Welcome back:

Make sure nothing is touching at the starter (where the two terminals are located).

I will watch for your reply.

Joe
Was this
answer
helpful?
Yes
No
Tuesday, June 18th, 2019 AT 6:28 PM
Tiny
JEFF KAARTUNEN
  • MEMBER
  • 16 POSTS
Okay, so lol. I traced the wire which is a purple one from the starter up the back fire wall. Over the transmission up the block. To the junction of wires. Back across the engine. Under the master cylinder back up to the relay fuse box. Did not notice any thing. All is good. No breaks I can see. Or burns. And it is a larger wire not too small. I'll actually try to take some photos so you can see what I have been doing.
Was this
answer
helpful?
Yes
No
+1
Wednesday, June 19th, 2019 AT 10:20 AM
Tiny
JACOBANDNICKOLAS
  • MECHANIC
  • 110,194 POSTS
Jeff:

If you can, the pictures may help. Also, I need you to check where the starter relay pushes in. Make sure nothing has melted in there allowing for a short.

Joe
Was this
answer
helpful?
Yes
No
Wednesday, June 19th, 2019 AT 7:44 PM
Tiny
JEFF KAARTUNEN
  • MEMBER
  • 16 POSTS
Will do. More work in the morning. Too windy and almost had the hood close with me laying across the engine.
Was this
answer
helpful?
Yes
No
Wednesday, June 19th, 2019 AT 9:10 PM
Tiny
JACOBANDNICKOLAS
  • MECHANIC
  • 110,194 POSTS
Wow! That wouldn't feel good. Let me know what you find or if you have other questions.

Take care,
Joe
Was this
answer
helpful?
Yes
No
Wednesday, June 19th, 2019 AT 11:05 PM
Tiny
JEFF KAARTUNEN
  • MEMBER
  • 16 POSTS
Okay, I have traced the wire I'm getting the power out of that's going to the starter I still have a positive feedback on the wire at the source for the starter. I have feedback on the top of the engine and I have feedback at the relay fuse box. Went and pulled the relay fuse check the four pegs three out of the four pegs light up one does not. I'm including a photo showing the three that do and the one that does not.
Was this
answer
helpful?
Yes
No
+1
Saturday, June 22nd, 2019 AT 12:05 PM
Tiny
JACOBANDNICKOLAS
  • MECHANIC
  • 110,194 POSTS
Welcome to 2CarPros.

There should only be one that is hot all the time. Two others become hot when the key is in the start position. The one that doesn't have power is most likely the ground. I attached a picture and numbered each pin. Number 1 should only get power when the key is in the start position and the vehicle is in park or neutral. Picture 2 should have power. Pin 3 should only get power when in the start position and pin 4 is ground.

What does all of this mean? Basically it's my belief that there is a short between the switch and the relay. Now, just for the heck of it, see if the starter engages if the transmission is in drive. If you look at the second picture, it shows power comes from the switch to the transmission range sensor, and then to the relay (number 1 in my first picture),

If it does still crank in gear, either the range sensor has failed or the short is between the sensor and the relay.

I realize this is a pain. Chasing electrical problems always is. However, you look like a pro with the test light. Hang in there. We'll find it.

Wait a minute. Did it still engage with the relay out? If it did, then the short has to be between numbers 1 and 3 in picture 1. Take a look at picture 3.

Let me know.

Joe
Was this
answer
helpful?
Yes
No
Saturday, June 22nd, 2019 AT 10:54 PM
Tiny
JEFF KAARTUNEN
  • MEMBER
  • 16 POSTS
With key not in the ignition and relay out of slot. I connect the ground to the battery. It wants to start.
Was this
answer
helpful?
Yes
No
Sunday, June 23rd, 2019 AT 1:56 PM
Tiny
JACOBANDNICKOLAS
  • MECHANIC
  • 110,194 POSTS
Welcome back:

Okay, then most likely there is a short between the two pins I mentioned. You may have to loosen the fuse box and inspect under it.

Joe
Was this
answer
helpful?
Yes
No
Sunday, June 23rd, 2019 AT 7:40 PM
Tiny
JEFF KAARTUNEN
  • MEMBER
  • 16 POSTS
Will do. Just need to figure how to open it.
Was this
answer
helpful?
Yes
No
Sunday, June 23rd, 2019 AT 10:25 PM
Tiny
JEFF KAARTUNEN
  • MEMBER
  • 16 POSTS
Okay, what am I looking for, etc, etc.
Was this
answer
helpful?
Yes
No
Monday, June 24th, 2019 AT 1:21 PM
Tiny
JACOBANDNICKOLAS
  • MECHANIC
  • 110,194 POSTS
Welcome back, Jeff.

Check for skinned insulation, damaged connectors (melted) anything that can transfer power to a point where it isn't needed. Check the box itself under it for evidence of something getting extremely hot, which could melt the plastic and allow power to cross. Follow the wires to the relay as far back as you can to confirm things are good.

At this point, I am going to also ask the site owner for his input. He is excellent with wiring, so you may see another person jump in with us.

Joe
Was this
answer
helpful?
Yes
No
Monday, June 24th, 2019 AT 6:11 PM
Tiny
JEFF KAARTUNEN
  • MEMBER
  • 16 POSTS
Okay Joe. Appreciate you and you're help in this. I'm trying not to junk the rig because have no other option in getting another.

Jeff.
Was this
answer
helpful?
Yes
No
Monday, June 24th, 2019 AT 7:37 PM
Tiny
JACOBANDNICKOLAS
  • MECHANIC
  • 110,194 POSTS
Hang in there Jeff. We will get it figured out somehow. Jeff, you are certain there is power all the time to the S terminal on the start (the smaller wire) correct?

Let me know.

Joe
Was this
answer
helpful?
Yes
No
Monday, June 24th, 2019 AT 8:53 PM
Tiny
JEFF KAARTUNEN
  • MEMBER
  • 16 POSTS
Yes, only time it dose not is when the positive is disconnected. Even with no key in the ignition and turned off. Also with no relay.

I have negative disconnect from batteries. Positive connected. Have power running through. Only reason I keep negative off the battery because it wants to run the starter. With no key. And doesn't matter if relays are in or out.

A mystery the scooby gang can't solve. Lol

(Lol)
Was this
answer
helpful?
Yes
No
Monday, June 24th, 2019 AT 11:07 PM
Tiny
KEN L
  • MASTER CERTIFIED MECHANIC
  • 55,512 POSTS
Hello,

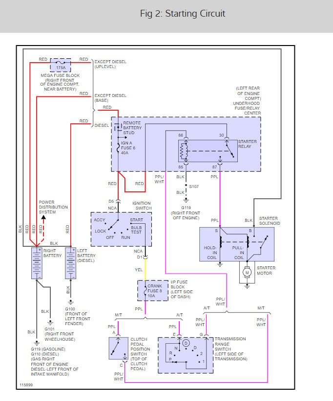
If I can jump in here. So lets confirm you have power at the purple wire with the relay out and the key off? Here is the entire wiring diagrams and you can see there is no way for the purple wire to have power without the relay unless you have a shorted wire to the purple feed wire, in which case I would run a new wire or find the short in the harness.
Was this
answer
helpful?
Yes
No
+1
Tuesday, June 25th, 2019 AT 11:35 AM

Please login or register to post a reply.