Friday, July 10th, 2015 AT 6:14 PM
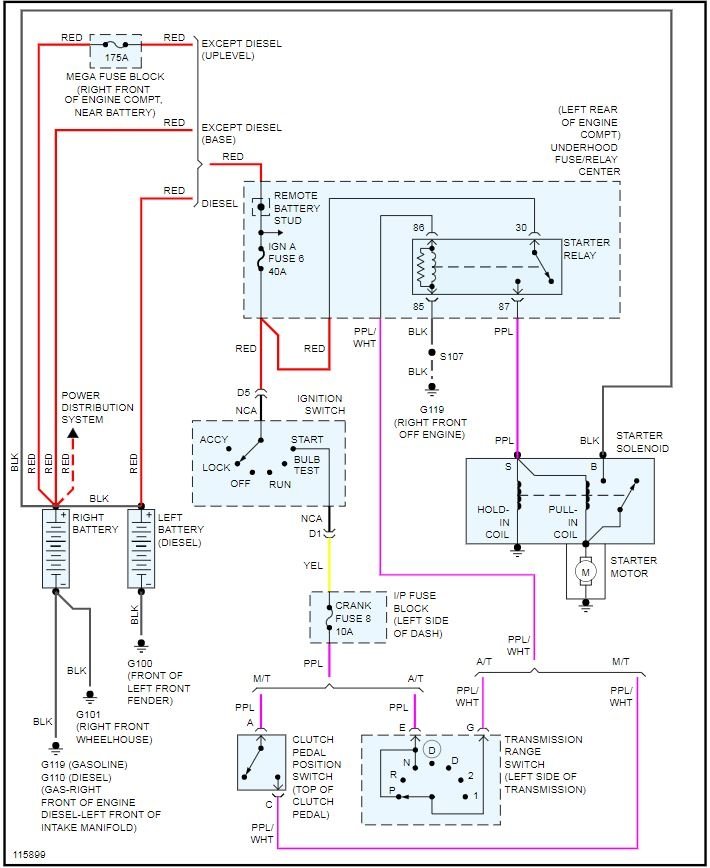
Everything turns on, but starter will not engage. NOTHING. Battery new, replaced ignition switch and wiring, replaced starter and solenoid, Everyone seems at a loss to figure out why. Kicker, only does it sometimes. Then will sit for hours and bingo, starts. Except this last time, been dead for two days. Any ideas where wiring could be broken? Would running two wires to starter solenoid for push button start bypass problem?



