Engine shut off while driving and will not restart

Tiny
TERRY PRATT
  • MEMBER
  • 2001 DODGE RAM
  • 5.2L
  • V8
  • 2WD
  • AUTOMATIC
  • 200,000 MILES
When I was driving on the freeway earlier tonight everything was going good and when I had gotten through a construction site I had pushed the resume button to regain my speed back and it did then all of a sudden it just shut off on me. So I pulled over checked my fluids and fuses and had to add some oil not a big deal and I replaced a blown fuse and then tried to restart my tuck up and it will not start up now. And I have no clue what to do about it. And it is my only way of transportation to and from work and anything else I may need to go do. I had bought it from a used car dealer and it is paid off. It don't have some other issues with it but it is not causing me that much much of a problem.
Needing some advice on what could be the issue with it so I don't lose my job.
Friday, September 18th, 2020 AT 8:53 PM

8 Replies

Tiny
ASEMASTER6371
  • MECHANIC
  • 52,796 POSTS
Good morning,

Can you hear the fuel pump run with the key on?

https://www.2carpros.com/articles/engine-stalls

https://www.2carpros.com/articles/car-cranks-but-wont-start

https://www.2carpros.com/articles/how-to-check-fuel-system-pressure-and-regulator

Can you check for spark to see if it has any spark to the plugs?

https://www.2carpros.com/articles/how-to-test-an-ignition-system

Roy
Was this
answer
helpful?
Yes
No
Sunday, September 20th, 2020 AT 2:49 AM
Tiny
JACOBANDNICKOLAS
  • MECHANIC
  • 110,192 POSTS
Hi Terry,

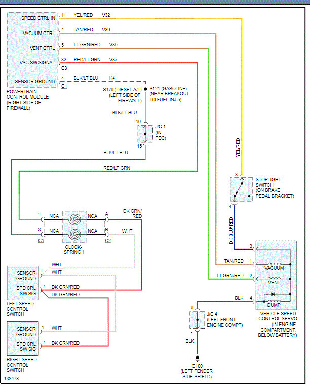
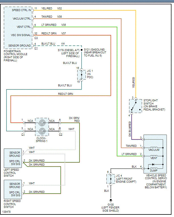
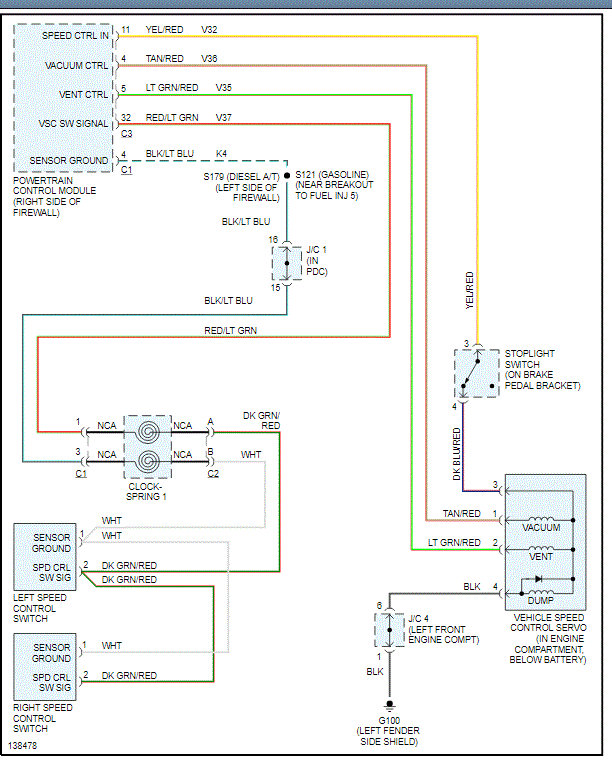
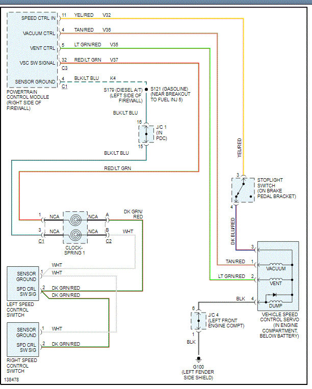
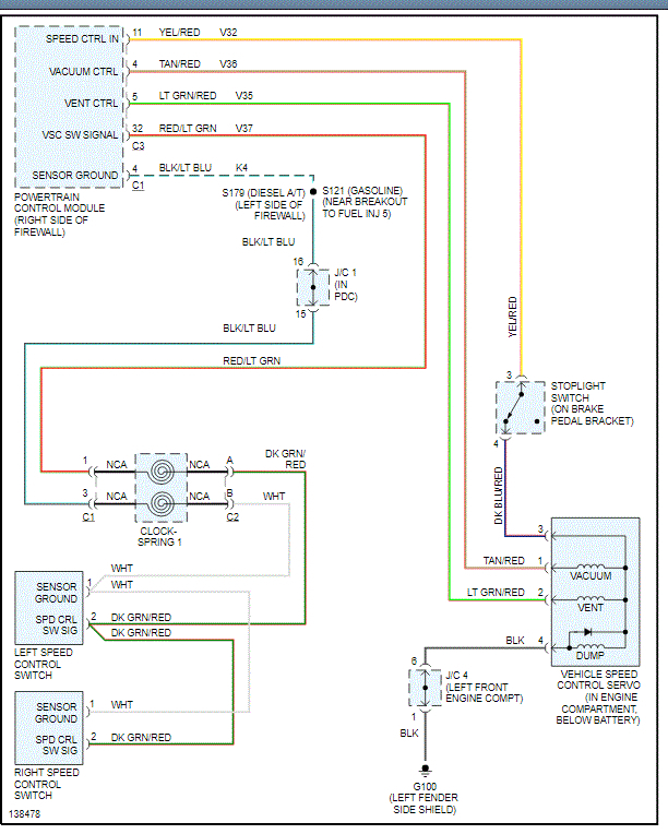
I attached a schematic of the system (pic 1). If you look at it, there really isn't anything other than failure of the PCM that would prevent it from running, so we need to start at the beginning. The only thing that can cause the engine to run poorly is if there is a vacuum leak, but again, the engine would run.

You mentioned the fuel pump. Is it turning on at all? Have you checked fuel pressure? Will the engine start for a couple seconds if you use starting fluid?

I attached a pic of the power distribution box under the hood. Have you checked the auto shut down relay which will shut the fuel pump down if it fails? Also, have you checked the fuel pump relay?

https://www.2carpros.com/articles/how-to-check-an-electrical-relay-and-wiring-control-circuit

Let me know. Also, let me know if you checked for ignition spark.

Take care,
Joe
Was this
answer
helpful?
Yes
No
+1
Sunday, September 20th, 2020 AT 11:35 AM (Merged)
Tiny
TERRY PRATT
  • MEMBER
  • 6 POSTS
I have switched the fuel pump one out with a different one and it still does the same thing. And I don't know about if it would start if I use starting fluid because I don't have any. But when I have the cruise set the engine revs up then goes back to normal. But does it all the time when I have it set.
I bought this truck from a used car dealer and I'm not really sure how long it had been there sitting.
Was this
answer
helpful?
Yes
No
Sunday, September 20th, 2020 AT 11:35 AM (Merged)
Tiny
JACOBANDNICKOLAS
  • MECHANIC
  • 110,192 POSTS
Terry,

Does it run? The first post says it doesn't, but the last post indicates the engine revs when you set the cruise.

I'm asking because if it does run and there is a change in RPM when you set it, chances are it is related to a vacuum servo. If it isn't running at all, then we need to check what I said in my first post.

Let me know.

Take care,
Joe
Was this
answer
helpful?
Yes
No
-1
Sunday, September 20th, 2020 AT 11:35 AM (Merged)
Tiny
TERRY PRATT
  • MEMBER
  • 6 POSTS
That is what it does when it was operational.
But when it shut off on me yesterday. It doesn't start back up. It turns over but that's about all it does. But do you know what size the fuel tank is though? But it has new plugs and wires. Because I changed them out myself.
Was this
answer
helpful?
Yes
No
Sunday, September 20th, 2020 AT 11:35 AM (Merged)
Tiny
JACOBANDNICKOLAS
  • MECHANIC
  • 110,192 POSTS
Hi,

Honestly, the fuel tank size isn't indicated in any of my manuals. Sorry about that. If you look at the attached pic, that is what I get. The only thing there that can help is it identifies if the truck is a regular, club, or crew cab.

As far as the no start, see if it will start for a couple seconds using starting fluid. If it does and then stalls, we know it's a fuel related issue. If it doesn't start at all, then we will know it is ignition related.

Let me know.
Joe
Was this
answer
helpful?
Yes
No
Sunday, September 20th, 2020 AT 11:36 AM (Merged)
Tiny
TERRY PRATT
  • MEMBER
  • 6 POSTS
When I was Googling this yesterday I downloaded a 2001 Dodge Ram 1500 manual and the pump that is on it is on looks like this one. But i'm not sure if that is what my tank size is.
Was this
answer
helpful?
Yes
No
Tuesday, September 22nd, 2020 AT 2:42 PM
Tiny
JACOBANDNICKOLAS
  • MECHANIC
  • 110,192 POSTS
Hi,

First, I'm sorry I didn't get back with you sooner For some reason a reply is normally highlighted and for some reason, this wasn't.

As far as the pump, you indicated that, "it looks like this one." Do you have a pic of it?

This may be a situation where you are better off removing the old one and matching it with a new one.

Let me know.
Joe
Was this
answer
helpful?
Yes
No
Wednesday, September 23rd, 2020 AT 8:34 PM

Please login or register to post a reply.