Friday, December 18th, 2009 AT 2:27 PM
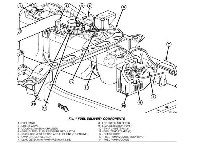
My engine stalls, never completely quits, skips, and sputters for no more than 1-2 minutes and then runs fine, sometimes for days and other times for a few minutes, only during or just after a heavy or lengthy rain. I can find no evidence of water getting in the engine compartment. What could be causing this? Also, where is the fuel filter located?










