Engine misfires?

Tiny
KSAMIAMS
  • MEMBER
  • 1991 HONDA ACCORD
  • 2.2L
  • 4 CYL
  • 2WD
  • AUTOMATIC
  • 125,000 MILES
Car runs good when cold in the morning for about 2 miles until temperature hand comes up to normal halfway. Then at cruising speed on level road it has a slight sporadic miss that is hard to feel. Stomp up to a hundred no miss. Climbing a mountain no miss? Changed plugs, rotor button, fuel filter.
Monday, October 7th, 2019 AT 12:33 PM

39 Replies

Tiny
KASEKENNY
  • MECHANIC
  • 18,907 POSTS
Hi,

The fact that it doesn't misfire when it is warming up is because it is not looking at sensor data. So when it starts misfiring it is most likely a faulty sensor giving bad data. If it is possible to look at live data with a scan tool, you need to start with o2 sensors. Lets see what the short term fuel trim is when it is misfiring. That will tell us what it is doing and we can go from there.

https://www.2carpros.com/articles/engine-misfires-or-runs-rough
Was this
answer
helpful?
Yes
No
Monday, October 7th, 2019 AT 6:56 PM
Tiny
KSAMIAMS
  • MEMBER
  • 10 POSTS
1991 is not capable of running any scan tool I am told unless it throws a light which it never has. Even then tech says that older computer don’t give much specific data even when you get a code. But again does not trigger a light as evidently the computer is not sensitive enough to pick up a miss that that does not even effect the tachometer. All new plugs, wires, gas filter, distributor cap, rotor.A couple sensors replaced included the o2 in the last couple years.
Was this
answer
helpful?
Yes
No
Tuesday, October 8th, 2019 AT 6:09 PM
Tiny
KASEKENNY
  • MECHANIC
  • 18,907 POSTS
Sorry. You are correct. I am just used to dealing with OBDII vehicles. At this point lets assume the spark is ok but we may need to come back to it and check for weak/inconsistent spark.

Let's check and make sure the fuel pump is not loosing pressure after it warms up. This is much easier and less intrusive then digging into the ignition. Clearly if the fuel pump checks out then we can move on. If not, it is good when didn't go into ignition first. Hook up a fuel pressure gauge and just tape it to the windshield so you can see what it is doing when this is misfiring.

https://www.2carpros.com/articles/how-to-check-fuel-system-pressure-and-regulator

If fuel checks out then we can get into ignition. This is the idea of what we are going to need to look at. This is not exactly your issue but we need to verify a good consistent spark.

https://youtu.be/eoodIVGgGyw
Was this
answer
helpful?
Yes
No
Wednesday, October 9th, 2019 AT 6:48 PM
Tiny
KSAMIAMS
  • MEMBER
  • 10 POSTS
New fuel filter was put on and guy checked the fuel pressure. He said the problem wasn’t there. Far as ignition I have put new plugs, wire, rotor, cap. Again it seems related to when it get warm at operating temp after about 2 miles depending on outside temperature in mornings. Don’t know what else to check ignition wise other then the coil? It has to be something that is being effected only when it gets to temp hand half way. Like clock you can watch the temp hand get to halfway on gauge and look for it to miss sporadically. It does not miss before then or at a idle or at full throttle or going up a mountain. What would change as the engine temperature reaching normal that would cause a miss? EGR valve? PVC valve? Some sensor?
Was this
answer
helpful?
Yes
No
Wednesday, October 9th, 2019 AT 7:04 PM
Tiny
KSAMIAMS
  • MEMBER
  • 10 POSTS
Again this slight miss is only after warm and once you get to cruising speed in drive about 50-70 normal driving. Do not see the miss in the tachometer. Anyway a torque converter would be locking and unlocking at 50-70 in drive. Transmission shifts good. Again you can stomp it and tachometer it out between gears up to a 100 and feel no miss. You never feel it on a mountain pull. It is always when warm and driving about 50-65 at 2,000-3,000 rpm's.
Was this
answer
helpful?
Yes
No
Thursday, October 10th, 2019 AT 2:26 AM
Tiny
KASEKENNY
  • MECHANIC
  • 18,907 POSTS
This doesn't sound like a misfire. It sounds more like a vacuum leak.

Here is a guide that takes you through this but the best thing is to get a vacuum gauge and hook it to the intake. If you can get a video of this when the engine is running rough we should be able to either eliminate it or know we are on the right path.

https://www.2carpros.com/articles/how-to-use-an-engine-vacuum-gauge

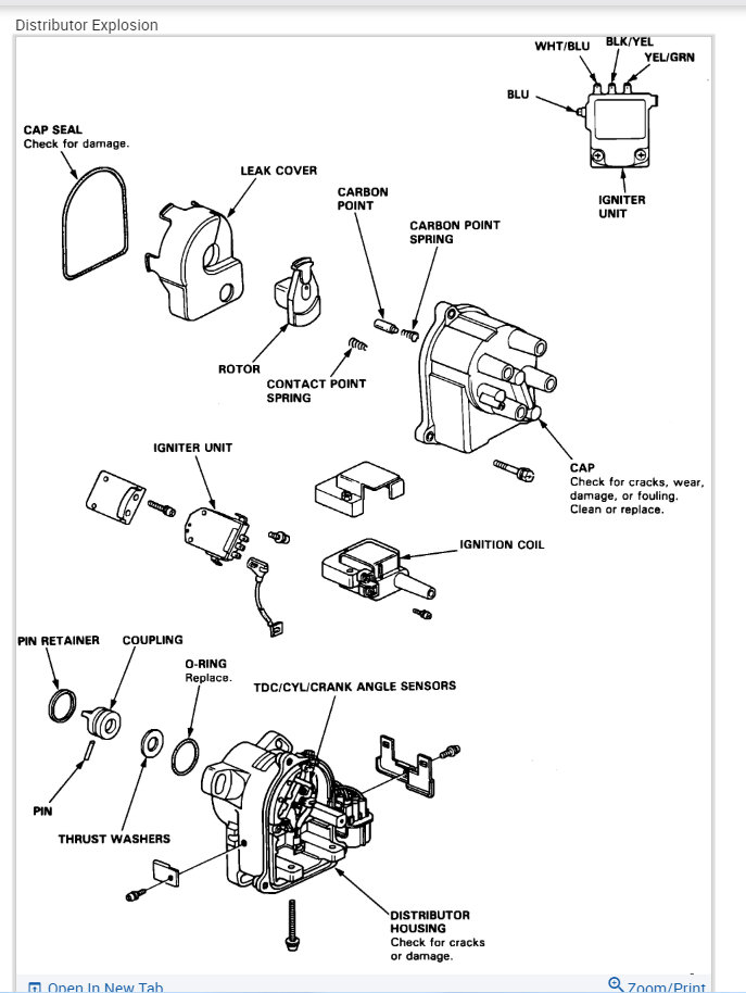
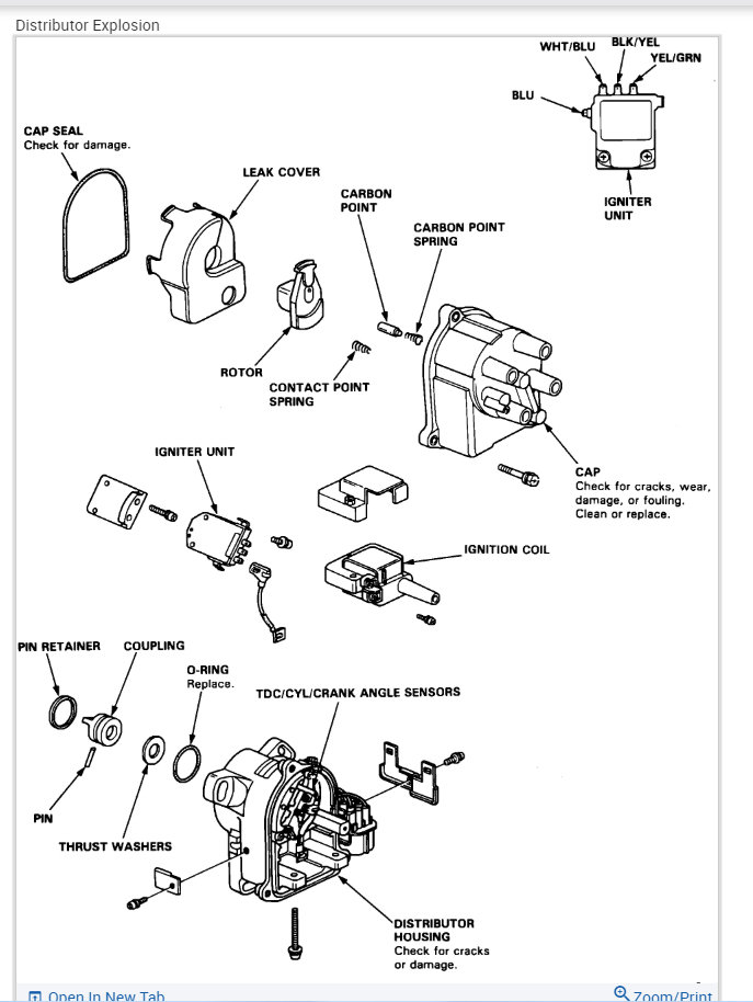
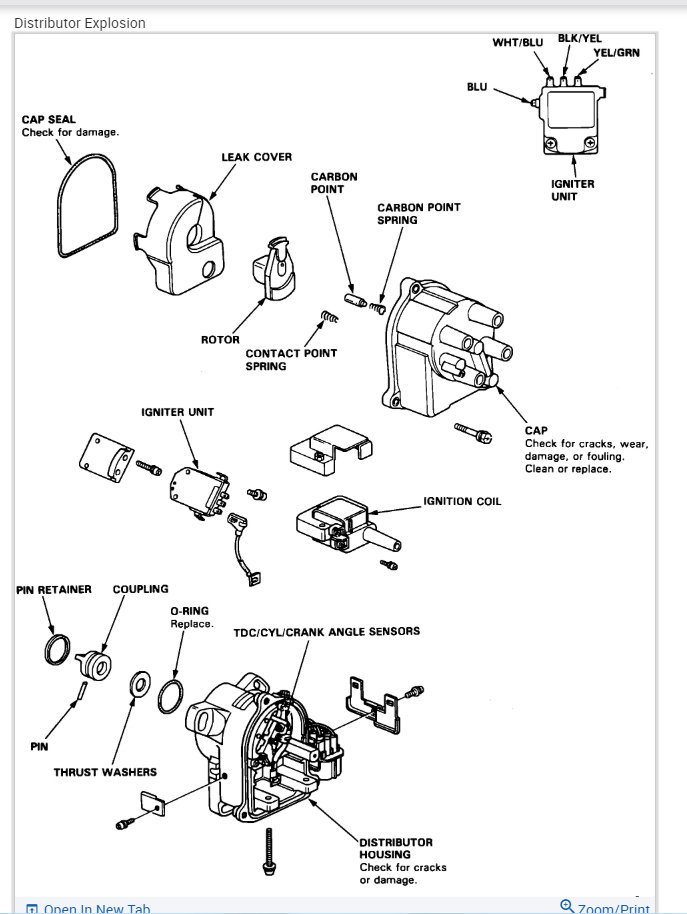
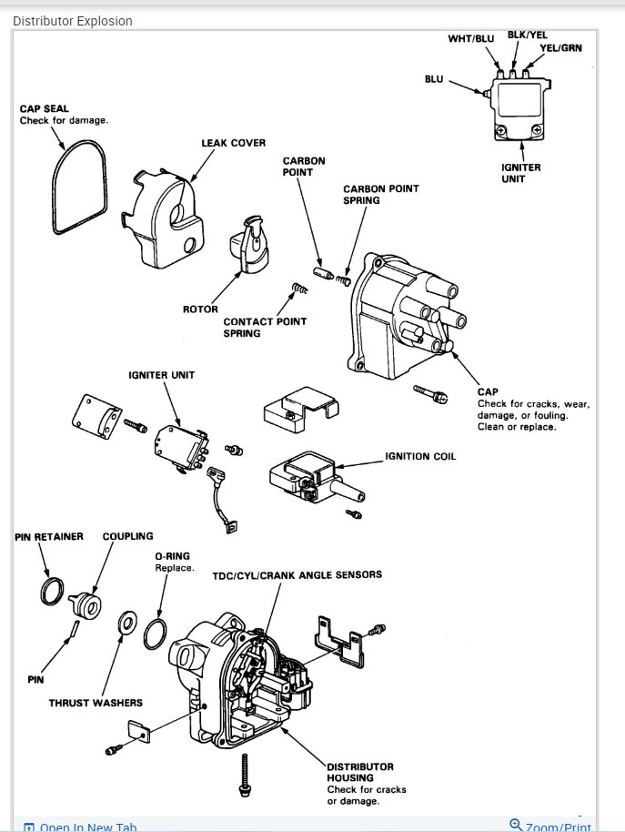
As for other components in the ignition, yes the coil could DEFINITELY cause this when the engine gets warm. There is also the igniter that could cause this. Again, let's rule a vacuum leak first then we can come back to the ignition.
Was this
answer
helpful?
Yes
No
Thursday, October 10th, 2019 AT 7:01 PM
Tiny
KSAMIAMS
  • MEMBER
  • 10 POSTS
Thanks for the help. How can I get a video of vacuum gauge when it only does it on the highway? Does not miss idling cold or hot? I may just replace the coil (inside the distributor on this) to rule it out but you would think it would not be linked to temp gauge? I can see the coil maybe breaking down as it heats up but not like clock work when the gauge hits 1/2 way? What igniter are you speaking of? I talked to one Honda “expert” and they do work on mostly Honda’s that he said might have to take off the whole “throttle body unit? And manifold which he said was a job to “drill out the ports” so they could clean it? I got confused on that one.
Was this
answer
helpful?
Yes
No
Friday, October 11th, 2019 AT 5:27 PM
Tiny
KASEKENNY
  • MECHANIC
  • 18,907 POSTS
Hi,

I don't disagree with your thinking about the ignition. I attached a lot of material about the igniter that will explain it in more detail.

If you can get a vacuum gauge connected to the engine, just tape it to the windshield so you can see it while driving down the road.

However, I may have forgotten that this only does it during highway driving because a vacuum leak is unlikely to do that.

I think doing the coil and igniter may be a good idea for the reason you stated that they are breaking down when they get hot.

Let me know if you have more questions about this. Thanks
Was this
answer
helpful?
Yes
No
Friday, October 11th, 2019 AT 7:14 PM
Tiny
KSAMIAMS
  • MEMBER
  • 10 POSTS
I have done everything but replace the coil and igniter. However have have replaced hundreds of dollars worth of parts and no change. Let me break down what is happening as plain as I can.
1. The car never misses when cranked until the temperature hand gets about half way where it stays. Run smooth 50-65 until then. When temperature hand hit there about 2 miles driving starts the little sporadic slight miss. Does not effect tachometer.
2. Floor it from 0-100 and feel nothing.
3. I can only feel it in drive after temperature rise to set mark at speed 45-70? Just driving speed.
4. It seemed connected to temp of radiator?
5. Don’t know if connected but will surge when idling when cranked or return home. Again sometimes it don’t. That is sporadic too. Don’t even know if it is connected because it don’t miss when idling even hot or surging 1500-2000 rpm's.
6. I haven’t checked but don’t seem to get the gas mileage it should. Running out of options other then taking it to a expert who will probably replace everything on it again one by one.
7. Is it still possible a coil, igniter, or sensor. If the miss is connected to the water temperature?
Was this
answer
helpful?
Yes
No
Tuesday, October 15th, 2019 AT 6:00 AM
Tiny
KASEKENNY
  • MECHANIC
  • 18,907 POSTS
I don't think the actual temp is what is related. I think it just acts up when it is hot. That means it is most like electrical related because these are the components that are sensitive to heat. At this point, I suspect one of these components that we talked about but there is no proof so it would be a guess.

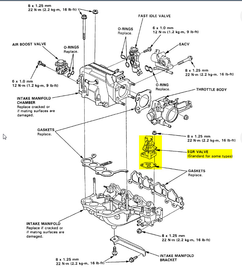
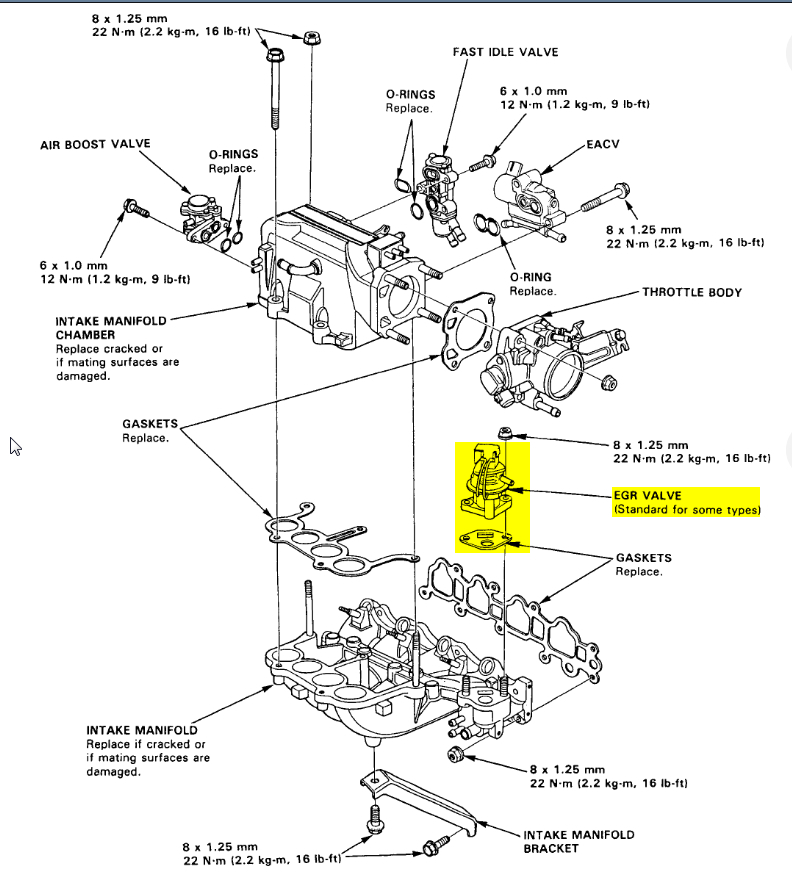
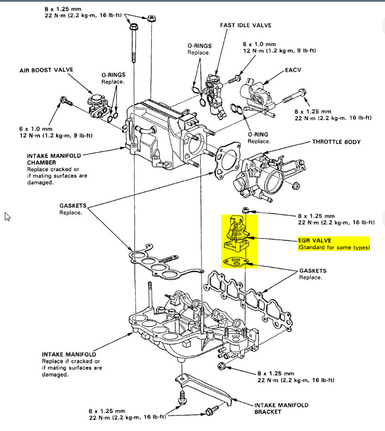
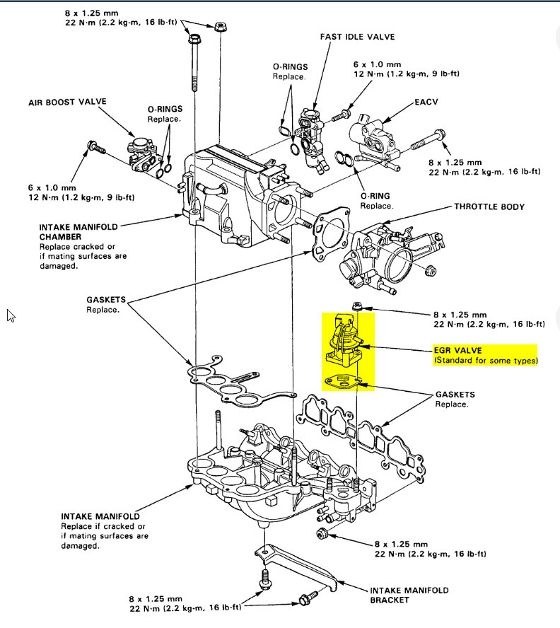
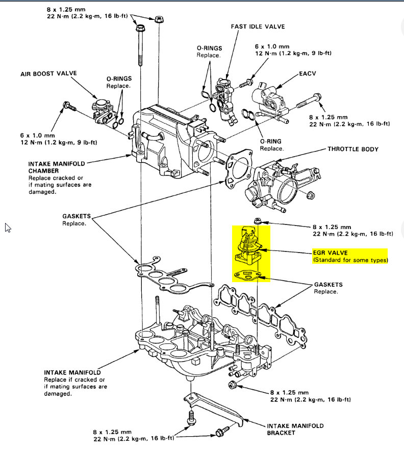
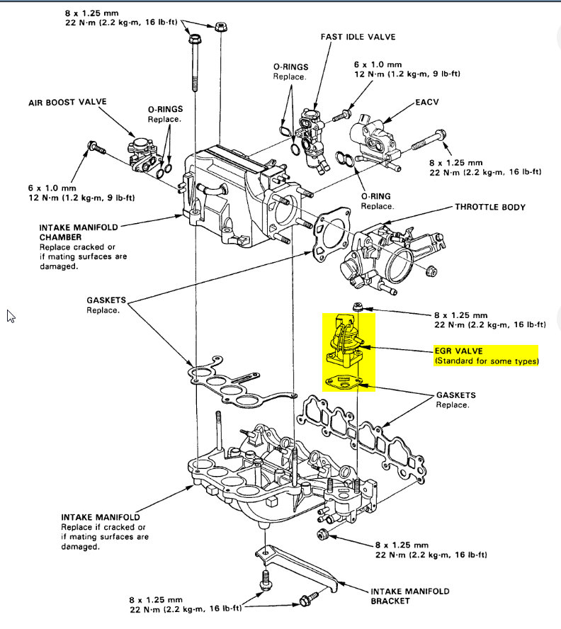
Before you do that, I would recommend cleaning the EGR valve and port. There is a chance that if this is sticking that you are getting a lean misfire at cruise because that is when the EGR is open allowing flow to reduce emissions and improve fuel economy. If this is not functioning then it will cause a slight misfire. Also this will go away when you step on the throttle because you are opening the throttle and closing EGR. Seems to fit your issue.

You want to clean it using carburetor cleaner or they may make an EGR cleaner chemical so that would be fine. Clean the valve and the ports on the engine side or just replace the valve if you are not sure you can get it clean.
Was this
answer
helpful?
Yes
No
Tuesday, October 15th, 2019 AT 5:17 PM
Tiny
KSAMIAMS
  • MEMBER
  • 10 POSTS
EGR valve is one thing I have not cleaned. When you say “Clean the valve and the ports“. What valve name you taking about? What ports?
Whatever it is the temp hand can predict it to the minute. You can make a mark on the temp hand of normal operating temp and watch it get there. Takes about 2 miles depending on outside temps. Soon as it gets to that mark of normal operating temp it will start missing slight and sporadic in seconds. Best guess. Which valve would do that. EGR or the other valve? Or ports not clear on exactly which valve you talking about EARC? Where are the ports?
Was this
answer
helpful?
Yes
No
Tuesday, October 15th, 2019 AT 5:38 PM
Tiny
KSAMIAMS
  • MEMBER
  • 10 POSTS
Story EACV?
Was this
answer
helpful?
Yes
No
Tuesday, October 15th, 2019 AT 5:38 PM
Tiny
KSAMIAMS
  • MEMBER
  • 10 POSTS
EGR valve symptoms. My car does none of these?
Engine Performance Issues

Another common sign of a bad EGR valve is engine performance issues. A clogged or malfunctioning EGR valve can disrupt the vehicle’s air-fuel ratio, which can cause engine performance issues such as a reduction in power and fuel efficiency. The vehicle may also stall or hesitate while accelerating.

2. Rough Idle

One of the most common symptoms of a problem with the vehicle’s EGR valve is a rough idle. It is not uncommon for EGR valves to malfunction and become stuck in the open position. This can lead to exhaust gas recirculation, which causes rough idling even when the conditions are not desirable. It may also contribute to a smell of fuel as well

2. Pinging or Knocking Soud During Acceleration

Commonly known as a spark knock, a pinging or knocking sound may occur when the car is accelerating. This means the fuel is detonating within the engine instead of burning steadily. A faulty EGR valve causing this issue doesn’t allow in the right amount of exhaust to dilute the air-fuel mixture and lower combustion chamber temperatures. If this continues to happen, it can lead to other engine component failures. The EGR valve will need to be replaced or cleaned of built-up carbon deposits.

4. Check Engine Light Comes On

An illuminated Check Engine Light is another symptom of bad or failing EGR valve. If the computer detects an issue with the vehicle’s EGR valve circuit or position, it will set off the Check Engine Light in order to notify the driver of the issue. The Check Engine Light can be activated by a wide variety of other issues, so having the computer scanned for trouble codes is highly recommended.

The EGR valve is an important emissions component, especially for vehicles in states with strict emissions regulations. You won’t be able to pass a smog test with a faulty EGR valve. If you suspect your vehicle’s EGR valve of having an issue, have the vehicle inspected by a professional technician to determine if the vehicle needs an EGR valve replacement.
Was this
answer
helpful?
Yes
No
Tuesday, October 15th, 2019 AT 6:08 PM
Tiny
KASEKENNY
  • MECHANIC
  • 18,907 POSTS
No. The EGR not EACV. The EACV is used for controlling idle speed and not used during highway cruising.

The EGR is opened based on engine temp, engine load, and NOx output. EGR is opened primarily at steady throttle and speed. So if your issue starts at a certain temp this could still apply because the PCM is using it when it gets to operating temp.

Those items that you listed are just the most common symptoms of an EGR valve. It is not limited to just those things and you do not have a common issue so I wouldn't expect just a common repair to correct this.

The ports that I am talking about are the ports for the valve and on the intake.

Here is a video that gives more detail. Clearly this is a different vehicle so ignore his operation discussion because yours is different so you can jump to the 4:40 mark if you want. However he shows the EGR port on the intake and then on the valve and how to clean it.

https://youtu.be/iT8Iww44nZM

If it were me, I would clean it and retest. I get you have spent a bit of money and time on this and it is frustrating but all I can do is give you the best advice I have based on my knowledge and what you are describing. Cleaning the valve and looking in the intake port for build up doesn't cost anything other than the cost of a spray cleaner if you don't already have it.
Was this
answer
helpful?
Yes
No
Tuesday, October 15th, 2019 AT 6:59 PM
Tiny
KSAMIAMS
  • MEMBER
  • 10 POSTS
I better understand that now. I will try that by weekend and see what happens. Thanks will let you know if that has been the problem all along. Hopefully so.
Was this
answer
helpful?
Yes
No
Wednesday, October 16th, 2019 AT 2:06 AM
Tiny
KASEKENNY
  • MECHANIC
  • 18,907 POSTS
Sounds great. Please let us know what happens and we can go from there. We will wait to hear back. Thanks for the update.
Was this
answer
helpful?
Yes
No
Wednesday, October 16th, 2019 AT 8:16 PM
Tiny
VAVINE
  • MEMBER
  • 2 POSTS
  • 1991 HONDA ACCORD
  • 4 CYL
  • 2WD
  • AUTOMATIC
I started the engine, but number 3 and 4 cylinders not firing.
Was this
answer
helpful?
Yes
No
Monday, January 11th, 2021 AT 6:16 PM (Merged)
Tiny
HMAC300
  • MECHANIC
  • 48,601 POSTS
Scan for codes and check fuel pressure first with a gauge. Auto parts rent it.

https://www.2carpros.com/articles/checking-a-service-engine-soon-or-check-engine-light-on-or-flashing

and

https://www.2carpros.com/articles/how-to-check-fuel-system-pressure-and-regulator
Was this
answer
helpful?
Yes
No
Monday, January 11th, 2021 AT 6:16 PM (Merged)
Tiny
VAVINE
  • MEMBER
  • 2 POSTS
Thanks a lot, I replaced the distributor with a second hand one, swapped the fuel injectors, but still the same with the engine check light still on. Do you think the fuel should continuously flow out from the pressure regulator with the ignition switch on?
Was this
answer
helpful?
Yes
No
Monday, January 11th, 2021 AT 6:16 PM (Merged)
Tiny
HMAC300
  • MECHANIC
  • 48,601 POSTS
Fuel pressure should be 34-41psi at idle.
Was this
answer
helpful?
Yes
No
Monday, January 11th, 2021 AT 6:16 PM (Merged)

Please login or register to post a reply.