Turn signals blinking too fast

Tiny
PLUXO
  • MEMBER
  • 2003 CHEVROLET MALIBU
  • 3.1L
  • 6 CYL
  • 2WD
  • AUTOMATIC
  • 185,000 MILES
I was having an issue with my blinkers so I researched and found that replacing the hazard switch (button) could fix it. I replaced it, but now the blinkers are too fast. Hazards are normal speed but blinkers are not. Any idea?
Tuesday, January 23rd, 2018 AT 5:23 PM

11 Replies

Tiny
STEVE W.
  • MECHANIC
  • 15,702 POSTS
First double check that all of the bulbs in the turn system are working. Do they flash fast on both sides or just one? What was the original issue with the signals?
Was this
answer
helpful?
Yes
No
-2
Wednesday, January 24th, 2018 AT 12:43 AM
Tiny
PLUXO
  • MEMBER
  • 71 POSTS
All the bulbs work. Blinkers in front and back flash fast. Driver side headlight is out. Original issue was that I had to press the hazards to make the turn signals work and sometimes that would not even work.
Was this
answer
helpful?
Yes
No
-1
Wednesday, January 24th, 2018 AT 1:13 AM
Tiny
STEVE W.
  • MECHANIC
  • 15,702 POSTS
About the only thing that can make them fast is either a bad flasher or if the lights are the wrong type. In your case the hazard switch is also the turn signal flasher and it is electronic so bulb loading will not alter its flash speed. Looking at the wiring and the way the system works my bet is the new switch is defective internally. It is the only item that is common to both turn signals.
Was this
answer
helpful?
Yes
No
-1
Wednesday, January 24th, 2018 AT 4:37 PM
Tiny
PLUXO
  • MEMBER
  • 71 POSTS
Thank you! If you specialize in AC/heat can you take a look at this? https://www.2carpros.com/questions/heat-ac-wont-work
Was this
answer
helpful?
Yes
No
-1
Wednesday, January 24th, 2018 AT 5:11 PM
Tiny
STEVE W.
  • MECHANIC
  • 15,702 POSTS
In the post you mention you have fixed the problem. Mind sharing what you did?
Was this
answer
helpful?
Yes
No
-1
Thursday, January 25th, 2018 AT 2:38 AM
Tiny
PLUXO
  • MEMBER
  • 71 POSTS
Oh, I am just letting them blink fast. As long as they work like they did not before, I am happy.
Was this
answer
helpful?
Yes
No
+1
Thursday, January 25th, 2018 AT 3:56 AM
Tiny
STEVE W.
  • MECHANIC
  • 15,702 POSTS
That works.
Was this
answer
helpful?
Yes
No
Thursday, January 25th, 2018 AT 10:10 AM
Tiny
ERIKA BELL
  • MEMBER
  • 1 POST
  • 2002 CHEVROLET MALIBU
  • 3 CYL
  • 4WD
  • AUTOMATIC
  • 1,655 MILES
My blinkers or my hazard lights do not work. I checked the fuses and the bulbs, but not only it dose not flash on the dash.
Was this
answer
helpful?
Yes
No
Monday, April 8th, 2019 AT 5:01 PM (Merged)
Tiny
CARADIODOC
  • MECHANIC
  • 34,491 POSTS
The best suspect is the flasher assembly, which is now built into the hazard switch. They are no longer the common sense simple $2.99 flasher. They are now an expensive and fairly unreliable electronic assembly.
Read the guide below on testing wiring , it will help

https://www.2carpros.com/articles/how-to-check-wiring

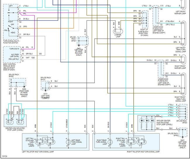
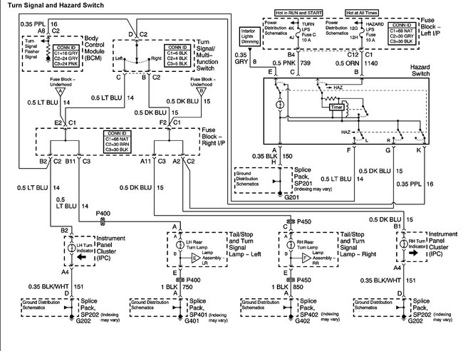
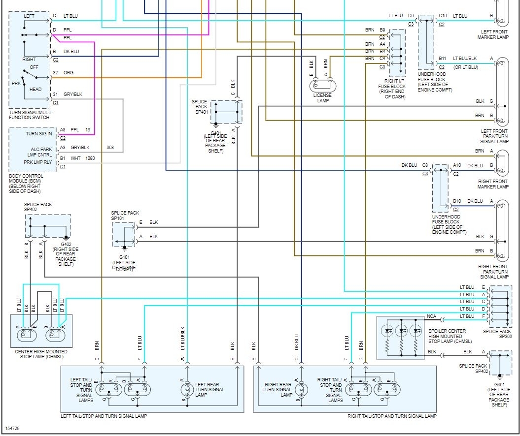
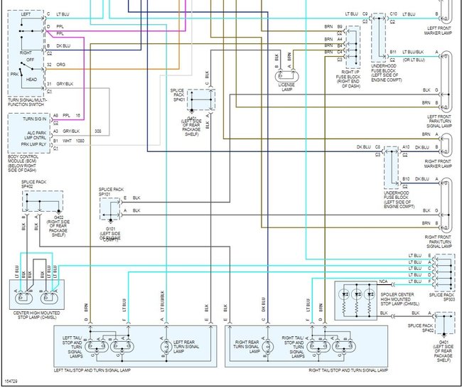
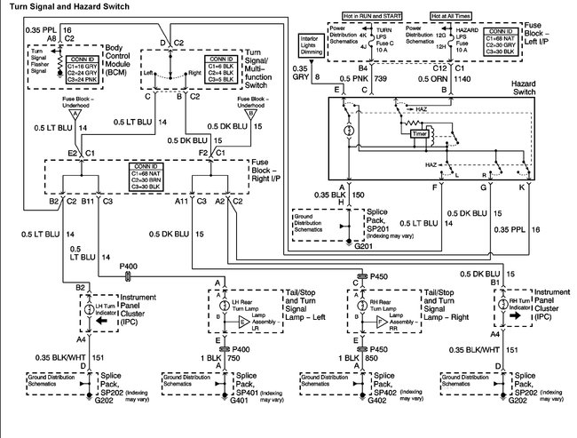
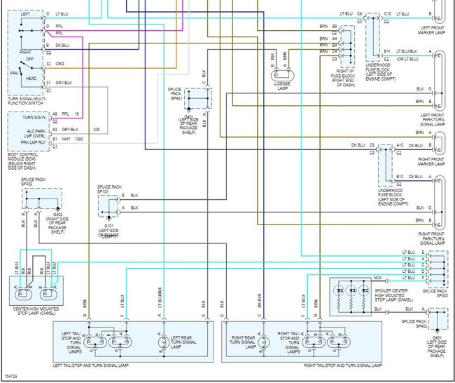
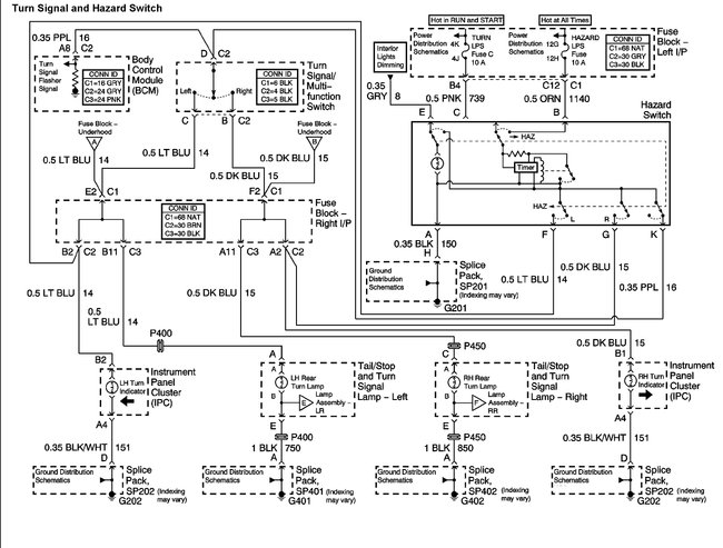
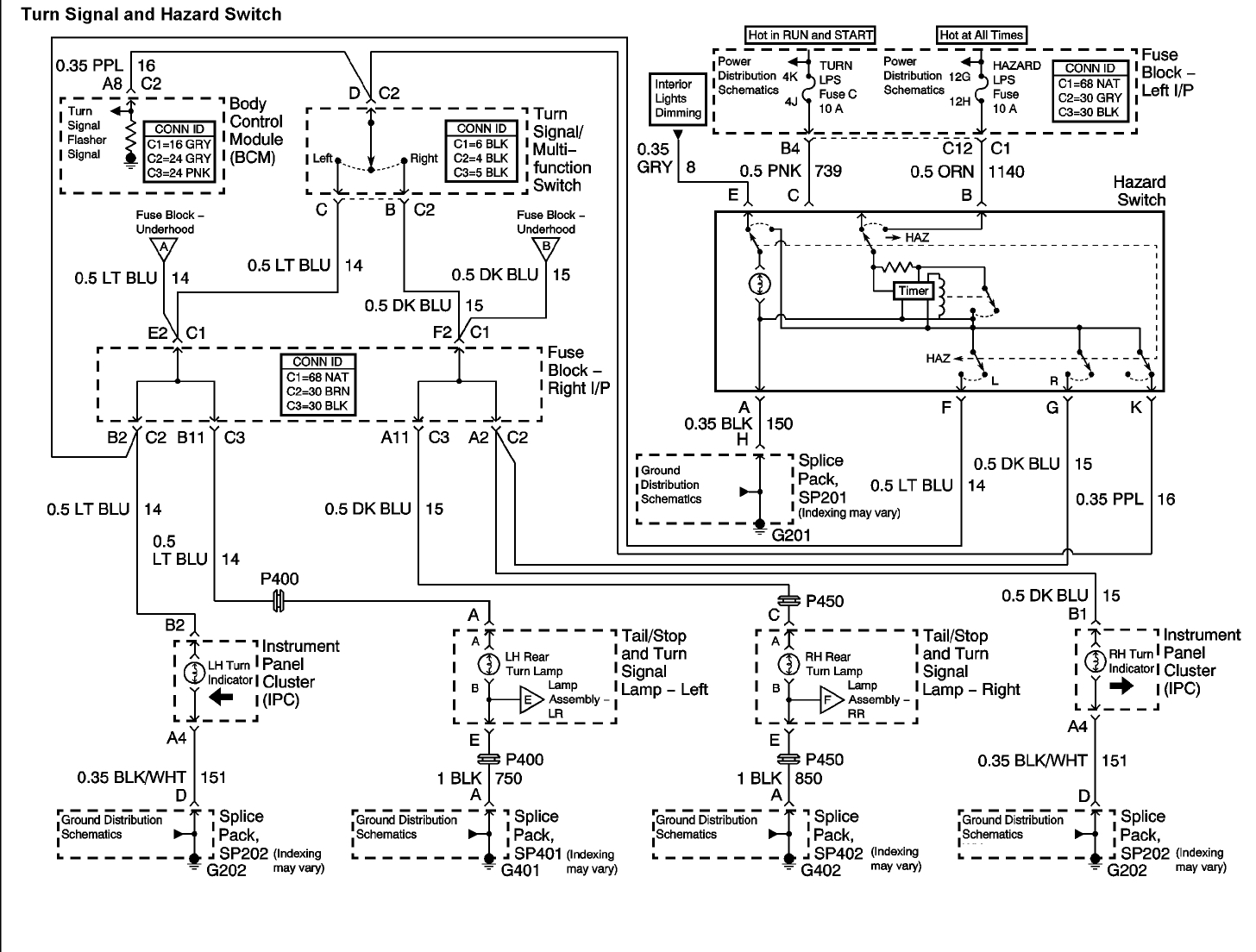
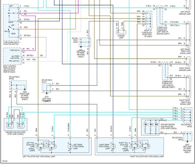
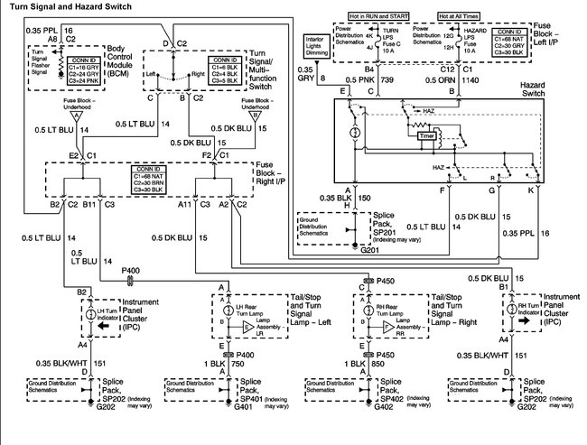
The wiring diagrams for the turn signals are attached below.
Was this
answer
helpful?
Yes
No
Monday, April 8th, 2019 AT 5:01 PM (Merged)
Tiny
DAVIDBACON
  • MEMBER
  • 4 POSTS
I have seen even professional mechanics chase switch, blinker, module, wiring and bulb problems for both turn signal and headlight issues only to eventually find they have incorrectly installed a bayonet bulb backwards. Even though the bulb immediately looks like it can be installed either way, it is polarized.

Bayonet bulbs have offset pins on the sides of the bulb but the two power contacts on the bottom are symmetrical. Carefully look at the sides of the bulb and you will see the locking pins are at slightly different heights.

These bulbs can be easily installed into the socket one hundred degrees out of position or reversed with a little force, making the elements of the lamp connect to the wrong circuit, (turn to run and the run to turn), for front the same condition can apply).

Carefully look at the bulb filament and you will see two separate filaments inside the bulb. The energy drawn for a turn/brake filament is different than the tail-light on filament. Reversal will definitely cause unusual blinking situation.

Typically, slow flash = bulb out or not connected either front or rear, and a short will make your blinker go fast.

Aside from having the correct bulb, having it installed correctly, when you inspect the bulb look inside and be sure the filaments are not touching one another where one filament has broken, fallen and welded itself to the other filament creating a short.

Lastly on turn signals: Be certain the common wire for both filaments, or the ground has a solid connection (zero ohms) back to the battery common connection via a real ground wire and not the car body. Do not rely on the car body for this connection.

If the other bulbs glow dimly during a turn signal or braking event the bulb in question is getting its common or ground connection through the combination of the other bulbs, refer to previous sentence.

Re Headlamps:
I cannot find a current reference to a little known feature that was introduced into automobile headlamps known as a "safety glow" feature.

This was a heavy duty low intensity filament along with the standard filament that would glow at a very reduced rate along with the main filament is sealed beam bulbs for long, long life in the headlamp. However, albeit dimly still giving the vehicle two lights preventing oncoming traffic from mistaking the one light for a bicycle or other similary narrow vehicle making the oncoming driver incorrectly guess the distance and crashing into a dark side of the vehicle, as this beam provided some light.

Many interpreted this soft glowing headlamp as a bad connector or wiring problem when it was turned on and the main beam filament was actually burned out as the lamp seemed to glow properly when switched to high, but the low beam just was not bright enough when in fact they had a failed main beam bulb. Ohmmeter checks don't reliably find this problem unless you are experienced and have a meter that can reliably read and resolve readings in the less than the five-to-ten-ohm range. Hours are lost tracing this fault when simply replacing the bulb fixes this problem.
Was this
answer
helpful?
Yes
No
-1
Tuesday, December 20th, 2022 AT 8:23 PM
Tiny
KEN L
  • MASTER CERTIFIED MECHANIC
  • 55,522 POSTS
Excellent addition to this thread! Please feel free to use 2CarPros anytime!
Was this
answer
helpful?
Yes
No
Wednesday, December 21st, 2022 AT 9:37 AM

Please login or register to post a reply.