Turn signal and hazard lights

Tiny
TINAZIRALDO
  • MEMBER
  • 2000 CHEVROLET MALIBU
  • 6 CYL
  • FWD
  • AUTOMATIC
  • 100,000 MILES
I need help with the turn signals and hazrd lights they dont work all of a sudden
Sunday, December 20th, 2009 AT 2:30 PM

14 Replies

Tiny
BLUELIGHTNIN6
  • MECHANIC
  • 16,542 POSTS
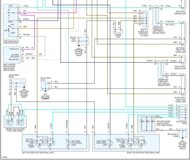
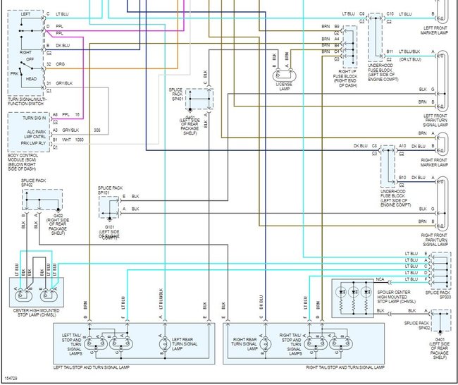
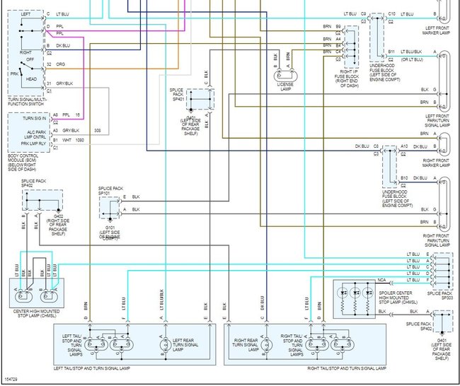
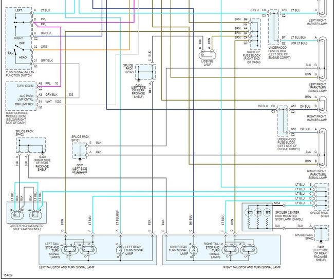
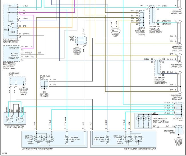
Check fuses (should be 10 amp fuse). If OK then suspect faulty hazard switch on dash. Remove trim plate and remove screw that holds flasher switch in.

The wiring diagram for your tun signals is attached below
Was this
answer
helpful?
Yes
No
Sunday, December 20th, 2009 AT 3:24 PM
Tiny
WV GIRL
  • MEMBER
  • 3 POSTS
  • 2005 CHEVROLET MALIBU
  • 4 CYL
  • FWD
  • AUTOMATIC
  • 90,000 MILES
I have a 2005 malibu classic where the turn signals will stop working then all of a sudden start working again. The fuses are good, no loose wires that I can see, bulbs appear okay. The problem comes and goes. Any suggestions, advice, ideas?
Was this
answer
helpful?
Yes
No
+10
Saturday, July 27th, 2019 AT 11:00 AM (Merged)
Tiny
JACOBANDNICKOLAS
  • MECHANIC
  • 110,194 POSTS
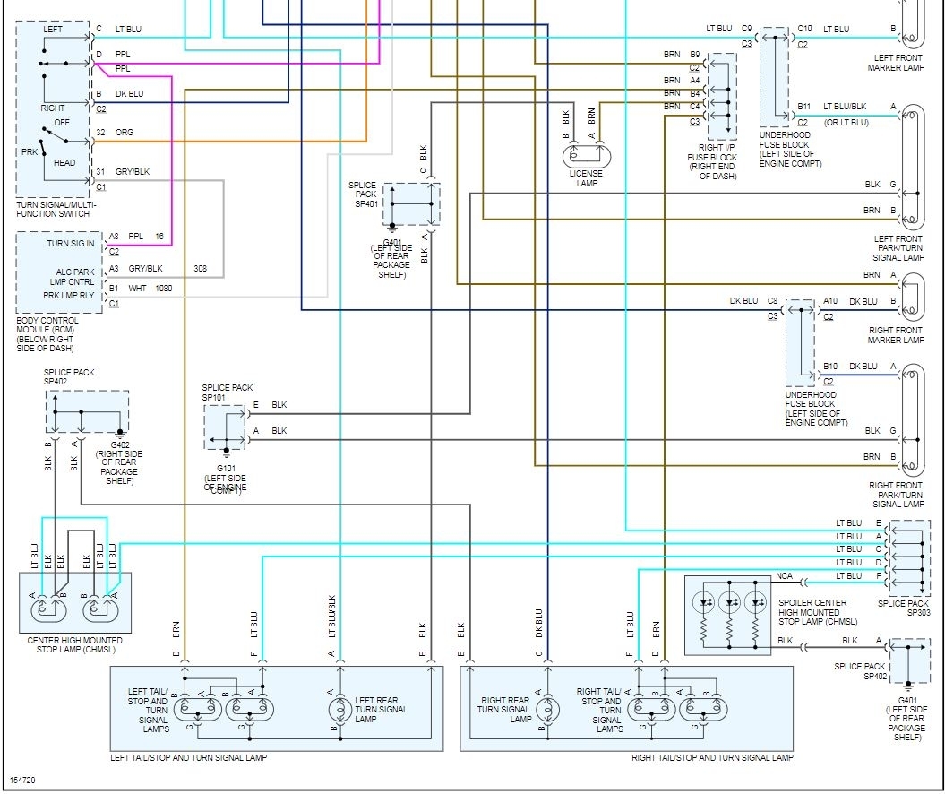
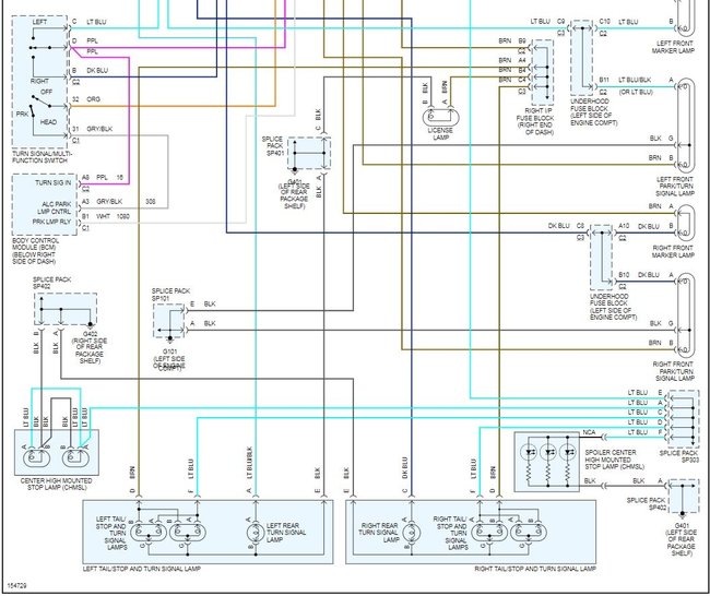
There is a tail light control relay that can go out and cause the problem you are describing. Here is a wiring diagram (below) and some guides to help you get the car fixed.

https://www.2carpros.com/articles/how-to-check-an-electrical-relay-and-wiring-control-circuit

and

https://www.2carpros.com/articles/how-to-check-a-car-fuse

If it all check out okay you have a BCM that is going out, I would find a used one and install it plug and play.

Please let us know what happens so it will help others.

Cheers
Was this
answer
helpful?
Yes
No
+2
Saturday, July 27th, 2019 AT 11:00 AM (Merged)
Tiny
WV GIRL
  • MEMBER
  • 3 POSTS
Sometimes but if you can restart the car, it sometimes will start working or the next time you hit the turn signal it will start working. I think it is possessed and needs Exorcism! Thanks for answering! I checked everything and it looked okay so I installed a used BCM and BAM! It worked. Thanks again, you guys rock!

Rebekah
Was this
answer
helpful?
Yes
No
Saturday, July 27th, 2019 AT 11:00 AM (Merged)
Tiny
KEN L
  • MASTER CERTIFIED MECHANIC
  • 55,488 POSTS
Nice work, we are here to help, please use 2CarPros anytime.

Cheers, Ken
Was this
answer
helpful?
Yes
No
Saturday, July 27th, 2019 AT 11:00 AM (Merged)
Tiny
KINGSA1
  • MEMBER
  • 7 POSTS
  • 1999 CHEVROLET MALIBU
  • 3.1L
  • V6
  • FWD
  • AUTOMATIC
  • 180,000 MILES
Okay first of all I have googled this problem all over the net and it seems no one has this problem, my turn signals work okay when it's daylight and only the automatic lights are on (headlights are not physically turned on by the colum switch but when it starts to get dark and I turn a signal on (left and right) the turn signal blinks rapidly and both signals flash this also happens (day or night) when I turn on the headlights with the switch, now I have replaced ALL the bulbs replaced the hazard switch checked and rechecked ALL the relays and fuses been through a Haynes repair manual (specifically for my car) oh and this only happens to the front flashers not the rear ones and don't know if this is related or not but horn doesn't work and cruise control will turn on but not engage, check engine light is on and sometimes service vehicle soon light comes on so how about it? Any thoughts as to the problem?
Was this
answer
helpful?
Yes
No
+1
Saturday, July 27th, 2019 AT 11:00 AM (Merged)
Tiny
JACOBANDNICKOLAS
  • MECHANIC
  • 110,194 POSTS
When the lights are on, only the front lights flash quickly? No rear lights? To be honest, other than the check engine light, all the problems seem to be tied together at the multi-function switch. Have you removed and checked that?
Was this
answer
helpful?
Yes
No
Saturday, July 27th, 2019 AT 11:00 AM (Merged)
Tiny
WRENCHTECH
  • MECHANIC
  • 20,761 POSTS
The "Service Vehicle soon" light is an issue that the Body Control Module has sensed and that could have something to do with the lights so you need to have the body codes read first.
Was this
answer
helpful?
Yes
No
+1
Saturday, July 27th, 2019 AT 11:00 AM (Merged)
Tiny
KINGSA1
  • MEMBER
  • 7 POSTS
No not yet actually that was my next thing I was going to try
Was this
answer
helpful?
Yes
No
Saturday, July 27th, 2019 AT 11:00 AM (Merged)
Tiny
KINGSA1
  • MEMBER
  • 7 POSTS
I should have mentioned that the rear blinkers act normally except for the rapid flashing
Was this
answer
helpful?
Yes
No
Saturday, July 27th, 2019 AT 11:00 AM (Merged)
Tiny
KINGSA1
  • MEMBER
  • 7 POSTS
I will try both answers you gave me and report back as to the results
Was this
answer
helpful?
Yes
No
Saturday, July 27th, 2019 AT 11:00 AM (Merged)
Tiny
KINGSA1
  • MEMBER
  • 7 POSTS
Well I blew $110.00 bucks on a new multi switch it made no difference so that was a waste of money still does the same thing but only when I actually turn the lights on or when the lights from auto come on full at dark or when it's really dismal out so any other suggestions? Rechecked ALL the bulbs they are good
Was this
answer
helpful?
Yes
No
Saturday, July 27th, 2019 AT 11:00 AM (Merged)
Tiny
KINGSA1
  • MEMBER
  • 7 POSTS
Oh and it seems when right blinker is on and this happens the rear lights both do flash, but the left flashes rapidly but only the left
Was this
answer
helpful?
Yes
No
Saturday, July 27th, 2019 AT 11:00 AM (Merged)
Tiny
KINGSA1
  • MEMBER
  • 7 POSTS
You're contact page is a JOKE tried to send this message ten fuckin times and kept saying message contains illegal characters

( hey I did the donation thing and you said unless I was satisfied I'd get my money back well they gave me an answer the wrong answer and I replied twice to get the right one and all of a sudden I'm being ignored WHAT you want more money every time even if it's the same problem what kind of thing is that)

got my money now screw me right should have guessed
Was this
answer
helpful?
Yes
No
Saturday, July 27th, 2019 AT 11:00 AM (Merged)

Please login or register to post a reply.