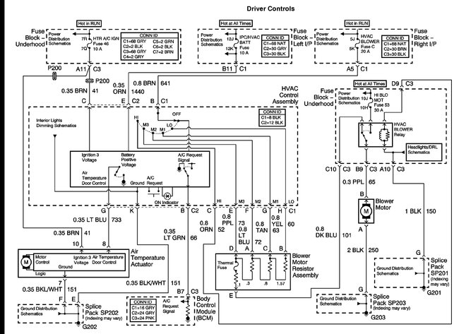
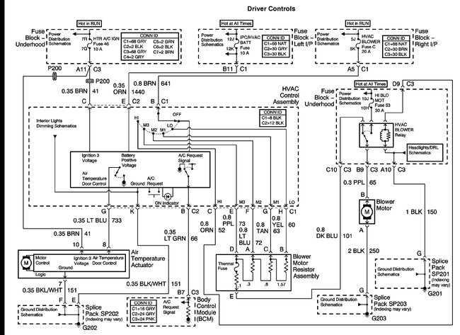
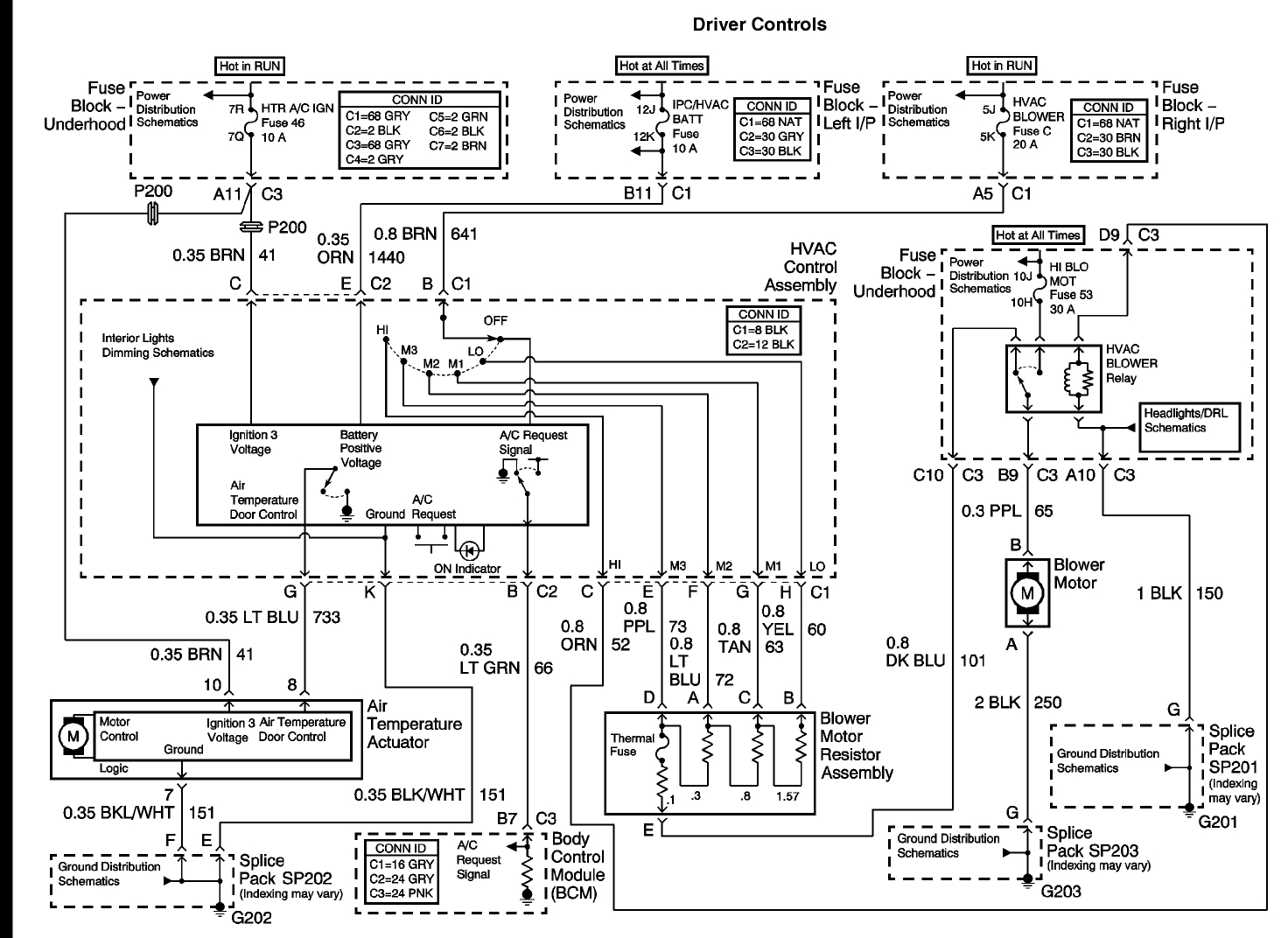
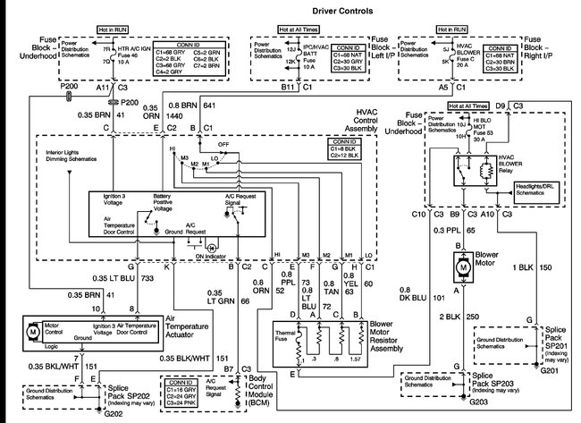
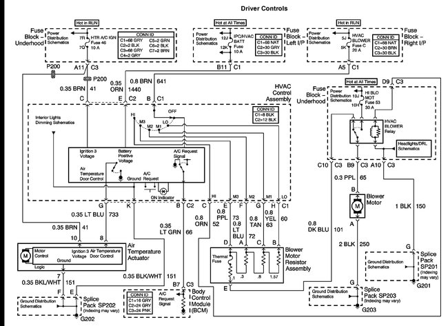
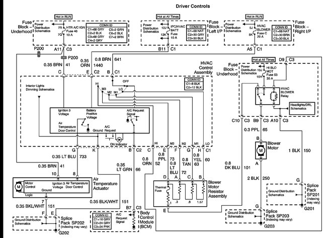
Just bought this car. The problems were: one headlight out, blinkers not really working, AC/heat not working, windshield wipers delayed. The problem I want to fix is the AC/heat. It will not blow. Everything on the controls works, but the heat blows out very minimal, like the smallest breeze. It takes ages to defrost my windshield.
Already fixed the blinkers.
Already fixed the blinkers.
Jan 24, 2018 at 1:54 PM
