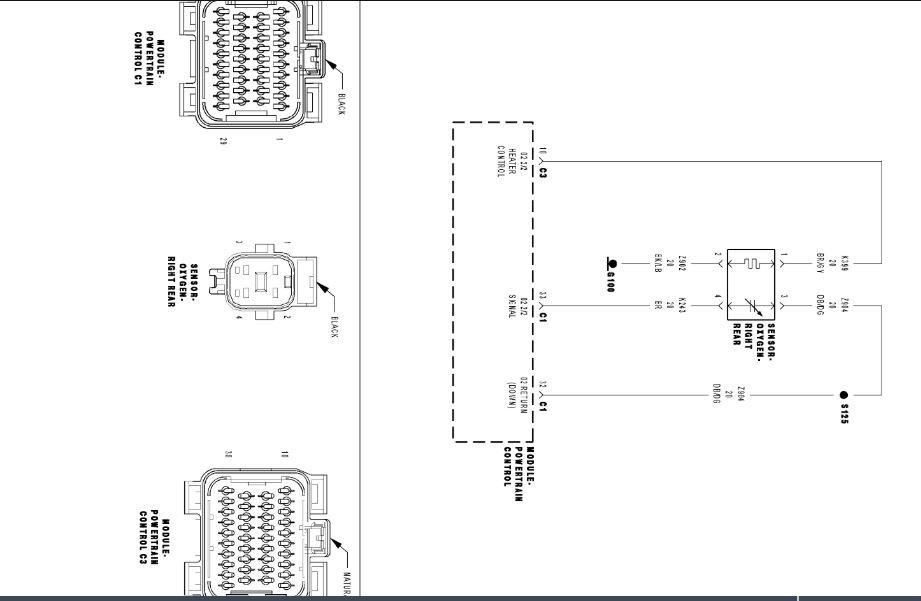
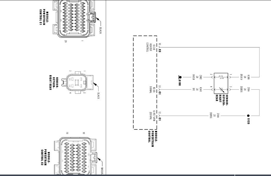
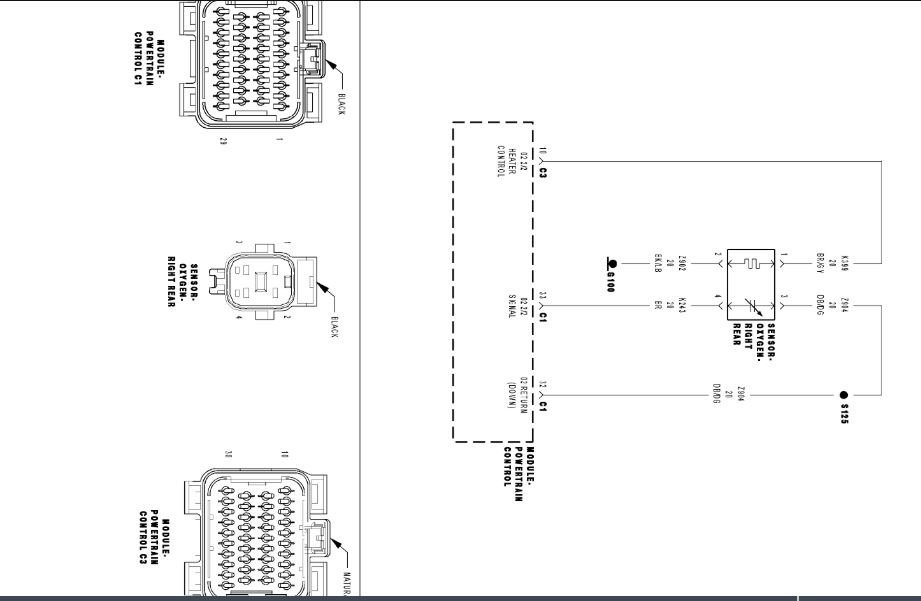
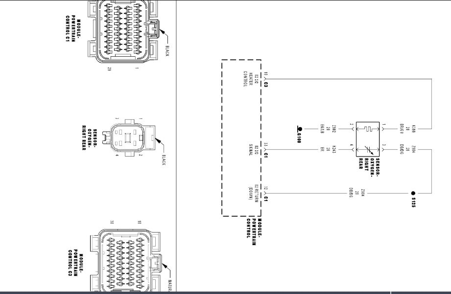
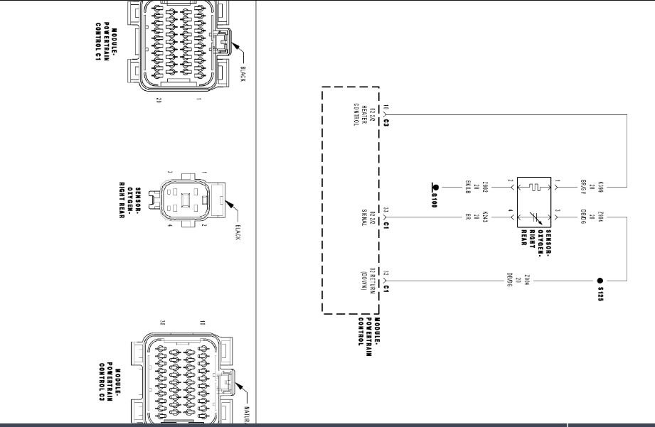
Wires are crossed to pig tails to PCM

Tiny
ASEMASTER6371
  • MECHANIC
  • 52,796 POSTS
Okay, I attached the information for the codes below. You should have more information on the 2101 from previous posts.

Roy
Was this
answer
helpful?
Yes
No
+1
Thursday, March 19th, 2020 AT 4:59 AM
Tiny
AGNUS
  • MEMBER
  • 37 POSTS
Hey, well I'm driving it but I don't know some kind of miracle happened I guess. I have no idea how old is driving but it is check engine lights on, shifting kind of weird and like I got the heater going. But the right side is warm the left side is cold. Just a little weird stuff like that. But yeah pretty crazy.
Was this
answer
helpful?
Yes
No
Thursday, March 19th, 2020 AT 7:04 AM
Tiny
ASEMASTER6371
  • MECHANIC
  • 52,796 POSTS
Are the lights still on?

Did you verify coolant levels?

Roy
Was this
answer
helpful?
Yes
No
+1
Thursday, March 19th, 2020 AT 7:06 AM
Tiny
AGNUS
  • MEMBER
  • 37 POSTS
Check engine light is on and the fluids are all fine.
Was this
answer
helpful?
Yes
No
Thursday, March 19th, 2020 AT 7:24 AM
Tiny
ASEMASTER6371
  • MECHANIC
  • 52,796 POSTS
Since it has not run in a while, you may want to consider changing the transmission fluid and filter.

https://www.2carpros.com/articles/how-to-service-an-automatic-transmission

Roy
Was this
answer
helpful?
Yes
No
+1
Thursday, March 19th, 2020 AT 7:26 AM
Tiny
AGNUS
  • MEMBER
  • 37 POSTS
I have no idea how to do that. Is it pretty simple?
Was this
answer
helpful?
Yes
No
Thursday, March 19th, 2020 AT 7:28 AM
Tiny
AGNUS
  • MEMBER
  • 37 POSTS
It don't have a dipstick, so could I just go to a parts store and get one?
Was this
answer
helpful?
Yes
No
Thursday, March 19th, 2020 AT 7:31 AM
Tiny
ASEMASTER6371
  • MECHANIC
  • 52,796 POSTS
Follow the guide I sent you. It is a lot easier than the wiring you did.

Roy
Was this
answer
helpful?
Yes
No
+1
Thursday, March 19th, 2020 AT 7:36 AM
Tiny
AGNUS
  • MEMBER
  • 37 POSTS
I know that's right brother that was hard. Pretty much like changing oil right?
Was this
answer
helpful?
Yes
No
Thursday, March 19th, 2020 AT 7:38 AM
Tiny
ASEMASTER6371
  • MECHANIC
  • 52,796 POSTS
Correct but a little more messy.

Roy
Was this
answer
helpful?
Yes
No
+1
Thursday, March 19th, 2020 AT 7:39 AM
Tiny
AGNUS
  • MEMBER
  • 37 POSTS
Where would that filter be located?
Was this
answer
helpful?
Yes
No
Thursday, March 19th, 2020 AT 8:00 AM
Tiny
AGNUS
  • MEMBER
  • 37 POSTS
I tell you it's some kind of miracle I tell you. But why do you think one side of blow hot and one side blow cold?
Was this
answer
helpful?
Yes
No
Thursday, March 19th, 2020 AT 8:01 AM
Tiny
ASEMASTER6371
  • MECHANIC
  • 52,796 POSTS
The filter is inside the pan. When you drop the pan, it will be right there.

Roy
Was this
answer
helpful?
Yes
No
+1
Thursday, March 19th, 2020 AT 8:17 AM
Tiny
ASEMASTER6371
  • MECHANIC
  • 52,796 POSTS
Okay, site rules state we can only address one issue at a time.

For me to continue with the transmission issue, please start a new question back at the beginning.

Thanks,

Roy
Was this
answer
helpful?
Yes
No
+1
Thursday, March 19th, 2020 AT 11:15 AM
Tiny
AGNUS
  • MEMBER
  • 37 POSTS
Okay, well I've come to a closure that the PCM is going bad because I started it and limp mode so I tapped on it not to hard and it shut off so I started it nada did it a few times over and over and then it started. So I'm going to replace it Thank you.
Was this
answer
helpful?
Yes
No
Thursday, March 19th, 2020 AT 1:11 PM
Tiny
ASEMASTER6371
  • MECHANIC
  • 52,796 POSTS
You are welcome.

Always glad to help.

Roy
Was this
answer
helpful?
Yes
No
+1
Thursday, March 19th, 2020 AT 1:15 PM
Tiny
AGNUS
  • MEMBER
  • 37 POSTS
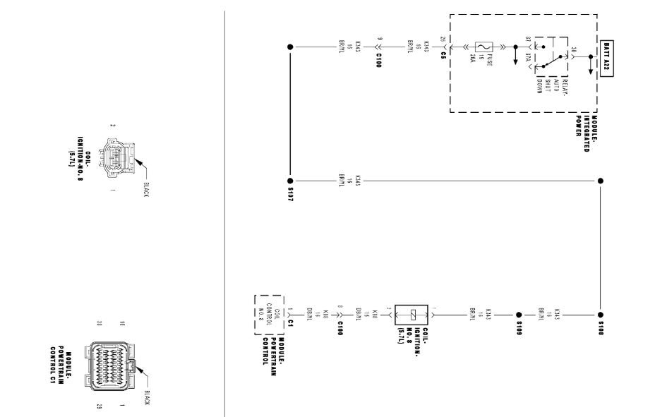
I'm back well number 5 coil pack has no juice?
Was this
answer
helpful?
Yes
No
Thursday, March 19th, 2020 AT 9:31 PM
Tiny
ASEMASTER6371
  • MECHANIC
  • 52,796 POSTS
Do all the other coils have power to the same color wire?

Roy
Was this
answer
helpful?
Yes
No
+1
Friday, March 20th, 2020 AT 4:34 AM
Tiny
AGNUS
  • MEMBER
  • 37 POSTS
They all work but that 1.
Was this
answer
helpful?
Yes
No
Friday, March 20th, 2020 AT 12:40 PM
Tiny
ASEMASTER6371
  • MECHANIC
  • 52,796 POSTS
You have a wiring issue at that 1 coil. One wire feeds all the coils there power. They each have a return voltage to the PCM.

Take a close look at the harness.

Roy
Was this
answer
helpful?
Yes
No
+1
Friday, March 20th, 2020 AT 12:42 PM

Please login or register to post a reply.