Tuesday, September 5th, 2017 AT 3:59 PM
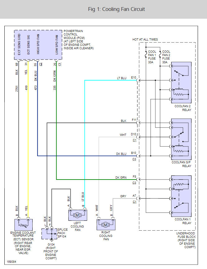
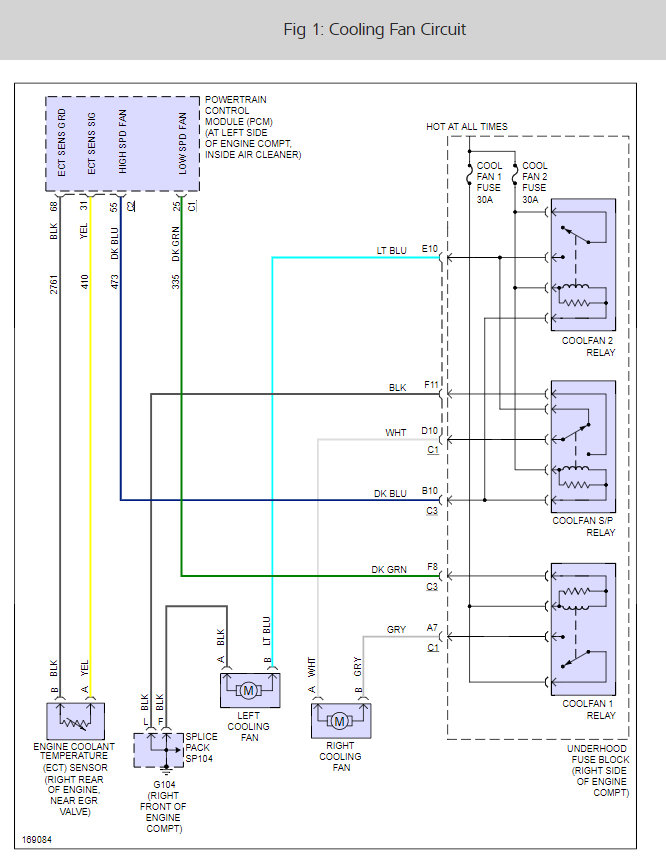
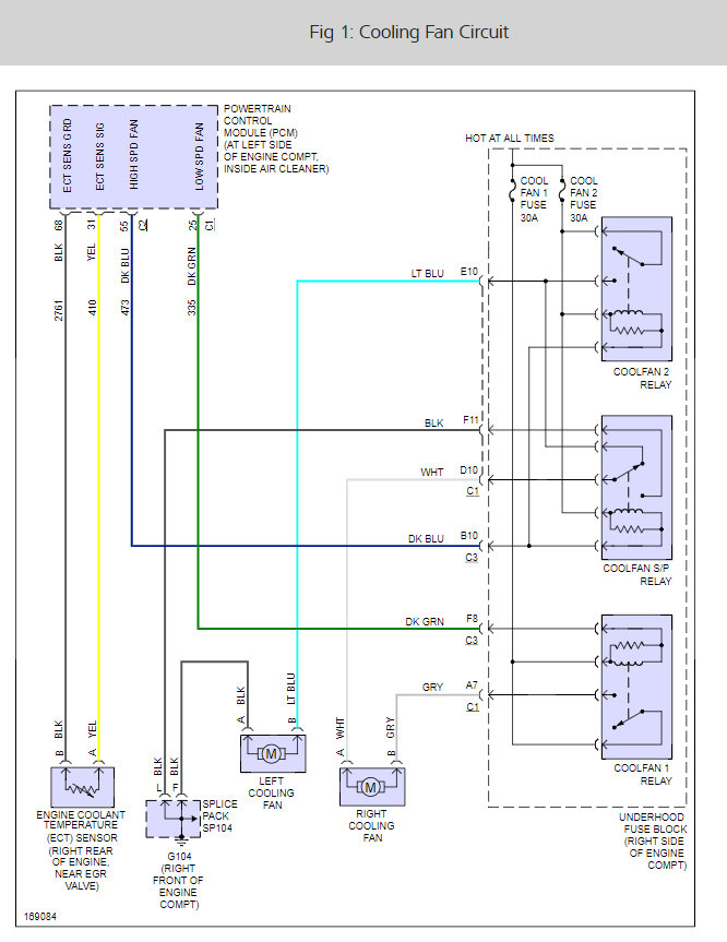
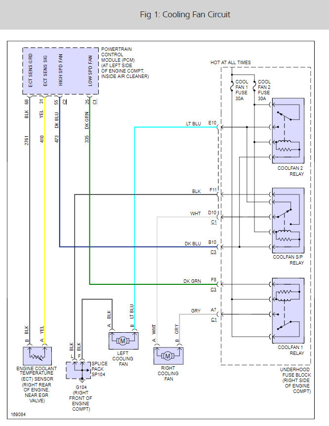
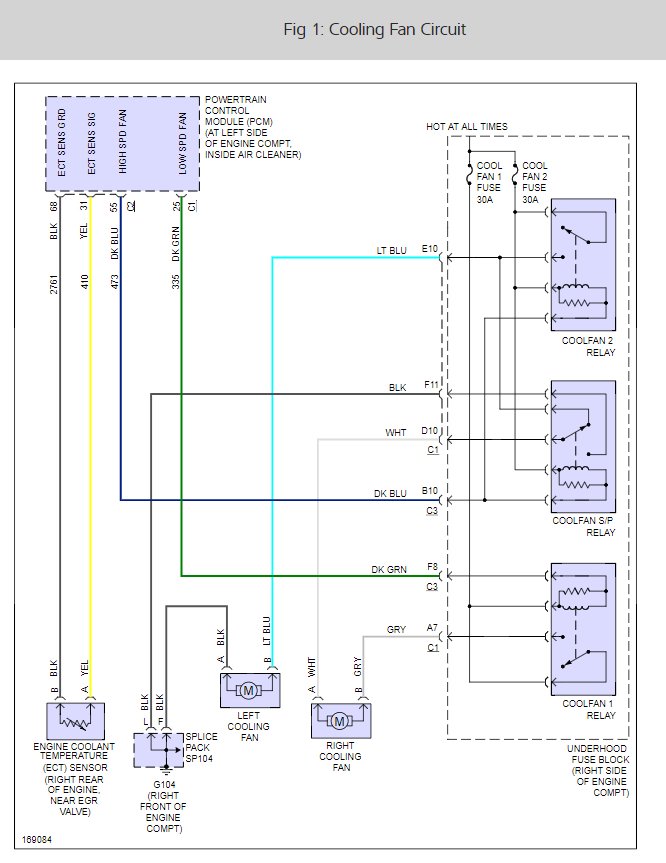
About two months ago my dash panel told me to turn off my A/C due to hot coolant and idle engine, the heat gauge went all the way up. Turning off the A/C caused the heat gauge to come down. When I had a chance I checked the overflow jug and it was fine. The shop said they could not see why it was overheating and suggested that I have it flushed out and replaced the coolant. Car ran fine for a month or so and suddenly the check engine light came on and after a few miles the car overheated again with the same message as last time, only this time when I turned off the A/C it did not bring down the heat gauge. I had the car towed and the same garage said that the radiator cap was no longer holding pressure and my fluids were very low, after replacing it it was not overheating and the check engine light was due to a crack in a boot or coupling on the manifold and unrelated to the overheating issue. Car ran good for a couple days and then a message to check my coolant levels started coming on every time I would start the car. My uncle checked the coolant levels (which was only slightly low) and drove the car and the light went off after three miles and I drove it for two more days and just hit reset and the light only came back on when restarting the car inconsistently. After two days of this the car once again overheated and most of the coolant was gone. Same shop ways that they are now finding an obvious leak on a seal near the rear of the engine near the heater core, but they still cannot figure out why it is overheating. They checked the thermostat and the fans and both appear to be fine. Help! I simply cannot buy another vehicle.




