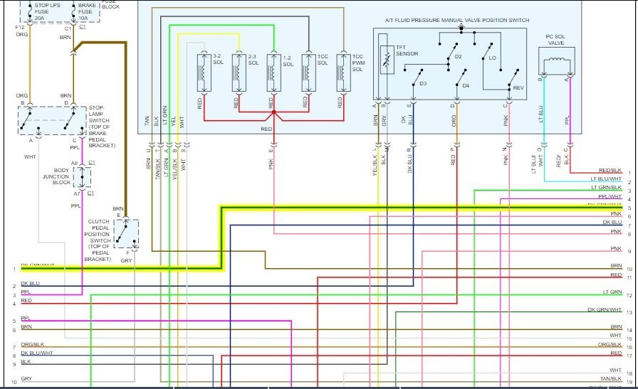
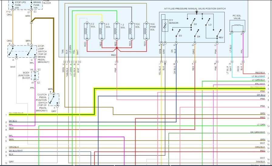
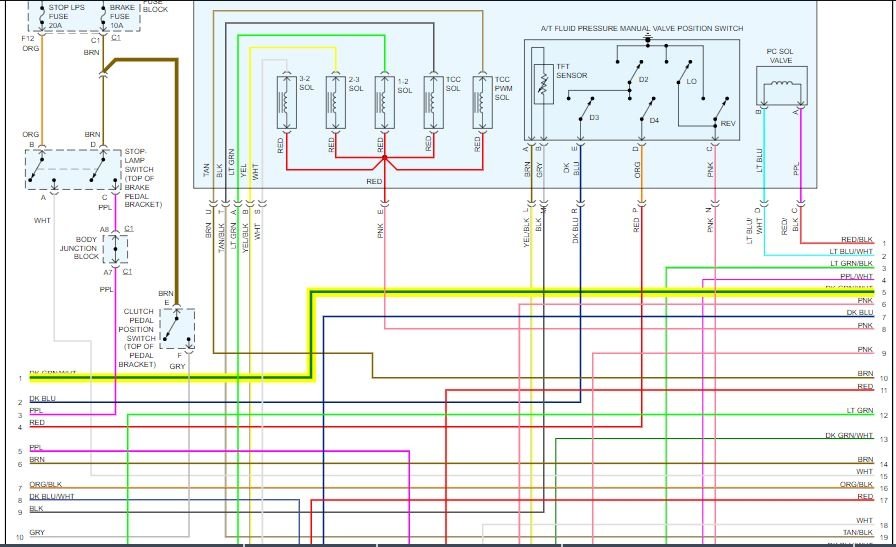
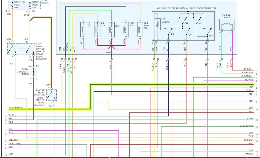
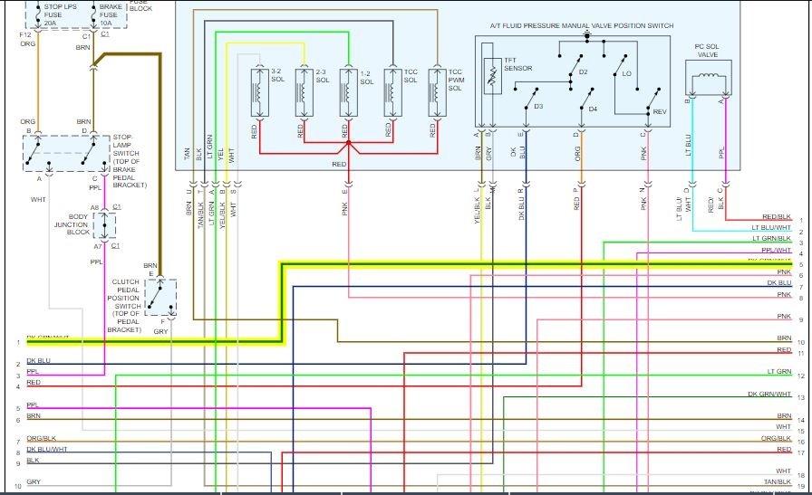
Second issue is: I cannot get the instrument cluster to light up mileage, security, fuel level and temperature gauge. The voltage, speedometer, tachometer (I think), check engine light all come on. I have bought a new body control module that was already programmed to my VIN and it does the exact same thing. Even swapped used gauge cluster from the junkyard and it does the exact same thing. I'm at a complete loss on this thing and just need some help. Thanks in advance for any help that can be given.
Sunday, May 2nd, 2021 AT 7:43 PM













