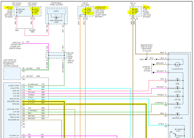
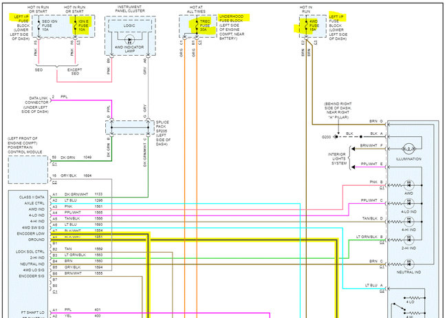
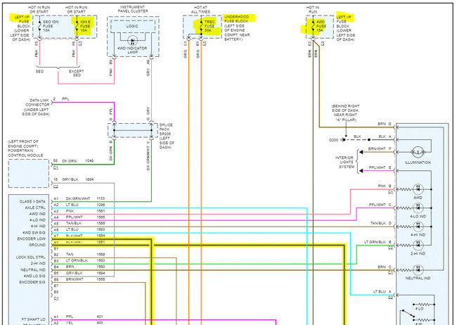
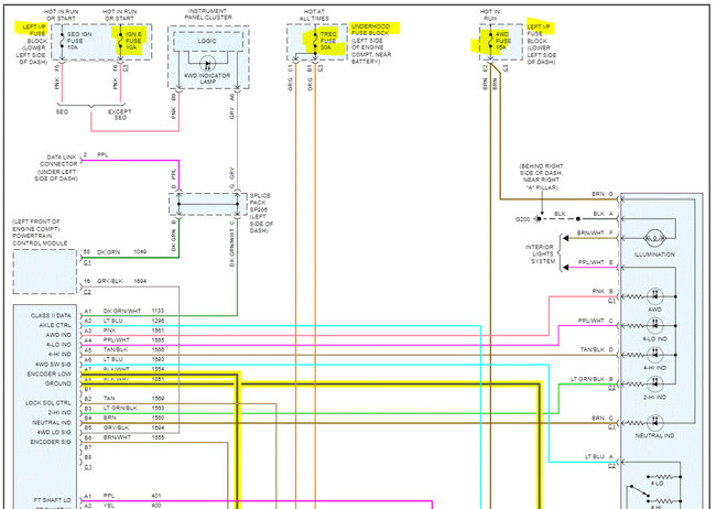
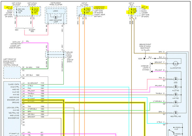
I've had issues with this 4wd system in the past that were fixed by cleaning up the ground on the frame, replacing the dash switch, and more recently replacing the encoder ring and motor. The 4WS, 4WD, and IG1 fuses are all ok and have power when they key is on.
I suspect it's a ground or some other electrical connection, anyone know what would cause this?
Thursday, December 9th, 2021 AT 3:50 PM







