No power on pin 85 on fuel pump relay

Tiny
REBELROUSERD
  • MEMBER
  • 1997 GMC SONOMA
  • 4.3L
  • V6
  • 2WD
  • AUTOMATIC
  • 102,000 MILES
When I turn the key I get no power on pin 85 in the fuel pump relay terminal. If I put power to pin 30 fuel pump works. Tried swapping out computer still no power. Checked fuse to ECM okay.
Tuesday, May 1st, 2018 AT 9:29 AM

28 Replies

Tiny
ASEMASTER6371
  • MECHANIC
  • 52,796 POSTS
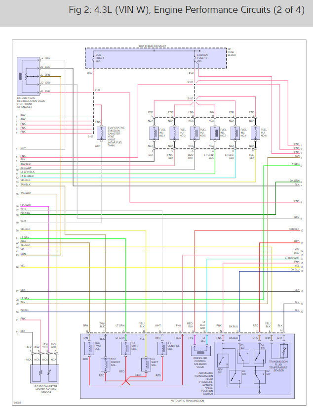
Please check fuse # (ECMBATT fuse) in the interior fuse panel here is a fuel pump relay wiring diagrams so you can see how the system works. Check out the images (Below). Please let us know what happens.
Was this
answer
helpful?
Yes
No
-3
Tuesday, May 1st, 2018 AT 1:06 PM
Tiny
ASEMASTER6371
  • MECHANIC
  • 52,796 POSTS
VCM information.

The service of the VCM consists of replacing the VCM. If the diagnostics call for replacement of the VCM, transfer the Knock Sensor (KS) Calibration Programmable Read Only Memory (PROM) and program the EEPROM in the VCM. Refer to Electrically Erasable Programmable Read Only Memory (EEPROM) Programming.

KNOCK SENSOR (KS) CALIBRATION PROM

CAUTION: In order to prevent possible Electrostatic Discharge damage to the VCM, do not touch the connector pins or soldered components on the circuit board. In order to prevent the internal VCM damage, the ignition must be OFF when disconnecting or reconnecting or reconnecting the power to the VCM (battery cable, ECM fuse, jumper cables, etc.).

REMOVAL PROCEDURE
1. Disconnect the negative battery cable.
2. Remove the connectors from the VCM.
3. Remove the mounting hardware. Remove the VCM from the engine compartment.
4. Remove the VCM access cover.

CAUTION: Do not remove the cover of the KS Calibration PROM. Use of an unapproved KS Calibration PROM removal methods may cause damage to the KS Calibration PROM or the socket.

NOTE: The replacement VCM is supplied without a KS Calibration PROM, so for reuse in the new VCM carefully remove the PROM from the defective VCM.

5. Remove the Calibration PROM.

5.1. Using the thumb and first finger, remove the KS Calibration PROM by gently squeezing each end of the blue KS Calibration PROM
5.2. Pull upward.

6. Inspect for the alignment notches of the KS Calibration PROM.
7. Carefully set it aside.
8. Do not open the KS Calibration PROM.
9. Remove the new VCM from the packaging. Check the service number in order to make sure it is the same as the defective VCM.
10. Remove the access cover.

INSTALLATION PROCEDURE

NOTE: Press only on the ends of the KS Calibration PROM. The small notches in the KS Calibration PROM must align with the small notches in the KS Calibration PROM socket. Gently press on the KS Calibration PROM until it is firmly seated in the socket. Listen for the click.

1. Install the KS Calibration PROM in the KS Calibration PROM socket.
2. Install the access cover on the VCM.
3. Install the VCM in the engine compartment.

NOTE: The ignition should always be OFF when installing or removing the VCM connectors.

4. Install the connectors to the VCM.
5. The MIL, antilock and brake lamps will continue to be enabled until the VCM is programmed. Once the programming is complete, the lamps will turn off and normal operation will occur.
6. Connect the negative battery cable.
7. Proceed to the EEPROM programming. Refer to EEPROM Programming.

REPROGRAMING (FLASHING) THE CONTROL MODULE
Some vehicles allow the reprogramming of the control module without removal from the vehicle. This provides a flexible and a cost-effective method of making changes in software and calibrations.

Refer to the latest Techline information on re-programming or flashing procedures.
Was this
answer
helpful?
Yes
No
Tuesday, May 1st, 2018 AT 1:09 PM
Tiny
REBELROUSERD
  • MEMBER
  • 14 POSTS
I replace the VCM and still no power.
Was this
answer
helpful?
Yes
No
Tuesday, May 1st, 2018 AT 1:24 PM
Tiny
ASEMASTER6371
  • MECHANIC
  • 52,796 POSTS
You will need to trace the wire back from the relay to the VCM and verify the wire is not bad.

Did you use new VCM?

Roy
Was this
answer
helpful?
Yes
No
+1
Tuesday, May 1st, 2018 AT 2:31 PM
Tiny
REBELROUSERD
  • MEMBER
  • 14 POSTS
No, I took one off a running truck. The truck was running fine and the fuel pump quit. I replaced it that fuel pump quit after six months. I put the third one in and now I have no power on pin 85. It just seems funny that it was working fine until the pump itself went bad and now it has no power to it. Finding that wire is not going to be an easy job.
Was this
answer
helpful?
Yes
No
-1
Tuesday, May 1st, 2018 AT 11:31 PM
Tiny
ASEMASTER6371
  • MECHANIC
  • 52,796 POSTS
Okay, then the only thing left is the wiring from the VCM to the relay. You will have to trace the wire from the VCM to the relay.

Roy
Was this
answer
helpful?
Yes
No
Wednesday, May 2nd, 2018 AT 3:34 AM
Tiny
KEN L
  • MASTER CERTIFIED MECHANIC
  • 55,350 POSTS
Here is a guide to help you check the wiring and the full engine and fuel pump wiring diagrams to help us fix this problem:

https://www.2carpros.com/articles/how-to-check-wiring

Can you tell me if the ignition has spark? Because if it does not the computer will never turn the pump on. Can you hear the pump prime when the key is turned on?

Check out the diagrams (below).

Please let us know what happens.

Cheers, Ken
Was this
answer
helpful?
Yes
No
+1
Wednesday, May 2nd, 2018 AT 1:12 PM
Tiny
REBELROUSERD
  • MEMBER
  • 14 POSTS
If I put power to pin 30 the pump runs and the engine starts and runs. If I try to just start the truck normally it does not start. It is not giving that few seconds of power to the pump to start. All the pins on the relay terminal check out except pin 85. Probably this weekend before I can work on it again. Will let you know if I get anywhere.
Was this
answer
helpful?
Yes
No
+1
Wednesday, May 2nd, 2018 AT 2:15 PM
Tiny
ASEMASTER6371
  • MECHANIC
  • 52,796 POSTS
Sounds like a plan.
Was this
answer
helpful?
Yes
No
Wednesday, May 2nd, 2018 AT 2:20 PM
Tiny
REBELROUSERD
  • MEMBER
  • 14 POSTS
Well, I am not that good with diagrams and schematics but I tried to find the wire to pin 85. Was not sure which plug it was in. I thought it was the black one but it had three green and white wires and I could not figure out which pin they went to. I found something today that shows each plug so when I get a chance to go over again. I will do a continuity test on it and figure out where I have to go from there.
Was this
answer
helpful?
Yes
No
Monday, May 7th, 2018 AT 3:01 PM
Tiny
ASEMASTER6371
  • MECHANIC
  • 52,796 POSTS
That would be a good start. As I stated before, you need to check the wire as it may not be supplying power to the relay.

Roy
Was this
answer
helpful?
Yes
No
Monday, May 7th, 2018 AT 3:08 PM
Tiny
REBELROUSERD
  • MEMBER
  • 14 POSTS
Yeah that was my plan but could not figure out which one it was. Plus they do not give you any slack to play with so it is areal tight place to try and test. Hopefully now that I know which plug and pin I can test it.
Was this
answer
helpful?
Yes
No
Monday, May 7th, 2018 AT 3:19 PM
Tiny
ASEMASTER6371
  • MECHANIC
  • 52,796 POSTS
Okay, let us know how you make out.
Was this
answer
helpful?
Yes
No
Monday, May 7th, 2018 AT 3:39 PM
Tiny
REBELROUSERD
  • MEMBER
  • 14 POSTS
Did not get much time to look this weekend but did find no continuity between ECU pin and and #85 pin. Next will test to make sure of output from ECU if so then will either try to find break in wire or try to run new one. Hope to fix.
Was this
answer
helpful?
Yes
No
Wednesday, May 16th, 2018 AT 5:37 PM
Tiny
ASEMASTER6371
  • MECHANIC
  • 52,796 POSTS
Keep us updated.
Was this
answer
helpful?
Yes
No
Wednesday, May 16th, 2018 AT 5:40 PM
Tiny
REBELROUSERD
  • MEMBER
  • 14 POSTS
Okay now I am confused. I just inserted a fine wire in to the plug on the ECU that goes to pin 85 turn on the key and the test light does not light and this is on a running truck of the same year. Should it not have lit for a couple of seconds or is it not because the relay and pump is stopping it from lighting? Just guessing because I thought it should light.
Was this
answer
helpful?
Yes
No
Saturday, May 19th, 2018 AT 3:23 PM
Tiny
ASEMASTER6371
  • MECHANIC
  • 52,796 POSTS
The dark green/white wire is what needs to be powered. That comes from the ECM and works the control side of the relay.

Roy
Was this
answer
helpful?
Yes
No
Saturday, May 19th, 2018 AT 3:36 PM
Tiny
REBELROUSERD
  • MEMBER
  • 14 POSTS
Yes, that is the wire I tapped into, but when I turn the key on the test light did not light.
Was this
answer
helpful?
Yes
No
Saturday, May 19th, 2018 AT 3:41 PM
Tiny
ASEMASTER6371
  • MECHANIC
  • 52,796 POSTS
Okay, you know it will only power for two seconds? Then it will power when cranking.

Roy
Was this
answer
helpful?
Yes
No
Saturday, May 19th, 2018 AT 3:49 PM
Tiny
REBELROUSERD
  • MEMBER
  • 14 POSTS
Yes, but it did not light at all.
Was this
answer
helpful?
Yes
No
Saturday, May 19th, 2018 AT 4:00 PM

Please login or register to post a reply.