No power to fuel pump

Tiny
REPAIRMAN_TIM
  • MEMBER
  • 1996 GMC SONOMA
  • 4.3L
  • V6
  • 2WD
  • AUTOMATIC
  • 100 MILES
Fuel pump went out. (Tested-it was dead) Replaced fuel pump. Still no fuel. Tested new pump. Works when hot ran straight from bat. Fuse in regular dash fuse panel is good. Swapped out relay in glove box. Still no power to fuel pump.
Is there another fuse? Or some other sensor that would cause loss of power?
Sunday, March 23rd, 2014 AT 12:03 PM

2 Replies

Tiny
JACOBANDNICKOLAS
  • MECHANIC
  • 110,194 POSTS
You need to see if power is at the relay here is a guide to show you how.

https://www.2carpros.com/articles/how-to-check-an-electrical-relay-and-wiring-control-circuit

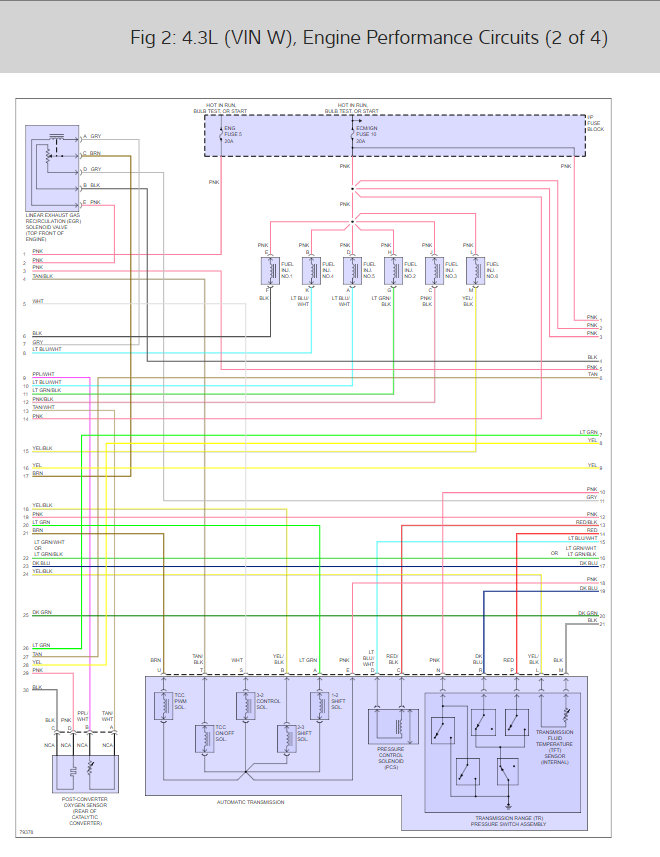
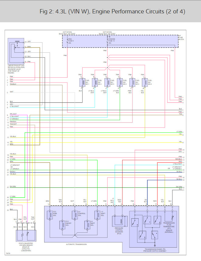
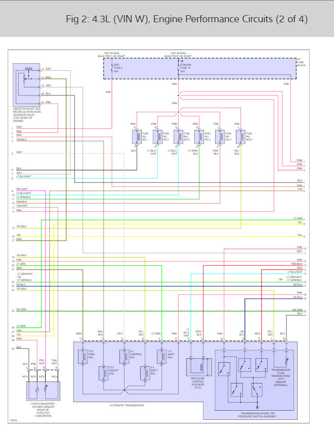
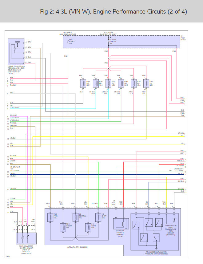
Here is the engine and fuel pump wiring diagrams so you can see how the systems work.

Check out the diagrams (Below)

Please let us know what you find.

Cheers
Was this
answer
helpful?
Yes
No
+3
Monday, March 24th, 2014 AT 5:42 AM
Tiny
REPAIRMAN_TIM
  • MEMBER
  • 1 POST
Thanks for the guides it was the #9 fuse causing the problems got it all fixed up.
Was this
answer
helpful?
Yes
No
Friday, March 28th, 2014 AT 5:02 AM

Please login or register to post a reply.