If the fuel pump relay is good ten what is.

Tiny
ROBO6969
  • MEMBER
  • 2003 GMC SONOMA
If the fuel pump relay is good ten what is keeping the fuel pump from working I know the fuel pump is good since I have bench tested it
Sunday, November 11th, 2012 AT 6:06 PM

4 Replies

Tiny
JDL
  • MECHANIC
  • 16,098 POSTS
Bench testing a fuel pump isn't worth much. I've seen faulty fuel pumps that would run up a storm on the bench, but, won't run with a load on it. Did you use a gage and check fuel pressure, before you removed the pump? With key on, no crank, would the fuel pump run for a few seconds? Any applicable trouble codes? Are you missing anything besides fuel? Engine cranking, did you have spark at the spark plugs? I looked at 4.3L engine.
Was this
answer
helpful?
Yes
No
+1
Sunday, November 11th, 2012 AT 6:21 PM
Tiny
ROBO6969
  • MEMBER
  • 3 POSTS
Ok so I am able to get it to crank if I shoot startingfluid in the breather and no the fuel pump will not turn on when the key is turned on
Was this
answer
helpful?
Yes
No
+1
Sunday, November 11th, 2012 AT 6:27 PM
Tiny
ROBO6969
  • MEMBER
  • 3 POSTS
And I had no fuel gage
Was this
answer
helpful?
Yes
No
Sunday, November 11th, 2012 AT 6:31 PM
Tiny
JDL
  • MECHANIC
  • 16,098 POSTS
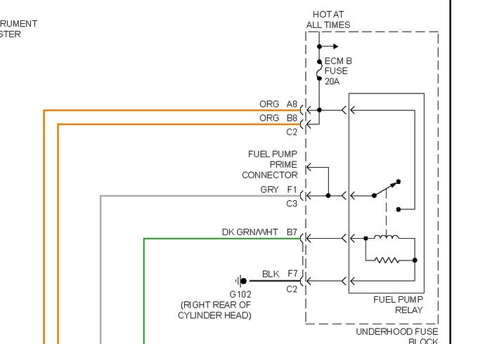
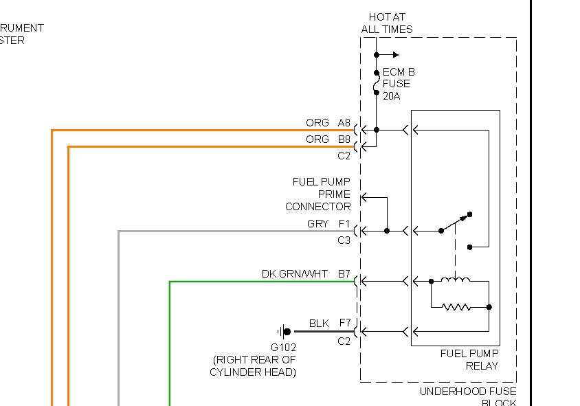
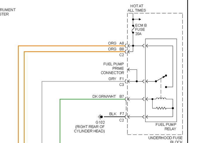
Check voltage and ground at fuel pump connector. If you have good voltage and ground at the fuel pump, and no fuel pump action, the fuel pump is faulty. Some of the national brand autostores used to loan out a fuel pressure gage.

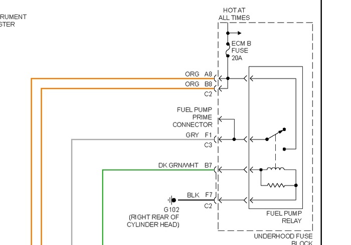
Did you check the voltage at the fuse in diagram, is fuse ok? The pcm sends voltage to the coil side of relay. The ground for coil side of relay is constant. At initial prime, key on, no crank, The pcm sends voltage to coil side of relay for about two seconds for the initial prime, green wire with white tracer. The control side of relay and load side of relay have different voltage sources.
Was this
answer
helpful?
Yes
No
Sunday, November 11th, 2012 AT 7:38 PM

Please login or register to post a reply.