Fuel system

Tiny
DB18765
  • MEMBER
  • 1999 GMC SONOMA
  • 2WD
  • AUTOMATIC
  • 174,000 MILES
What do I do if my fuel pump relay wont engage but the relay and fuel pump are still good
Friday, March 4th, 2011 AT 3:05 AM

7 Replies

Tiny
WRENCHTECH
  • MECHANIC
  • 20,761 POSTS
How are you checking it? It only powers for 2 seconds when the key is first turned on so you need 2 people to check it.
Was this
answer
helpful?
Yes
No
Friday, March 4th, 2011 AT 3:07 AM
Tiny
DB18765
  • MEMBER
  • 4 POSTS
When I do turn the key on it doesnt do anything but when I put power straight to the relay it works and also when I put power straight to the fuel pump it comes on too I think there may b a problem in the relay/fuse panel under the hood
Was this
answer
helpful?
Yes
No
-1
Friday, March 4th, 2011 AT 3:30 AM
Tiny
WRENCHTECH
  • MECHANIC
  • 20,761 POSTS
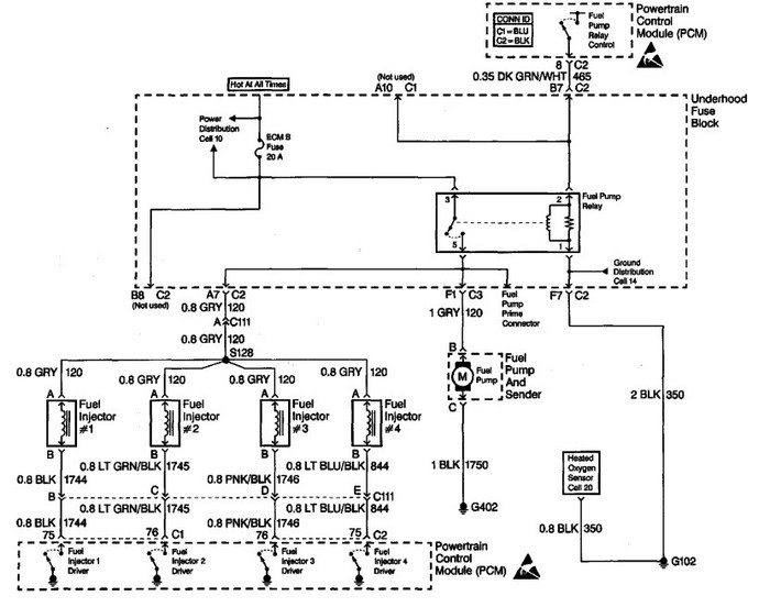
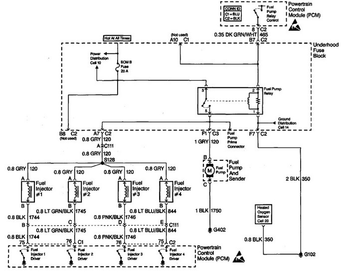
Here is the wiring diagram so you can determine why.
Was this
answer
helpful?
Yes
No
Friday, March 4th, 2011 AT 10:55 AM
Tiny
DB18765
  • MEMBER
  • 4 POSTS
Would it b a problem if my o2 sensor is bad I know that it is bad because I put an air/fuel ratio gauge on it and the bar jkumps from rich to lean 2xs a second
Was this
answer
helpful?
Yes
No
Friday, March 4th, 2011 AT 4:41 PM
Tiny
WRENCHTECH
  • MECHANIC
  • 20,761 POSTS
It's supposed to jump rich to lean to rich, the faster the better.
Was this
answer
helpful?
Yes
No
Friday, March 4th, 2011 AT 9:05 PM
Tiny
DB18765
  • MEMBER
  • 4 POSTS
I thought it was supposed to stay at ideal
Was this
answer
helpful?
Yes
No
Saturday, March 5th, 2011 AT 1:50 AM
Tiny
WRENCHTECH
  • MECHANIC
  • 20,761 POSTS
No, it isn't. The more cross counts, the better.
Was this
answer
helpful?
Yes
No
Saturday, March 5th, 2011 AT 1:52 AM

Please login or register to post a reply.