Hi beavr711,
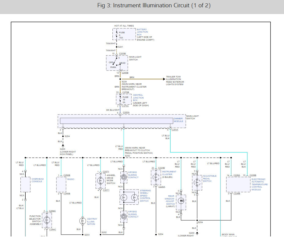
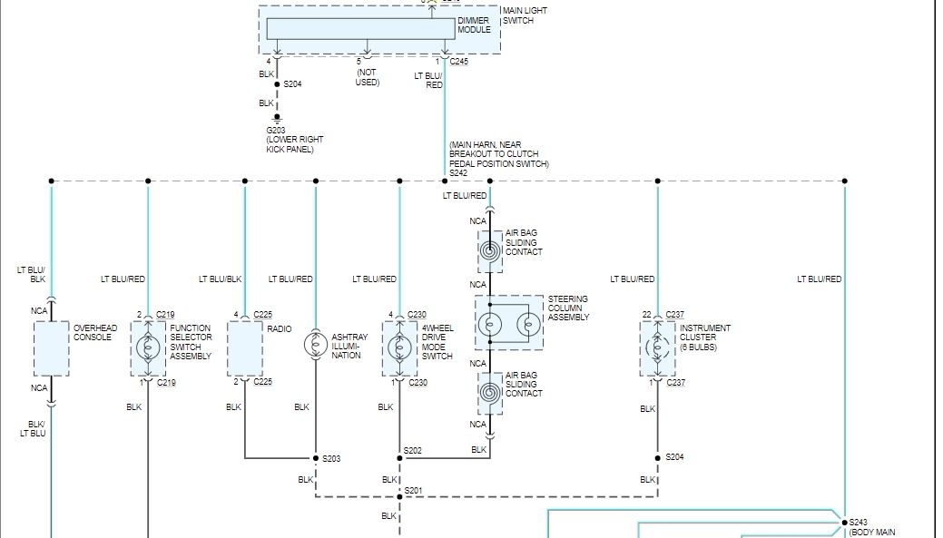
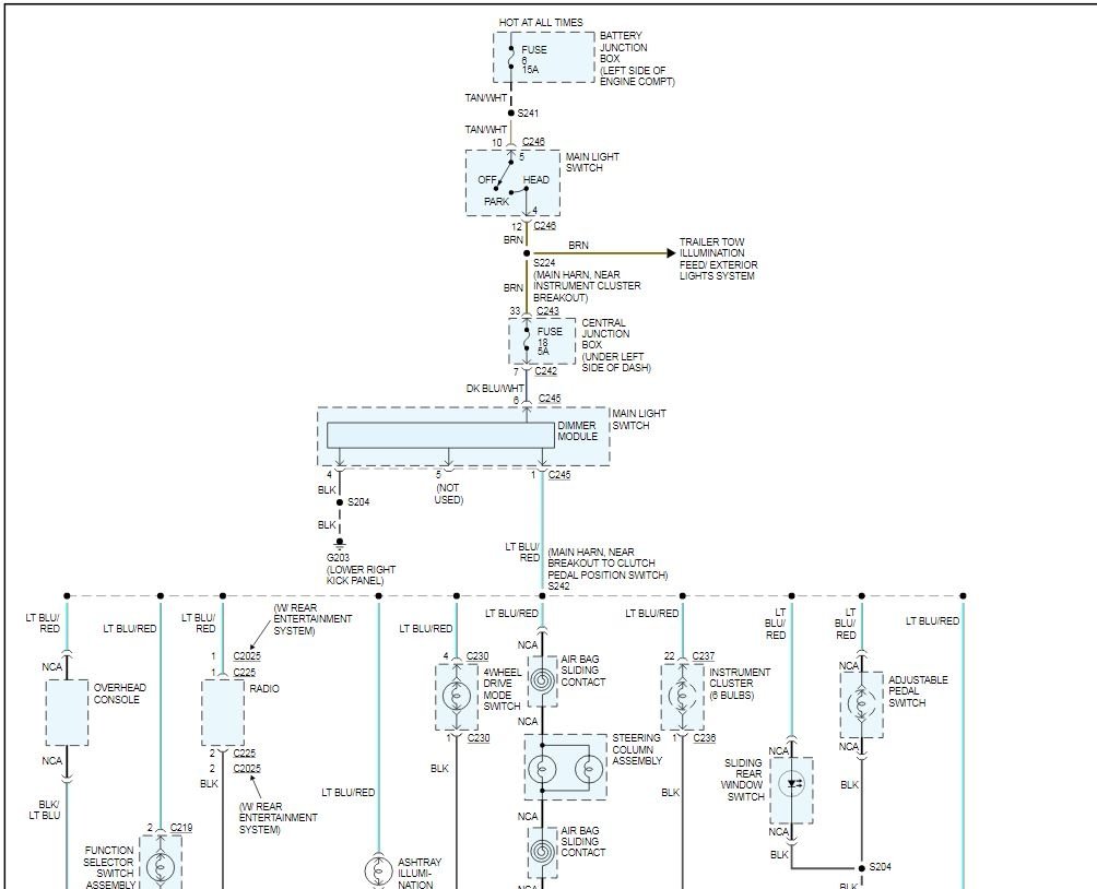
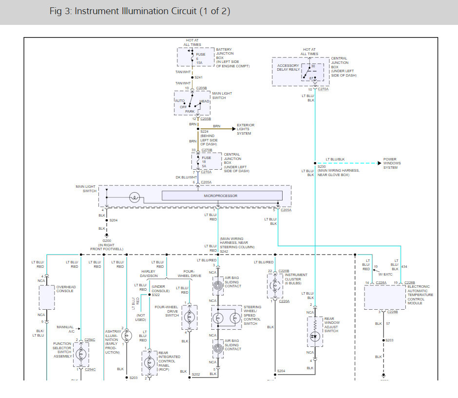
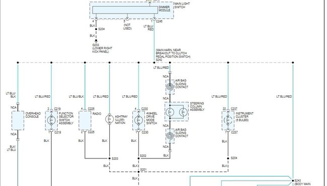
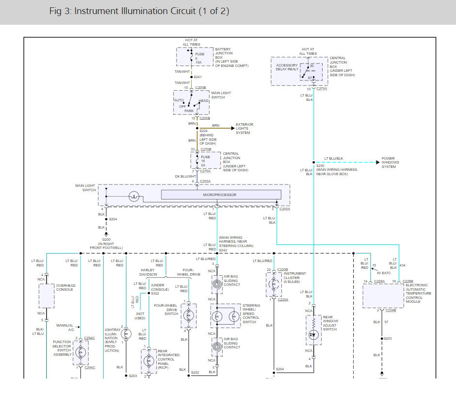
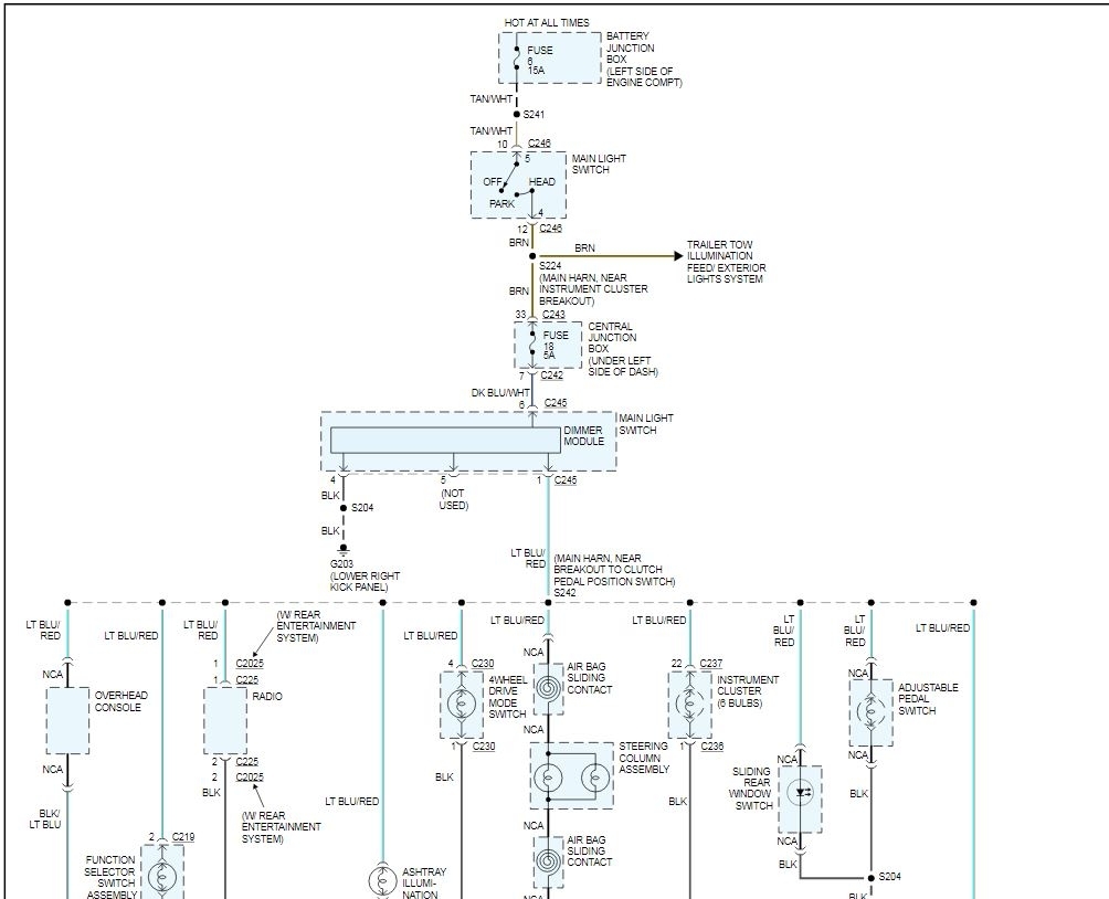
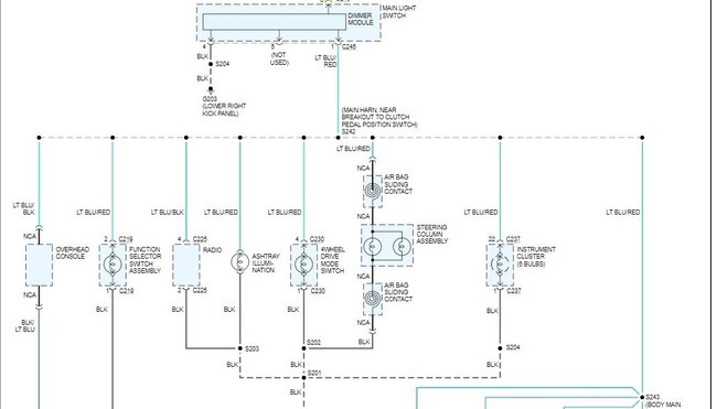
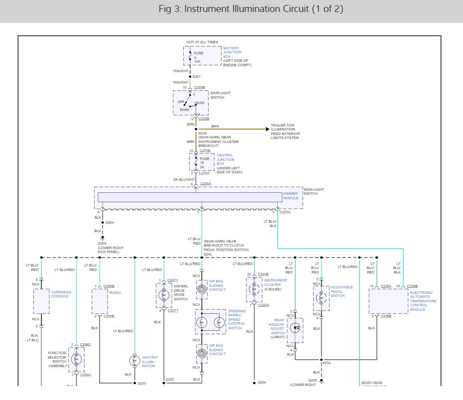
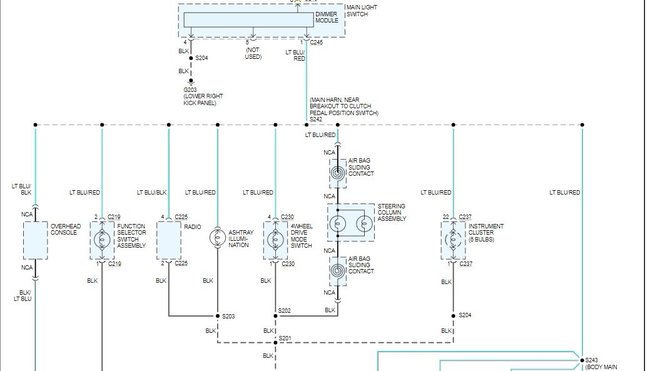
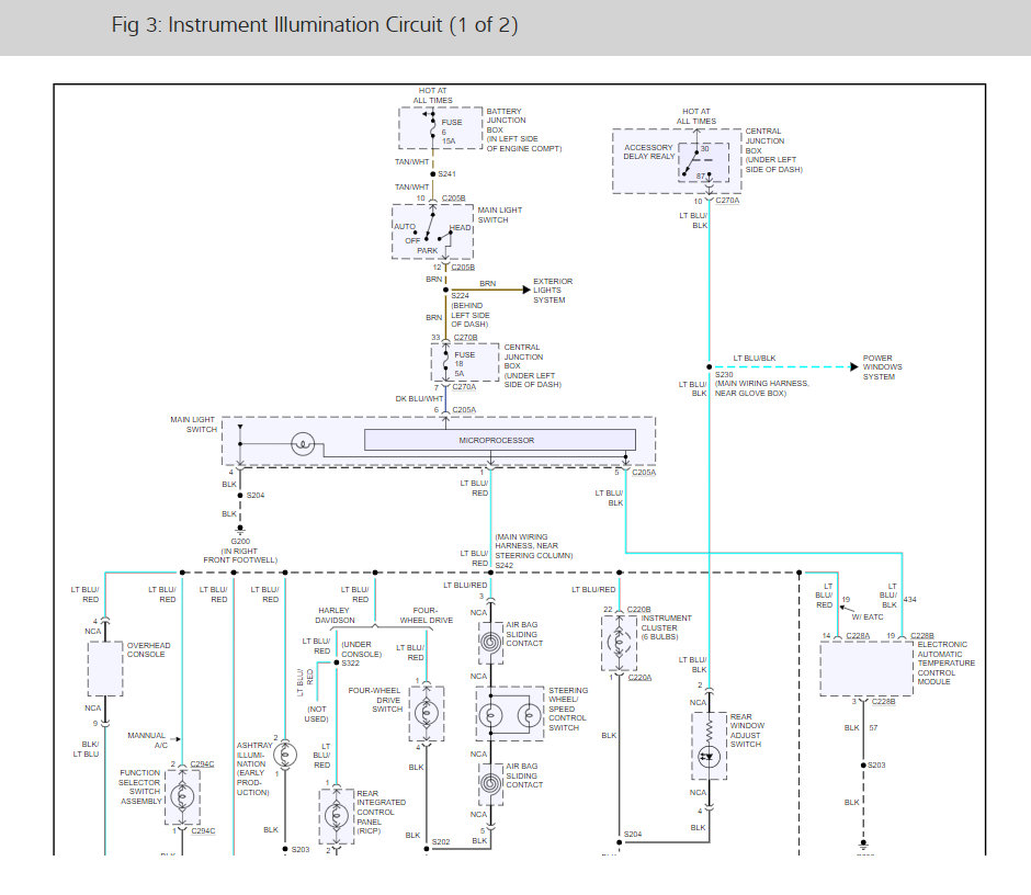
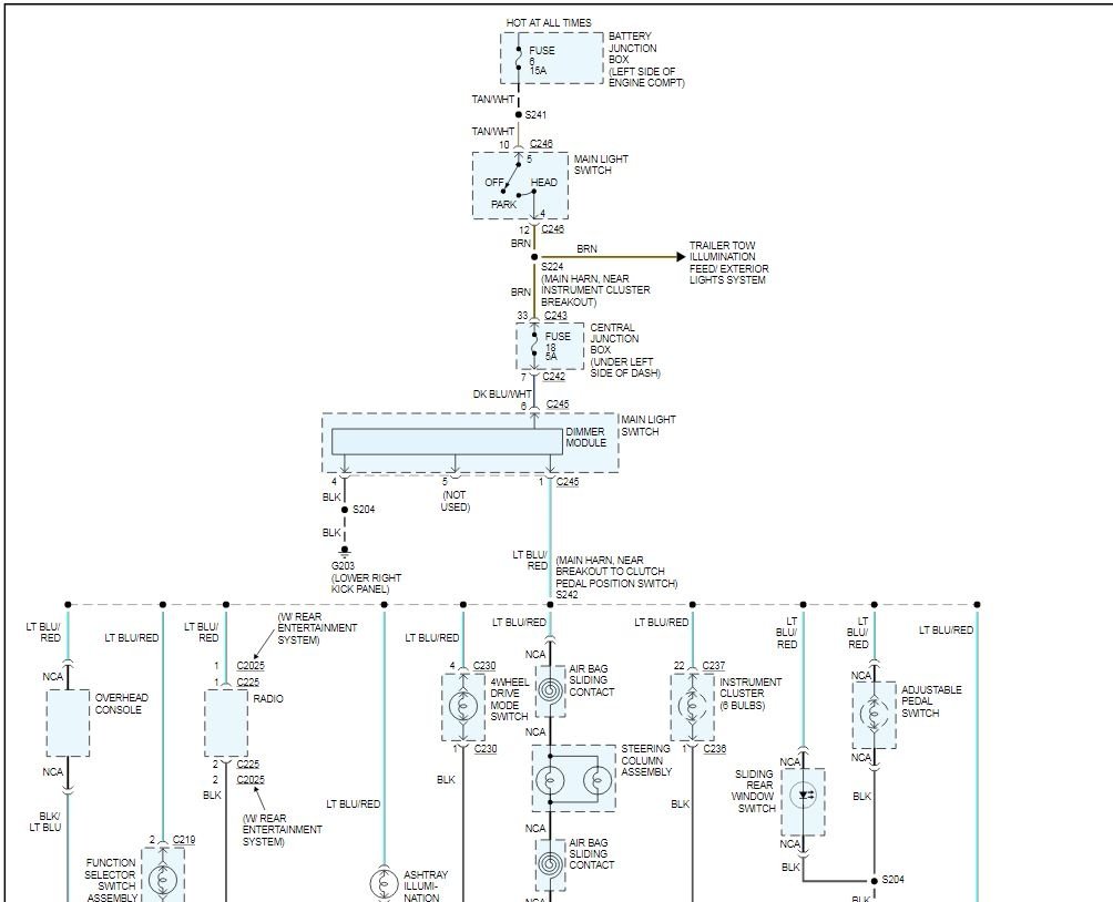
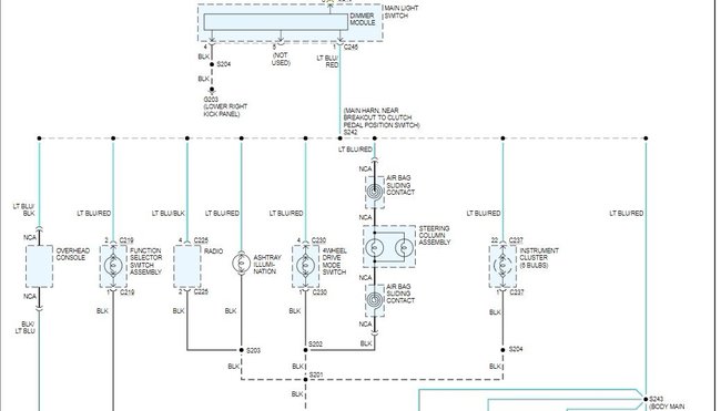
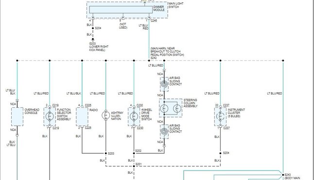
It sounds like the headlight switch can be bad but to be sure here is a guide and the wiring diagrams so you can see which wires to check and how the system works.
I might need a little more info, are all the lights not working on the dash such as the lighting behind the climate control unit and the lights on the radio etc. or is it just the lights on the instrument cluster that are not working? Let me know. If it is all the interior lights and you have already checked the fuses then more then likely it will be the multifunction
headlight/dimmer


switch that has gone bad there are ways to test it if you are familiar with using a multimeter. let me know which lights are not working and here is a few testing procedures to get you started.
https://www.2carpros.com/articles/how-to-use-a-test-light-circuit-tester
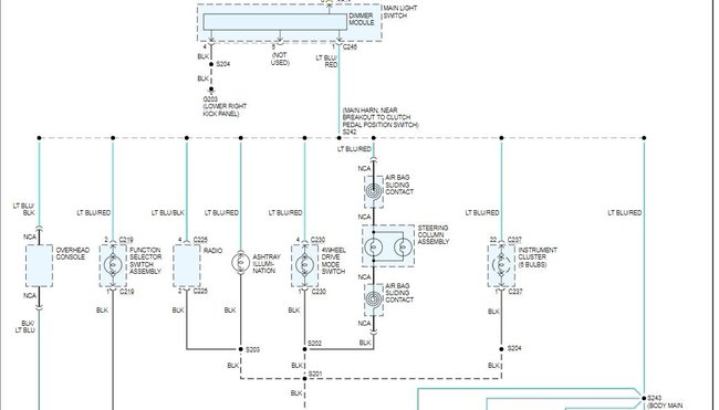
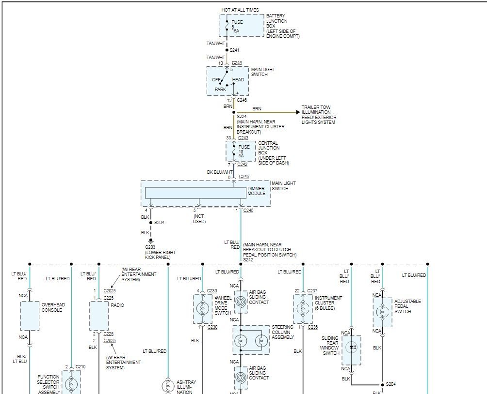
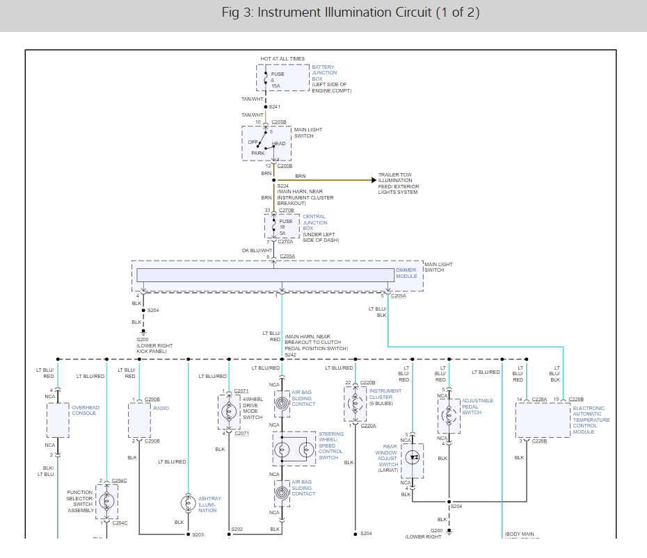
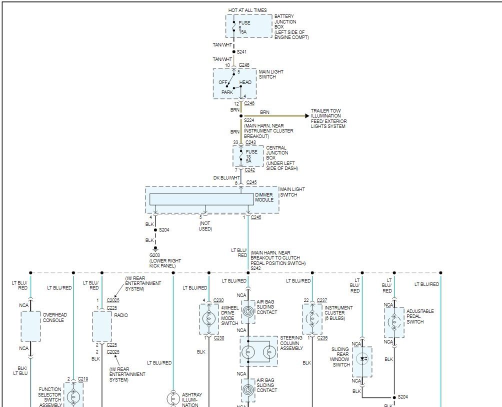
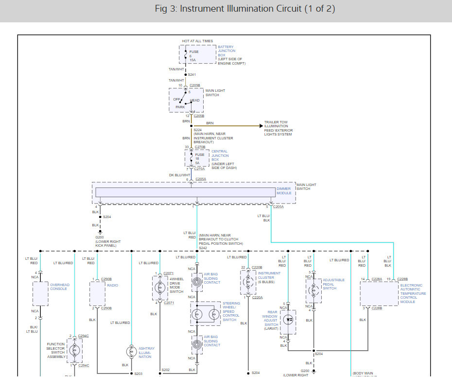
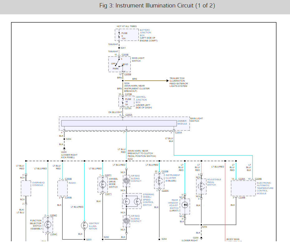
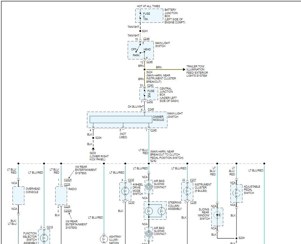
Check out the diagrams (Below). Please let us know what happens.
Images (Click to make bigger)
Tuesday, April 6th, 2021 AT 12:18 PM
(Merged)