Steering wheel light is out

Tiny
ANONYMOUS
  • MEMBER
  • 2010 FORD F-150
The steering wheel light is out and the shifter lights. I have replaced the fuzes, but still not working
Friday, November 2nd, 2012 AT 4:26 PM

12 Replies

Tiny
KEN L
  • MASTER CERTIFIED MECHANIC
  • 55,450 POSTS
Hello,

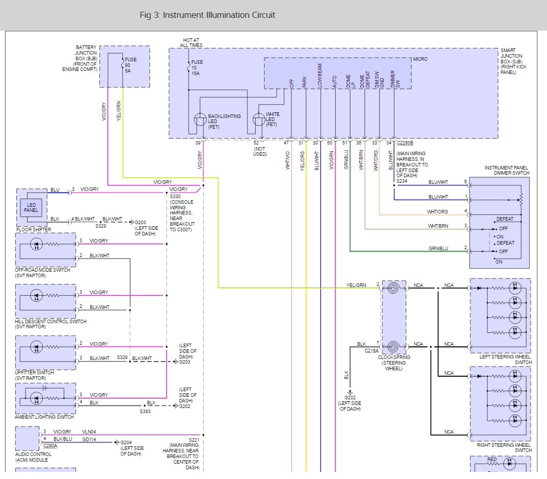
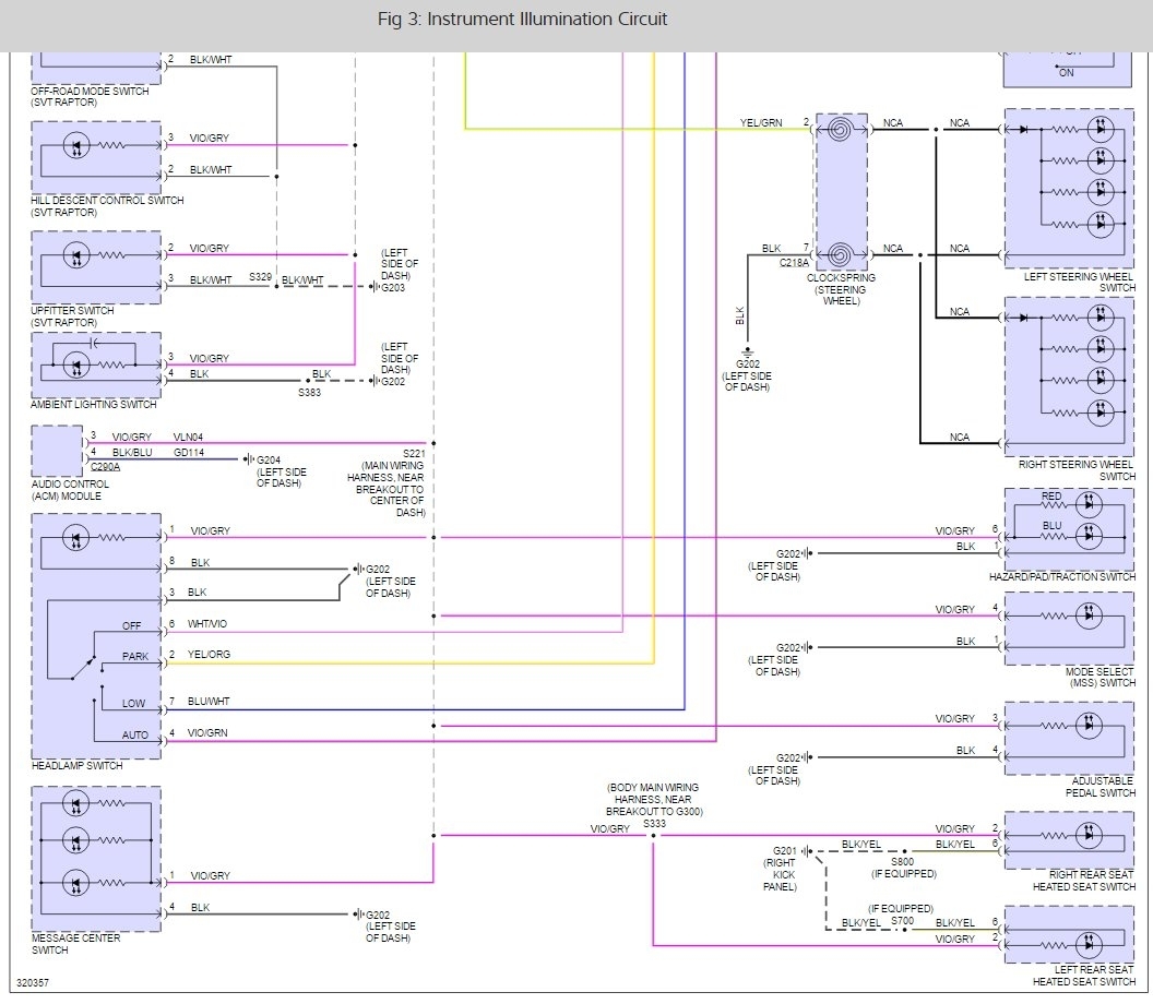
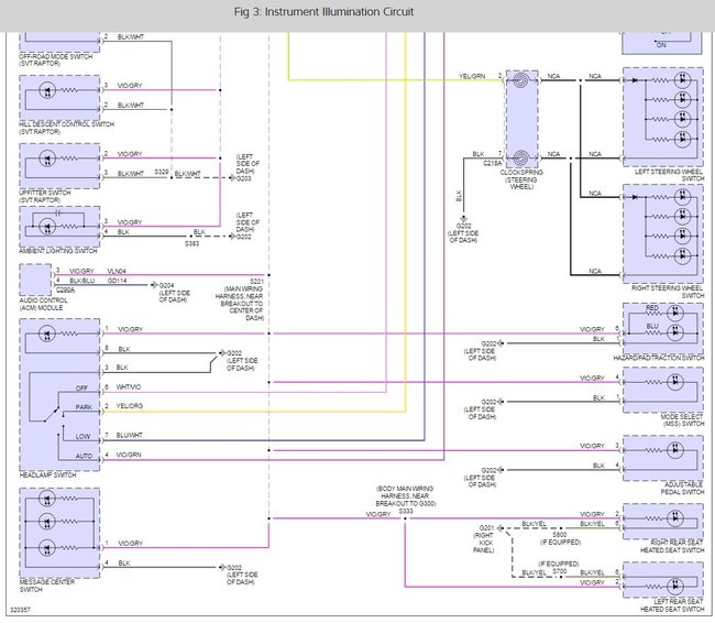
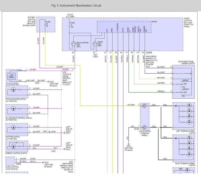
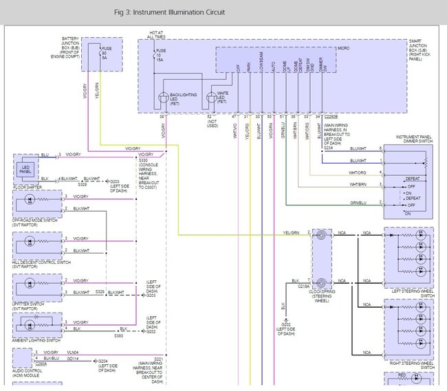
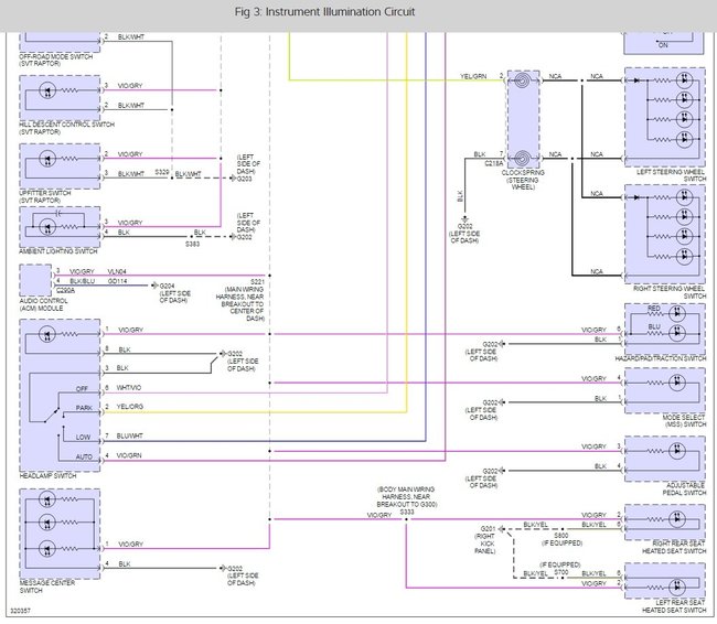
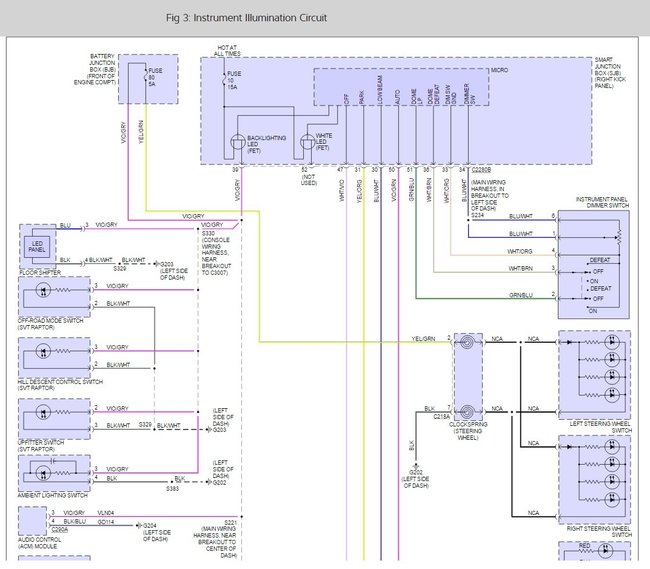
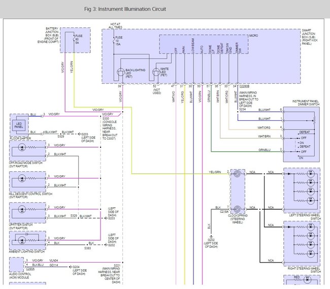
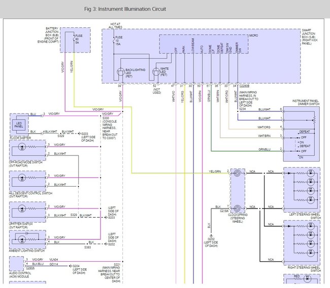
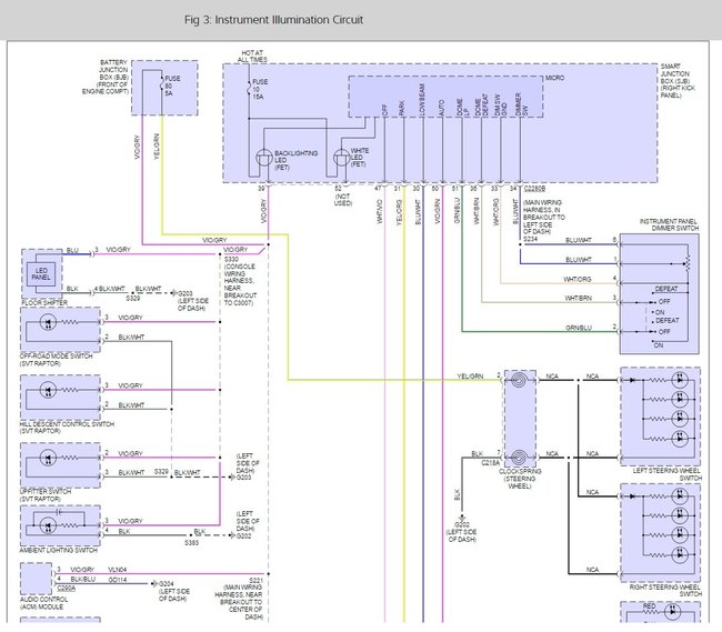
There is two fuses # 10 and # 80 that can cause this problem and a microprocessor. Here is a wiring diagram and a guide on how to test for the problem and get it fixed.

https://www.2carpros.com/articles/how-to-use-a-test-light-circuit-tester

Please run some tests and get back to us so we can continue helping you.

Best, Ken
Was this
answer
helpful?
Yes
No
-1
Wednesday, March 1st, 2017 AT 12:03 PM
Tiny
KEITH LANE
  • MEMBER
  • 5 POSTS
Where can I buy the #80 relay from? I checked 1 parts place and they didn't seem to know what I was talking about!
Was this
answer
helpful?
Yes
No
Saturday, October 28th, 2017 AT 3:00 AM
Tiny
KEN L
  • MASTER CERTIFIED MECHANIC
  • 55,450 POSTS
#80 is a 5 amp fuse

https://www.2carpros.com/articles/how-a-car-fuse-works

Please let us know what happens.

Cheers, Ken
Was this
answer
helpful?
Yes
No
+1
Saturday, October 28th, 2017 AT 4:55 PM
Tiny
KEITH LANE
  • MEMBER
  • 5 POSTS
The #10 relay I'm talking about is in in the fuse box under the hood
Was this
answer
helpful?
Yes
No
Saturday, October 28th, 2017 AT 7:23 PM
Tiny
KEITH LANE
  • MEMBER
  • 5 POSTS
I meant to say the #10 relay under the hood in the fuse box. What amp is it? Thanks
Was this
answer
helpful?
Yes
No
Saturday, October 28th, 2017 AT 8:31 PM
Tiny
KEN L
  • MASTER CERTIFIED MECHANIC
  • 55,450 POSTS
Sorry, both are fuses #10 is 15 amp.
Was this
answer
helpful?
Yes
No
+1
Saturday, October 28th, 2017 AT 9:04 PM
Tiny
KEITH LANE
  • MEMBER
  • 5 POSTS
Where can I purchase that #10 fuse? I'm having trouble at the parts stores. They don't seem to know what I'm talking about.
Was this
answer
helpful?
Yes
No
Sunday, October 29th, 2017 AT 5:44 AM
Tiny
KEN L
  • MASTER CERTIFIED MECHANIC
  • 55,450 POSTS
Tiny
KEITH LANE
  • MEMBER
  • 5 POSTS
That under hood relay #10 is a large black square relay. It's 4 prong but I've had no luck finding it. Please help!
Was this
answer
helpful?
Yes
No
Thursday, November 9th, 2017 AT 5:28 PM
Tiny
KEN L
  • MASTER CERTIFIED MECHANIC
  • 55,450 POSTS
Can you send me picture of it becasue #10 is suppose to be a fuse.
Was this
answer
helpful?
Yes
No
+1
Friday, November 10th, 2017 AT 9:59 AM
Tiny
ARMYRYAN120
  • MEMBER
  • 2 POSTS
I have the same issue with my 2010 F150 Lariat V8 5.4L. Can you help?
Fuse 80 under the hood is a 5 amp fuse and is good. The #10 fuse near the passenger side kick panel is good.
Was this
answer
helpful?
Yes
No
Tuesday, September 29th, 2020 AT 9:42 PM
Tiny
STEVE W.
  • MECHANIC
  • 15,691 POSTS
ARMYRYAN120 Could you please use this link and ask this as a new question. At the moment you are hidden by the older post.
Thank you.
https://www.2carpros.com/questions/new
Was this
answer
helpful?
Yes
No
-1
Wednesday, September 30th, 2020 AT 12:10 AM

Please login or register to post a reply.