Lights do not work on steering wheel

Tiny
JWEND
  • MEMBER
  • 2010 FORD F-150
  • 5.4L
  • V8
  • 4WD
  • AUTOMATIC
  • 160,000 MILES
The lights do not work on steering wheel, shifter, some buttons on dash. They flash when the door is unlocked.
Saturday, February 18th, 2017 AT 11:19 AM

3 Replies

Tiny
KEN L
  • MASTER CERTIFIED MECHANIC
  • 55,450 POSTS
Hey JWEND,

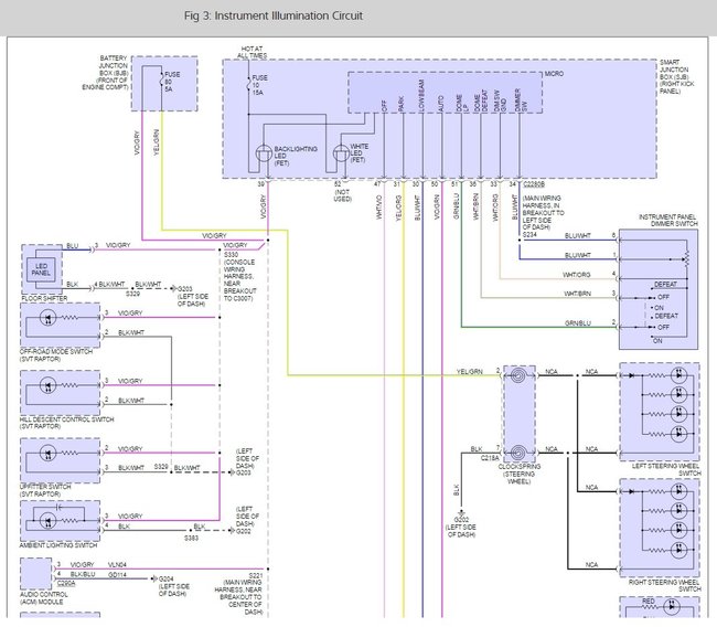
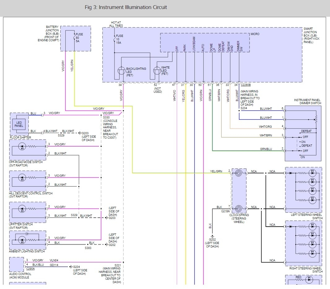
I would check the fuses first, if they are okay it sounds like a problem with the clock spring behind the steering wheel. Here is a wiring diagram so you can see for yourself and a guide on what you are in for when changing the spring.

https://www.2carpros.com/articles/steering-wheel-clock-spring-removal

and

https://www.2carpros.com/articles/how-to-use-a-test-light-circuit-tester

Please run some tests and get back to us so we can continue helping you.

Best, Ken
Was this
answer
helpful?
Yes
No
+1
Monday, February 20th, 2017 AT 10:34 AM
Tiny
JWEND
  • MEMBER
  • 2 POSTS
The headlight switch backlighting and shifter lights, 4wd switch backlighting and floor shifhter lights are inop. They will flash on when doors are unlocked. I checked all yhe fuses with test light. All are good. How does clocking spring effect these other lights? I checked all the grounds I could find all seem good.
Was this
answer
helpful?
Yes
No
Monday, February 20th, 2017 AT 4:02 PM
Tiny
KEN L
  • MASTER CERTIFIED MECHANIC
  • 55,450 POSTS
If the clock spring is shorted it can cause all kinds of problems. Im thinking the computer might be the issue as well, you might need to scan the BCM to see if there are any trouble codes.

Best, Ken
Was this
answer
helpful?
Yes
No
Monday, February 20th, 2017 AT 6:14 PM

Please login or register to post a reply.