Monday, April 6th, 2020 AT 7:01 PM
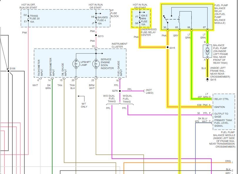
Just replaced the transmission in my truck. Got everything hooked up and went to start it. Heard the fuel pump kick on and off while I turned the key over. Truck started with a jump and ran for approximately 3 minutes then just shut off. Tried to start it again and now nothing coming from the fuel pump. No hum or noise whatsoever. Is there something that i'm overlooking that would cause the fuel pump to just stop in mid idle and not engage again? I'm about to my whits ends with this truck.



