My fuel pump is not working correctly?

Tiny
HEATHER STEPHENS CRAWFORD
  • MEMBER
  • 2000 CHEVROLET BLAZER
  • 4.3L
  • 6 CYL
  • 4WD
  • 240,000 MILES
My son just purchased this vehicle. We have replaced the fuel pump, filter, the spider injectors, the MAF sensor, idle control sensor, put new plugs and wires and new distributor cap and rotor. It is only reading 40 psi idles rough and eventually stalls. What can be wrong?
Friday, January 24th, 2020 AT 3:32 PM

40 Replies

Tiny
JACOBANDNICKOLAS
  • MECHANIC
  • 110,194 POSTS
Hi,

The pressure is low. Have you checked the fuel pressure regulator? It is mounted on the fuel meter body assembly. The regulator may be the cause. It will have an engine vacuum hose going to it. First, remove the hose and confirm there is no fuel in it. If there is, replace the regulator. If there isn't, reconnect the pressure gauge and start the engine. Disconnect the vacuum hose from the regulator and the pressure should increase. If it doesn't, replace the regulator.

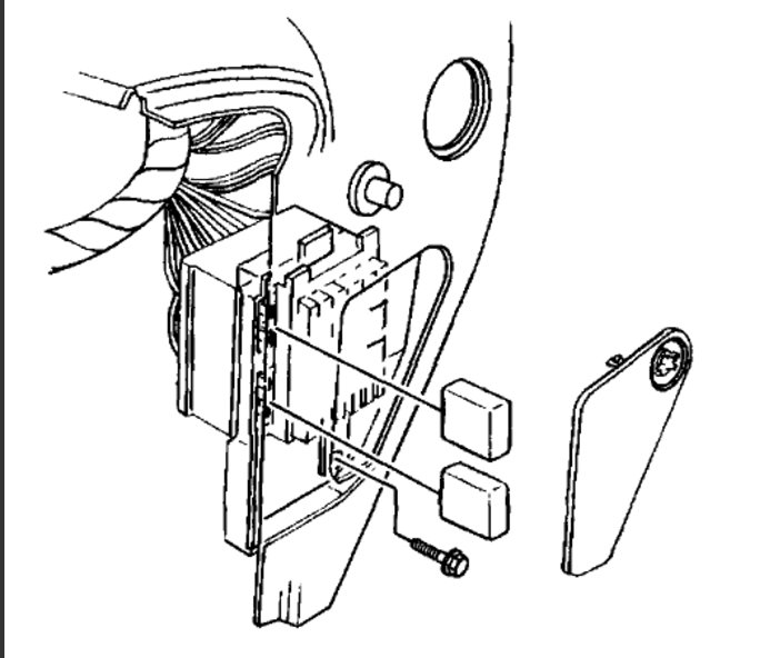
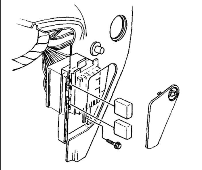
The first two pics below show what the regulator looks like and location.

Here are the directions for replacement. Pic 3 correlates with the directions.

______________________________________________

2000 Chevy Truck S10/T10 Blazer 4WD V6-4.3L VIN W
Fuel Pressure Regulator Replacement
Vehicle Powertrain Management Fuel Delivery and Air Induction Fuel Pressure Regulator Service and Repair Procedures Fuel Pressure Regulator Replacement
FUEL PRESSURE REGULATOR REPLACEMENT
Fuel Meter Body Assembly

Pic 3

REMOVAL PROCEDURE

TOOL REQUIRED
J 34730-1A Fuel Pressure Gauge

CAUTION: Refer to Battery Disconnect Caution In Service Precautions.

1. Disconnect the negative battery cable.
2. Relieve the fuel system pressure. Refer to Fuel Pressure Relief Procedure.
3. Remove the upper intake manifold assembly.
4. Remove the fuel pressure regulator retainer clip (13).
5. Pull and twist the fuel pressure regulator (14) in order to remove the fuel pressure regulator from the fuel pressure regulator housing using a shop towel to catch any spilled fuel.
6. Remove the regulator seal lower O-ring (18).
7. Remove the regulator assembly filter (17).
8. Remove the regulator seal upper O-ring (16).
9. Remove the regulator seal backup ring (15).
10. Cover the fuel pressure regulator housing to prevent contamination from entering the fuel system.
11. Discard the O-rings.

INSTALLATION PROCEDURE

IMPORTANT: If the fuel pressure regulator is to be reinstalled, inspect the filter screen for contamination. If the filter screen is contaminated, replace the regulator.

1. Lubricate the new O-rings with clean engine oil.
2. Install the regulator seal backup ring (15).
3. Install the regulator seal upper O-ring (16).
4. Install the regulator assembly filter (17).
5. Install the regulator seal lower O-ring (18).
6. Assemble the regulator with the vacuum tube pointing down into the regulator retainer clip.
7. Install the fuel pressure regulator retainer clip (13).
8. Install the upper manifold assembly.
9. Tighten the fuel filler cap.
10. Connect the negative battery cable.
11. Inspect for leaks.
11.1. Turn the ignition switch ON for 2 seconds.
11.2. Turn the ignition switch OFF for 10 seconds.
11.3. Turn the ignition switch ON.
11.4. Inspect for fuel leaks.

_______________________________________

One last thought. Before checking the regulator, remove the fuel cap and see if pressure increases.

Let me know what you find or if you have other questions.

Take care,
Joe
Was this
answer
helpful?
Yes
No
Friday, January 24th, 2020 AT 9:45 PM
Tiny
RODRIGO69
  • MEMBER
  • 2 POSTS
  • 2000 CHEVROLET BLAZER
  • 6 CYL
  • AWD
  • AUTOMATIC
  • 147,000 MILES
2 days ago it was cold I think it was -3 and the night before that my low gas light came on witch I was 1 block away from my house so I figured ill fill it up tomorrow. The next morning I woke up the car turned on, so I let it run so it can warm up. After 7 min the car turns off. I turn it on again and it tried to turn on but no luck. When I used to turned on I heard like a little motor sound from under the car just for 2 sec or so. Since this happen I haven't heard the sound again. Do you think its the fuel pump the went bad?
Was this
answer
helpful?
Yes
No
Monday, February 1st, 2021 AT 10:25 AM (Merged)
Tiny
DOCFIXIT
  • MECHANIC
  • 18,828 POSTS
If fuel very low you may have sucked up water and debris from tank. Try putting some HEET and more fuel see what happens.
Was this
answer
helpful?
Yes
No
Monday, February 1st, 2021 AT 10:25 AM (Merged)
Tiny
RODRIGO69
  • MEMBER
  • 2 POSTS
I got the Heet and put a whole bottle in there and I also put 3 gallons of the best gas, the same thing happens it tries but it doesn't start. I checked the fuel pressure today and it didn't have any pressure, it had a little bit of gas just drops dropped.
Was this
answer
helpful?
Yes
No
Monday, February 1st, 2021 AT 10:25 AM (Merged)
Tiny
DOCFIXIT
  • MECHANIC
  • 18,828 POSTS
Try filter replacement first see if pump comes on after. If not need to drop tank and replace.
Was this
answer
helpful?
Yes
No
Monday, February 1st, 2021 AT 10:25 AM (Merged)
Tiny
WIGGLE
  • MEMBER
  • 3 POSTS
  • 2000 CHEVROLET BLAZER
  • 6 CYL
  • 2WD
  • AUTOMATIC
  • 102,000 MILES
I replaced my fuel pump and now its running bad and leaking fuel and my service engine light is on
Was this
answer
helpful?
Yes
No
Monday, February 1st, 2021 AT 10:25 AM (Merged)
Tiny
HMAC300
  • MECHANIC
  • 48,601 POSTS
You probably left one of the orings out of the lines. Recheck everything you did. Scan the engine, most auto parts stores do this for free.
Was this
answer
helpful?
Yes
No
Monday, February 1st, 2021 AT 10:25 AM (Merged)
Tiny
WIGGLE
  • MEMBER
  • 3 POSTS
Its pouring fuel out only if the gas cap is on. I replaced all o rings and stuff
Was this
answer
helpful?
Yes
No
Monday, February 1st, 2021 AT 10:25 AM (Merged)
Tiny
HMAC300
  • MECHANIC
  • 48,601 POSTS
Recheck your connections you may have the return line and the evap purgelines crossed. Also as you have dropped the tank check to see if the vent line going to the gas filler is crimped or kinked.
Was this
answer
helpful?
Yes
No
Monday, February 1st, 2021 AT 10:25 AM (Merged)
Tiny
WIGGLE
  • MEMBER
  • 3 POSTS
Ok cool I will let ya know. Thanks so much!
Was this
answer
helpful?
Yes
No
Monday, February 1st, 2021 AT 10:25 AM (Merged)
Tiny
CBOLLINGER48818
  • MEMBER
  • 3 POSTS
  • 1999 CHEVROLET BLAZER
Six cylinder four wheel drive automatic 150,000 miles.

The miles are on the chassis, mileage on engine is unknown (has been replaced). I am not getting any power to fuel pump. When this happened it was running fine and would not start back up after being shut off. I have replaced the fuel relay and oil pressure switch. Not sure where to look next except start tracing wires back.
Was this
answer
helpful?
Yes
No
Monday, February 1st, 2021 AT 10:25 AM (Merged)
Tiny
RASMATAZ
  • MECHANIC
  • 75,992 POSTS
Do you hear the fuel pump come on when key is at run position? If not check the ECM control relay circuit. Have you checked the fuel pump fuse?

Here are some fuel pump wiring diagrams and a guide to help us get started fixing the problem.

https://www.2carpros.com/articles/how-to-use-a-test-light-circuit-tester

and

https://www.2carpros.com/articles/how-to-check-an-electrical-relay-and-wiring-control-circuit

There is a year split on the location of the relay so I gave you both.

Please let us know if you need anything else to get the problem fixed.

Cheers, Ken
Was this
answer
helpful?
Yes
No
+7
Monday, February 1st, 2021 AT 10:25 AM (Merged)
Tiny
CBOLLINGER48818
  • MEMBER
  • 3 POSTS
I did not see anything labelled as a fuel pump fuse, only the relay. I have checked all fuses in the engine compartment are there fuses anywhere else? The fuel pump does not come on when key in the on position. No juice getting to connector at fuel tank. All fuses are good ECM circuit is good. No power at fuel pump test connector(ALCL connector terminal G).
Was this
answer
helpful?
Yes
No
+8
Monday, February 1st, 2021 AT 10:25 AM (Merged)
Tiny
RASMATAZ
  • MECHANIC
  • 75,992 POSTS
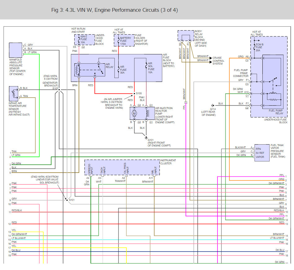
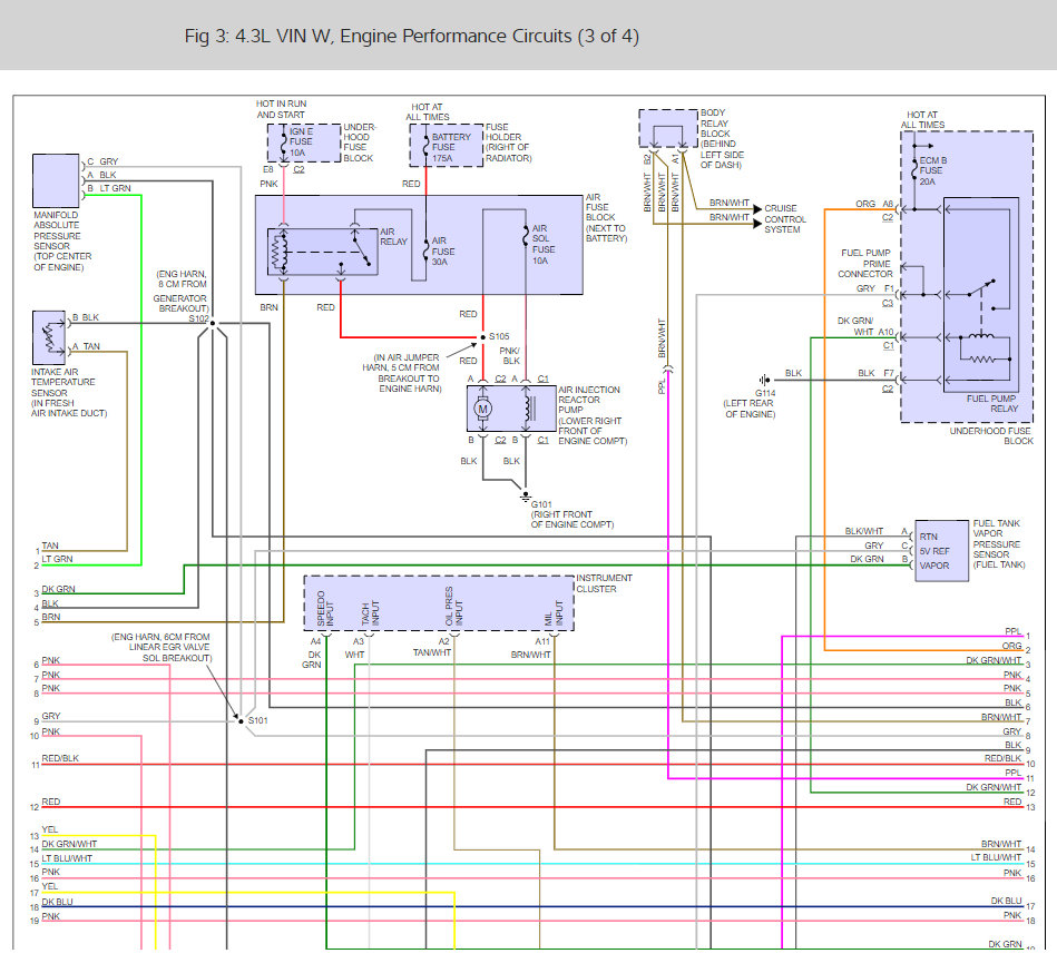
All you got is 2secs to look for power-Be at the fuel pump connector and hook up the voltmeter and have helper turn key to On-do you have power? If not track it back thru the wires and the fuel pump relay. See fuel pump relay below


https://www.2carpros.com/forum/automotive_pictures/12900_fuse_pump_fuse_1.jpg



BETTER IMAGE ABOVE
Was this
answer
helpful?
Yes
No
+17
Monday, February 1st, 2021 AT 10:25 AM (Merged)
Tiny
CBOLLINGER48818
  • MEMBER
  • 3 POSTS
What you are showing me is the diagram of the fuse block.
The one that is labelled fuel pump is a relay (right?).
I am told there is also a relay up by the firewall on the right side of vehicle.
If this is true I have power going to this relay.
Which one is actually the fuel relay?
If I look up fuel relay on parts stores web sites it shows me the 4 pin that is in the fuse box on left side of engine compartment.
Was this
answer
helpful?
Yes
No
+4
Monday, February 1st, 2021 AT 10:25 AM (Merged)
Tiny
RASMATAZ
  • MECHANIC
  • 75,992 POSTS
It is the one in the under hood fuse/relay block.
Was this
answer
helpful?
Yes
No
+1
Monday, February 1st, 2021 AT 10:25 AM (Merged)
Tiny
FOSSIL ROCK
  • MEMBER
  • 1 POST
I have a 2000 Blazer 2WD, my fuel pump works sometimes and does not other times.

I tested the ECM B fuse socket and found, there is voltage on both sides when the key is on (11.48 on left side towards front. 45 on right side towards firewall). The right side terminal slowly drains down after a few minutes.

Where is this "Terminal G" test connector located on the Blazer?
Was this
answer
helpful?
Yes
No
+1
Monday, February 1st, 2021 AT 10:25 AM (Merged)
Tiny
BCRAIG
  • MEMBER
  • 1 POST
Check the ground, it is on the rear left cross member. There are two wires, one is for static discharge, and the other is the power ground. It is up on top of the little corner gusset.

Both wires need to be connected. I had the static ground connected only, no go. Connect the ground and runs excellent.

I forgot to connect it. Called the pump company Airtex, it was their suggestion. They said corrosion has been a big issue also.

This was my second pump in two years, wonder if I forgot it two years ago, and some how ran?

Will never know.
Was this
answer
helpful?
Yes
No
+4
Monday, February 1st, 2021 AT 10:25 AM (Merged)
Tiny
JOHNNYSILVERWOLF
  • MEMBER
  • 28 POSTS
  • 1999 CHEVROLET BLAZER
  • 4.3L
  • 6 CYL
  • 2WD
  • AUTOMATIC
  • 165,000 MILES
Driving then it quits like it ran out off Gass gauge says half tank checked pressure got none checked fuses good
Had no noise from fuel pump so I pulled and check pump, pump is good checked pump wires for power got none recheck fuel pump relay under hood checked elm fuse a and b good what other relays and fuses can I be missing? Can you help
Was this
answer
helpful?
Yes
No
Monday, February 1st, 2021 AT 10:27 AM (Merged)
Tiny
CARADIODOC
  • MECHANIC
  • 34,489 POSTS
Have you checked for spark?

Under what conditions are you expecting the fuel pump to have voltage? Do you have the ignition switch on? Are you cranking the engine?
Was this
answer
helpful?
Yes
No
+2
Monday, February 1st, 2021 AT 10:27 AM (Merged)

Please login or register to post a reply.