My fuel pump is not working?

Tiny
JENN9787
  • MEMBER
  • 1998 CHEVROLET BLAZER
  • 1.8L
  • V6
  • AUTOMATIC
My truck will turn over but dies immediately. My husband and I changed the battery and alternator last month and we changed the fuel filter last night. A friend of ours came by last night and said he doesn't believe it's the fuel pump but we haven't fully ruled that out. We think it might either be the pump, sensor or bad fuel. I would like to know what can cause my truck to do this and how I might go about fixing the problem. Thank you so much in advance for your help!
Tuesday, November 17th, 2015 AT 6:19 AM

20 Replies

Tiny
WRENCHTECH
  • MECHANIC
  • 20,761 POSTS
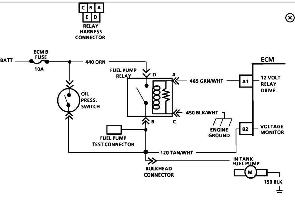
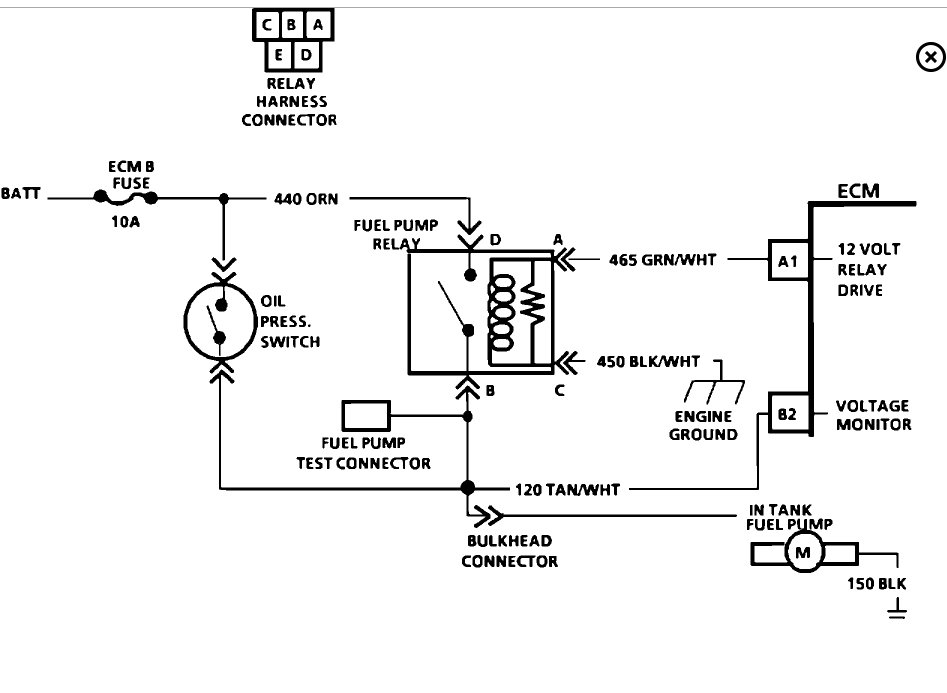
The easiest way to see if the fuel pump is getting power is to remove and jump the fuel pump relay here is a guide that will help show you and the relay location in the diagrams below. If you have power at the pump it needs to be replaced here is a video showing you how.

https://youtu.be/bCcueO4ALxQ

and

https://www.2carpros.com/articles/how-to-check-an-electrical-relay-and-wiring-control-circuit

Check out the diagrams (Below). Let us know what happens and please upload pictures or videos of the problem.
Was this
answer
helpful?
Yes
No
Tuesday, November 17th, 2015 AT 8:50 AM
Tiny
JFCARPROS
  • MEMBER
  • 1 POST
  • 1998 CHEVROLET BLAZER
  • 6 CYL
  • 2WD
  • AUTOMATIC
  • 102,000 MILES
Car was running fine and when tried to start the engine would not start. I have changed the distributer cap and rotor and coil. The fuel filter was changed and there was some pressure during the change. Oil pressure was low before but it is OK now. The fuel pump relay is good, fuse ECM B is good.
The manual shows the fuel pressure regulator but I can not locate it on the engine. I don't know any reference points. The photo is too small. The Red Test 1 lead for fuel pump testing can not be found so far.

The fuel pump connections have not been tested yet due to their cumbersome location above the tank.

Engine will start briefly when gasoline is poured into carburetor.
Was this
answer
helpful?
Yes
No
Monday, February 1st, 2021 AT 10:35 AM (Merged)
Tiny
JDL
  • MECHANIC
  • 16,098 POSTS
When you turn the key on, no crank, can you here the pump run for a couple seconds? My info didn't show a prime connector for your pump. You can unplug the pump relay, use a jumper wire on the two terminals for the switch side of relay. The pump should run. Relays usually have a wiring diagram on top. Also, use a gage and check fuel pressure. The info also shows an oil pressure switch in the fuel pump circuit, once you crank it enough to bring up oil pressure and the switch closes, the pump should run regardless of the relay.
Was this
answer
helpful?
Yes
No
+1
Monday, February 1st, 2021 AT 10:35 AM (Merged)
Tiny
EVERDEE69
  • MEMBER
  • 2 POSTS
  • 1998 CHEVROLET BLAZER
1998 Chevy Blazer 6 cyl Four Wheel Drive Automatic

I have a problem with my fuel system we have replaced my fuel pump, fuel rail, fuel filter, spark plugs, rotor and distributer cap, wires, map sensor, and the spider, and my fuel pressure is 25 psi and it still wont start we can put gas in the carb and it will stay running but as soon as you shut it off for a long period of time or overnight it will not start again on its own and we scaned it several times and no trouble codes could anyone give me any suggestions could someone pleaseeee help me thank you in advance dee
Was this
answer
helpful?
Yes
No
Monday, February 1st, 2021 AT 10:35 AM (Merged)
Tiny
PEAR69
  • MECHANIC
  • 1,482 POSTS
You do not have a carb. It is a throttle body -- very different. Your fuel pressure should be between 55 and 60 PSI. If you have the injector unit that looks like a spider then you do not have a fuel rail. What fuel rail are you talking about? When you changed the spider unit did you put a new fuel pressure regulator in? Make sure the new fuel filter is installed properly. The fuel filter is directional, it's easy to make this mistake. Did you install the correct fuel pump?
Was this
answer
helpful?
Yes
No
Monday, February 1st, 2021 AT 10:35 AM (Merged)
Tiny
EVERDEE69
  • MEMBER
  • 2 POSTS
Your right I do not have a carb, and I do not have a fuel rail I have the spider and the garage next door said the fuel pressure regulator was changed when they changed the spider, as for the fuel pump they changed so I can only assume it is installed correctly, and as for the fuel filter I was there when they put it in and the one for my truck only goes one way one end clips the other screws on it looked exactly like the one they took off. And that had a lot of black gunk coming out. Any suggestions? Dee
Was this
answer
helpful?
Yes
No
Monday, February 1st, 2021 AT 10:35 AM (Merged)
Tiny
PEAR69
  • MECHANIC
  • 1,482 POSTS
Your fuel pressure should be 55 to 60 psi. There is something blocking the fuel supply line, or the line is sucking air somewhere. When the fuel pump was changed, the tank had to be dropped and drained. Was the fuel tank cleaned at this point? The black gunk that came out of the fuel filter was probably the reason the fuel pump failed. Eventhough it's a new fuel filter, take it out and see if there is any black gunk in it. If so then you should drop the tank and clean it out.
A fuel line may also be pinched. The lines that connect to the fuel pump sending unit are flexible. They may have inadvertantly gotten pinched or something like that.
If all of that fails then the only thing left is the fuel pump. It is not unheared of to get a bad (new) pump. Let me know what you find.
Was this
answer
helpful?
Yes
No
Monday, February 1st, 2021 AT 10:35 AM (Merged)
Tiny
TBROOKER21
  • MEMBER
  • 2 POSTS
  • 1998 CHEVROLET BLAZER
  • 6 CYL
  • 4WD
  • MANUAL
  • 11,300 MILES
I have a 1998 Chevy Blazer 2DR 4 wheel dr. When we bought the vehicle it had a gas tank leak. We bought a new gas tank and installed it to find that the pump wouldn't work. We dropped the tank again and installed a new fuel pump and got the truck running again. A couple days later the check engine light came on. We had it tested and the code for the fuel pump sensor located on top of the fuel pump came back stating low pressure. We also noticed in the meantime that the gas cap was broken off. We think someone tried to steal gas because neither of us broke this. Now when putting gas in the truck we have to unscrew the bottom part of the gas cap and we hear pressure releasing like when you open a bottle of pepsi. After I put gas in the truck the check engine light went out. Any suggestions before I pull this tank down again. And if the sensor is bad could I use the sensor from the old pump I took out and install it on the new pump?
Was this
answer
helpful?
Yes
No
Monday, February 1st, 2021 AT 10:35 AM (Merged)
Tiny
IMPALASS
  • MECHANIC
  • 3,112 POSTS
Hello

Many vehicles will throw a code if the gas cap is not on properly. The tank must have certain pressure to operate effectively. It may be, since your gas cap was broke it was unable to hold the correct pressure and the pressure sensor detect this and threw a code.

My suggestion is replace the cap with a new one and have all the codes cleared. Then drive it and see how it does. Then check the codes again. If you need to get back with us please make sure you provide what the code number is and what they said it means.

You can go Auto Zone or O'Reilly's and for free they can pull the codes to the car and clear them. Most important. Once they check your codes, if they find something and you don't get it fixed and need to get back with us, please make sure you tell us exactly what the code was, number and all. Example, if the code was E0568 O2 Sensor bad. Then make sure you give us all of that. While there for free also they can bring their tester out and check your battery, alternator and starter.

I have attached what the cap does to assist you as well. It is normal for pressure to release, as you said like opening a can of Pepsi.

I just hate for you to drop the tank again, (not much fun) if you don't have to.

Again, if this doesn't t work, then please get back with us.

COMPONENT DESCRIPTION
The fuel tank filler neck is equipped with a screw type cap. The threaded part of the cap requires several turns counter-clockwise to remove. The long threaded area is designed to allow any remaining fuel tank pressure to escape during the cap removal operation. A built-in ratchet type torque limiting device prevents over-tightening. To install, turn the cap clockwise until a clicking noise is heard. This signals that the correct torque has been reached and the cap is fully seated. A fuel filler cap that is not fully seated, may cause a malfunction in the emission system.

NOTICE: If a fuel filler cap requires replacement, only a cap with the same features should be used. Failure to use the correct cap can result in a serious malfunction of the system.
Was this
answer
helpful?
Yes
No
Monday, February 1st, 2021 AT 10:36 AM (Merged)
Tiny
RICK WEBB
  • MEMBER
  • 1 POST
  • 1997 CHEVROLET BLAZER
Installed a new fuel pump into tank and it does not work. Wired new connecter to wires per diagram sent with new pump. Is there a relay or a fuse anywhere I should check.
Was this
answer
helpful?
Yes
No
Monday, February 1st, 2021 AT 10:36 AM (Merged)
Tiny
RASMATAZ
  • MECHANIC
  • 75,992 POSTS
You got 2 secs -have a helper turn key to ON check for power at gray wire at fuel pump connector-no power inspect ECM batt. Fuse #9 and fuel pump relay and comeback.
Was this
answer
helpful?
Yes
No
-1
Monday, February 1st, 2021 AT 10:36 AM (Merged)
Tiny
RASMATAZ
  • MECHANIC
  • 75,992 POSTS
To answer your question about the fuel pump relay refer to location no.3 for both look below

2.2L


https://www.2carpros.com/forum/automotive_pictures/12900_fp122_1.jpg



4.3L


https://www.2carpros.com/forum/automotive_pictures/12900_fp2_1.jpg

Was this
answer
helpful?
Yes
No
Monday, February 1st, 2021 AT 10:36 AM (Merged)
Tiny
LAZERBLAZER
  • MEMBER
  • 1 POST
  • 1996 CHEVROLET BLAZER
Engine Mechanical problem
1996 Chevy Blazer 6 cyl Four Wheel Drive Automatic

Car makes a high pitch humming or whining after awhile, one day the gas pedal was unresponsive. Does this signal the fuel pump going bad? Or maybe just dirty fuel filter?
Was this
answer
helpful?
Yes
No
Monday, February 1st, 2021 AT 10:36 AM (Merged)
Tiny
WRENCHTECH
  • MECHANIC
  • 20,761 POSTS
If the humming noise is coming from the fuel tank, then yes the pump is causing it but that alone doesn't indicate an immediate problem. My own did that for 2 years before quitting however you do need to test the fuel pressure as that is critical. This engine requires a MINIMUM of 55PSI.
Was this
answer
helpful?
Yes
No
Monday, February 1st, 2021 AT 10:36 AM (Merged)
Tiny
ZACHD918
  • MEMBER
  • 1 POST
  • 1996 CHEVROLET BLAZER
  • 6 CYL
  • 4WD
  • AUTOMATIC
  • 102,000 MILES
I just replaced the engine in my 96 blazer. It ran ok for 2 weeks. It sputtered and died at stop lights every once in a while. I put it in park turned, the key, and it would start right up. One night I drove it somewhere and it drove fine. The temperature outside dropped significantly that night. The next morning it would not start. I checked the pressure checker on the fuel line connected to the engine, after pushing the chaffer down I realized there was no fuel pressure. I have checked the pump relay and I can hear it engage. I used a tester and found that the relay has power and ground but no power from the fuel pump prime connector wire. I do not know where this is located and I know for a fact the fuel pump is good because I unplugged the oil pressure sending unit and crossed the lines and it built pressure. Do you have any other suggestions and do you know where this fuel pump prime connector is?
Was this
answer
helpful?
Yes
No
Monday, February 1st, 2021 AT 10:36 AM (Merged)
Tiny
JDL
  • MECHANIC
  • 16,098 POSTS
There won't be any voltage on the prime connector circuit unless you run a jumper to B+. When the pump relay is not energized, there is continuity on that circuit, but, no voltage, unless you use a jumper. When the relay is energized, there is no continuity on that circuit. I don't know where the connector is located, you can run the pump from the relay terminals, use a jumper between terminal 30 and 87. Probably should use an inline fuse on the jumper.

As far as the oil pressure switch in the fuel pump circuit, once you crank the engine enough to bring up oil pressure, the switch closes and voltage goes to the pump. My hearing is no good, I can't hear a pump run, with or without the engine cranking. I have to use a fuel pressure gage, to check for pressure.

I've seen plenty of faulty pumps that would run and make some pressure, just not enough. I'm not saying your pump is faulty, I couldn't tell without more testing.

Fuel pressure KOEO-60-66, idle-50-63, deadhead tested briefly 66.

Most databases seem to have fuel specs that are slightly different, it just depends on which one your looking at.
Was this
answer
helpful?
Yes
No
Monday, February 1st, 2021 AT 10:36 AM (Merged)
Tiny
MIKE OWENS
  • MEMBER
  • 2 POSTS
  • 1990 CHEVROLET BLAZER
  • 5.7L
  • V8
  • 4WD
  • AUTOMATIC
  • 60,000 MILES
Fuel pump not coming on. Changed to new one still not working no gas. What else could it be? There are no fusible links. What color is the power wire on pump?
Was this
answer
helpful?
Yes
No
Monday, February 1st, 2021 AT 10:37 AM (Merged)
Tiny
KEN L
  • MASTER CERTIFIED MECHANIC
  • 55,361 POSTS
Hi Mike,

It sounds like the relay has gone out, here is a guide and some diagrams (below) to help you get the problem fixed.

https://www.2carpros.com/articles/how-to-check-an-electrical-relay-and-wiring-control-circuit

Please run this test and get back to us we are interested to see what it is.

Cheers, Ken
Was this
answer
helpful?
Yes
No
Monday, February 1st, 2021 AT 10:37 AM (Merged)
Tiny
TRAVTODD
  • MEMBER
  • 1 POST
  • 1987 CHEVROLET BLAZER
  • V8
  • 4WD
  • AUTOMATIC
  • 240,000 MILES
I am not sure what else to check before dropping the tank and replacing the pump. I have power to the 2-wire plug before the pump (on frame rail above rear axle) I do not understand why I am getting 10 volts on tan wire (relay side) when the plug is apart and 0 when its together? I also get 10 on pink wire (relay side), but I only get 5 when plug is connected (5 also on pump side - purple wire)
Was this
answer
helpful?
Yes
No
Monday, February 1st, 2021 AT 10:37 AM (Merged)
Tiny
CARADIODOC
  • MECHANIC
  • 34,480 POSTS
Hi travtodd.

A real common problem if you live in a road salt state is lack of a good ground on the tank. Use a good, reliable body ground for your voltmeter, then with the positive probe, scratch a good connection on the tank. If you find voltage there, drill a hole in the flange by the seam and run a self-tapping screw in there for a new ground wire. Be sure the hole is well outside the weld.

Caradiodoc
Was this
answer
helpful?
Yes
No
Monday, February 1st, 2021 AT 10:37 AM (Merged)

Please login or register to post a reply.