Thursday, June 13th, 2019 AT 12:02 PM
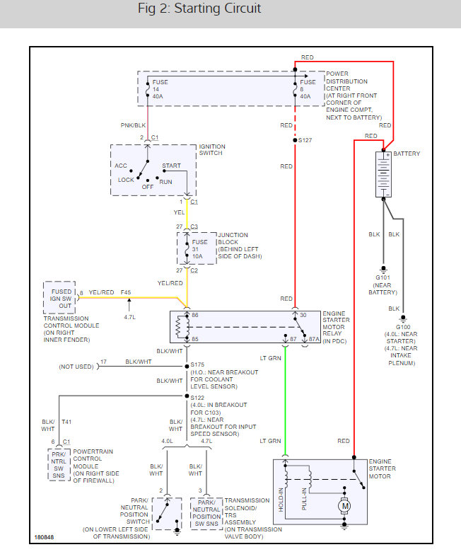
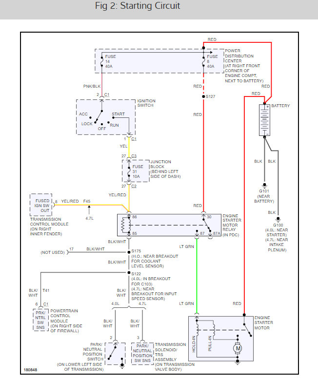
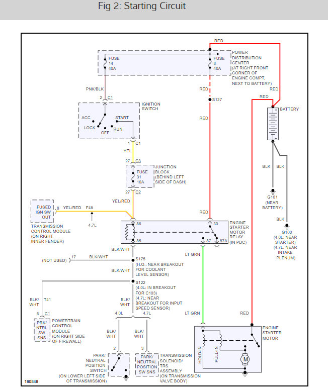
I just bought this vehicle and it won't crank with the key, but I can cross the starter out and crank it but it will only run for few seconds then cuts off. I checked all fuses and relays and connections all the gauges seem to be working. There's a flashing round light with a line through it with a key image that flashes on the dash. Don't know if that might have anything to do with it or not. If someone could help me I sure appreciate it.











