No Starter Operation?

Tiny
94GRANDCHEROKEE
  • MEMBER
  • 1994 JEEP GRAND CHEROKEE
  • V8
  • AWD
  • AUTOMATIC
  • 204,538 MILES
When my 1994 Jeep Grand Cherokee is cold after sitting a few hours it starts up fine. After you drive it and it gets to normal temp and I shut it off, all I get is a clicking noise. If I let it sit for 20 or 30 mins it starts right up. I have changed the battery, ignition switch, starter, ignition coil, gave it a tune up, I even have replaced the relays. Still didn't fix the problem. What could be causeing my problem?
Monday, June 27th, 2011 AT 3:39 AM

22 Replies

Tiny
RASMATAZ
  • MECHANIC
  • 75,992 POSTS
Check and test the starter motor relay and park/neutral switch. This guide can help us fix it

https://www.2carpros.com/articles/starter-not-working-repair

Please run down this guide and report back.
Was this
answer
helpful?
Yes
No
Monday, December 19th, 2016 AT 4:41 PM
Tiny
94GRANDCHEROKEE
  • MEMBER
  • 4 POSTS
Thank you for your response. I did go buy a park/neutral switch. Going to get it put in soon. I thought it might be that. Should I change my cables to? They have been on my Jeep sense 1994. And would you by chance have a diagram of the battery cable routing?
Was this
answer
helpful?
Yes
No
Monday, December 19th, 2016 AT 4:41 PM
Tiny
RASMATAZ
  • MECHANIC
  • 75,992 POSTS
The information am giving you is for an SE model is this correct?

Lets load test the battery to take it out of the way, also replace the cables.

Let me know what's going on.

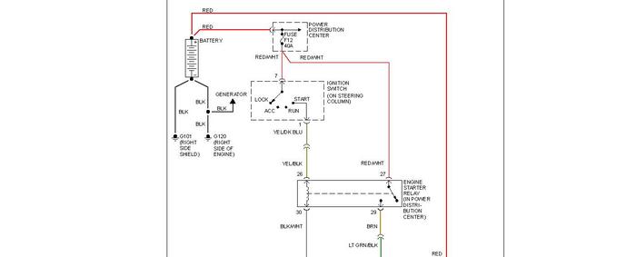
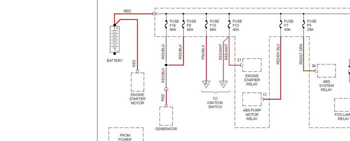
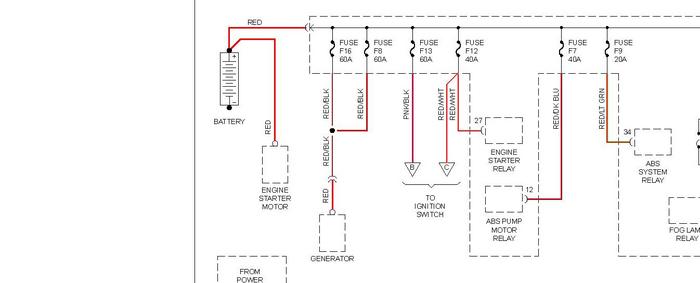
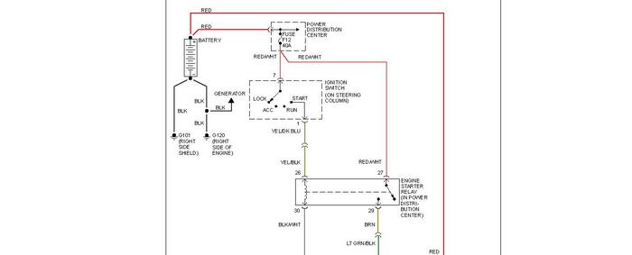
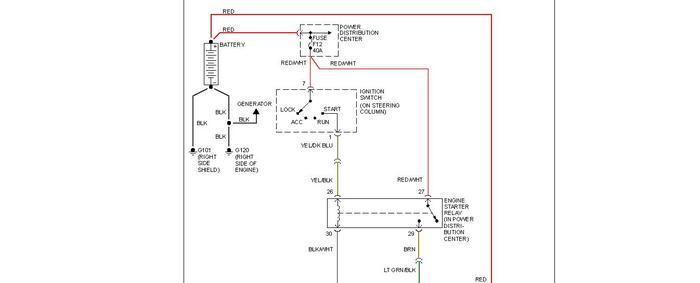
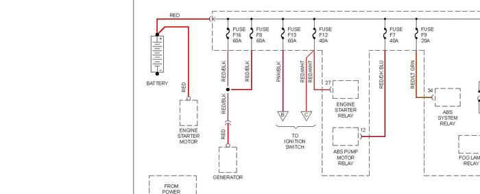
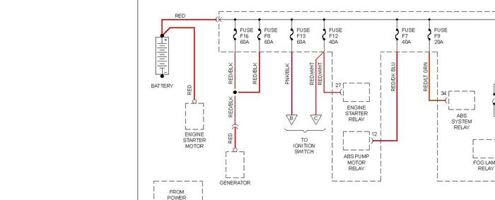
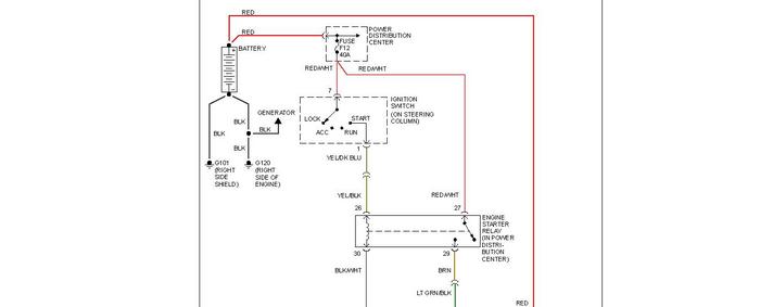
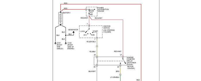
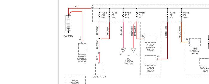
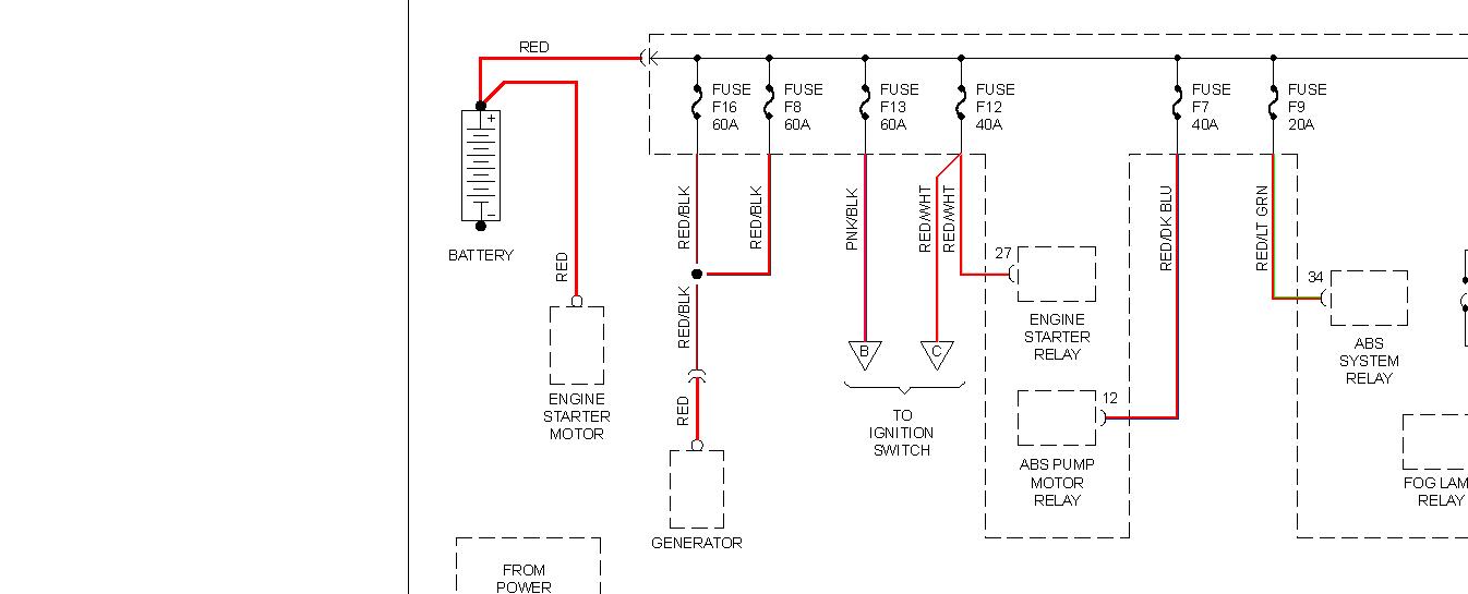
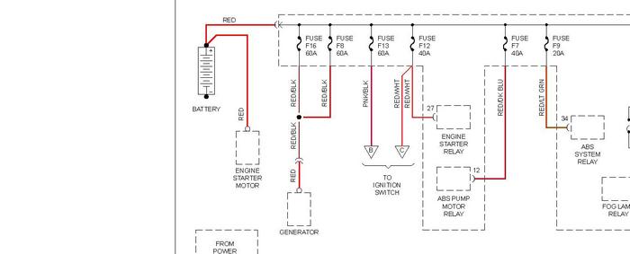
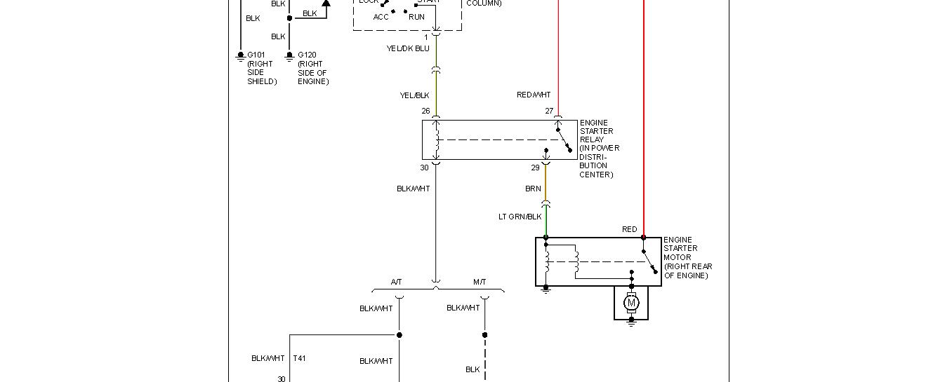
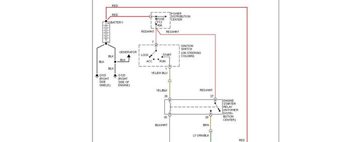
Battery wiring: See below.

Starting System:
Was this
answer
helpful?
Yes
No
Monday, December 19th, 2016 AT 4:41 PM
Tiny
94GRANDCHEROKEE
  • MEMBER
  • 4 POSTS
Thank you again. And it is a 1994 Jeep Grand Cherokee Limited with a 318.
Was this
answer
helpful?
Yes
No
Monday, December 19th, 2016 AT 4:41 PM
Tiny
RASMATAZ
  • MECHANIC
  • 75,992 POSTS
You have the same information.
Was this
answer
helpful?
Yes
No
Monday, December 19th, 2016 AT 4:41 PM
Tiny
94GRANDCHEROKEE
  • MEMBER
  • 4 POSTS
Okay, thank you. I put a new battery and tested it and it is fine. So now I am getting ready to change the cables. I will keep you updated. I was also told it would do this same thing if the thermostat was frozen shut. But I am going to change the cables anyway. Thank you again.
Was this
answer
helpful?
Yes
No
Monday, December 19th, 2016 AT 4:41 PM
Tiny
RASMATAZ
  • MECHANIC
  • 75,992 POSTS
The thermostat has nothing to do with your cranking problem, replace the cables and keep me informed.
Was this
answer
helpful?
Yes
No
Monday, December 19th, 2016 AT 4:41 PM
Tiny
KENNYDAUG
  • MEMBER
  • 1 POST
  • 1994 JEEP GRAND CHEROKEE
  • 6 CYL
  • 4WD
  • AUTOMATIC
  • 300,000 MILES
Everything was working fine. I replaced the battery and now it won’t start.
Was this
answer
helpful?
Yes
No
Thursday, September 3rd, 2020 AT 2:10 PM (Merged)
Tiny
CARADIODOC
  • MECHANIC
  • 34,468 POSTS
What are the symptoms? Does the starter crank the engine? If it does not, the best suspect is a poor cable connection. The clue will typically be the head lights will be normal brightness until you try to crank the engine, then you'll get a chatter from the starter solenoid and the head lights will go out or dim.

If the starter does crank the engine but the engine doesn't run, try holding the accelerator pedal down 1/4". Most likely the engine will continue running as long as you hold the pedal down a little. If it does, you need to drive it with one foot on the brake pedal and one on the accelerator pedal. Get it up to highway speed with the engine warmed up, then coast for at least seven seconds without touching the pedals. That will trigger the relearn for "minimum throttle". That has to be learned after disconnecting the battery before the Engine Computer will know when it has to be in control of idle speed.
Was this
answer
helpful?
Yes
No
Thursday, September 3rd, 2020 AT 2:10 PM (Merged)
Tiny
KASEKENNY
  • MECHANIC
  • 18,907 POSTS
Take a look at the attachment. It discusses what happens when you remove the battery and the disarm process. Give this a try and let me know what happens.

If this doesn't work we can dig deeper but we need to start with this and go from there. Thanks
Was this
answer
helpful?
Yes
No
Thursday, September 3rd, 2020 AT 2:10 PM (Merged)
Tiny
CARADIODOC
  • MECHANIC
  • 34,468 POSTS
Thanks KASEKENNY1. I always forget about the alarm. I put a battery in my 1993 Dynasty about once every three years, (it doesn't quite have 5,000 miles on it yet). The clue to the alarm issue is the running lights will flash as soon as the battery is connected, but the horn will not sound. One quick twist of the key in the door lock cylinder is all it takes to turn the alarm off.
Was this
answer
helpful?
Yes
No
Thursday, September 3rd, 2020 AT 2:10 PM (Merged)
Tiny
SWILD007
  • MEMBER
  • 3 POSTS
  • 1994 JEEP GRAND CHEROKEE
  • 150,000 MILES
My 94 Jeep Grand Cherokee won't start. It won't turn over nor does it make any sound while I try to start it. Do I need a new starter?

Well, I've had this vehicle for about two months and nothing but problems. The first round of it not starting: Replaced starter solenoid.

Second round : Replaced fuel filter. Third round : Replaced battery terminals. Fourth round : Replaced fuel pump. Now I'm on the fifth round with it not starting. It won't turn over or does it make any sound when I try starting it. A gentlemen at the gas station who first tried jumping me with no results suggested it's the starter. He got underneath my Jeep with a hammer and banged on it while I tried starting it, it started !

Do I need to replace the starter? I had the battery, alternator, and starter tested at Auto Zone with all three testing good. I'm really at my wits end with this thing and can't afford to keep dumping money into this pit. But I really need my vehicle to go to work and can't get a new one. Please help me! Any advice would be much appreciated.
Was this
answer
helpful?
Yes
No
Thursday, September 3rd, 2020 AT 2:10 PM (Merged)
Tiny
SATURNTECH9
  • MECHANIC
  • 30,869 POSTS
There is a good chance it is the starter if he hit it with a hammer and it started. Do you have a multi-meter to do some testing?
Was this
answer
helpful?
Yes
No
Thursday, September 3rd, 2020 AT 2:10 PM (Merged)
Tiny
SWILD007
  • MEMBER
  • 3 POSTS
Is a multi-meter a voltage tester for the battery? If so, yes. I tested the battery today and it read at 13.47. My vehicle started today and re-started again after we did the test. Is it possible it could be a bad connection as far as battery wires to the starter? Thank you for replying so quickly, I really appreciate it.
Was this
answer
helpful?
Yes
No
Thursday, September 3rd, 2020 AT 2:10 PM (Merged)
Tiny
SATURNTECH9
  • MECHANIC
  • 30,869 POSTS
Usually when the starters get hot is when they fail and when they cool down they work. Also, since it was hit with a hammer it may take a while to fail again. Yes you are correct its for testing voltage ohms etc. You need to test it when it fails make sure you have power to the small trigger wire at the starter when it will not start. That will rule out a lot of other things also make sure all the battery cable connections are clean and tight. Also, have the battery tested to cover all your bases.
Was this
answer
helpful?
Yes
No
Thursday, September 3rd, 2020 AT 2:10 PM (Merged)
Tiny
SWILD007
  • MEMBER
  • 3 POSTS
Okay, thank you very much. I will do this and let you know how it works out.
Was this
answer
helpful?
Yes
No
Thursday, September 3rd, 2020 AT 2:10 PM (Merged)
Tiny
IBIUIRIKIE
  • MEMBER
  • 1 POST
  • 1993 JEEP GRAND CHEROKEE
  • 4 CYL
  • 4WD
  • AUTOMATIC
  • 125,000 MILES
I am having the same problem with my 93 jeep grand cherokee limited. I have had this jeep for three weeks now. When I got the jeep it drove great. Now it will not start, so I started by checking fuses and noticed that 6, and 7, are removed for the vtss security, and my horn fuse was blown. When I put the fuses back in, my alarm was going off. I used the key in passanger door to turn off. Alarm. Still will not start after that. I then took off negative battery cable to see if I could reset system, that did not work. I then tried grounding the purple/yellow wire. That did nothing to help. I have now tried the diagnostics mode, while checking everything, I noticed that the back hatch when I put the key in the horn does not sound. I do not have a key fob, I only have one key to unlock this vehicle. Will replacing this lock cylinder on the back hatch fix this problem? What do I have to do to reset this alarm so I can start the jeep again. Please any help would be greatly appreciated, I am at a dead end, and I am new to jeep.
Was this
answer
helpful?
Yes
No
Thursday, September 3rd, 2020 AT 2:10 PM (Merged)
Tiny
JACOBANDNICKOLAS
  • MECHANIC
  • 110,192 POSTS
If the rear hatch tumbler is working, replacing it will not help. I hate to say it, but you need to take the vehicle to a Jeep dealer. Something is causing the system to shut down the vehicle. The only place that will have the proper test equipment to diagnose the problem. I wish I had an easy answer, but that is what needs done.
Was this
answer
helpful?
Yes
No
Thursday, September 3rd, 2020 AT 2:10 PM (Merged)
Tiny
SATURNTECH9
  • MECHANIC
  • 30,869 POSTS
Alright keep me posted.
Was this
answer
helpful?
Yes
No
Thursday, September 3rd, 2020 AT 2:10 PM (Merged)
Tiny
RAVIUS
  • MEMBER
  • 1 POST
I had a similar problem. It was a short in the wiring harness of the door triggering the anti-theft system on the alarm system. Evidently this causes all systems in the vehicle to shut down. You will not even get the starter to turn over. It took a dealership the better part of a day to trace it down after towing my vehicle there. I do not know which harness might be causing your problem but it was the on in my driver's door. Evidently this is also why sometimes the vehicle thinks a door is ajar.
Was this
answer
helpful?
Yes
No
Thursday, September 3rd, 2020 AT 2:10 PM (Merged)

Please login or register to post a reply.