Starter will not turn over the engine?

Tiny
CLHARDEN55
  • MEMBER
  • 2005 JEEP GRAND CHEROKEE
  • 3.7L
  • 6 CYL
  • 2WD
  • AUTOMATIC
  • 140,000 MILES
Ignition will turn over, battery is new, starter new, ground is okay to starter, seems to be no power to trigger wire to solenoid when switch is turned to start. Can a trigger wire be connected straight from ignition switch to starter bypassing the int harness? If no, about how to pay some to replace it?

Thanks

Craig

Ps the starter has power to it just, not trigger switch.
Thursday, August 11th, 2016 AT 10:23 AM

24 Replies

Tiny
KEN L
  • MASTER CERTIFIED MECHANIC
  • 55,244 POSTS
Hello there,

It sounds like the neutral safety switch is bad, here is how to test it and a guide to help you check the starter trigger signal. This guide can help us fix it

https://www.2carpros.com/articles/starter-not-working-repair

and

https://www.2carpros.com/articles/how-a-neutral-safety-switch-works

Please run down these guides and report back.
Was this
answer
helpful?
Yes
No
+1
Friday, October 19th, 2018 AT 11:42 AM
Tiny
ROCACHA56
  • MEMBER
  • 1 POST
  • 2005 JEEP GRAND CHEROKEE
  • 98,000 MILES
Sometimes, car wouldn't start, it just sounds like the battery is dead (new battery) then if I press the brake pedal twice really fast, then it will start (most of the time) but sometimes it doesn't start at all for a day or two then it works again.
I took the car to the dealer and they couldn't diagnose the problem, after close to $ 800.00 for diagnose charges I couldn't afford to continue so I have been driving it like that whenever I can get it to start.
I then took the car to another shop and they changed the safety switch, it work for a short time but is not starting again
Was this
answer
helpful?
Yes
No
Monday, August 31st, 2020 AT 12:35 PM (Merged)
Tiny
JACOBANDNICKOLAS
  • MECHANIC
  • 110,192 POSTS
When this happens, does the engine at least turn over? Has the starter been checked? I will assume that since the battery is new, it is good. Have all battery terminals, cables, and connections been checked? Is the ground to the engine block clean and tight? Will the engine start if you place it in neutral?
Was this
answer
helpful?
Yes
No
Monday, August 31st, 2020 AT 12:35 PM (Merged)
Tiny
TAYLOR8856
  • MEMBER
  • 1 POST
  • 2005 JEEP GRAND CHEROKEE
  • 3.7L
  • V6
  • AWD
  • AUTOMATIC
  • 204,000 MILES
Turns over but doesn't ignite. Replaced: Water pump, spark plugs, starter (2013), fuel injection cleaning. After each service it works for a few days, but then the problem returns. Intermittent. Today, acted like dead battery, hooked up to jump it, then it just clicked indicating bad starter?
Was this
answer
helpful?
Yes
No
Monday, August 31st, 2020 AT 12:35 PM (Merged)
Tiny
CAR-MAN145
  • MECHANIC
  • 321 POSTS
Check and clean all battery connection and grounds. It sounds like a bad connection somewhere.
Was this
answer
helpful?
Yes
No
Monday, August 31st, 2020 AT 12:35 PM (Merged)
Tiny
RENEE L
  • ADMIN
  • 1,260 POSTS
Please let us know if the answer fixed the problem and thank you for visiting 2CarpPros.
Was this
answer
helpful?
Yes
No
Monday, August 31st, 2020 AT 12:35 PM (Merged)
Tiny
ROBINSON ROBINSON
  • MEMBER
  • 2 POSTS
  • 2005 JEEP GRAND CHEROKEE
  • 5.7L
  • V8
  • 4WD
  • AUTOMATIC
  • 100,098 MILES
I went to start my car after driving it about twenty miles. It would not start just a single click. All the lights and accessories came on. I cleaned the terminals that didn't help. I jumped it still would not start. I had it towed on a flatbed to my house. I went out about two hours later it started right up! I went out again another three hours later it started. What could be the issue?
Was this
answer
helpful?
Yes
No
Monday, August 31st, 2020 AT 12:35 PM (Merged)
Tiny
HARRY P
  • MECHANIC
  • 2,296 POSTS
Hello and welcome to 2CarPros. I would like to know if you can turn the battery terminals by hand even when they are tightened. If there's any movement when they are tightened, then it is time to replace them. Also, how old is your battery. If you don't know, the should be a date on top or on one of the sides.

Also, if it does it again, try putting the shifter into neutral and then crank it. If it starts then, that suggests a problem with the range switch (tells the computer that is on to start the engine because the car's not in drive). And if that doesn't work, try tapping the starter with a hammer while someone else turns the key. If that works, it suggests that the electrical brushes inside the starter motor are worn and getting stuck, so it's time to replace the starter.

Please let me know if any of this helps and keep us posted. Thanks for using 2CarPros.

Harry
Was this
answer
helpful?
Yes
No
Monday, August 31st, 2020 AT 12:35 PM (Merged)
Tiny
ROBINSON ROBINSON
  • MEMBER
  • 2 POSTS
Thanks for your quick reply! The battery is only about a year young The terminals wont turn by hand they are snug and I did try to start it in neutral it would not start. I went out this morning and it started right up. I am going to have the mechanic do a computer diagnosis on it. Or perhaps something is loose in the wiring to the solenoid or starter. I cannot get under there, my back is a big mess I would not be able to get up. Thank you
Was this
answer
helpful?
Yes
No
Monday, August 31st, 2020 AT 12:35 PM (Merged)
Tiny
HARRY P
  • MECHANIC
  • 2,296 POSTS
If I had to guess, then I'd say that your problem is the solenoid switch on the starter or the starter itself. You'll need to either rebuild or replace it. I've never had good luck getting starters rebuilt. For some reason they always go bad within a couple of weeks on me. So now I just replace them. Hopefully you've got a good and honest mechanic. Good luck and keep us posted.

Harry
Was this
answer
helpful?
Yes
No
+1
Monday, August 31st, 2020 AT 12:35 PM (Merged)
Tiny
ROBERTTOMEI
  • MEMBER
  • 1 POST
  • 2005 JEEP GRAND CHEROKEE
  • 3.7L
  • V6
  • AUTOMATIC
  • 122,000 MILES
The battery is approximately 3-4 years old. My daughter couldn't start the jeep about 2 weeks ago, when turning the key, got a clicking noise. I went and jump started the jeep and it ran fine for about 4-5 days, all electrical inside worked fine (headlights, radio, etc) and no dimming. Then it stalled again and I used my friends recharging unit and recharged the battery. It only took about 10-15 minutes to "fully" recharge the battery, I jump started it, and again it ran fine for 4-5 days. Yesterday, it wouldn't start again, with the same clicking noise when trying to start the engine. At the risk of "crying poverty", both my wife and I are disabled and are having financial problems, so like everyone else who is trying to find the most economical way to repair car problems and hopefully one that can be done at home and not having to take to the mechanic. If it is a battery issue, I can change the battery at home, as I've done this many times before. If it is the alternator or something else, then we're at the "mercy" of the mechanic (and no offense meant towards mechanics-just when you're living in poverty, every penny counts). Please advise!
Thank you & aloha,
Robert
Was this
answer
helpful?
Yes
No
Monday, August 31st, 2020 AT 12:35 PM (Merged)
Tiny
CJ MEDEVAC
  • MECHANIC
  • 11,005 POSTS
Hello,

It sounds like the starter has gone bad but to be sure here is a guide to help you.

https://www.2carpros.com/articles/starter-not-working-repair

Please run down this guide and report back.

Was this
answer
helpful?
Yes
No
Monday, August 31st, 2020 AT 12:35 PM (Merged)
Tiny
RHO15
  • MEMBER
  • 2 POSTS
I was having the same issue and found out that it was my Starter. Every day I would have to jump start it. Luckily, it was covered under my extended warranty where I had it replaced. But, the starter is fairly in-expensive. After that I didn't have any issues with it starting
Was this
answer
helpful?
Yes
No
Monday, August 31st, 2020 AT 12:35 PM (Merged)
Tiny
KEN L
  • MASTER CERTIFIED MECHANIC
  • 55,244 POSTS
Excellent addition to this thread! Please feel free to help out whenever you are on the site :)
Was this
answer
helpful?
Yes
No
Monday, August 31st, 2020 AT 12:35 PM (Merged)
Tiny
DAVRLAW
  • MEMBER
  • 5 POSTS
  • 2005 JEEP GRAND CHEROKEE
  • 4.7L
  • V8
  • 4WD
  • AUTOMATIC
  • 170,000 MILES
My battery went flat. I changed the battery and now the car won’t start. The red immobilizer dot is on when the car is locked. Then when I unlock it with the key it goes off then when I try to start it the red immobilizer dot comes back on.

I have taken it to two mechanics, one auto electrician and they haven’t been able to work it out.

Please help!

Thanks in advance!
Was this
answer
helpful?
Yes
No
Monday, August 31st, 2020 AT 12:35 PM (Merged)
Tiny
KASEKENNY
  • MECHANIC
  • 18,907 POSTS
Hi,

You should have codes in the system. I am going to guess you have a code for "invalid key." If this is the case then you may need to program new keys or replace the SKREEM module.

I attached the process for programming keys but you will need a scan tool. Most likely you will need new keys because once a key is programmed it cannot be reprogrammed.

I am not sure what happened because if all that happened was you replaced the battery, it should save key information but the light staying on when you put the key in the ignition is telling you that the key you tried to start the vehicle with is not valid.

There could also be an issue with the actual module but the codes in the system will help with this. So let's start there before you replace keys. If you had someone look at it, hopefully they pulled the codes and provided them to you. If not, I am sure they recorded them somewhere so you can just call them and ask what they were. Once you have them, let me know what they are and we can get this figured out. Thanks
Was this
answer
helpful?
Yes
No
Monday, August 31st, 2020 AT 12:35 PM (Merged)
Tiny
DAVRLAW
  • MEMBER
  • 5 POSTS
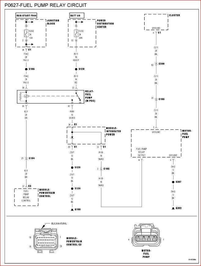
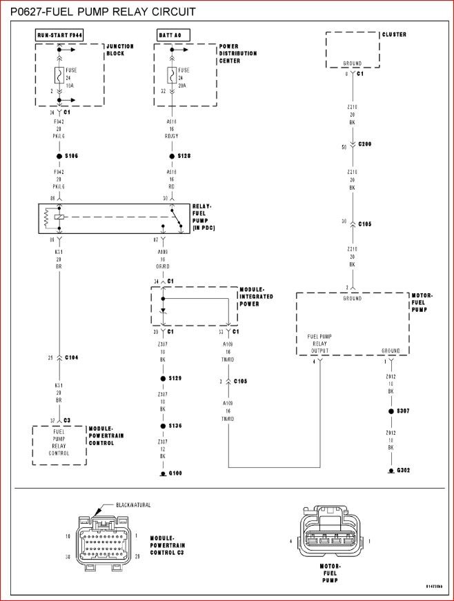
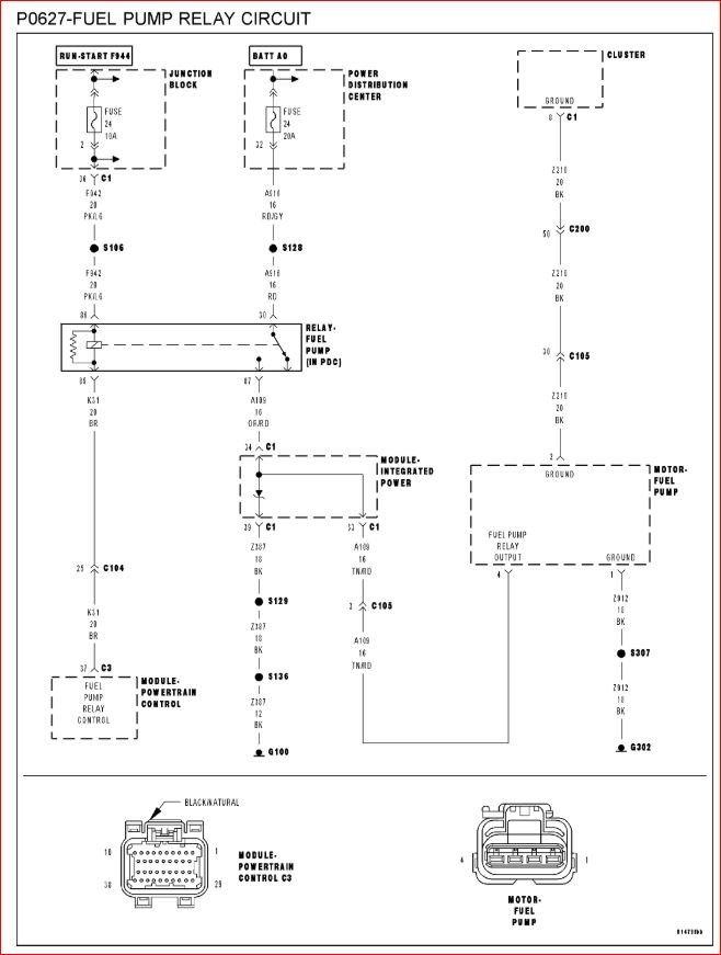
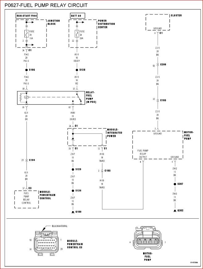
Thanks very much. I called them and they said it was P0627.

Thanks
Was this
answer
helpful?
Yes
No
Monday, August 31st, 2020 AT 12:35 PM (Merged)
Tiny
DAVRLAW
  • MEMBER
  • 5 POSTS
Also, I’d like to add that when it happened the engine wouldn’t even attempt to turn over (it made no sound when the key was turned) it went through two mechanics and that never changed. Then after the third mechanic returned the car to me it now attempts to turn over which I find odd.
Was this
answer
helpful?
Yes
No
Monday, August 31st, 2020 AT 12:35 PM (Merged)
Tiny
KASEKENNY
  • MECHANIC
  • 18,907 POSTS
Okay. This code is for a fuel pump circuit issue. This is pretty straight forward electrical diagnosis so I am not sure the level of mechanic you were taking this to but I find it odd that three different ones didn't know how to fix this.

Did they make any repairs or replace any parts?

I included the diagnosis for this code and I think I understand what happened. The first two mechanics had to disarm the security system after the battery was replaced and if they didn't then it would not turn over or do anything when you turn the key. The third guy appears to have done this. Now you have an issue with the fuel pump relay, wiring, ignition switch output, or possibly the PCM.

This test will take you through testing each of these circuits.

Here is a guide on how to check wiring like this:

https://www.2carpros.com/articles/how-to-check-wiring

If you do not want to diagnosis this yourself, I would suggest calling ahead to a shop and ask if they have someone that is confident in diagnosing electrical fuel pump issues. Unfortunately, as you have found, not all mechanics understand how these electrical systems work.

Let me know if you need more assistance or the results of each of these tests and I can help figure out the issue. Thanks
Was this
answer
helpful?
Yes
No
Monday, August 31st, 2020 AT 12:35 PM (Merged)
Tiny
SIMON SCOTT BRACKS
  • MEMBER
  • 1 POST
  • 2005 JEEP GRAND CHEROKEE
  • 3.7L
  • V6
  • 4WD
  • AUTOMATIC
  • 123 MILES
It has a brand new battery in it, the starter is been tested it says it’s fine, the alternator had been tested it says it’s fine. I have tested the battery and it says it’s 12.43 volts. When I turn the ignition on all the lights come on but it’s dead silent when I turn it over. What do you think the problem could be?
Was this
answer
helpful?
Yes
No
Monday, August 31st, 2020 AT 12:35 PM (Merged)

Please login or register to post a reply.