Engine not cranking - starter?

Tiny
MIGILLICUTY
  • MEMBER
  • 2000 JEEP GRAND CHEROKEE
  • 4.7L
  • V8
  • AWD
  • AUTOMATIC
  • 173,000 MILES
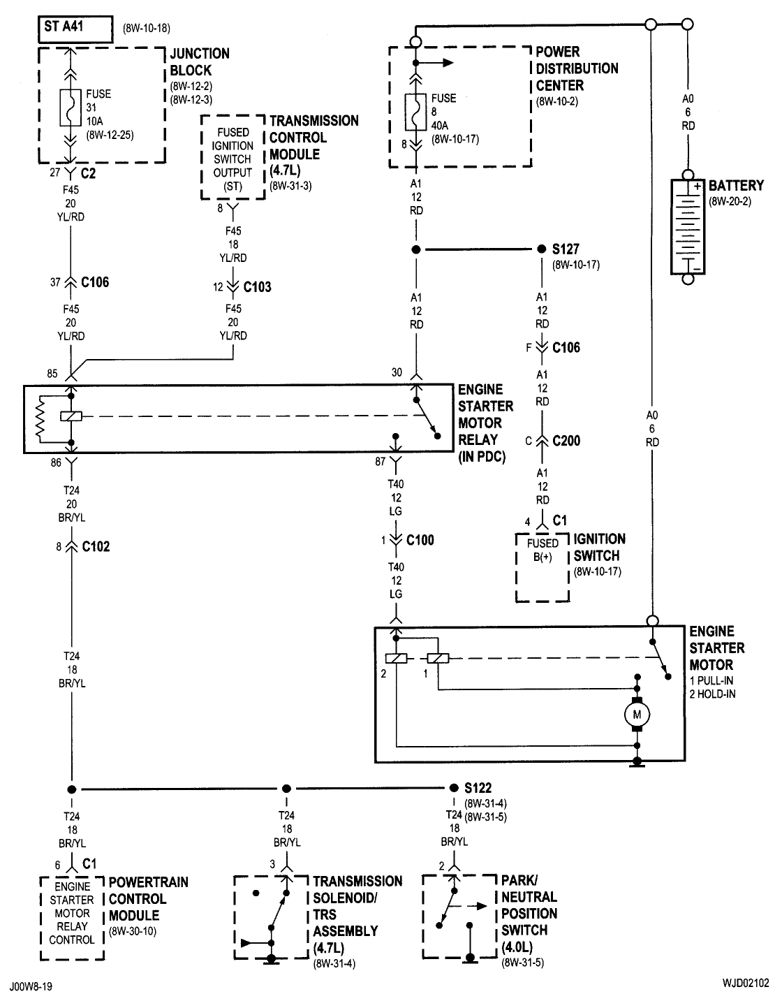
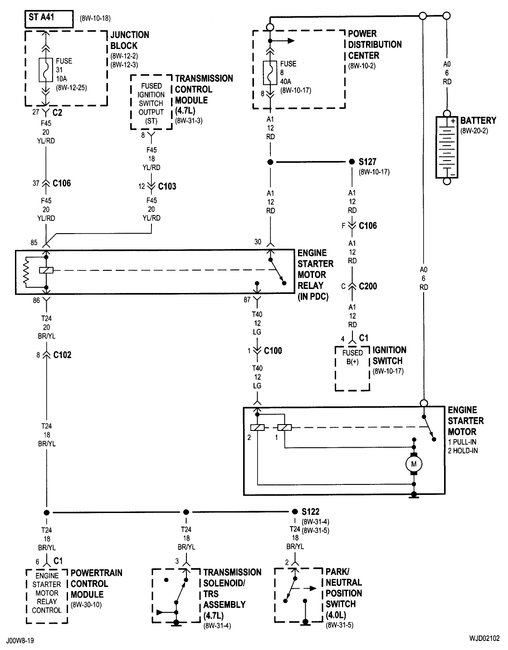
My vehicle will not start in the morning. It has a brand new battery and starter. When I turn the key the dash lights come on, but I cannot even here a click of the starter solenoid. So I bum a ride to and from work and when I get home the Jeep magically starts up like nothing is wrong. Has done this three times to me. Temperatures in the morning are about sixty four degrees and when I get home around seventy five degrees. Nothing that I believe should even affect it, but its just too weird how its depending on the time of day. I got under the Jeep (when working) to see if the large power wire is hot and it showed 12.45 volts which is the exact same reading I get at the positive battery terminal. The smaller signal wire going to the solenoid had 12.40 volts. Could this be an intermittent starter relay perhaps? Does this vehicle have a neutral safety switch? I have read online some people say yes some say no. Some say its inside the transmission and is not accessible. How can I find what the true problem is and regain my confidence to take this thing camping again?
Thursday, September 1st, 2016 AT 1:18 PM

19 Replies

Tiny
JIS001
  • MECHANIC
  • 3,412 POSTS
Looks like you are on the right track. Check those same wires when it will not start. If it does not start and you get battery voltage at solenoid wire then your starter is defective. If no power then check your starter relay.
Was this
answer
helpful?
Yes
No
Monday, December 19th, 2016 AT 4:42 PM
Tiny
MIGILLICUTY
  • MEMBER
  • 6 POSTS
Any idea why it would not work in the morning, but then it is fine by noon?
Was this
answer
helpful?
Yes
No
Monday, December 19th, 2016 AT 4:42 PM
Tiny
CJ MEDEVAC
  • MECHANIC
  • 11,005 POSTS
That relay that JIS001 referred to is in the "power distribution center". Swap it with an unimportant exact twin as a test.

I have a suggestion too.

Temperature and/or moisture might affect his suggestion or mine (especially mine).

Here is mine, see this long boring link with pictures at the end:

https://www.2carpros.com/questions/1996-chevrolet-tahoe-wont-start-sounds-dead-battery-jumpbox-get-same-reults

Be sure you return here with good news.

The Medic
Was this
answer
helpful?
Yes
No
Monday, December 19th, 2016 AT 4:42 PM
Tiny
NONNIESCOTT
  • MEMBER
  • 1 POST
  • 2000 JEEP GRAND CHEROKEE
  • V8
  • 4WD
  • AUTOMATIC
  • 150,000 MILES
Car stalled. Jumped off, ran 15 miles and stalled again. Won't even try to start. When trying, makes a whirring sound. The engine fan turns. Starter is good.
Was this
answer
helpful?
Yes
No
Monday, August 31st, 2020 AT 12:48 PM (Merged)
Tiny
RASMATAZ
  • MECHANIC
  • 75,992 POSTS
Cranks but no start condition-do below to determine whether it's fuel or spark issue:

Get a helper disconnect a sparkplug wire or 2 and ground it to the engine at least 3/16 away from ground -have helper crank engine over-do you have a snapping blue spark? If so-you have a fuel related problem, check the fuel pressure to rule out the fuel filter/fuel pump/pressure regulator and listen to the injector/s are they pulsing or hook up a noid light. No snapping blue spark continue to troubleshoot the ignition system-power input to the coil/COP/coil packs, coil's resistances, distributor pick-up coil, ignition control module, cam and crank sensors and computer Note: If it doesn't apply disregard it.
Was this
answer
helpful?
Yes
No
Monday, August 31st, 2020 AT 12:48 PM (Merged)
Tiny
RHT10
  • MEMBER
  • 1 POST
  • 2000 JEEP GRAND CHEROKEE
  • V6
  • 2WD
  • AUTOMATIC
  • 174,000 MILES
Once every two months, my car won't start. I open the hood, jiggle some wires (hood light usually), close the hood firmly, and it usually cranks within five minutes (sometimes longer though). The battery is fine, my starter is only two years old. Any ideas or recommendations?
Was this
answer
helpful?
Yes
No
Monday, August 31st, 2020 AT 12:49 PM (Merged)
Tiny
JACOBANDNICKOLAS
  • MECHANIC
  • 110,192 POSTS
Welcome to 2CarPros.

If moving some wires around helps, then you must have a bad connection. The first thing I suggest is checking the battery terminals. Make sure they are clean and tight and free of corrosion.

Here is a link that may help:

https://www.2carpros.com/articles/everything-goes-dead-when-engine-is-cranked

Let me know the results or if you have other questions.

Take care,
Joe

Was this
answer
helpful?
Yes
No
Monday, August 31st, 2020 AT 12:49 PM (Merged)
Tiny
MELINDA
  • MEMBER
  • 1 POST
  • 2000 JEEP GRAND CHEROKEE
  • V8
  • 4WD
  • AUTOMATIC
What does it mean when my 2000 jeep grand cherokee wont start jeep and it just makes a loud whirling noise.
Was this
answer
helpful?
Yes
No
Monday, August 31st, 2020 AT 12:49 PM (Merged)
Tiny
CUP1981
  • MEMBER
  • 133 POSTS
The most likely culprit is the starter is not engaging the flywheel, meaning it just spins inside its housing. Check this out first then we can move forward. If you remove the starter, most auto parts stores will test it for free.
Was this
answer
helpful?
Yes
No
Monday, August 31st, 2020 AT 12:49 PM (Merged)
Tiny
GABBYTYUS32
  • MEMBER
  • 3 POSTS
  • 2000 JEEP GRAND CHEROKEE
  • 4.0L
  • V6
  • AUTOMATIC
My truck wouldn't start on Saturday, attempted to get a jump but still wouldn't start. I let it sit until Tuesday and attempted to start it again. It started back and I was able to get it home. Now it wont start again. Is that an indicator of a bad starter or bad alternator

It is also running hot. Have replaced the radiator, thermostat, top radiator hose and fan. Is there any other reason it would run hot?
Was this
answer
helpful?
Yes
No
Monday, August 31st, 2020 AT 12:49 PM (Merged)
Tiny
HMAC300
  • MECHANIC
  • 48,601 POSTS
Check battery for condition including load test first. Then you can check charging system at same time. Then next time it doesn't start have an assisntant try to start it an dyou hit the body of starter with a hammer. If it starts then the starter is bad.
Was this
answer
helpful?
Yes
No
Monday, August 31st, 2020 AT 12:49 PM (Merged)
Tiny
GABBYTYUS32
  • MEMBER
  • 3 POSTS
How can I do a load and system charging test?
Was this
answer
helpful?
Yes
No
Monday, August 31st, 2020 AT 12:49 PM (Merged)
Tiny
HMAC300
  • MECHANIC
  • 48,601 POSTS
Take the battery out and go to either a tire store/autoparts they do for free
Was this
answer
helpful?
Yes
No
Monday, August 31st, 2020 AT 12:49 PM (Merged)
Tiny
GABBYTYUS32
  • MEMBER
  • 3 POSTS
I took the battery to auto zone and they said it was a good battery. Would u know why it would also be running hot still?
Was this
answer
helpful?
Yes
No
Monday, August 31st, 2020 AT 12:49 PM (Merged)
Tiny
JEEP200
  • MEMBER
  • 2 POSTS
  • 2000 JEEP GRAND CHEROKEE
  • 6 CYL
  • 2WD
  • AUTOMATIC
  • 186,000 MILES
The key with the line across it is flashing, truck wont start. Alarm and lights/horn is flashing. What has been replaced is the rear door actuator passenger, door actuator, also the immobilizer, driver key cylinder and ignition cylinder. The door and ignition and immobilizer came from a different car as well as the two gray keys. Still have the same problem the car wont start. How to sync all units with the computer?
Was this
answer
helpful?
Yes
No
Monday, August 31st, 2020 AT 12:49 PM (Merged)
Tiny
HMAC300
  • MECHANIC
  • 48,601 POSTS
Yoyu;ll need to get the cooling system pressure checked for a head gasket/leak etc. If stillnot starting, check fuses and starter relay in power dist center if the starter clicks or makes noise then it's probably the starter is bad auto parts can test that as well.
Was this
answer
helpful?
Yes
No
Monday, August 31st, 2020 AT 12:49 PM (Merged)
Tiny
ASEMASTER6371
  • MECHANIC
  • 52,796 POSTS
Good morning,

Did you get new keys with the replacement cylinders? You should have and they should be programmed.

Below is the procedure and description for programming the keys.

Roy

Two programmed Sentry Key transponders are included with the Sentry Key Immobilizer System (SKIS) when it is shipped from the factory. The Sentry Key Immobilizer Module (SKIM) can be programmed to recognize up to six additional transponders, for a total of eight Sentry Keys. The following "Customer Learn" programming procedure for the programming of additional transponders requires access to at least two of the valid Sentry Keys. If two valid Sentry Keys are not available, Sentry Key programming will require the use of a DRB scan tool and the proper Diagnostic Procedures.

Customer Learn
1. Obtain the additional Sentry Key transponder blank(s) that are to be programmed for the vehicle. Cut the additional Sentry Key transponder blanks to match the ignition lock cylinder mechanical key codes.
2. Insert one of the two valid Sentry Key transponders into the ignition switch and turn the ignition switch to the On position.
3. After the ignition switch has been in the On position for about three seconds, but no more than 15 seconds later, cycle the ignition switch back to the Off position. Replace the first valid Sentry Key in the ignition lock cylinder with the second valid Sentry Key and turn the ignition switch back to the On position.
4. About 10 seconds after the completion of Step 3, the SKIS indicator lamp will start to flash and a single audible chime tone will sound to indicate that the system has entered the "Customer Learn" programming mode.
5. Within about 50 seconds of entering the "Customer Learn" programming mode, turn the ignition switch to the Off position, replace the valid Sentry Key with a blank Sentry Key transponder, and turn the ignition switch back to the On position.
6. About 10 seconds after the completion of Step 5, a single audible chime tone will sound and the SKIS indicator lamp will stop flashing and stay on solid for about three seconds to indicate that the blank Sentry Key transponder has been successfully programmed. The SKIS will immediately return to normal system operation following exit from the "Customer Learn" programming mode.
7. Go back to Step 2 and repeat this process for each additional Sentry Key transponder blank to be programmed.
If any of the above steps is not completed in the proper sequence, or within the allotted time, the SKIS will automatically exit the "Customer Learn" programming mode. The SKIS will also automatically exit the "Customer Learn" programming mode if it sees a non-blank Sentry Key transponder when it should see a blank, if it has already programmed eight valid Sentry Keys, or if the ignition switch is turned to the Off position for more than about fifty seconds.
Was this
answer
helpful?
Yes
No
Monday, August 31st, 2020 AT 12:49 PM (Merged)
Tiny
FORREST2
  • MEMBER
  • 1 POST
  • 2000 JEEP GRAND CHEROKEE
  • 4.0L
  • 6 CYL
  • 4WD
  • AUTOMATIC
  • 180,000 MILES
The horn beeps and headlights flash flashers flash like the security system is going off Will turn over will not start
Was this
answer
helpful?
Yes
No
Monday, August 31st, 2020 AT 12:49 PM (Merged)
Tiny
HMAC300
  • MECHANIC
  • 48,601 POSTS
Try resetting security system if no manual look online for your car. That is probably what is wrong. If it still wont start with a reset then have a mechanic scan for codes as there may be a problem with security system.
Was this
answer
helpful?
Yes
No
Monday, August 31st, 2020 AT 12:49 PM (Merged)

Please login or register to post a reply.