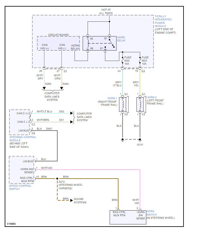
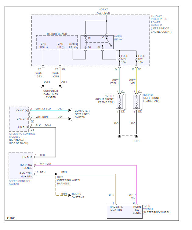
I have turned the key to the "on" position and checked the fuses with the volt meter, I have noticed that all the ten amp fuses in the box read approximately twelve volts, except for the two ten amp horn fuses. They are reading zero. Is this normal?
My brother took the car to the shop and they told him it was the clock spring and they want to charge him $700.00 for part and labor. Does this sound like a clock spring symptom? I thought that the fuse side should already have voltage and when the switch at the steering wheel is pressed, it throws the relay and sounds the horn.
Friday, May 26th, 2017 AT 5:23 PM




