Instrument/Dash Lights

Tiny
MICHIV
  • MEMBER
  • 1999 HONDA CIVIC
  • 4 CYL
  • FWD
  • AUTOMATIC
  • 91,357 MILES
My instrument/dash lights went out when I put in a new stereo. I checked the fuses and they are fine. What could be the problem and how do I fix it?
Saturday, July 25th, 2009 AT 6:34 PM

35 Replies

Tiny
KHLOW2008
  • MECHANIC
  • 41,814 POSTS
Hi michiv,

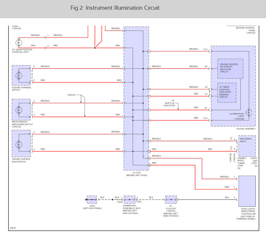
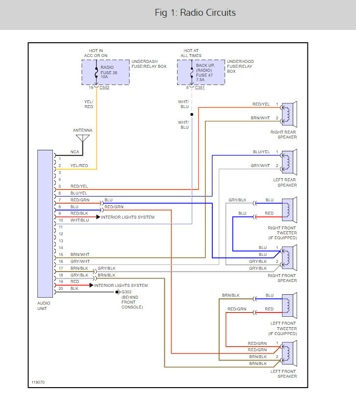
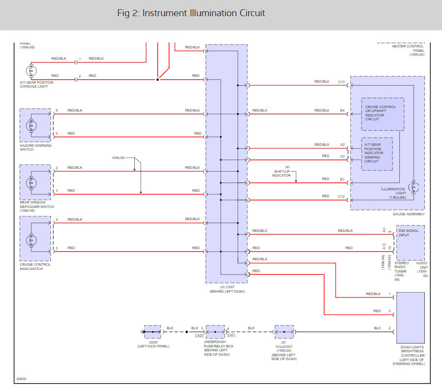
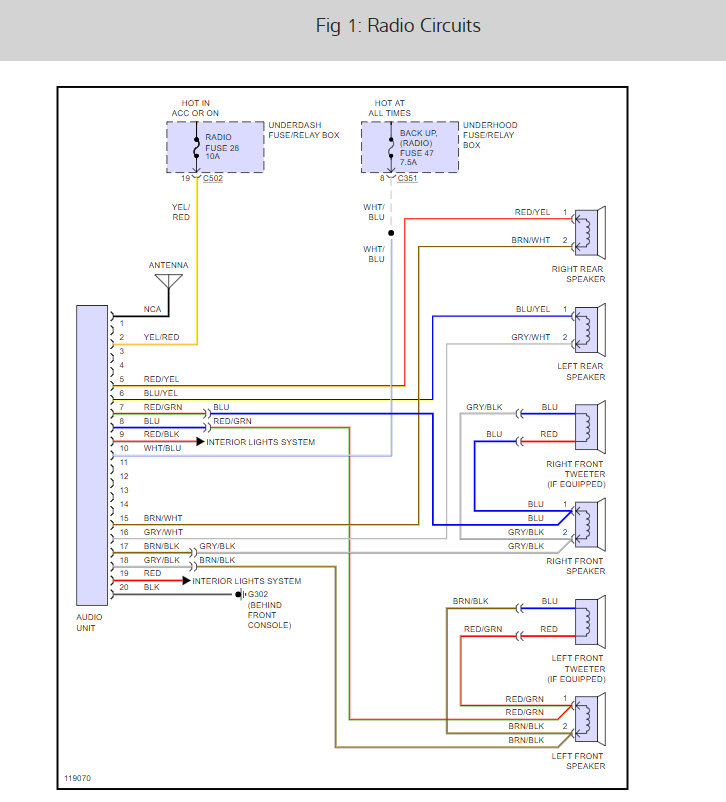
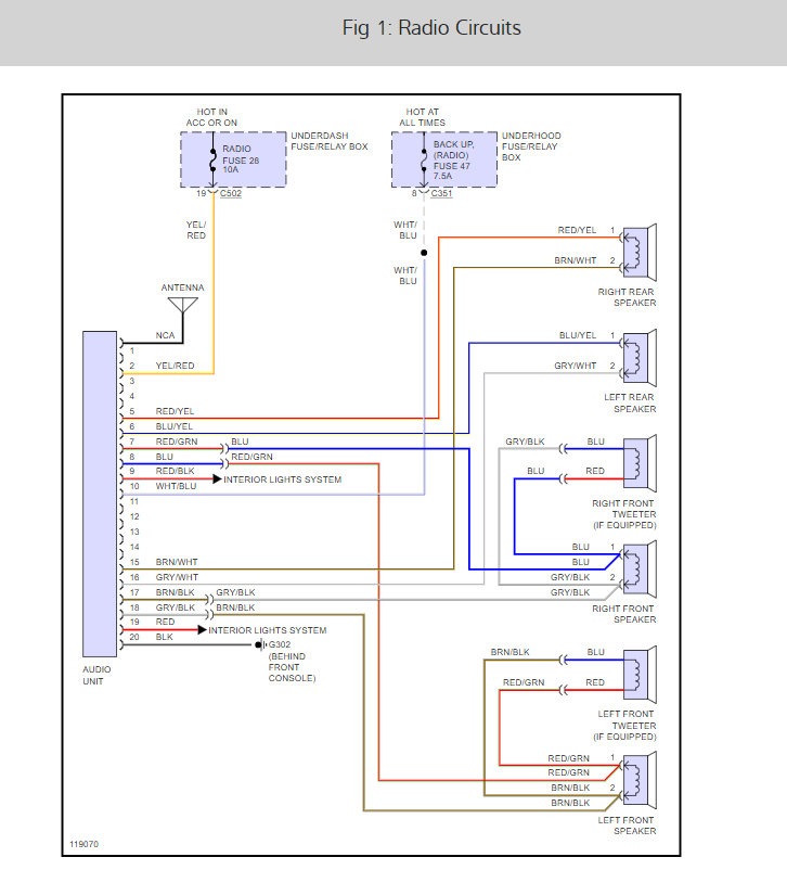
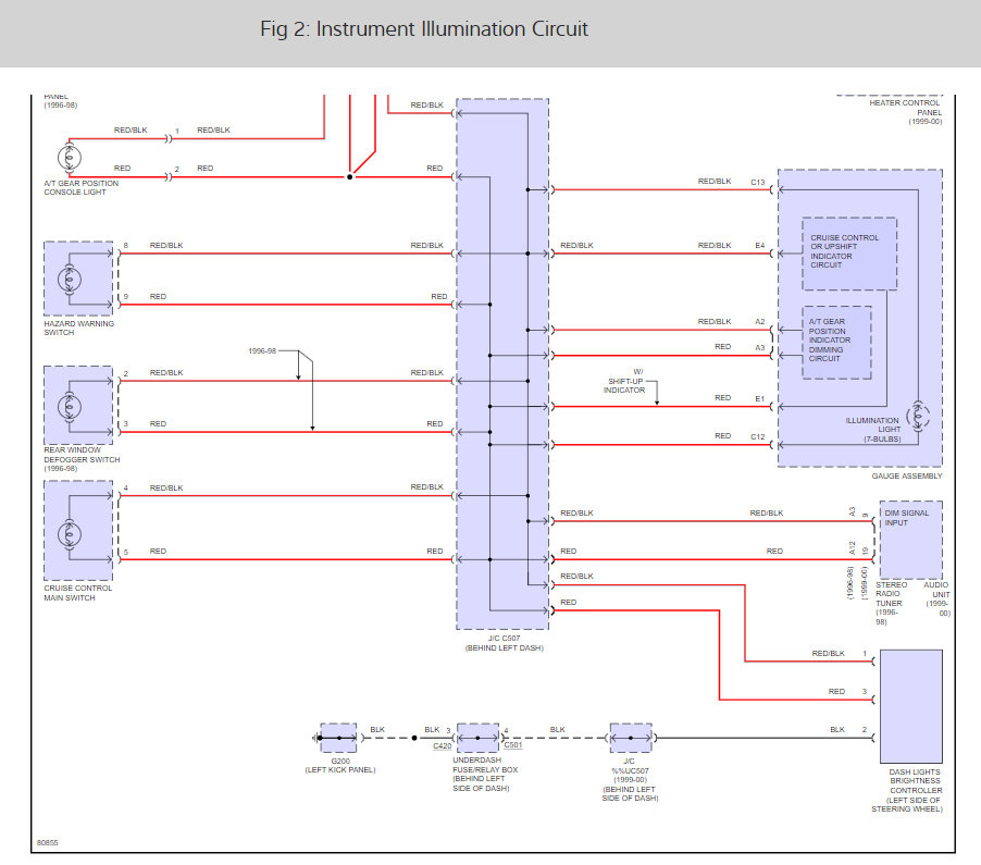
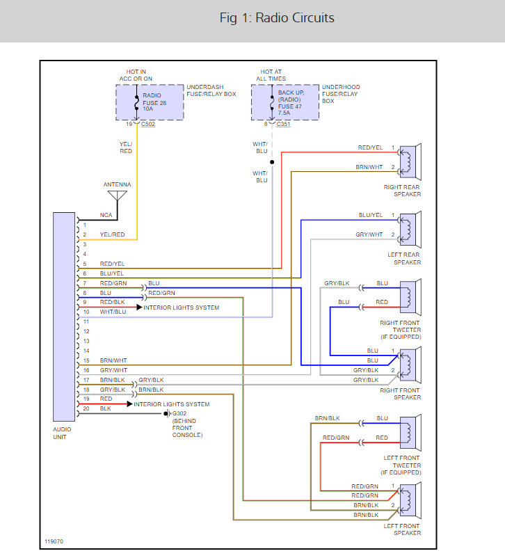
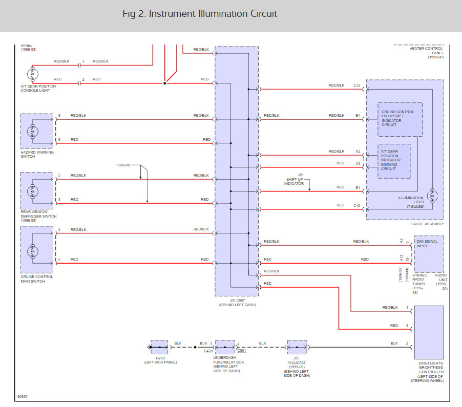
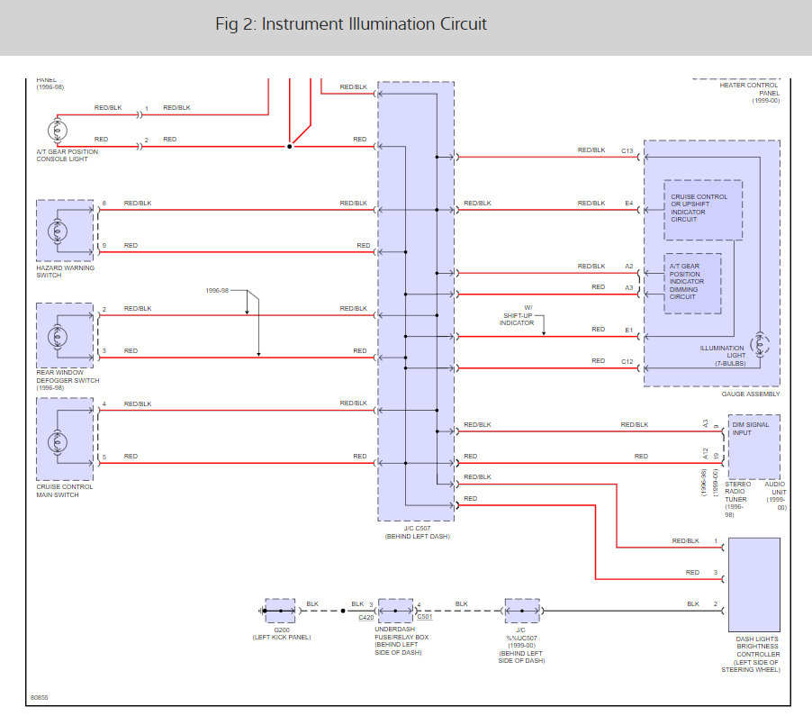
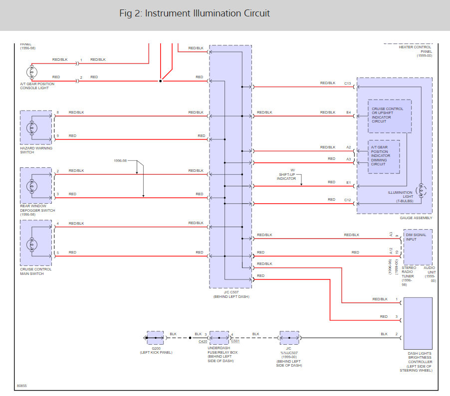
It sounds like you lost power to fuse #30 in the under dash fuse panel here is a guide to help you test with the fuse location and wiring diagrams for the radio and instrument cluster light so you can see how it works.

https://www.2carpros.com/articles/how-to-check-a-car-fuse

Check out the diagrams (Below). Please let us know what you find. We are interested to see what it is.
Was this
answer
helpful?
Yes
No
Sunday, July 26th, 2009 AT 2:33 PM
Tiny
ZANYJB
  • MEMBER
  • 1 POST
Thanks for this post I found a bad connection at the fuse causing the problem. I love this site.
Was this
answer
helpful?
Yes
No
Thursday, December 27th, 2018 AT 7:22 PM
Tiny
KKUNERT
  • MEMBER
  • 4 POSTS
  • 1999 HONDA CIVIC
  • 162,000 MILES
Hey there,

I'm not really car savvy so I'll try to explain this as best as I can.

A few months back my aftermarket stereo had been cutting in and out (turns out a wire or two that I mickey moused came loose). Without knowing, I connected a ground wire. Later in the day my car battery died (due to leaving headlights on while in class). Had it jumped and everything seemed fine again. However I noticed that my dash cluster, AC unit, and gear shifting lights became extremely dim and eventuallly burned out completely.I brought my car to a stereo shop that told me to wire off the ground wire and not connect, having it connected kept blowing the 7.5Amp fuse for the Instrument Panel as soon as quickly as I could replace it. After replacing the fuse (and it successfully not shorting out to this day), the dash lights, AC lights and gear shift lights still do not work after replacing all fuses. I've gone as far as replacing the bulbs in my dash cluster and still nothing. I have a multimeter but am unsure how, what or where I'm trying to find the source of the problem. Any advice would be extremely appreciated!

Thank you in advance,
Kevin

1999 Honda Civic LX
Was this
answer
helpful?
Yes
No
+1
Thursday, December 27th, 2018 AT 7:23 PM (Merged)
Tiny
HMAC300
  • MECHANIC
  • 48,601 POSTS
Have a pro look at this sounds like you wired the radio to the dash lights or put your ground to it.
Was this
answer
helpful?
Yes
No
-1
Thursday, December 27th, 2018 AT 7:23 PM (Merged)
Tiny
KHLOW2008
  • MECHANIC
  • 41,814 POSTS
The OEM radio has a system whereby the lighting uses 2 wires and with an after market radio, the system has been disrupted therefore the interior illuminations lights would not work corectly.
Was this
answer
helpful?
Yes
No
-1
Thursday, December 27th, 2018 AT 7:23 PM (Merged)
Tiny
KIKILABS
  • MEMBER
  • 1 POST
  • HONDA CIVIC
I have a 1996 honda civic DX, with a 1.6L engine. It has 101,000 miles and is automatic. Someone recently tried to steal the car and tore apart the ignition system so I replaced the steering column and now the engine will not crank over and I also have no dash lights lighting up when I turn on the ignition. All it does is make the beeping sound. Also my wipers and signals dont work but my head lights do. I tried starting the car from neutral but that did not work. I also have an alarm on the car that still works fine. Please help.
Was this
answer
helpful?
Yes
No
Thursday, December 27th, 2018 AT 7:23 PM (Merged)
Tiny
RASMATAZ
  • MECHANIC
  • 75,992 POSTS
Better check the ignition switch wiring connector-the power from the distribution box is not at the ignition switch- Check the main fusible link and other links/fuses.-Might be blown, shorted out by the thieves.

It doesn't wanna crank bcuz there's no power at the ignition switch starting circuit.
Was this
answer
helpful?
Yes
No
Thursday, December 27th, 2018 AT 7:23 PM (Merged)
Tiny
JOEY_K04
  • MEMBER
  • 1 POST
  • HONDA CIVIC
Honda Civic Aerodeck station wagon, 1999, 56K miles, 1600cc

I replaced the left brake light a few days ago and have noticed now that when I use the brakes (or even tap them) the dashboard light goes on and the front parking lights (dim white ones) also go on, but go off when I take my foot off the brake. Any thoughts as to why this is happening? I believe I bought the correct bulb.
Was this
answer
helpful?
Yes
No
Thursday, December 27th, 2018 AT 7:23 PM (Merged)
Tiny
BRUCE HUNT
  • MECHANIC
  • 3,754 POSTS
I don't believe it is a bulb issue. I think you have a grounding issue. Most of the wierd electrical issues on Honda are associated with grounds. They are so overlooked and yet so critical.
Was this
answer
helpful?
Yes
No
Thursday, December 27th, 2018 AT 7:23 PM (Merged)
Tiny
NAMMIII
  • MEMBER
  • 1 POST
  • 1996 HONDA CIVIC
  • 6 CYL
  • 2WD
  • MANUAL
  • 108,000 MILES
I just purchased a 96 honda civic. Lights on the dasboard do not funtion and one headlight out. I slammed hood and headlight came on but then went out again. I changed fuses for the dash board but the lights worked then went out again. Any suggestions as to what migt be the problem.
Was this
answer
helpful?
Yes
No
Thursday, December 27th, 2018 AT 7:23 PM (Merged)
Tiny
F4I_GUY
  • MECHANIC
  • 3,302 POSTS
Well was the fuse blown? If so you may have a short in the wiring causing the fuse to blow. Off the top of my head, I cannot think of a common place where these circuits short out, for the most part they are pretty reliable unless some ya-hoo installs an alarm or remote starter and does a sloppy job.

Your headlight issue is probably just a loose connector, wire or the actual filament inside the headlight itself is faulty.
Was this
answer
helpful?
Yes
No
Thursday, December 27th, 2018 AT 7:23 PM (Merged)
Tiny
JOEK
  • MEMBER
  • 1 POST
  • 1993 HONDA CIVIC
  • 4 CYL
  • 2WD
  • AUTOMATIC
  • 146,000 MILES
93 Honda Civic LX, lost dash lights, 10 amp fuse is good, Cant find what bulb to replace
Was this
answer
helpful?
Yes
No
Thursday, December 27th, 2018 AT 7:23 PM (Merged)
Tiny
JACOBANDNICKOLAS
  • MECHANIC
  • 110,194 POSTS
Make sure there is power to and from the fuse. Check for bad body grounds.
Was this
answer
helpful?
Yes
No
Thursday, December 27th, 2018 AT 7:23 PM (Merged)
Tiny
AREATHAJ
  • MEMBER
  • 3 POSTS
  • 1993 HONDA CIVIC
  • 4 CYL
  • AUTOMATIC
  • 205,000 MILES
Dash light has gone out on dash board and gear shift. It is a bulb or fuse. Look at both fuse boxes inside car. And under hood on passages side and can't figure out which one it is. Please help. Can I do it myself if it is a bulb?
Was this
answer
helpful?
Yes
No
+1
Thursday, December 27th, 2018 AT 7:23 PM (Merged)
Tiny
KHLOW2008
  • MECHANIC
  • 41,814 POSTS
Check the taillights. If it is not working, it is a fuse underhood, the taillight relay or a fault with the light switch.

It is marked taillight. Use a test light to test.
Was this
answer
helpful?
Yes
No
Thursday, December 27th, 2018 AT 7:23 PM (Merged)
Tiny
TSLAY89
  • MEMBER
  • 2 POSTS
  • 2000 HONDA CIVIC
  • 117,500 MILES
Hello,

For christmas my dad tried to put in a new head unit in my 2000 EX honda civic, but as doing so he never unplugged the battery and now my insdie dash lights radio lights and the lights that light up the gear shift(its an automatic) do not work at all now. How can I fix this?
Was this
answer
helpful?
Yes
No
Thursday, December 27th, 2018 AT 7:23 PM (Merged)
Tiny
CARADIODOC
  • MECHANIC
  • 34,490 POSTS
Have you checked the fuses?
Was this
answer
helpful?
Yes
No
Thursday, December 27th, 2018 AT 7:23 PM (Merged)
Tiny
TSLAY89
  • MEMBER
  • 2 POSTS
Yes all the fuses are good.
Was this
answer
helpful?
Yes
No
Thursday, December 27th, 2018 AT 7:23 PM (Merged)
Tiny
CARADIODOC
  • MECHANIC
  • 34,490 POSTS
Next I would unplug the radio, then see if the lights work. If they do, chances are the dash light wire got inadvertently used as a ground wire. There is a wire in the original radio's connector for the tail lights and another one for the dash lights. The tail light wire tells the radio to dim the display when the head lights are on. The dash light wire tells the display how much to dim. Both of those wires measure very low resistance to ground because of all the bulbs on those circuits. That's why many people confuse them for ground wires.
Was this
answer
helpful?
Yes
No
+1
Thursday, December 27th, 2018 AT 7:23 PM (Merged)
Tiny
RUNNINLA8
  • MEMBER
  • 2 POSTS
  • 1998 HONDA CIVIC
  • 4 CYL
  • AUTOMATIC
  • 100 MILES
On our 1998 Honda Civic DX the speedometer and dash lights don't work. Have replaced the speed sensor and alternator but the speedometer and dash lights still don't work. Any suggestions on what to try next?
Was this
answer
helpful?
Yes
No
-2
Thursday, December 27th, 2018 AT 7:23 PM (Merged)

Please login or register to post a reply.